Студопедия

КАТЕГОРИИ:


Архитектура-(3434)Астрономия-(809)Биология-(7483)Биотехнологии-(1457)Военное дело-(14632)Высокие технологии-(1363)География-(913)Геология-(1438)Государство-(451)Демография-(1065)Дом-(47672)Журналистика и СМИ-(912)Изобретательство-(14524)Иностранные языки-(4268)Информатика-(17799)Искусство-(1338)История-(13644)Компьютеры-(11121)Косметика-(55)Кулинария-(373)Культура-(8427)Лингвистика-(374)Литература-(1642)Маркетинг-(23702)Математика-(16968)Машиностроение-(1700)Медицина-(12668)Менеджмент-(24684)Механика-(15423)Науковедение-(506)Образование-(11852)Охрана труда-(3308)Педагогика-(5571)Полиграфия-(1312)Политика-(7869)Право-(5454)Приборостроение-(1369)Программирование-(2801)Производство-(97182)Промышленность-(8706)Психология-(18388)Религия-(3217)Связь-(10668)Сельское хозяйство-(299)Социология-(6455)Спорт-(42831)Строительство-(4793)Торговля-(5050)Транспорт-(2929)Туризм-(1568)Физика-(3942)Философия-(17015)Финансы-(26596)Химия-(22929)Экология-(12095)Экономика-(9961)Электроника-(8441)Электротехника-(4623)Энергетика-(12629)Юриспруденция-(1492)Ядерная техника-(1748)

АЦП параллельного типа




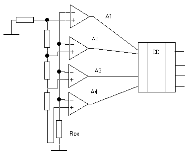
Обладают наибольшим быстродействием. В них сравнение и получение результата преобразования происходит за время . Рассмотрим схему 2–х разрядного АЦП параллельного типа.

Схема параллельного АЦП содержит компараторы, число которых определяется числом уровней квантования. т.е. =2

R – разрядность двоичного кода результата преобразования.

Опорное напряжение для каждого из компараторов получают с помощью резистивной матрицы.

СД – приоритетный шифратор. Преобразует унитарный двоичный код в двоичный.

Аналоговый сигнал Ux поступает единовременно на все компараторы. При этом изменяют состояние лишь те, у кого Ux>Uвх

С помощью приоритетного шифратора на выходе формируется двоичный код номера старшего сработавшего компаратора.




Поделиться с друзьями:


Дата добавления: 2015-06-04; Просмотров: 508; Нарушение авторских прав?; Мы поможем в написании вашей работы!


Нам важно ваше мнение! Был ли полезен опубликованный материал? Да | Нет



studopedia.su - Студопедия (2013 - 2026) год. Все материалы представленные на сайте исключительно с целью ознакомления читателями и не преследуют коммерческих целей или нарушение авторских прав! Последнее добавление




Генерация страницы за: 0.01 сек.