Студопедия

КАТЕГОРИИ:


Архитектура-(3434)Астрономия-(809)Биология-(7483)Биотехнологии-(1457)Военное дело-(14632)Высокие технологии-(1363)География-(913)Геология-(1438)Государство-(451)Демография-(1065)Дом-(47672)Журналистика и СМИ-(912)Изобретательство-(14524)Иностранные языки-(4268)Информатика-(17799)Искусство-(1338)История-(13644)Компьютеры-(11121)Косметика-(55)Кулинария-(373)Культура-(8427)Лингвистика-(374)Литература-(1642)Маркетинг-(23702)Математика-(16968)Машиностроение-(1700)Медицина-(12668)Менеджмент-(24684)Механика-(15423)Науковедение-(506)Образование-(11852)Охрана труда-(3308)Педагогика-(5571)Полиграфия-(1312)Политика-(7869)Право-(5454)Приборостроение-(1369)Программирование-(2801)Производство-(97182)Промышленность-(8706)Психология-(18388)Религия-(3217)Связь-(10668)Сельское хозяйство-(299)Социология-(6455)Спорт-(42831)Строительство-(4793)Торговля-(5050)Транспорт-(2929)Туризм-(1568)Физика-(3942)Философия-(17015)Финансы-(26596)Химия-(22929)Экология-(12095)Экономика-(9961)Электроника-(8441)Электротехника-(4623)Энергетика-(12629)Юриспруденция-(1492)Ядерная техника-(1748)

Автоматизированный электропривод переменного тока с непосредственным преобразованием частоты (НПЧ)

Преобразователи с непосредственной связью предназначены для однозвенного преобразования энергии переменного тока одной частоты в энергию переменного тока другой (как правило, более низкой) частоты.

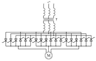
НПЧ состоит из: рис.36

18 управляемых силовых ключей, объедененных в встречно параллельные группы с раздельным или совместным управлением.

В основе непосредственного преобразователя лежит трехфазная нулевая схема выпрямления, при этом каждая фаза преобразователя состоит из двух таких встречно включенных выпрямителей состоящих из трех силовых ключей.

Группа ключей имеющих общий катод - выпрямительная (положительная), а группа, имеющая общий анод - инверторная (отрицательная).

Каждая фаза работает как двухкомплектный реверсивный преобразователь. Вентильные группы каждой фазы могут иметь либо раздельную, либо совместную схему управления.

При раздельном управлении управляющие импульсы подаются на силовые ключи только на первые из вентильных групп в соответствии с направлением тока и напряжения в нагрузке. В период прохождения “+” полуволны управляющие импульсы подаются на силовые ключи выпрямительной группы, в период “-” на вход инверторной группы. При раздельном управлении во избежание КЗ применяют специальные логические устройства, которые исключают возможность прохождения тока в одной группе в то время когда работает другая группа. В преобразователях с совместным управлением управляющие импульсы подаются на силовые ключи обеих групп. В этом случае силовая схема предполагает включение ограничительных ректоров для уменьшения уравнительных токов между силовыми ключами катодной и анодной группы. При этом угол управления выпрямительной и инверторной групп изменяется по определенному закону, исключающему появление постоянной составляющей уравнительного тока.

Необходимо отметить, что в настоящее время, подавляющее большинство НПЧ работают по принципу раздельного управления.

Преимущества раздельного управления:

1.) значительно лучшие массогабаритные показатели.

2.)Примерно в два раза меньше установленная мощность и энергопотребление.

 

Кривая выходного напряжения НПЧ формируется из отрезков волн напряжения питающей сети. При работе НПЧ на чисто активную нагрузку форма выходного напряжения далека от синусоидальной. Чтобы получить выходное напряжение близкое по форме к синусоидальной необходимо изменять угол управления На диаграмме показано что в течение первой полуволны угол α изменяется 0 до 90 по трапециидальному закону (0-90 перевернутая трапеция, 90-180 прямая трапеция)

Рис.37

Для регулирования частоты на выходе преобразователя изменяют периоды коммутации, т.е. при уменьшении периода – выходная частота увеличится, а при увеличении периода – выходная частота уменьшится. Выходная частота НПЧ может быть только меньше частоты питающей сети т.к. выходное напряжение строится из отрезков входного напряжения. Необходимый фазовый сдвиг достигается путем сдвига на определенный угол момента подачи первого управляющего сигнала на каждой из фаз. Этот фазовый сдвиг соответствует симметрии выходного напряжения и составляет угол 1200, а изменение начальной фазы применяется для изменения чередования фаз (реверс).

НПЧ выпускают двух модификации:

· С фиксированной выходной частотой.

· С регулируемой выходной частотой.

Если f1 = 50 Гц, то f2 регулируется в приделах от 0 до 25 Гц. Это связанно с тем, что при fвых >50 % очень сильно искажается форма выходного напряжения. С целью расширения верхнего придела регулирования используют источники питания с частотой 100 Гц. В этом случае выходная частота регулируется в диапазоне от 0 до 180 Гц.

Достоинства НПЧ:

1. однократное преобразование энергии, боле высокий КПД ≈ 0,97-0,98

2. возможность автономного регулирования U и I.

3. свободный обмен реактивной и активной энергией между сетью и двигателем (обеспечивает возможность работы в режимах рекуперативного торможения и компенсации реактивной энергии).

4. простая реализация бесконтактного реверса.

5. коммутация силовых ключей осуществляется естественным путем.

Недостатки НПЧ:

1. ограниченная возможность регулирования частоты от 0 до 40 %.

2. относительно большое число силовых ключей (18 сравнении с 6).

3. сложность системы управления.

4. низкий cosφ (cosφ ≤0,8)

Область применения НПЧ в качестве вспомогательного блока в таких электроприводах, как вентильные ЭП

<== предыдущая лекция | следующая лекция ==>
Реализация векторного управления | Автоматизированный электропривод переменного тока
Поделиться с друзьями:


Дата добавления: 2014-01-15; Просмотров: 1075; Нарушение авторских прав?; Мы поможем в написании вашей работы!


Нам важно ваше мнение! Был ли полезен опубликованный материал? Да | Нет



studopedia.su - Студопедия (2013 - 2025) год. Все материалы представленные на сайте исключительно с целью ознакомления читателями и не преследуют коммерческих целей или нарушение авторских прав! Последнее добавление




Генерация страницы за: 0.012 сек.