Студопедия

КАТЕГОРИИ:


Архитектура-(3434)Астрономия-(809)Биология-(7483)Биотехнологии-(1457)Военное дело-(14632)Высокие технологии-(1363)География-(913)Геология-(1438)Государство-(451)Демография-(1065)Дом-(47672)Журналистика и СМИ-(912)Изобретательство-(14524)Иностранные языки-(4268)Информатика-(17799)Искусство-(1338)История-(13644)Компьютеры-(11121)Косметика-(55)Кулинария-(373)Культура-(8427)Лингвистика-(374)Литература-(1642)Маркетинг-(23702)Математика-(16968)Машиностроение-(1700)Медицина-(12668)Менеджмент-(24684)Механика-(15423)Науковедение-(506)Образование-(11852)Охрана труда-(3308)Педагогика-(5571)Полиграфия-(1312)Политика-(7869)Право-(5454)Приборостроение-(1369)Программирование-(2801)Производство-(97182)Промышленность-(8706)Психология-(18388)Религия-(3217)Связь-(10668)Сельское хозяйство-(299)Социология-(6455)Спорт-(42831)Строительство-(4793)Торговля-(5050)Транспорт-(2929)Туризм-(1568)Физика-(3942)Философия-(17015)Финансы-(26596)Химия-(22929)Экология-(12095)Экономика-(9961)Электроника-(8441)Электротехника-(4623)Энергетика-(12629)Юриспруденция-(1492)Ядерная техника-(1748)

Диэлькометрия (измерение диэлектрической проницаемости)




Измерение общего солесодержания

Антропогенные загрязнения гидросферы

ПРИРОДНЫХ И СТОЧНЫХ ВОД

ТЕМА 4. СРЕДСТВА КОНТОЛЯ КАЧЕСТВА

 

Типы загрязнений, классифицируемые по видам приборов контроля экологического мониторинга, что показано в Таб.2

Воду нельзя ничем заменить – эти она отличается практически от всех других видов сырья и топлива.

Загрязнителем гидросферы может быть любой физический агент, химиче-ское вещество или биологический вид, поступающий в окружающую среду и вы-зывающий загрязнение среды.

Таблица 2 - Главные загрязнители воды

 

Химические загрязнители Биологические загрязнители Физические загрязнители
Кислоты Вирусы Радиоактивные элементы
Щелочи Бактерии Взвешенные твердые частицы
Соли Другие болезнотвор- ные организмы Тепло
Нефть и нефтепро- дукты Водоросли Органолептические (цвет. запах)
Пестициды Лигнины Шлам
Диоксиды Дрожжевые и плес- невые грибки Песок
Тяжелые металлы Ил
Фенолы Глина
Аммонийный и нитритный азот
СПАВ
       

 

 

 

Это так называемые аналитические приборы (для определения состава и свойств веществ)

Может быть 2 названия этих приборов: а) С®Ф®С* – концентратомер, где С – концентрация загрязняющего компонента; Ф – какое-либо физическое свойство.

б) С®Ф – если шкала прибора отградуирована в единицах физической величины, то прибор называется в соответствии с этой величиной (Z.B. c0 – кондуктометр; e (диэлектрическая проницаемость) – диэлкометр; рН - рНметр)

Для измерения общего солесодержания используются методы кондуктометрии.

 

Физические основы метода кондуктометрии.

Все методы основаны на зависимости c0 = ¦(С)

Измерение следует проводить либо слева, либо справа от максимума.

§1. Контактные методы кондуктометрии

Измерение электропроводности осуществляется в так называемой электролитической ячейке.

 

1. Двухэлектродная кондуктометрическая ячейка

1 – металлические электроды

2 – сосуд из диэлектрика

3 – анализируемая среда

ИП – источник питания

Тип проводимости ионный.

На границе Ме-раствор возникают электродные процессы, приводящие к погрешности измерений.

Изменение потенциала электрода (U), связанное с протеканием тока называется поляризацией.

А – плотная часть двойного электрического слоя

Б – диффузная часть двойного электрического слоя.

Под действием гидратации ионы металла выходят в раствор.

В плотной части происходит резкое изменение потенциала, а в диффузионной – плавное.

Выход ионов из металла в раствор и обратно будет происходить до тех пор, пока не установится равновесие между процессами окисления и восстановления.

- равновесный потенциал.

Изменение потенциала электрода относительно равновесного состояния – явление поляризации.

Линейная зависимость только в глубине электролита.

Электрическая модель двухэлектродной ячейки.

Rq – сопротивление, вызванное пузырьками газа или загрязнением электрода.

Сд.с. – емкость двойного слоя ~ 50 мкФ/см2

СsRs – последовательная фарадеева цепочка (фарадеевский импеданс). Импеданс – полное сопротивление.

Сs – псевдоемкость

Rs – поляризационное сопротивление

Rx – сопротивление самого процесса разрядки ионов.

Способы устранения эффектов поляризации:

1) Rq - электроды должны быть чистыми;

2) Проведение измерений на переменном токе.

. При ¦ ³ 8 кГц.

Влияние емкости двойного слоя выполняется аппаратным (схемным) путем.

3) Выбор материала электрода

 

Pt (Pt) –платина, покрытая платиновой чернью.

4) Увеличение поверхности электродов

5) использование компенсационных схем измерения, т.е. в момент отсчета показаний ток равен нулю.

2. Четырехэлектродная кондуктометрическая ячейка

А1, А2 – токовые электроды (на них происходит явление поляризации)

В1, В2 – потенциальные (измерительные) электроды (на них нет эффекта поляризации)

Область I и III: области резкого изменения потенциала, где расположены токовые электроды.

Область II: область линейного изменения потенциала, где находятся потенциальные измерительные электроды.

Электрическая модель ячейки

Rн – сопротивление неизмеряемого участка раствора электролита

Rа – сопротивление, обусловленное величиной тока, который протекает через измерительные электроды. Rа = ¥ при компенсационном методе измерения.

Достоинства и недостатки контактной кондуктометрии.

Å а) простота реализации, невысокая стоимость (от 2000 руб.)

б) широкий диапазон измерений

Недостатки: наличие контакта с анализируемой средой.

§2. Бесконтактная кондуктометрия

1. Бесконтактная низкочастотная кондуктометрия

(Метод жидкостного витка или трансформаторный метод)

Все промышленные приборы работают в диапазоне 10-6 ¸ 1 [Сим/см]

Т1 – питающий трансформатор

Т2 – измерительный трансформатор

* - изготавливается из пластика, заполняется анализируемой средой.

Напряжение питания подается через Т1 на жидкостной виток, который является вторичной обмоткой первого трансформатора и первичной второго.

При изменении электропроводности происходит изменение тока в жидкостном витке и магнитного потока в Т2. Это приводит к появлению во вторичной обмотке трансформатора Т2 ЭДС.

Рабочая частота 6 кГц.

Å: отсутствие контакта с анализируемой средой.

Недостаток: а) подверженность влиянию магнитных полей промышленной частоты (50Гц)

б) невозможность измерения при высоких температурах.

2. Бесконтактная высокочастотная кондуктометрия

Основана на взаимодействии электромагнитного поля высокой частоты (от 1 до 100 МГц) с веществом, изолированным от систем электродов.

1) Кондуктометр с емкостными ячейками (С-ячейки)

Представляет собой конденсатор с многослойным диэлектриком.

1 – металлические кольцевые электроды

2 – трубка из диэлектрика

3 – рабочая полость

Электрическая модель ячейки:

С1 – емкость, обусловленная диэлектрическими свойствами стенки ячейки;

R1– активные потери в материале стенки ячейки

С2 – емкость, обусловленная диэлектрическими свойствами анализируемой среды

c – электропроводность анализируемой среды

Скр – краевая емкость, обусловлена тем, что силовые поля идут вне рабочей части.

При измерении электропроводности высокочастотным методом она измеряется не прямо, а путем определения комплексного сопротивления емкостной ячейки и его сопротивления.

Yя = Gp + j×Bp – комплексная проводимость; Gр – активная составляющая полной проводимости ячейки; Вр – реактивная составляющая.

В зависимости от того, какая составляющая измеряется, различают три способа:

1) Q – метрический способ (Gр = ¦(c)); Q – показатель добротности.

В случае Q – метрического способа необходима компенсация реактивной составляющей (Вр=0) Þ этот способ – компенсационный, обладает высокой точностью и очень высокой чувствительностью в области малой электропроводности.

Недостаток: наличие экстремума на зависимости Gр = ¦(c).

Измерительные ячейки включаются в схему, и чаще всего для этой цели используются контурные измерительные схемы, или схемы с колебательным контуром.

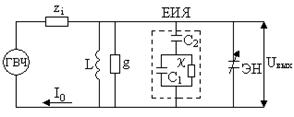
Измерительная схема.

I0 = const при zi >> Rp

ГВЧ – генератор высокой частоты

zi – сопротивление связи

L – индуктивность

g – активные потери в измерительной схеме

ЕИЯ – емкостная измерительная ячейка

ЭН – элемент настройки колебательного контура

Rp – активное сопротивление колебательного контура в момент резонанса

В случае Q – метрического способа при каждом новом значении схема настраивается в резонанс с помощью элемента настройки.

2) Емкостной способ (определение реактивной составляющей).

w×Сэ = Вр

Отсчет показаний ведется по шкале ЭН

Å: а) отсутствие экстремума на статической характеристике

б) достаточно высокая точность измерения

Недостатки: а) необходимость выполнения ручных операций для настройки в случае лабораторных приборов

б) достаточно сложная схема настройки промышленных приборов.

3) Z – метрический способ

Способ измерения полного сопротивления или полной проводимости емкостной ячейки.

|Z| = f (c)

; Y = Yя + Yис (Yис – полная проводимость самой схемы)

Вид кривой зависит от настройки

Å: а) нет системы компенсации реактивной составляющей (метод прямого измерения)

б) простота, стоимость ниже

Недостаток: меньшая точность измерения, чем у Q – метрического и емкостного.

Факторы, влияющие на точность измерения

1) Аномальная дисперсия диэлектрической проницаемости. Этот фактор учитывается при выборе частоты измерений [Гц]

e0 – частота на постоянном токе

e¥ - для очень высокой частоты

В области I диполи воды успевают ориентироваться при изменении частоты

Область III – область аномальной дисперсии e; диполи не успевают ориентироваться при изменении частоты.

Z.B. Выбор частоты: для чистой воды f = 1,8 ГГц

2) Условия квазистационарности.

Заключаются в том, чтобы эффективные размеры емкостной измерительной ячейки были меньше l?, иначе теряет смысл емкостная ячейка как конденсатор, ее следует рассматривать как систему с распределенными параметрами.

Зависимость напряжения от радиуса пластины конденсатора

Lэф < 2R

2) Индуктивные ячейки

Предназначены для измерения высокопроводящих жидкостей (высокозагрязненных щелочами СВ).

Диапазон 1¸100 Сим/см

1 – катушка

2 – трубка из диэлектрика

3 – рабочая полость заполняемая анализируемой средой

ИИЯ – индуктивная измерительная ячейка

ZИИЯ = Rэ + j×w×Lэф

Анализаторы на кондуктометрическом принципе предназначены для количественного определения суммарного содержания солей в воде. «ЭКА-2М» (Санкт-Петербург) измеряет солесодержание в широком интервале значений от 0,05 до 1000 мкСм/см (900$). «АНИОН», «МАРК», КСЛ (от 330 до 900 $), ХПК - анализаторы (750 $).

 

 

Метод измерения диэлектрической проницаемости (e); e связано со свойствами среды.

Измерения проводят на достаточно высоких радиочастотах.

Используются емкостные датчики.

С = f (e)

Измерительные схемы в случае диэлькометрии такие же, как и у высокочастотных кондуктометров.

Приборы называются F-метры (измеряется частота);

Они основаны на способе биения [а) если D¦ = 0 – способ нулевых биений; б) если D¦ ¹ 0 – способ биений]

Схема F-метра.

РГ – рабочий генератор

ОГ – образцовый генератор

С – смеситель

ВУ – вычислительное устройство

Ограничение: диэлькометры нельзя использовать для высокопроводящих сред.

Погрешность ±1×10-2 пФ

Область применения:

а) анализ состава незагрязненных сред (воды)

б) определение нефтепродуктов в воде

в) определение поверхности раздела в аппаратах для очистки воды от нефтепродуктов.

Приборы могут быть как промышленные (используются в нефтедобывающей промышленности для определения состава вода-нефть), так и лабораторные.

 




Поделиться с друзьями:


Дата добавления: 2014-01-20; Просмотров: 2077; Нарушение авторских прав?; Мы поможем в написании вашей работы!


Нам важно ваше мнение! Был ли полезен опубликованный материал? Да | Нет



studopedia.su - Студопедия (2013 - 2025) год. Все материалы представленные на сайте исключительно с целью ознакомления читателями и не преследуют коммерческих целей или нарушение авторских прав! Последнее добавление




Генерация страницы за: 0.007 сек.