Студопедия

КАТЕГОРИИ:


Архитектура-(3434)Астрономия-(809)Биология-(7483)Биотехнологии-(1457)Военное дело-(14632)Высокие технологии-(1363)География-(913)Геология-(1438)Государство-(451)Демография-(1065)Дом-(47672)Журналистика и СМИ-(912)Изобретательство-(14524)Иностранные языки-(4268)Информатика-(17799)Искусство-(1338)История-(13644)Компьютеры-(11121)Косметика-(55)Кулинария-(373)Культура-(8427)Лингвистика-(374)Литература-(1642)Маркетинг-(23702)Математика-(16968)Машиностроение-(1700)Медицина-(12668)Менеджмент-(24684)Механика-(15423)Науковедение-(506)Образование-(11852)Охрана труда-(3308)Педагогика-(5571)Полиграфия-(1312)Политика-(7869)Право-(5454)Приборостроение-(1369)Программирование-(2801)Производство-(97182)Промышленность-(8706)Психология-(18388)Религия-(3217)Связь-(10668)Сельское хозяйство-(299)Социология-(6455)Спорт-(42831)Строительство-(4793)Торговля-(5050)Транспорт-(2929)Туризм-(1568)Физика-(3942)Философия-(17015)Финансы-(26596)Химия-(22929)Экология-(12095)Экономика-(9961)Электроника-(8441)Электротехника-(4623)Энергетика-(12629)Юриспруденция-(1492)Ядерная техника-(1748)

Принцип работы лазеров

В основе работы лазеров лежат три явления: поглощение веществом энергии, спонтанное и вынужденное излучения возбужденной системы атомов.

 

Осуществление инверсии населенности в веществе может происходить за счет поглощения энергии внешнего электромагнитного излучения или другими воздействиями (например, электронным возбуждением). Такие процессы условно называют «накачкой».

 

Важным условием работы лазера является усиление лазерного излучения в так называемых активных средах из-за лавинного размножения квантов излучения. Понятно, что чем больше активной среды и уровень накачки, тем больше интенсивность выходящего из нее излучения. Лазерное излучение по своей структуре представляет собой совокупность отдельных порций фотонов, время образования и выхода которых, могут различаться.

 

С помощью плоскопараллельных зеркал, одно из которых полупрозрачно, можно удлинить прохождение излучения в активной среде и создать условия для его усиления и генерирования.

 

В настоящее время для различной обработки материалов при помощи лазерного излучения в основном применяются твердотельные и газовые лазеры.

Лазеры, в которых в качестве активной среды используется твердое тело с ионами, играющими роль активных центров (например, стержень из стекла или алюмоиттриевого граната, активированный неодимом), называются твердотельными. Лазеры, в которых в качестве активной среды используются газы или их смеси (например, аргон или смесь газов из углекислого газа, азота и гелия), называют газовыми. Те и другие лазеры конструктивно могут быть исполнены для работы в импульсном, импульсно-периодическом и непрерывном режимах излучения.

 

Импульсный режим работы лазера характеризуется одиночными импульсами лазерного излучения, следующими друг за другом через заданный промежуток времени. Импульсно-периодический режим работы сопровождается непрерывными сериями импульсов с короткими временными промежутками между ними. При отсутствии промежутков между импульсами режим работы лазера называется непрерывным.

 

Принципиальная схема твердотельных лазеров показана на рисунке. Активный элемент 1, лампа накачки 5 и отражатель 4 составляют узел, называемый квантроном. Он охлаждается дистиллированной водой (внутренний контур охлаждения). Наружный контур охлаждения лазера подключается к водопроводной сети.

 

 

Квантрон, помещенный в резонатор (заключенный между зеркалами 2

и 3), превращается в генератор (излучатель) лазерного излучения. Источник 6 питания лазера предназначен для обеспечения работы его излучателя в определенном режиме работы.

 

Из газовых лазеров для обработки материалов наиболее приемлемым оказались лазеры на углекислом газе, обладающие достаточными мощностями и работающие на различных режимах излучения на длине волны 10,6 мкм. В газовых лазерах увеличение снимаемой мощности происходит за счет добавления к рабочему газу СО2,молекулярного азота и гелия. Эта смесь газов подается в газоразрядную полость. При приложении электрического поля молекулы СО2 и N2 возбуждаются и создаются их вынужденные колебания. Молекулы N2, сталкиваясь с молекулами СО2, повышают их энергетический уровень за счет передачи своей энергии. После чего молекулы СО2, переходя на более низкий энергетический уровень, испускают лазерное излучение. При этом молекулы He (благодаря высокой подвижности атомов) служат для охлаждения рабочей смеси, способствуют расселению нижнего энергетического уровня и стабилизируют разряд. Для поддержания работоспособности газовой смеси в процессе работы в конструкциях лазеров предусматривается подача свежих газов в газоразрядную полость излучателя.

 

В СО2 лазерах с медленной прокачкой газовой смеси отвод тепла из зоны разряда осуществляется охлаждающей жидкостью (водой) через стенки газоразрядной полости (диффузионное охлаждение). Газоразрядные лазеры с медленной прокачкой газовой смеси — лазеры первого поколения.

 

Требования производства привели к созданию более мощных технологических СО2 лазеров. Их создание оказалось возможным за счет применения другого способа отвода тепла из зоны разряда. В этом случае отвод тепла происходит заменой нагретой части смеси на свежую газовую смесь (конвективное охлаждение).

 

Ввиду того, что в этих лазерах прокачка смеси газов производится с большой скоростью, они называются газоразрядными лазерами с быстрой прокачкой.

 

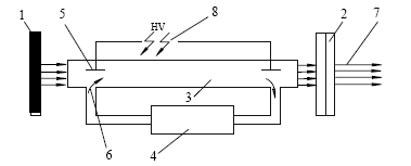
Принципиальная схема быстропроточных СО2 лазеров

1 — непрозрачное (глухое) зеркало резонатора; 2 — полупрозрачное зеркало резонатора; 3 — газоразрядная полость излучателя; 4 — теплообменник; 5 — электроды; 6 — направление потока газовой смеси; 7 — лазерное излучение; 8 — высокое напряжение.

 

<== предыдущая лекция | следующая лекция ==>
Общие сведения о лазерах | Применяемые для обработки материалов
Поделиться с друзьями:


Дата добавления: 2014-01-20; Просмотров: 1704; Нарушение авторских прав?; Мы поможем в написании вашей работы!


Нам важно ваше мнение! Был ли полезен опубликованный материал? Да | Нет



studopedia.su - Студопедия (2013 - 2026) год. Все материалы представленные на сайте исключительно с целью ознакомления читателями и не преследуют коммерческих целей или нарушение авторских прав! Последнее добавление




Генерация страницы за: 0.013 сек.