Студопедия

КАТЕГОРИИ:


Архитектура-(3434)Астрономия-(809)Биология-(7483)Биотехнологии-(1457)Военное дело-(14632)Высокие технологии-(1363)География-(913)Геология-(1438)Государство-(451)Демография-(1065)Дом-(47672)Журналистика и СМИ-(912)Изобретательство-(14524)Иностранные языки-(4268)Информатика-(17799)Искусство-(1338)История-(13644)Компьютеры-(11121)Косметика-(55)Кулинария-(373)Культура-(8427)Лингвистика-(374)Литература-(1642)Маркетинг-(23702)Математика-(16968)Машиностроение-(1700)Медицина-(12668)Менеджмент-(24684)Механика-(15423)Науковедение-(506)Образование-(11852)Охрана труда-(3308)Педагогика-(5571)Полиграфия-(1312)Политика-(7869)Право-(5454)Приборостроение-(1369)Программирование-(2801)Производство-(97182)Промышленность-(8706)Психология-(18388)Религия-(3217)Связь-(10668)Сельское хозяйство-(299)Социология-(6455)Спорт-(42831)Строительство-(4793)Торговля-(5050)Транспорт-(2929)Туризм-(1568)Физика-(3942)Философия-(17015)Финансы-(26596)Химия-(22929)Экология-(12095)Экономика-(9961)Электроника-(8441)Электротехника-(4623)Энергетика-(12629)Юриспруденция-(1492)Ядерная техника-(1748)

Буферная система электропитания




Устройства электропитания в электросвязи

Принцип построения универсального бесперебойного


На сети связи широкое применение получила буферная система электропита­ния постоянного тока. Характерной осо­бенностью устройств бесперебойного электропитания (УБП), реализуемых по указанной системе, является объединение в одной точке выходов преобразователей-выпрямителей (УПВ), аккумуляторной батареи (АБ) и питаемой нагрузки. Такая структура позволяет получить достаточно высокую надежность подаваемой на аппа­ратуру связи электроэнергии при минима­льном количестве используемых для ее построения компонентов [ 4 ].

Коэффициент полезного действия (КПД) таких УБП определяется в ос­новном КПД применяемых УПВ, кото­рый по данным фирм-изготовителей может достигать 91-94%. Однако буфер­ная система при всех ее достоинствах обладает двумя заметными недостат­ками.

Во-первых, в буферных УБП на каж­дый номинал выходного напряжения применяют отдельную АБ, т.е. в УБП на выходные напряжения -48 и 60 В следует установить две АБ, каждая из которых рассчитана на свой номинал. Возможно использование АБ одного номинала, но такое решение потребует включения на выходе буферного канала дополнительного преобразователя по­стоянного тока в постоянный (DC-DC) для получения напряжения второго ка­нала. При этом во втором канале вы­ходного напряжения используется до­полнительное преобразование энергии, а буферный канал реализуют на полную выходную мощность УБП, что приводит к снижению КПД устройства в целом, а также к уменьшению его надежности.

Во-вторых, выходное напряжение бу­ферных УБП может изменяться в широ­ких пределах, определяемых разрядно-зарядными характеристиками АБ. Такое положение привело к тому, что в норма­тивных документах на питаемую аппа­ратуру связи (в ГОСТ или технических требованиях) обозначаются широкие пределы рабочего напряжения, например ±20% от номинального значения -60 В. Если же аппаратура рассчитана на более узкие допуски питающего напряжения, то применяются дополнительные стаби­лизаторы напряжения, подключаемые к выходу буферного канала. Это также

ведет к снижению КПД и надежности УБП.

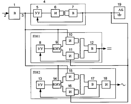
Описание универсального УБП. На рис. 1 показана функциональная схема универсального УБП постоянного и пе­ременного тока, которая свободна от указанных выше недостатков.

Устройство содержит сетевой выпря­митель (В), зарядно-буферный преобра­зователь (ЗБП), АБ и преобразователи напряжения ПН1 и ПН2 по числу тре­буемых независимых выходов постоян­ного и переменного тока.

Сетевой выпрямитель 1 собран по бестрансформаторной схеме и содержит сетевые фильтры, выпрямительный мост и корректор угла сдвига потребляемого от сети тока и напряжения. Выпрямитель не содержит высокочастотного пре­образователя. ЗБП 4 выполнен по схеме высокочастотного преобразования с интегральным широтно-импульсным (ИШИМ) регулированием выходного на­пряжения и предназначен для заряда и содержания АБ.

Высокочастотные преобразователи ПН1 и ПН2 с ИШИМ регулированием обеспечивают получение бесперебойного постоянного (ПН1) и переменного (ПН2) напряжения для питания нагрузок. АБ 19 обеспечивает питание нагрузок при от­ключении внешней сети переменного тока 2.

Устройство работает следующим об­разом. Напряжение внешней сети 2 по­дается на входные выводы сетевого выпрямителя 1, от выходных выводов которого постоянное напряжение 3 по­ступает на коммутаторы импульсов (КИУ) 9 и 14, а также на инверторы (И) 10 и 15 преобразователей ПН1 и ПН2. Если напряжение сети 2 находится в заданных пределах, то КИУ выраба­тывает сигнал, коммутирующий импу­льсы управления с выходов узлов упра­вления (УУ) 8 и 13 на входы инверторов 10 и 15, которые и преобразуют постоян­ное напряжение в переменное повышен­ной частоты прямоугольной формы. Это напряжение поступает на одну из пер­вичных обмоток трансформатора вы­прямителя (В) 12 и далее выпрямляется для питания нагрузки преобразователя ПН1.

Для нагрузки переменного тока пред­назначается преобразователь ПН2, от­личающийся от ПН1 наличием инверто­ра 18 на выходе. Выходное напряжение выпрямителя 1 одновременно подается на вход ЗБП 4, к выходу которого подключается АБ 19, и входы инверто­ров 11, 16, выходы которых подключены к первичным обмоткам выпрямителей 12, 17. При отключении сети переменно­го тока или повреждении выпрямителя 1 КИУ 9 и 14 подключают УУ 8 и 13 к вторым первичным обмоткам трансформаторов выпрямителей 12 и 17. и преоб­разователи продолжают бесперебойно выдавать электроэнергию для электро­питания нагрузок.

Отличие данной схемы от буферной состоит в том, что в ней подсистема заряда и содержания резервной АБ вы­делена в отдельную структуру только на выходную мощность, необходимую для заряда АБ, а преобразователи напряже­ния выходных каналов выполнены с двумя входными выводами постоянного тока: от промышленной сети переменно­го тока и резервной АБ.

В данном УБП при питании нагрузок постоянного тока отсутствует двойное преобразование энергии, выходные на­пряжения не зависят от напряжения АБ, а их нестабильность - от режима заряда-разряда АБ.

Один из вариантов конструктивного исполнения оборудования универсально­го УБП показан на рис. 2. Оборудование размещается в типовом шкафу с габари­тами 600 х 2000 х 600мм.

УБП содержит три канала выходного напряжения:

первый: выходное напряжение по­стоянного тока - 60 В, номинальная мощность нагрузки - 2,4 кВт, максима­льная - ЗкВт;

- второй: выходное напряжение по­стоянного тока -- 48 В. Номинальная мощность нагрузки - 2,4 кВт, максима­льная - ЗкВт;

- третий: выходное напряжение пере­менного тока 220 В, 50 Гц, номинальная мощность нагрузки - 1,2 кВт, максима­льная - J,8 кВт.

Используются резервные АБ Net Po­wer 12V lOOAh "Hoppecke" (9 шт). Время работы АБ при номинальной мощно­сти - не менее 1 ч

 

Рис.7.9. Универсальное бесперебойное устройство электропитания электросвязи:В- бестрансформаторный сетевой выпрямитель;4- зарядно-буферный выпрямитель ЗБВ с интегральным широтно-импульсным (ИШИМ) регулированием выходного напряжения; ПН- высокочастотный преобразователь с ИШИМ регулированием: КИУ – коммутатор импульсов.

 

 

Мощность преобразовательных мо­дулей выбрана, исходя из заданной вы­ходной мощности каждого отдельного канала, питающего нагрузки, и оптима­льной мощности комплектующих сило­вых элементов без параллельного их соединения в составе каждого мо­дуля. Габаритные размеры модулей -60´132´460 мм. Расчетная мощность силового модуля - 600 Вт.

Поскольку указанное УБП предназ­начено для электропитания аппаратуры связи, то все ее технические характери­стики отвечают требованиям отраслево­го стандарта ОСТ45.183-2001. На разра­ботанное оборудование получен Серти­фикат соответствия Минсвязи России.

Переходные характеристики. Пред­ставляют интерес характеристики, пока­зывающие поведение оборудования в переходных режимах работы, например, при отключении и восстановлении внеш­него источника электроэнергии перемен­ного тока и динамических сбросов и выбросов нагрузки. В качестве иллюстра­ций указанных режимов можно привести осциллограммы напряжений, снятые в канале на выходное напряжение - 24 В.

 

7. 4. Реализация систем электропитания нового поколения

На смену устаревшим выпрямителям ВУТ, ВУК, ВСП, в настоящее время приходят современные устройства, отличающиеся высокими параметрами стабилизации, изменения в широких пределах, выходного напряжения. Кроме того, эти устройства отличаются малыми габаритами при безусловном обеспечении мощности потребителей, умеют себя тестировать, и эргономичны.

Эти системы применяются во всех областях индустрии передачи данных. Типичная современная система электропитания включает в себя выпрямители, модули контроля и управления, модули распределителей постоянного и переменного токов, аккумуляторов и устройств отключения при пониженном напряжении.

Все системы имеют возможность «горячего подключения» (hot plug-in) выпрямителей для облегчения модернизации систем электропитания. Для обеспечения резервирования несколько выпрямителей могут быть включены параллельно.

Например, системы электропитания постоянного тока фирмы Eltek (компания ЗАО «ОЛТЭК») являются источниками электроэнергии (ЭЭ) постоянного тока напряжением 24, 48, 60 и 110 В [12]. Они предназначены для электропитания телекоммуникационного оборудования, промышленной автоматики, медицинского оборудования, устройств сигнализации, защиты и др. В основе работы этих систем лежит преобразование электроэнергии (ЭЭ) переменного тока в ЭЭ постоянного тока. Основными устройствами такого преобразования являются управляемые полупроводниковые выпрямители.

Системы Eltek построены по модульному принципу. Его суть – все основные элементы системы, а именно: выпрямители, узел управления и контроля, а также устройство распределения электроэнергии выполнены в виде унифицированных модулей, электрически объединенных и размещенных (в различном сочетании) в едином конструктивном блоке (или в стойке). Обязательным элементом системы является аккумуляторная батарея (АБ) – встраиваемая или внешняя.

Модульный принцип устройства обеспечивает возможность наращивания мощности системы электропитания путем увеличения числа выпрямителей (работающих параллельно), повышение ее надежности путем резервирования и простоту технического обслуживания без нарушения питания потребителей. Модульная конструкция позволяет путем выбора различных сочетаний модулей реализовать систему электропитания в соответствии с любыми пожеланиями заказчика. На рис.7.10 показана схема системы электропитания постоянного тока. В зависимости от мощности различают системы электропитания Eltek малой, средней и большой мощности.

Системы малой мощности (выходной ток до 100 А): MPSU 200; MPSU 4000; MPSU 5000.

Системы средней мощности (выходной ток от 100 до 1000 А):

MPSU 6000; PRS 700;

Система большой мощности (выходной ток более 1000 А): AEON 4000.

Рис. 7.10. Структурно-функциональная схема системы электропитания

постоянного тока: ВМ - выпрямительные модули; МКУ - модуль контроля и управления
АБ - аккумуляторная батарея; ПР. - панель распределения.

 

 

Примером источником бесперебойного питания может быть ИБП серии 19" NetPro фрмы IMV Victron [13], кторые представляют собой компактные приборы, работающие в режиме «ON-LINE» созданные на основе современной электронной технологии и предназначенные для обеспечения исключительно высокого уровня защиты электрооборудования.

ИБП серии 19" NetPro представляют собой ИБП ВТОРОГО поколения, работающие в режиме «ON-LINE» и имеют следующие особенности:

- батарея накопительных конденсаторов в цепи постоянного тока;

- батарея, работающая в резервном режиме;

- батарея не подключена непосредственно к цепи постоянного тока, что обеспечивает более продолжительный срок службы батареи;

- оптимальность процесса заряда батареи;

- полноволновый входной инвертор с корректировкой коэффициента мощности;

- исключительно широкий диапазон допустимых входных напряжений и частот.

При нормальных условиях на входе энергия из электросети проходит через входной инвертор, соединенный с выходным инвертором, и совместно с зарядным устройством поддерживает батарею в полностью заряженном состоянии Всплески и выбросы напряжения блокируются во входном инверторе, таким образом обеспечивается стабильное питание нагрузки даже в случае весьма нестабильных электросетей Для обеспечения электропитания нагрузки выходной инвертор вырабатывает совершенно новое выходное напряжение синусоидальной формы.

В режиме байпаса. Если выходной инвертор не в состоянии выдавать требуемую выходную мощность (из-за перегрузки или повышенной температуры), то переключатель байпаса автоматически переключит нагрузку на питание от электросети. Если работа байпаса обусловлена перегрузкой, ИБП попытается переключиться обратно на выходной инвертор через 0,1 сек, не генерируя при этом сигнала тревоги. Таким образом удается исключить выдачу сигналов тревоги для пусковых токов, которые обычно длятся менее 0,1 сек. Если перегрузка сохраняется после трех попыток переключиться обратно на выходной инвертор (т е если данная перегрузка не связана с пусковыми токами) прибор продолжает работать в режиме байпаса в течение 20 секунд, и при этом выдается сигнал тревоги о работе на байпасе Прибор пытается переключиться обратно на работу от инвертора каждые 20 секунд, пока перегрузка не будут устранена. Если же включение байпаса обусловлено повышенной температурой, то прибор не будет пытаться переключиться обратно каждые 20 секунд, а переключится когда температура снизится ниже уровня соответствующего сигнала тревоги. После восстановления нормальной ситуации электропитание нагрузки снова осуществляется через выходной инвертор.

Время переключения составляет величину порядка 0,7 миллисекунд и является достаточно коротким для современных компьютеров которые способны выдерживать перебои электропитания в течение 10-20 миллисекунд.

Если отказ питания произойдет в течение работы на байпасе, ИБП переключится в режим работы от аккумуляторной батареи, если это возможно. Если ИБП работает в условиях перегрузки, он не будет способен обеспечить защиту подключенной нагрузки.

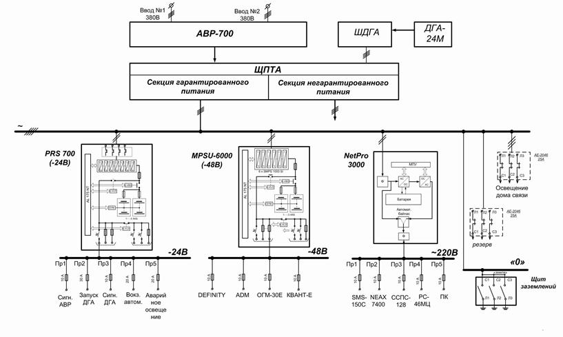
Примером ЭПУ нового поколения может быть функциональная схема электропитания устройств связи линейной станции железной дороги на рис. 7.11.

 


 

7.10. Схема ЭПУ устройств связи линейной станции железной дороги: АВР –устройство автоматического переключения на резерв


 

 

8. НОВЫЕ СТАНДАРТЫ ПО ЭЛЕКТРОПИТАНИЮ АППАРАТУРЫ ЭЛЕКТРОСВЯЗИ

 




Поделиться с друзьями:


Дата добавления: 2014-01-20; Просмотров: 2361; Нарушение авторских прав?; Мы поможем в написании вашей работы!


Нам важно ваше мнение! Был ли полезен опубликованный материал? Да | Нет



studopedia.su - Студопедия (2013 - 2026) год. Все материалы представленные на сайте исключительно с целью ознакомления читателями и не преследуют коммерческих целей или нарушение авторских прав! Последнее добавление




Генерация страницы за: 0.01 сек.