Студопедия

КАТЕГОРИИ:


Архитектура-(3434)Астрономия-(809)Биология-(7483)Биотехнологии-(1457)Военное дело-(14632)Высокие технологии-(1363)География-(913)Геология-(1438)Государство-(451)Демография-(1065)Дом-(47672)Журналистика и СМИ-(912)Изобретательство-(14524)Иностранные языки-(4268)Информатика-(17799)Искусство-(1338)История-(13644)Компьютеры-(11121)Косметика-(55)Кулинария-(373)Культура-(8427)Лингвистика-(374)Литература-(1642)Маркетинг-(23702)Математика-(16968)Машиностроение-(1700)Медицина-(12668)Менеджмент-(24684)Механика-(15423)Науковедение-(506)Образование-(11852)Охрана труда-(3308)Педагогика-(5571)Полиграфия-(1312)Политика-(7869)Право-(5454)Приборостроение-(1369)Программирование-(2801)Производство-(97182)Промышленность-(8706)Психология-(18388)Религия-(3217)Связь-(10668)Сельское хозяйство-(299)Социология-(6455)Спорт-(42831)Строительство-(4793)Торговля-(5050)Транспорт-(2929)Туризм-(1568)Физика-(3942)Философия-(17015)Финансы-(26596)Химия-(22929)Экология-(12095)Экономика-(9961)Электроника-(8441)Электротехника-(4623)Энергетика-(12629)Юриспруденция-(1492)Ядерная техника-(1748)

Типа ВВН

Типоразмер Остаточное давление, мм рт. ст. Производитель-ность, м3/мин Мощность на валу, кВт
ВВН - 0,75   0,75 1,3
ВВН - 1,5   1,5 2,1
ВВН - 3     6,5
ВВН - 6     12,5
ВВН - 12      
ВВН - 25      
ВВН - 50      

 

Приложение 11. Основные размеры барометрических конденсаторов

Размеры Внутренний диаметр конденсатора d бк, мм
               
Толщина стенки аппарата S              
Расстояние от верхней полки до крышки аппарата a              
Расстояние от нижней полки до днища аппарата r              
Ширина полки b - -          
Расстояние между осями конденсатора и ловушки:              
K 1              
K 2 - -          
Высота установки H              
Ширина установки T              
Диаметр ловушки D              
Высота ловушки h              
Диаметр ловушки D 1 - -          
Высота ловушки h 1 - -          
Расстояние между полками:              
a 1              
a 2              
a 3              
a 4              
a 5              
Условные проходы штуцеров:              
для входа пара (А)              
для входа воды (Б)              
для выхода парогазовой смеси (В)              
для барометрической трубы (Г)              
воздушник (С) - -          
для входа парогазовой смеси (И)              
для выхода парогазовой смеси (Ж)              
для барометрической трубы (Е)              

 

 

 

Схемы барометрических конденсаторов:

a – с концентрическими полками (изготавливаются диаметром 500 и 600 мм); б – с сегментными полками (изготавливаются диаметром 800 – 2000 мм

 
 

Приложение 12. Схема однокорпусной выпарной установки

 


Продолжение прил. 12

 

 

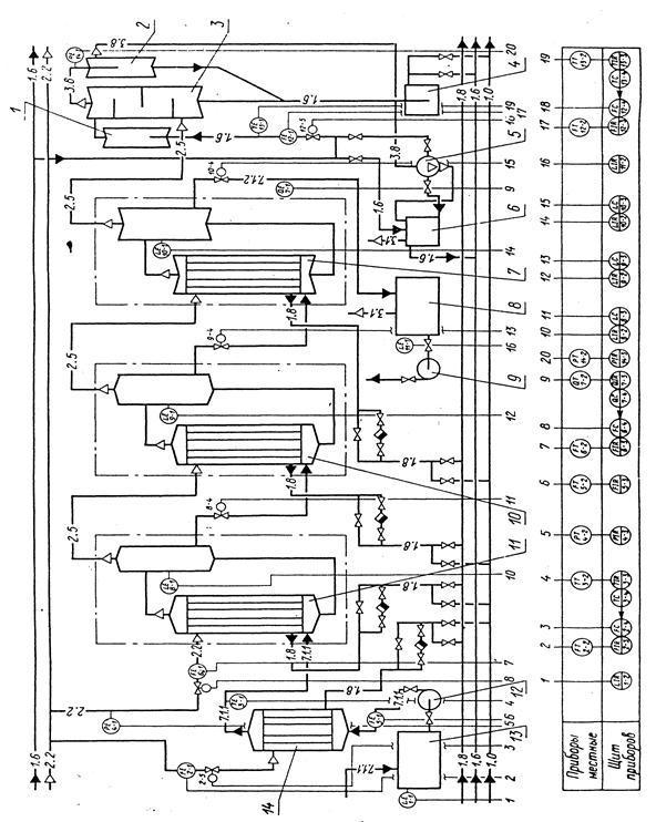
Приложение 13. Схема многокорпусной выпарной установки

 

 


 

 
 

Продолжение прил. 13

 

 

 
 

Приложение 14. Выпарной аппарат

 

 

<== предыдущая лекция | следующая лекция ==>
Поверхностно-объемные кристаллизаторы | Продолжение прил. 14
Поделиться с друзьями:


Дата добавления: 2014-01-20; Просмотров: 435; Нарушение авторских прав?; Мы поможем в написании вашей работы!


Нам важно ваше мнение! Был ли полезен опубликованный материал? Да | Нет



studopedia.su - Студопедия (2013 - 2025) год. Все материалы представленные на сайте исключительно с целью ознакомления читателями и не преследуют коммерческих целей или нарушение авторских прав! Последнее добавление




Генерация страницы за: 0.009 сек.