Студопедия

КАТЕГОРИИ:


Архитектура-(3434)Астрономия-(809)Биология-(7483)Биотехнологии-(1457)Военное дело-(14632)Высокие технологии-(1363)География-(913)Геология-(1438)Государство-(451)Демография-(1065)Дом-(47672)Журналистика и СМИ-(912)Изобретательство-(14524)Иностранные языки-(4268)Информатика-(17799)Искусство-(1338)История-(13644)Компьютеры-(11121)Косметика-(55)Кулинария-(373)Культура-(8427)Лингвистика-(374)Литература-(1642)Маркетинг-(23702)Математика-(16968)Машиностроение-(1700)Медицина-(12668)Менеджмент-(24684)Механика-(15423)Науковедение-(506)Образование-(11852)Охрана труда-(3308)Педагогика-(5571)Полиграфия-(1312)Политика-(7869)Право-(5454)Приборостроение-(1369)Программирование-(2801)Производство-(97182)Промышленность-(8706)Психология-(18388)Религия-(3217)Связь-(10668)Сельское хозяйство-(299)Социология-(6455)Спорт-(42831)Строительство-(4793)Торговля-(5050)Транспорт-(2929)Туризм-(1568)Физика-(3942)Философия-(17015)Финансы-(26596)Химия-(22929)Экология-(12095)Экономика-(9961)Электроника-(8441)Электротехника-(4623)Энергетика-(12629)Юриспруденция-(1492)Ядерная техника-(1748)

Обобщенная структура конвейера




Количество конвейерных ступеней зависит от распределения операций по ступеням. Ниже рассмотрен пример трехступенчатого конвейера.

РАЗРАБОТКА КОНВЕЙЕРА

 

При разработке конвейера необходимо выписать все операции, выполняемые машиной.

1. Загрузка РА

2. Инициация чтения (выборка команд)

3. Дешифрация КОП (кода операции)

4. Определение исполнительного адреса и вычисление его

5. Выборка операнда

6. Инициация выполнения команды

7. Выполнение команды

8. Сохранение результата

9. Модификация СЧАК (счетчика адреса команд)

10. Инициация обработки прерываний

11. Загрузка буфера (порта)

12. Пересылка из буфера

13. Аварийный ОСТАНОВ.

 

 

 

ОП – оперативная память;

БВК – блок выборки команд;

БФИА – блок формирования исполнительного адреса;

БИК – блок исполнения команды;

БОПр – блок обработки прерываний.

 

Каждая ступень имеет на выходе так называемый фиксатор Ф, который служит для сохранения данных и обеспечивает передачу данных в следующую ступень. В качестве фиксаторов используются регистры или другие запоминающие блоки (например, стеки). Ф1 – это стек размерностью 4 длинных команды.

Существует два типа конвейера:

- синхронный;

- асинхронный.

В синхронном конвейере передача информации от ступени к ступени осуществляется через период времени Т, который равен максимальной длительности работы ступени.

T = max (ti); i = 1….3

Пример: если t1 = 3, t2 = 4, t3 = 2; то Т = 4

В асинхронном конвейере передача данных от ступени к ступени осуществляется по готовности данных и по готовности блока принять эти данные. С этой целью предшествующий блок информирует последующий о готовности данных, а предшествующий - о том, что данные приняты.

Распределение функций между ступенями:

Ряд операций из списка будет однозначно закреплен за некоторым блоком, а ряд операций может быть размещен в различных блоках.

1) БВК – блок выборки команд обеспеч. выборку команд и размещает их в Ф1.

а) Загрузка РА;

б) Выборка команды;

в) Частичная дешифрация команды;

г) Инициация обработки прерываний;

д) Модификация СЧАК (не просто увеличение СЧАК, а, возможно, его

перезагрузка);

е) Аварийный ОСТАНОВ.

2) БФИА – блок формирования исполнительного адреса.

а) Определение исполнительного адреса;

б) Инициация обработки прерываний;

в) Выборка операнда;

г) Инициация выполнения команды;

д) Загрузка буфера (порта);

е) Пересылка из буфера.

3) БИК – блок исполнения команды.

а) Исполнение команды;

б) Инициация обработки прерываний;

в) Сохранение результата;

г) Окончательная дешифрация кода операций.

 

7. АДРЕСНАЯ ОРГАНИЗАЦИЯ ПАМЯТИ


РА – регистр адреса;

БАВ – блок адресации выборки;

ЗМ – запоминающий массив;

БУС – блок усилителей считывания;

БУЗ – блок усилителей записи;

БУП – блок управления памятью;

РИ – регистр информации (регистр данных);

ПрА – прием адреса.

Запоминание и считывание информации основывается на использовании адреса хранения слова. Под адресом понимается номер ячейки, где будет храниться данная информация. Адрес поступает в регистр адреса, и одновременно поступает сигнал обращения и код операции. БУП является некоторым устройством, которое обеспечивает не только сохранение слова в ЗМ и считывание его, но и согласование работы памяти с другими устройствами. БУП, проанализировав обращение и операцию, должен либо разрешить, либо запретить какому-либо устройству доступ к памяти. Затем БУП инициирует выборку и выполнение записи или считывания. Если считывание происходит с разрушением информации, то БУП обеспечивает цикл регенерации.

 

8. СПОСОБЫ АДРЕСАЦИИ

1. Непосредственная адресация

При непосредственной адресации операнд размещается в поле команды. В том случае, если формат команды недостаточен для размещения операнда, операнды размещаются в последующих ячейках за командой. Пример: в блоке выборки команд содержится 4 команды. Если в следующем блоке – блоке формирования исполнительного адреса – при непосредственной адресации размерность команды недостаточна для ОП, то операнды находятся в стеке – в этих четырех командах блока выборки команд.

2. Прямая адресация

При прямой адресации содержимое адресной части команды является адресом ячейки, где хранится информация; т.о. в адресной части – адрес данных.

3. Косвенная адресация

При косвенной адресации в адресной части команды указывается адрес адреса, по которому могут располагаться данные или адрес. Для выборки операнда необходимо сделать несколько обращений к памяти. Количество этих обращений определяет глубину косвенной адресации. Глубина косвенной адресации может задаваться в виде некоторого числа или в виде некоторого признака.

4. Относительная адресация

При относительной адресации исполнительный адрес определяется как сумма базового адреса и смещения. Аисп = < В > + Aсм

       
   


Весь объем ОП разбивается на фрагменты,

В4 начальные адреса которых являются

базовыми адресами, а смещение указывает

В3 на адрес ячейки относительно этой базы.

Как правило, адреса баз хранятся в

В2 регистрах базы. Кроме того, эти адреса

могут располагаться в строго определен-

В1 ных ячейках ОП.

Существуют другие методы, которые применяются в машинах с короткими командами (регистрово-прямая адресация; регистрово-косвенная адресация).

Регистрово-прямая адресация позволяет обратиться к некоторому регистру, в котором находится адрес операнда. Количество этих регистров ограничено, и это дает возможность получить короткую команду. Регистрово-косвенная адресация – когда в регистре находится адрес адреса операнда.

Автоувеличение и автоуменьшение (авто-inc и авто-dec). Автоувеличение позволяет выбирать операнд по некоторому адресу, затем этот адрес увеличивается на 1 и выбирается следующий операнд. Автоуменьшение – сначала уменьшается адрес, затем выбирается операнд. Это очень удобно при работе с массивами.

 

9. ВИРТУАЛЬНАЯ ПАМЯТЬ

 

Существует два понятия виртуальной памяти: функциональная и физическая. Функциональная – это совокупность всех адресов, к которым происходит обращение. А в физическом смысле виртуальная память – это совокупность всех ЗУ, которые находятся в системе обработки информации.

Виртуальная память – это совокупность аппаратных и программных средств, посредством которых обеспечивается доступ к любому из возможных адресов за информацией, которая располагается на любом ЗУ. Существует несколько способов организации виртуальной памяти.

 

1. СТРАНИЧНАЯ ОРГАНИЗАЦИЯ

Суть страничной организации виртуальной памяти заключается в том, что все множество адресов разделяются на блоки, или страницы размерностью 2к и с которыми в дальнейшем происходит работа. 2к – каждой странице выделяется множество последовательных адресов. Во время работы с виртуальной памятью

ОП появляется понятие виртуального адреса

 
 
2к 1 (абстрактное понятие), с которым работает

2к 2 программист.

.

.

 

Имеется область адресации страниц и область смещения, которая говорит о том, какая ячейка данной страницы.

Виртуальный адрес:

L Р 1 к А 1

 

Физический адрес:

L S 1 k A 1

 

P, L – адрес страницы;

А, к – адресация внутри страницы.

Машине необходимо знать физический адрес.

S – физический адрес страницы;

А – адрес слова в странице.

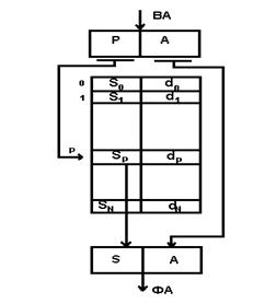
Чтобы выполнить программу, необходимо загрузить данные в ОП. Эти данные могут находиться как в ОП, так и во внешних устройствах. Вся информация о странице размещается в таблице страниц (ТС).

Таблица страниц:

S0 D0 T0 Q0
S1 D1 T1 Q1
…. …. …. ….
Sp Dp Tp Qp

В таблице страниц указан физический адрес страницы Sp, признак нахождения страницы Dp. 1, если страница в ОП

Dp =

0, если страница на ВЗУ

Tp – время неиспользования страницы;

Qp – предыдущий период неиспользования страницы.

Таблица страниц может быть реализована несколькими способами:

При перемещении страниц из ОП на ВЗУ и наоборот, изменяются адреса этих страниц и каждый раз выполняется корректировка содержимого ТС.

 

СПОСОБЫ ФОРМИРОВАНИЯ ФИЗИЧЕСКОГО АДРЕСА.

 

 

1. В данной ячейке ТС (р) видим всю информацию. Если признак Dp = 1, то

содержимое Sp передается в S и имеем некоторый физический адрес, к которому присоединяется адрес слова страницы. Таким образом получается физический адрес. Как правило, таблица страниц размещается в ОП. Выделяются строго определенные места в памяти. Но если количество страниц невелико, то ТС реализуется на регистрах.

1. Таблица страниц на регистрах.

 

В данном случае в регистрах хранятся адреса страниц, которые размещены в ОП. Адрес (номер) страницы сравнивается с номерами страниц, которые находятся в ОП, затем формируются признаки a, затем с шифратора снимается физический адрес страницы, а адрес слова в странице присоединяется к физическому адресу.

 

2. Чтобы ускорить процесс формирования физического адреса, предложено использовать в качестве таблицы страниц ассоциативную память. При этом таблица страниц состоит из двух таблиц. Одна размещается в ОП, а другая – в ассоциативно-запоминающем устройстве.


 

АП – адресное поле, в котором указываются страницы, находящиеся в ОП. Имеются рабочие поля, где указываются физические адреса страниц. Da - признак занятости ячейки (0 - ячейка свободна, 1 – ячейка занята). УП – управляющие поля, которые хранят информацию о времени неактивности страниц. Когда поступает виртуальный адрес, то номер страницы поступает в АП ассоциативной памяти и если запрашиваемая страница находится в АЗУ (ассоциативном запоминающем устройстве), то считывается физический адрес и присоединяется к слову. Если в ассоциативной памяти не нашлось страницы (т.е. выработался признак a0 - см. раздел Ассоциативная память), то происходит обращение в ОП, там находится информация о странице, и если признак Dp = 1, то информация о странице переносится в ассоциативную память, а затем формируется физический адрес. Если страница находится на ВЗУ, то формируется запрос на прерывание, запускается механизм смены страниц, страница с ВЗУ переписывается в ОП и происходит коррекция ТС как в ОП, так и в АЗУ.

Существенным недостатком страничной организации является то, что страницы имеют фиксированный размер.

 

2. СЕГМЕНТНАЯ ОРГАНИЗАЦИЯ

Сегментная организация виртуальной памяти основана на том, что вся память разбивается на некоторые сегменты, которые имеют различную длину, и эта длина определяется объемом программы и данных. Но сегментная организация имеет следующий недостаток: сложность определения адреса, к которому происходит обращение (т.к. сегмент имеет переменную длину). Поэтому сегментная организация практически не используется; используется в основном третий способ организации виртуальной памяти – сегментно-страничная.

 

3. СЕГМЕНТНО-СТРАНИЧНАЯ ОРГАНИЗАЦИЯ

В этом случае сегмент, который может иметь переменную длину, разбивается на страницы, которые имеют постоянную длину. Кроме ТС вводится таблица сегментов ТСег. Поле Sв указывает на номер сегмента. Имеется начальный адрес Тсег, к которому присоединяется номер сегмента. Затем попадаем в ячейку, соответствующую виртуальному сегменту. В этом сегменте находится адрес начала ТС. К нему прибавляется номер страницы, и т.о. попадаем в ТС на страницу р. В этой странице находится физический адрес, месторасположение страницы и т.д. Если страница находится в ОП, то формируется запрос на прерывание и запускается механизм смены страниц.

 

УДАЛЕНИЕ СТРАНИЦ ИЗ ОПЕРАТИВНОЙ ПАМЯТИ

 

Существует несколько способов определения страницы, подлежащей удалению. Простейший способ предполагает подсчет времени нахождения данной страницы в ОП. Удаляется страница, которая дольше всего находится в ОП. Но этот способ имеет существенный недостаток: если страница часто используется, то ее многократно приходится удалять и снова загружать.

 

ОБМЕН СТРАНИЦАМИ МЕЖДУ ОП И ВЗУ

 

 

Для обмена необходимо иметь хотя бы 1 свободную страницу на ВЗУ. Для этого необходимо осуществить следующие действия.

1. Определить страницу для удаления.

2. Сгенерировать программу, обеспечивающую удаление.

3. Определить место для удаляемой страницы.

4. Выполнить программу удаления.

5. Модифицировать (обновить) списки свободных страниц и ТС.

6. По ТС определить страницу для загрузки.

7. Определить месторасположение страниц в ОП.

8. Сгенерировать программу загрузки страниц и выполнить ее.

9. Обновить списки свободных страниц и ТС.

 

10. ЗАЩИТА ПАМЯТИ

 

Для предотвращения искажения информации предусматривается защита памяти. В общем случае защита осуществляется по записи и по доступу. В первом случае возможно только прочитать информацию без ее изменения, во втором случае – ограничение к доступу (не чтение и не запись).

Существует несколько подходов при организации защиты памяти:

 

1. Защита отдельных ячеек.

Каждой ячейке выделяется специальный разряд, единичное значение которого запрещает изменять информацию в данной ячейке. Такой подход обычно используется в устройствах с числовым программным управлением и применяется при отладке программ.

 

2. На основе граничных регистров.

Выделяются два регистра: РгНГ (регистр нижней границы) и РгВГ (регистр верхней границы). Если адрес, поступающий в Рг А больше или равен РгНГ или меньше или равен РгВГ, то схема сравнения формирует соответствующий признак, который поступает на КСх и разрешает обращение к памяти по поступившему адресу. Если адрес, поступающий в Рг А, выходит за границы защищенной области, то формируется прерывание по защите памяти.

 

 


 

 
 

3. На основе ключей защиты памяти.

 

ПКЗ – память ключей защиты;

РКЗ – регистр ключей защиты;

РССП – регистр слова состояния программы;

ТРО – триггеры режима обращения.

 

Суть данного метода заключается в том, что вся память разбивается на блоки, каждому из которых присваивается свой ключ. В свою очередь каждая программа, загружаемая в ОП, получает ключ, соответствующий ключу блока, который она загружает. Кроме того, устанавливается режим защиты (в четвертом разряде РКЗ). Он может быть или «защита по записи» – значение равно 0, или «защита по записи считывания» - значение равно 1. При выполнении программы происходит обращение к соответствующей ячейке памяти, при этом старшие разряды адреса одновременно поступают в ПКЗ. Из ПКЗ считывается соответствующий ключ, который сравнивается с ключом, находящимся в РССП. Комбинационная схема КСх вырабатывает сигнал прерывания, если значения ключей не совпадают или сигнал разрешения обращения при совпадающих ключах защиты. Нулевое значение ключей защиты, которые размещаются в РССП или являются ключами программы, говорят о том, что данная программа имеет высший уровень привилегий, и данная программа может изменять информацию в памяти. Как правило, такие команды являются привилегированными, и программы ОС имеют нулевые ключи защиты (ключи программы).

В современных микропроцессорах на основе ТС и таблиц дескрипторов сегментов осуществляется защита памяти с использованием уровней привилегий. Тогда выполняются следующие виды защиты:

1. Защита программ ОС от пользовательских программ;

2. Защита программ пользователей друг от друга;

3.

 
 

Защита программ ОС друг от друга;

4. Защита пользовательских программ от внутренних ошибок.

Каждая программа, которая выполняется в машине, имеет свой уровень привилегий. И ОС, и прикладные программы могут иметь нулевой уровень привилегий. Это значит, что любая программа имеет доступ к любой ячейке памяти и может соответствующим образом изменить информацию. Это говорит о незащищенной, или открытой системе. Значения уровня привилегий находятся в таблице дескрипторов (ТД). В ТД выделяется специальный разряд, который указывает на уровень привилегий данного сегмента памяти.

На практике: нулевой уровень привилегий имеет программу ОС, а остальные уровни привилегий имеют прикладные программы (ПП). В данном случае мы защищаем ОС от ПП. Существует возможность защиты программы ОС друг от друга. Тогда нулевой уровень имеет ядро ОС: некоторая часть основных программ, а первый уровень имеют утилиты ОС.

ПП имеют третий уровень привилегий. Таким образом решается защита памяти, используя несколько уровней привилегий.

 

11. ОРГАНИЗАЦИЯ ПРЕРЫВАНИЙ

 

Каждая система в каждый момент времени имеет некоторые значения триггеров, регистров, ячеек памяти. Эти значения являются состояниями системы. Чтобы обработать запрос на прерывание, а затем вернуться к выполнению программы с того момента, где она была прервана, необходимо восстановить состояние системы. Из всего количества состояний выбираются некоторые, которые способствуют восстановлению системы. Информация о состоянии процессора или о состоянии программы хранится в слове состояния программы, а это слово хранится в регистре. Этот регистр называется РССП, или РСС процессора. При этом не обязательно иметь строго выделенный РССПр. Можно иметь регистр, набор триггеров, счетчик, которые в общем составляют РССПр.

Второй подход обработки прерываний основан на использовании вектора прерываний. В качестве вектора прерываний выступает некоторый адрес, который указывает на начало программы обработки прерывания.

 

ПРИНЦИПЫ ОРГАНИЗАЦИИ СИСТЕМ ПРЕРЫВАНИЙ

 

Одна из причин, которая отражается на сложности системы прерывания – это то, что момент возникновения прерывания неизвестен.

Совокупность аппаратных и программных средств, предназначенная для быстрого реагирования на прерывание, называется системой прерывания. Система прерывания выполняет следующие функции:

1. Запоминание состояния прерываемой программы и осуществление перехода к прерывающей программе.

2. Определение порядка обслуживания запросов на прерывание.

3. Восстановление состояния прерываемой программы.

 

Характеристики системы прерываний.

1. Общее количество запросов.

2. Время реализации – это время между появлением запроса на прерывание и началом выполнения обработки прерывания.


 

 

3. Затраты времени на переключение программ (t издержек):

а) время запоминания t3

б) время восстановления tвосст.

 

tизд. = t3 + tвосст.

 

4. Глубина прерывания – это количество программ, которые могут прерывать друг друга.

 

5. Насыщение системы прерывания – это количество запросов на обработку к моменту прихода следующего запроса от того же источника.

 

6. Момент обслуживания запроса на прерывание:

а) обслуживание после выполнения команды;

б) обслуживание после выполнения такта;

в) немедленное обслуживание.

 

7. Число уровней запроса:

а) прерывание по машинным ошибкам;

б) прерывание от повторного пуска;

в) программные прерывания;

г) прерывание при обращении к супервизору;

д) внешние прерывания;

е) прерывания от устройств ввода-вывода.

 

Наивысший приоритет имеет первый уровень (так как реализация на неисправной технике ни к чему хорошему не приводит).

1. Программные прерывания – это те прерывания, которые определены пользователем.

2. Аппаратные прерывания – это все остальные прерывания (ввод-вывод, машинные ошибки и т.д.).

 

Существует 2 класса:

1. Внутренние прерывания (к ним относят прерывания от схем контроллера, программные прерывания).

2. Внешние прерывания (это прерывания от устройств ввода-вывода).

 

Приоритет существует для фиксации запросов на прерывание, а обслуживание производится в другом приоритете. Наивысший приоритет обслуживания имеют 1, 6, 5, 4, 3, 2.

Обработка запросов на прерывание, когда

используем слово состояния программы.


Когда выполняется программа, то в РгССП имеется вся информация, необходимая для выполнения и восстановления программы (маски прерываний, код длины команды, признаки вычислений, ключ программы, адрес следующей команды). Когда получен запрос на прерывание, то завершилось выполнение команды и вся информация находится в РгССП. В ОП имеется фиксированная область, предназначенная для хранения слов состояния программы – область старых ССП. Каждому уровню прерываний соответствует своя ячейка. После остановки процесса вычисления вычисляется адрес старого ССП, этот адрес вычисляется на основе уровней запроса. После этого текущее ССП заносится в соответствующее место в области старых ССП. В ОП также в фиксированных ячейках имеется область новых ССП. После записи текущего ССП в область старых ССП, определяется адрес ячейки с новым ССП. Адрес определяется добавлением 1 в старший разряд адреса. Таким образом нашли адрес и перемещаем его в РгССП. В РгССП находится слово, которое связано с обрабатывающей программой. Она начинает выполняться. Она по коду прерывания, который находится в старых ССП, перейдет к конкретной программе, которая обслуживает прерывание. Выполняется сохранение всех данных, которые сохраняются на регистрах; обеспечивается выполнение этой прерывающей программы и затем восстанавливается регистр с данными. После восстановления из области старых ССП возвращается запомненное ССП и продолжается программа.

1. Фиксация запроса.

2. Запоминание ССП.

3. Вычисление нового адреса ССП.

4. Загрузка нового ССП.

5. Выполнение программной обработки запроса.

6. Возвращение в старое ССП.

7. Продолжение вычислений.

 

Обработка запросов прерывания на основе

вектора прерываний


Вектор – адрес программы обработки запросов (начало программы). Программа обработки запросов обеспечивает сохранение данного ССП в памяти. Она сохраняет те регистры данных, которые необходимо сохранить. Затем эта же программа загружает новое ССП. Оно определяется этой программой, происходит вычисление, а затем возврат старого ССП. Программа выполняется дальше.

 

 

12. ОРГАНИЗАЦИЯ ПАМЯТИ

 

Память в системах обработки данных построена по иерархическому признаку, что позволяет достичь наилучших показателей по стоимости и производительности. На нижней ступени иерархии находятся ЗУ, хранящие большие объемы информации, но имеющие относительно невысокое быстродействие. На верхней ступени – ЗУ небольшой емкости, но имеющие высокое быстродействие. Как правило, между медленными и быстрыми ЗУ находится буферная память, или кэш-память.

Любая программа, которая выполняется в процессоре, должна находиться в ОП. При динамическом распределении памяти требуемые фрагменты программ и данных загружаются с ВЗУ в ОП. Чтобы этот механизм работал быстро и надежно, применяется виртуальная память. Для повышения производительности систем применяется расслоение ОП и многомодульная реализация.

 

13. РАССЛОЕНИЕ ОП.

 

Расслоение ОП позволяет ускорить выборку данных. Существует два вида расслоения:

1. Разделение на память команд и память данных.

Расслоение на память команд и данных уменьшает число конфликтов при обращении к ОП.

2. Расслоение по адресам.

2.1. Простое расслоение.

Когда вся ОП делится на несколько модулей.

К – количество разрядов адреса памяти;

2к определяет количество модулей, на которые разбита вся память;

2m – количество слов в модуле.

Значения m разрядов одновременно поступают на адресные входы модулей и осуществляется чтение из ОП. Считанная информация запоминается в фиксаторах, затем осуществляется второй доступ. За это время информация с фиксаторов через коммутатор К передается на шину данных. Коммутатором управляют к младших разрядов адреса. Таким образом происходит считывание данных из ОП.

Проблемы, возникающие при данной организации: требуется высокое быстродействие; высока сложность коммутации слов к.

При записи данные поступают на коммутатор, который распределяет их по фиксаторам соответствующих модулей. Затем осуществляется доступ к модулю и данные записываются в ОП. За время доступа к памяти коммутатор должен передать на фиксаторы очередную порцию данных.

 

2.2. Сложное расслоение


Адрес поступает на фиксаторы, и организуется обращение к модулям. По завершении доступа к первому модулю данные с первого модуля коммутируются на шину данных; по завершении доступа ко второму модулю и его данные передаются на шину. Момент передачи данных на шину определяется по сигналу занятости. Снижаются требования к коммутатору, хотя требования по надежности высоки. Расслоение осуществляется и с точки зрения надежности работы системы, так как выход из строя одного из модулей приведет к сокращению объема памяти, но не к потере работоспособности системы.

 

14. ЛОКАЛЬНАЯ ПАМЯТЬ

 

Локальную память называют также буферной, или местной памятью. Она предназначена для согласования быстрого устройства с медленным. Быстродействие локальной памяти выше, чем у ОП. Как правило, локальная память имеет небольшой объем.

Первый подход к построению локальной памяти: реализация локальной памяти на базе ассоциативной памяти

 
 

 

В регистрах адреса хранятся адреса данных, которые находятся в данной памяти. При поступлении адреса от процессора появляется сигнал сравнения, если этот адрес совпал с находящимся в регистре; соответствующие данные подаются на выход. Быстродействие достигает единиц нс.

 

Второй подход к организации локальной памяти основан на разделении местной памяти на 2 блока – буфер1 и буфер2,

из которых осуществляется попеременное считывание или запись; при этом когда из одного буфера выполняется считывание, в другой может осуществляться запись, и наоборот.

 

 

Третий подход – на основе многопортовых ЗУ.

Пм – память;

БФА – блок формирования адреса;

Это двухпортовая память, к которой подключается логика формирования адреса; и одновременно может выполняться как считывание, так и запись информации. Логика формирования адреса должна отслеживать конфликтные ситуации и предупреждать о них.

 

Четвертый подход – на основе стека.

FIFO – «первый пришел, первый обслужился».

Это набор стеков, которые связаны с ОП и связаны с процессором.

 

 

Пятый подход – регистровый файлы. На них очень удобно выполнять задержки. Это реализация локальной памяти (фиксаторов) на основе регистров.

 

Существует еще КЭШ-память, которая используется как буферная память.

 

 




Поделиться с друзьями:


Дата добавления: 2014-01-11; Просмотров: 534; Нарушение авторских прав?; Мы поможем в написании вашей работы!


Нам важно ваше мнение! Был ли полезен опубликованный материал? Да | Нет



studopedia.su - Студопедия (2013 - 2026) год. Все материалы представленные на сайте исключительно с целью ознакомления читателями и не преследуют коммерческих целей или нарушение авторских прав! Последнее добавление




Генерация страницы за: 0.011 сек.