Студопедия

КАТЕГОРИИ:


Архитектура-(3434)Астрономия-(809)Биология-(7483)Биотехнологии-(1457)Военное дело-(14632)Высокие технологии-(1363)География-(913)Геология-(1438)Государство-(451)Демография-(1065)Дом-(47672)Журналистика и СМИ-(912)Изобретательство-(14524)Иностранные языки-(4268)Информатика-(17799)Искусство-(1338)История-(13644)Компьютеры-(11121)Косметика-(55)Кулинария-(373)Культура-(8427)Лингвистика-(374)Литература-(1642)Маркетинг-(23702)Математика-(16968)Машиностроение-(1700)Медицина-(12668)Менеджмент-(24684)Механика-(15423)Науковедение-(506)Образование-(11852)Охрана труда-(3308)Педагогика-(5571)Полиграфия-(1312)Политика-(7869)Право-(5454)Приборостроение-(1369)Программирование-(2801)Производство-(97182)Промышленность-(8706)Психология-(18388)Религия-(3217)Связь-(10668)Сельское хозяйство-(299)Социология-(6455)Спорт-(42831)Строительство-(4793)Торговля-(5050)Транспорт-(2929)Туризм-(1568)Физика-(3942)Философия-(17015)Финансы-(26596)Химия-(22929)Экология-(12095)Экономика-(9961)Электроника-(8441)Электротехника-(4623)Энергетика-(12629)Юриспруденция-(1492)Ядерная техника-(1748)

Елементи захисту інформації




Проходження електричних сигналів по ланцюгам технічних засобів (персонального комп'ютера, телефоного апарату, факсу і т.п.) та по з'єднувальним кабелям супроводжується виникненням побічних електромагнітних випромінювань в оточуючому середовищі, що створює умови для пошкодження внаслідок взаємних наводок та витіку конфіденціальної інформації. Для усунення цих небажаних явищ застосовуються спеціальні засоби захисту інформації: екранування, фільтрація, заземлення, електромагнітне зашумлення, а також засоби послаблення рівнів небажаних електромагнітних випромінювань та наводок за допомогою різноманітних резистивних та поглинаючих узгоджувальних навантажень.

Найбільш радикальним способом захисту апаратури та приміщень являється екранування, яке можна виконати за допомогою різноманітних матеріалів: листової сталі мідної сітки та алюмінієвої фольги. Бажано також виконати екранування внутрішніх схем апаратури.

Серйозну проблему являє захист лінії зв'язку. Найбільш економічним способом екранування являється розташування інформаційних ліній в екрануючих розподільних коробах. В противному випадку доводиться екранувати окремі лінії зв'язку. Для цього використовують провода в екрануючій оболочці або розміщують в таку оболочку (наприклад фольгу) існуючі. Ефективно застосовувати при цьому зкрутку двох проводів (біфіляр) або трьох проводів (тріфіляр). При використанні тріфіляра третій провід з'єднується з землею і служить екраном. Більш ефективним є триаксіальний (екранований коаксіальний) кабель. Необхідно прослідкувати за тим, щоб кабелі різних ліній звязку були максимально рознесені для зменшення взаємних наводок.

Після проведення робіт з екранування необхідно виконати роботи по заземленню екранів. Звичайно, це виконується шляхом паралельного підключеня до існуючого контуру заземлення,

 

насамперед перевірив його опір (він повинен бути не більше 4 Ом). Опір заземлювача можна розрахувати за формулами:

• для металевої пластини радіусом розташованої безпосередньо у поверхні землі:

де - питомий опір грунту, Ом / см.куб.;

• для вертикально вбитої труби

де - довжина труби, см;

- радіус труби, см.

Виключити можливість витоку інформації по ланцюгам джерел живлення можна використовуючи мережеві фільтри, які вмикають між енергетичною мережею та пристроєм споживача. Для подавлення завад в мережевих фільтрах використовують 2 способи: фільтрація режекторними дроселями та екранування мережевої і вихідної обмоток трансформаторів.

Серед електроних пристроїв захисту інформації в теперішній час найбільше розповсюдження знайшли генератори шуму, випромінюючи активну широкополосну радіозаваду, яка впливає на вхідні ланцюги радіоприймальних пристроїв. Аналогічні пристрої використовуються для захисту від витоку інформації по електричній мережі та телефонним лініям.

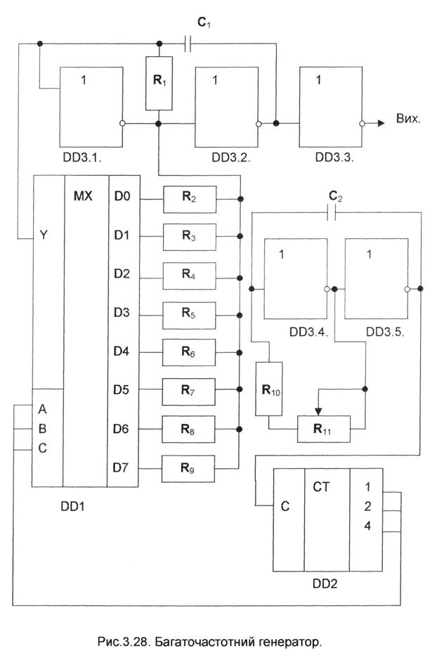
Перші генератори шуму звичайно складались з двох мультивібраторів, виконаних на транзисторах. Однак фільтрація подібних сигналів не представляє особливих труднощів. Тому використовуються багаточастотні завади, що збільшує ймовірність закриття корисної інформації, так як необхідно застосування декількох в залежності від кількості використаних частот, точно налагоджених фільтрів. І чим більша кількість частот в багаточастотні й заваді, тим складніше виявити необхідну інформацію. На рис.3.28. наведена схема багаточастотного генератору шуму.


 

 

 

Практично, це RC - мультивібратор на елементах DD3.1., DD3.2., частота якого регулюється вімкненням додаткових резисторів R2÷R9 паралельно основному R1. Перемикання резисторів забезпечує мультиплексор DD1 у відповідності з двійковим кодом, який надходить з лічильника DD2. Тривалість звучання кожного такту та швидкість зміни тактів визначається швидкодією мультиплексора та частотою тактового генератору на елементах DD3.4., DD3.5., імпульси з якого надходять на рахувальний вхід лічильника. Швидкість зміни тактів може регулюватись резистором R11.

Для захисту від несанкціонованого підключення до телефоної мережі використовуються пристрої кодування лінії, які охороняють лінію "за собою". При цьому всі посилки визову, які надходять від АТС, безперешкодно проходять, а для підключення лінії необхідно подати індивідуальний код.


 

Схема сиcтеми наведена на рис.3.29.

Пристрій реалізовано на інтегральних схемах серії 561 з мікроспоживанням в статичному режимі. В склад присторою входять:

• вузол обробки імпульсів визову на елементах DD1.1., DD1.2.;

• вузол приймання коду на елементах DD1.3., DD1.4.;

• вмикач абоненту SW;

• дешифратор коду DC;

• вузол живлення на елементах VD1, R1, VD2, R2, С1.

Розглянемо роботу схеми. При знятті трубки з телефону буде відсутній сигнал готовності станції (425 Гц). Після набору відповідного коду і обробки його вузлом приймання на виході дешифратора з'явиться рівень логічної одиниці "1", який через вмикач абоненту SW підключить телефон до лінії (якщо код набраний вірно). Якщо код набраний невірно, система захисту блокується на певний час (десятки секунд), після чого можна повторити набір коду.

При ввімкнені ключа SW телефон працює в звичайному режимі -забезпечує набирання номеру та зв'язок. Система знову входить в режим охорони після того, як трубка буде покладена на апарат.

Любий сигнал від АТС після обробки елементами DD1.1., DD1.2. з невеликою затримкою, яка визначається параметрами елементів Сз, С4 рівня логічної "1" через діод VD4 відкриє ключ тільки на час визову. При знятті трубки з телефоного апарату вхідний вузол запирається через діод VD6 і далі для підключеня телефону необхідно знову набрати індивідуальний код.

Таким чином, система захисту блокує підключення до лінії без знання коду.

Питання для самоконтролю

1. Що таке інтерфейс? Як можна класифікувати інтерфейси за функціональним призначенням?

2. Чому найбільше поширення знайшли послідовні інтерфейси?

3. Які існують режими обміну?

4. Призначення та режими роботи паралельного адаптера.

5. Як відбувається ініціалізація УСАПП?

6. Основнфі режими роботи програмного таймеру?

7. Які задачі вирішує блок приорітетного переривання?

8. Які існують способи та спеціальні засоби захисту інформації?

Рекомендована література

1. Мячев А.А., Степанов В.Н., Щербо В.К. Интерфейсы систем обработки данных. Справочник. - М.:Радио и связь, 1989.

2. Микропроцессоры (под.ред. Преснухина Л.Н. - М.:Высш.шк. 1986, т.2

3. Самофалов К.Г. и др. Микропроцесоры. - Киев.: Техника, 1986

4. Шпионские штучки и устройства для защиты обьектов й информации. Справочное пособие-Спб.: Лань, 1998.

5. А.С.Васюра, С.ГКривогубченко, А.Я.Кулик та інші. Мікро­процесорні засоби передавання інформації (Навчальний посібник). - Вінниця: ВДТУ, 1998.

 

 




Поделиться с друзьями:


Дата добавления: 2014-01-11; Просмотров: 654; Нарушение авторских прав?; Мы поможем в написании вашей работы!


Нам важно ваше мнение! Был ли полезен опубликованный материал? Да | Нет



studopedia.su - Студопедия (2013 - 2025) год. Все материалы представленные на сайте исключительно с целью ознакомления читателями и не преследуют коммерческих целей или нарушение авторских прав! Последнее добавление




Генерация страницы за: 0.011 сек.