Студопедия

КАТЕГОРИИ:


Архитектура-(3434)Астрономия-(809)Биология-(7483)Биотехнологии-(1457)Военное дело-(14632)Высокие технологии-(1363)География-(913)Геология-(1438)Государство-(451)Демография-(1065)Дом-(47672)Журналистика и СМИ-(912)Изобретательство-(14524)Иностранные языки-(4268)Информатика-(17799)Искусство-(1338)История-(13644)Компьютеры-(11121)Косметика-(55)Кулинария-(373)Культура-(8427)Лингвистика-(374)Литература-(1642)Маркетинг-(23702)Математика-(16968)Машиностроение-(1700)Медицина-(12668)Менеджмент-(24684)Механика-(15423)Науковедение-(506)Образование-(11852)Охрана труда-(3308)Педагогика-(5571)Полиграфия-(1312)Политика-(7869)Право-(5454)Приборостроение-(1369)Программирование-(2801)Производство-(97182)Промышленность-(8706)Психология-(18388)Религия-(3217)Связь-(10668)Сельское хозяйство-(299)Социология-(6455)Спорт-(42831)Строительство-(4793)Торговля-(5050)Транспорт-(2929)Туризм-(1568)Физика-(3942)Философия-(17015)Финансы-(26596)Химия-(22929)Экология-(12095)Экономика-(9961)Электроника-(8441)Электротехника-(4623)Энергетика-(12629)Юриспруденция-(1492)Ядерная техника-(1748)

Решение. Пример 2. Рассчитать сварное соединение встык (см




ПРИМЕРЫ РАСЧЕТА СВАРНЫХ СОЕДИНЕНИЙ

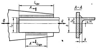
Пример 2. Рассчитать сварное соединение встык (см. рис. 2.7), нагруженное статической осевой растягивающей силой Q=400·103 н. Толщина полос s=16 мм, материал — сталь Ст. 2. Сварка полуавтоматическая под слоем флюса.

1. По табл. 2.1 и 1.2 выбираем допускаемое напряжение для сварного соединения:

[σ]´p=[σ]p=140 н/мм2.

2. По формуле (2.1) определяем необходимую длину шва

.

 

Принимаем ширину полосы b=180 мм.

 

Пример 3. Рассчитать сварное соединение внахлестку равнобокого уголка 75х75х8, z0 =21,5 мм (ГОСТ 8509—57) с косынкой (см. рис. 2.8). Нагрузка осевая растягивающая переменная Qmin= 138·103 н, Qmin=46·103 н. Сварка ручная дуговая электродом Э50А. Материал уголка и косынки — сталь Ст. 3.

Рис. 2.8. Пример сварной конструкции

 




Поделиться с друзьями:


Дата добавления: 2014-01-14; Просмотров: 1552; Нарушение авторских прав?; Мы поможем в написании вашей работы!


Нам важно ваше мнение! Был ли полезен опубликованный материал? Да | Нет



studopedia.su - Студопедия (2013 - 2026) год. Все материалы представленные на сайте исключительно с целью ознакомления читателями и не преследуют коммерческих целей или нарушение авторских прав! Последнее добавление




Генерация страницы за: 0.011 сек.