Студопедия

КАТЕГОРИИ:


Архитектура-(3434)Астрономия-(809)Биология-(7483)Биотехнологии-(1457)Военное дело-(14632)Высокие технологии-(1363)География-(913)Геология-(1438)Государство-(451)Демография-(1065)Дом-(47672)Журналистика и СМИ-(912)Изобретательство-(14524)Иностранные языки-(4268)Информатика-(17799)Искусство-(1338)История-(13644)Компьютеры-(11121)Косметика-(55)Кулинария-(373)Культура-(8427)Лингвистика-(374)Литература-(1642)Маркетинг-(23702)Математика-(16968)Машиностроение-(1700)Медицина-(12668)Менеджмент-(24684)Механика-(15423)Науковедение-(506)Образование-(11852)Охрана труда-(3308)Педагогика-(5571)Полиграфия-(1312)Политика-(7869)Право-(5454)Приборостроение-(1369)Программирование-(2801)Производство-(97182)Промышленность-(8706)Психология-(18388)Религия-(3217)Связь-(10668)Сельское хозяйство-(299)Социология-(6455)Спорт-(42831)Строительство-(4793)Торговля-(5050)Транспорт-(2929)Туризм-(1568)Физика-(3942)Философия-(17015)Финансы-(26596)Химия-(22929)Экология-(12095)Экономика-(9961)Электроника-(8441)Электротехника-(4623)Энергетика-(12629)Юриспруденция-(1492)Ядерная техника-(1748)

Обработки




Разработка технологического процесса механической

Намечая технический маршрут обработки детали, следует придерживается следующих правил:

1. С целью экономии труда и времени технологической подготовки производства использовать типовые процессы обработки деталей и ее элементарных поверхностей.

2. Не проектировать обработку на уникальных станках.

3. Применение уникальных и дорогостоящих станков должно быть технологически и экономически оправдано.

4. Использовать по возможности только стандартный режущий и измерительный инструмент.

5. Стремиться применять наиболее совершенные формы организации производства, непрерывные и групповые схемы обработки, групповые технологические процессы и групповые наладки на отдельные станки;

6. Рационально выбирать количество поверхностей, обрабатываемых на одной установке (позиции).

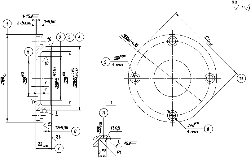
При проектировании маршрутного технологического процесса рекомендуется на эскизе детали пронумеровать все поверхности (рис. 1) и разработать маршруты обработки для каждой элементарной поверхности. Результаты проектирования целесообразно представить в виде таблицы (пример табл. 1) Нормы точности обработки поверхностей приведены в [4].

 

Таблица 1 – Технологические переходы обработки элементарных поверхностей

№ пов Точность поверхности (размер, допускаемые отклонения, точность формы, точность относительного положения) Шероховатость поверхности Ra, мкм. Технологические переходы Точность выполнения перехода Шероховатость обработанной поверхности, Ra, мкм.
           
  Æ62Н8 1,6 Точение черновое Точение чистовое Шлифование Н12 Н10 Н8 6,3 3,2 1,6
  Æ44Н12 12,5 Точение однократное Н12 6,3
  Æ76k6 1,6 Точение черновое Точение чистовое Шлифование черновое Шлифование чистовое h12 h10 h8 k6 6,3 3,2 1,6 0,8
  60h12 12,5 Фрезерование однократное Н12 6,3
  Æ13H12 12,5 Сверлить Н12 6,3
  М10-7Н 12,5 Сверление зенкование нарезание резьбы Н12 Н12 7Н 6,3 6,3 6,3

 

После определения методов обработки отдельных поверхностей составляют маршрут обработки детали.

 

 


 

 

Рисунок 1 – Эскиз детали

 

 


При этом необходимо руководствоваться такими правилами [3].

1. Операции должны быть одинаковы или кратными по трудоемкости.

2. Каждая последующая операция (переход) должна уменьшать погрешности и улучшать качество поверхности.

3. В первую очередь следует обрабатывать поверхности, которые будут служить технологическими базами на последующих операциях.

4. В целях своевременного выявления брака по раковинам и другим дефектам необходимо предусматривать первоочередную обработку поверхностей, на которых не допускаются дефекты. Так как с этих поверхностей обычно снимают наибольшие слои металла, то тем самым достигается и перераспределение внутренних напряжений заготовок.

5. Обработку сложных поверхностей, нуждающихся в особой наладке станка, следует выделять в самостоятельные операции. Например, нарезание резьб резцами, обработка фасонных поверхностей по копиру и т.п.

6. Черновую и чистовую обработки заготовок со значительными припусками необходимо выделять в отдельные операции.

7. Отделочные операции производить в конце технологического процесса, так как при этом уменьшается опасность повреждения чисто обработанных поверхностей.

8. Обработку поверхностей с точным взаимным расположением следует по возможности включать в одну операцию и выполнять в одном установе.

9. Обработку ступенчатых поверхностей выполнять в такой последовательности, при которой общая длина рабочих перемещений ржущего инструмента будет наименьшей.

10. Переходы в операции располагать так, чтобы путь менее стойких инструментов был наименьшим. Например, при обработке из прутка деталей с отверстие перед отрезкой выполнять сверление; обработку ступенчатых отверстий в сплошной заготовке начинать сверлом большего диметра, затем меньшего.

11. При определении последовательности переходов предусматривать опережающее выполнение тех, которые подготавливают возможность осуществления следующих за ними переходов. Например, обработку деталей в патроне следует начинать с подрезки торца, который будет служить измерительной базой при отсчете размеров по длине; то же следует выполнять перед сверлением или центрованием.

12. Последовательность обработки должна обеспечивать требуемое качество выполнения детали. Например, при обработке тонкостенной втулки в кулачковом патроне вначале необходимо расточить отверстие, а затем обточить наружную поверхность на оправке; фаски обрабатывать перед окончательной обработкой точных поверхностей; на участке детали, где наносятся рифления, фаски и канавки протачивать после рифления.

13. Число применяемых в операции резцов (инструментов) не должно превышать числа одновременно закрепляемых в резцедержателе (револьверной головке).

14. При определении последовательности выполнения черновых и чистовых обработок следует учитывать, что совмещение их на одних и тех же станках приводит к снижению точности обработки вследствие повышенного изнашивания станков на черновых операциях.

15. В первую очередь следует обрабатывать поверхности, при удалении припуска с которых в наименьшей степени снижается жесткость заготовки. Например, при обработке ступенчатых валов вначале обрабатывают ступени большего диаметра, а затем меньшего.

16. Если деталь подвергают термической обработке, то механическую обработку разделяют на две части: до термической обработки и после нее.

В пояснительной записке приводится перечень операций с номерами в технологической последовательности выполнения.

Принятый маршрутный технологический процесс записывается в технологических картах.

 




Поделиться с друзьями:


Дата добавления: 2014-11-06; Просмотров: 766; Нарушение авторских прав?; Мы поможем в написании вашей работы!


Нам важно ваше мнение! Был ли полезен опубликованный материал? Да | Нет



studopedia.su - Студопедия (2013 - 2026) год. Все материалы представленные на сайте исключительно с целью ознакомления читателями и не преследуют коммерческих целей или нарушение авторских прав! Последнее добавление




Генерация страницы за: 0.012 сек.