Студопедия

КАТЕГОРИИ:


Архитектура-(3434)Астрономия-(809)Биология-(7483)Биотехнологии-(1457)Военное дело-(14632)Высокие технологии-(1363)География-(913)Геология-(1438)Государство-(451)Демография-(1065)Дом-(47672)Журналистика и СМИ-(912)Изобретательство-(14524)Иностранные языки-(4268)Информатика-(17799)Искусство-(1338)История-(13644)Компьютеры-(11121)Косметика-(55)Кулинария-(373)Культура-(8427)Лингвистика-(374)Литература-(1642)Маркетинг-(23702)Математика-(16968)Машиностроение-(1700)Медицина-(12668)Менеджмент-(24684)Механика-(15423)Науковедение-(506)Образование-(11852)Охрана труда-(3308)Педагогика-(5571)Полиграфия-(1312)Политика-(7869)Право-(5454)Приборостроение-(1369)Программирование-(2801)Производство-(97182)Промышленность-(8706)Психология-(18388)Религия-(3217)Связь-(10668)Сельское хозяйство-(299)Социология-(6455)Спорт-(42831)Строительство-(4793)Торговля-(5050)Транспорт-(2929)Туризм-(1568)Физика-(3942)Философия-(17015)Финансы-(26596)Химия-(22929)Экология-(12095)Экономика-(9961)Электроника-(8441)Электротехника-(4623)Энергетика-(12629)Юриспруденция-(1492)Ядерная техника-(1748)

Класифікація сталей




Залежно від вмісту вуглецю сталі поділяють на:

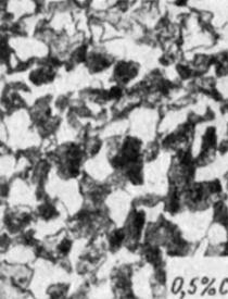
· низьковуглецеві – зі вмістом вуглецю менше 0,3 %;

· середньовуглецеві – зі вмістом вуглецю від 0,3 до 0,7 %;

· високовуглецеві – зі вмістом вуглецю від 0,7 до 1,4 % (рис. 1).

Сталі зі вмістом більше 1,4 % С у зв'язку з великою кількістю вторинного цементиту крихкі й неміцні, тому практично не знаходять застосування в машинобудуванні.

Якість сталі, в основному, визначається кількістю шкідливих домішків – сірки та фосфору.

За якістю:

Ø сталі звичайної якості (S≤0,06 %; Р≤0,08 %);

Ø сталі якісні (S≤0,04 %; Р≤0,03 %);

Ø високоякісні (S≤0,02 %; Р≤0,02 %).

За ступенем розкислення:

§ сталі киплячі (КП), розкислені феромарганцем, які майже не містять кремній (Sі≤0,05 %);

§ сталі напівспокійні (НС), розкислені феромарганцем, феросиліцієм та алюмінієм (Sі=0,5–0,15 %);

§ сталі спокійні (СП), розкислені феромарганцем, феросиліцієм і алюмінієм (Sі=0,15–0,35 %).

Кипляча сталь має найменший вміст кремнію та більш пластична в холодному стані, майже однакова твердість з напівспокійною сталю але має меншу ударну в'язкість. Кипляча сталь дешевша спокійної сталі.

0,04 %С

0,2 %С

0,3 %С

 

0,5 %С

0,8 %С

1,2 %С

 

Рис. 1. Мікроструктура сталей залежно від вмісту вуглецю ( х450 )

За способом виплавки:

v в мартенівських печах;

v в кисневих печах;

v в електричних (електродугових, індукційних і ін.).

За призначенням:

v сталі конструкційні (С= до 0,85 %);

v сталі інструментальні (С=0,7–1,4 %);

v спеціальні – сталі з особливими властивостями (електротехнічними, магнітними і ін.).

Конструкційні сталі в свою чергу поділяються на: сталі звичайної якості, якісні, автоматні, ливарні. Конструкційні сталі постачаються заводами-виробниками гарячокатаними, холоднотягнутими або кованими. Інструментальні сталі випускаються двох груп: якісні та високоякісні.

Сталі звичайної якості (ГОСТ 380) поділяються на три групи: А, Б и В. Група А це сталі Ст0, Ст1, Ст2, Ст3, Ст4, Ст5, Ст6. У цих сталей нормуються механічні властивос­ті (σв, σт, δ). Цифра в марці сталі означає її умовний номер і змінюється від 0 до 6, чим біль­ше ця цифра, тим більше значення σв і σт. Різновид сталей групи А за розкисленням показано у додатку 1. Індекси Б і В вказуються в марках сталей гру­пи Б і В, а індекс А в сталей групи А не вказується.

У сталей групи Б нормується хімічний склад за вуглецем (від 0,23 до 0,49%), кремнію (0,05...0,35 %) і марганцю (0,25...1,2 %): БСт0, БСт1,..., БСт6. Повторюються ті ж різновиди сталей як і у групі А за розкисленням та за вмісту мар­ганцю: БСт0, БСт1кп, БСт1пс,..., БСт6 (додаток 2).

Група В – нормується хімічний склад і механічні властивості: ВСт1, ВСт2, ВСт3, ВСт4, ВСт5 (індекс В – група сталі В, у відмінності від сталей груп А і Б у групі В немає сталей Ст0, Ст6).

Приклади розшифровки позначень сталей: сталь Ст2кп3 - сталь звичайної якості гру­пи А, марки Ст2, що кипить, 3-їй категорії; сталь ВСт4кп4 - сталь звичайної якості, групи В, марки Ст 4, що кипить, 4-ої категорії.

Якісні вуглецеві стали можуть бути зі звичайним змістом марганцю (05кп, 08кп,..., 25,..., 85) і з підвищеним (15Г, 20Г,..., 85Г).

Цифра в марці означає вміст вуглецю в сотих частках %, а індекс Г указує на наяв­ність марганцю (1%). Високоякісні сталі містять менше кількість шкідливих приміток (S < 0,02 %, Р < 0,02 %) і позначаються індексом А в кінці марки сталі, наприклад: У8А – високоякісна високовуглецева інструментальна сталь, що містить 0,8 % вуглецю.

Застосування вуглецевих сталей у будівництві й машинобудуванні:

Ø Сталі звичайної якості використають у конструкціях, що не піддають динамічним навантаженням і впливу низьких температур.

Ø Сталі 08кп, 05кп – для листового штампування в автомобілебудуванні й інших га­лузях.

Ø Сталі Ст0, Ст1,...Ст2, Ст08,... Ст25 – для виготовлення прокату листа, швелера й т.д.

Ø Сталі 10, 15,..., 25 – для зварених і клепаних конструкцій (без наступної термообро­бки).

Ø Сталі Ст3кп, Ст5, МСт3кп, і ін. для виготовлення залізобетонних виробів.

Ø Листові конструкції, резервуари, трубопроводи виготовляють зі сталей МСт1кп, МСт2кп,...МСт3пс.

Ø Сталі 30, 35, 40 – для деталей (вали, осі, шестірні), що працюють при більших на­вантаженнях (піддаються нормалізації й загартуванню).

Ø Сталі 45, 50 – для колінчатих валів.

Ø Сталі 55, 60, 65 й 70 – пружини, ресори, шестірні (гартування і відпуск).




Поделиться с друзьями:


Дата добавления: 2014-10-15; Просмотров: 1632; Нарушение авторских прав?; Мы поможем в написании вашей работы!


Нам важно ваше мнение! Был ли полезен опубликованный материал? Да | Нет



studopedia.su - Студопедия (2013 - 2026) год. Все материалы представленные на сайте исключительно с целью ознакомления читателями и не преследуют коммерческих целей или нарушение авторских прав! Последнее добавление




Генерация страницы за: 0.012 сек.