Студопедия

КАТЕГОРИИ:


Архитектура-(3434)Астрономия-(809)Биология-(7483)Биотехнологии-(1457)Военное дело-(14632)Высокие технологии-(1363)География-(913)Геология-(1438)Государство-(451)Демография-(1065)Дом-(47672)Журналистика и СМИ-(912)Изобретательство-(14524)Иностранные языки-(4268)Информатика-(17799)Искусство-(1338)История-(13644)Компьютеры-(11121)Косметика-(55)Кулинария-(373)Культура-(8427)Лингвистика-(374)Литература-(1642)Маркетинг-(23702)Математика-(16968)Машиностроение-(1700)Медицина-(12668)Менеджмент-(24684)Механика-(15423)Науковедение-(506)Образование-(11852)Охрана труда-(3308)Педагогика-(5571)Полиграфия-(1312)Политика-(7869)Право-(5454)Приборостроение-(1369)Программирование-(2801)Производство-(97182)Промышленность-(8706)Психология-(18388)Религия-(3217)Связь-(10668)Сельское хозяйство-(299)Социология-(6455)Спорт-(42831)Строительство-(4793)Торговля-(5050)Транспорт-(2929)Туризм-(1568)Физика-(3942)Философия-(17015)Финансы-(26596)Химия-(22929)Экология-(12095)Экономика-(9961)Электроника-(8441)Электротехника-(4623)Энергетика-(12629)Юриспруденция-(1492)Ядерная техника-(1748)

Ответьте на вопросы




1. Чем отличается сложный разрез от простого?

2. Когда применяют сложные разрезы?

3. Как подразделяются сложные разрезы в зависимости от положения секущих плоскостей?

4. Как обозначают сложные разрезы?

5. Всегда ли сложные разрезы надо обозначать?

Задания к § 34

Упражнение 132

Составьте конспект § 34. Укажите, какие бывают сложные разрезы, когда их применяют, как повертывают наклонную секущую плоскость при ломаном разрезе, как обозначают сложные разрезы.

Упражнение 133

На рис. 258 даны простые и сложные разрезы (ступенчатые и ломаные). Определите и запишите в тетради названия разрезов - простой (фронтальный, горизонтальный), сложный (ступенчатый, ломаный).


Форма записи:


Рис. 258. Задание на классификацию разрезов

Упражнение 134

На рис. 259, а-г только в одном случае разрез обозначен правильно. Запишите в тетради, на каком чертеже он обозначен правильно. В чем недостатки обозначения разреза на других чертежах?


Рис. 259. Задание на определение правильно обозначенного разреза

Упражнение 135

Определите и запишите в тетради, в каких примерах, данных на рис. 260, а-в, целесообразно применить ступенчатый разрез. Наложите на рис. 260 прозрачную бумагу и выполните на ней ступенчатый разрез в одном из примеров, где это надо сделать, и обозначьте его.


Рис. 260. Задание на выбор целесообразного разреза (ступенчатого)

Упражнение 136

Перечертите один из чертежей, приведенных на рис. 261. Выполните ступенчатый разрез и обозначьте его. Добавьте вид слева. Нанесите размеры.


Рис. 261. Задания на выполнение разрезов

Упражнение 137

Запишите в тетради, на каком чертеже ломаный разрез выполнен правильно (рис. 262). В чем недостатки неправильного изображения?


Рис. 262. Задание на определение правильно выполненного ломаного разреза

Упражнение 138

Определите и запишите в тетради, в каких примерах, данных на рис. 263, а-в, целесообразно применить ломаный разрез.

Наложите на рис. 263 прозрачную бумагу и выполните на ней ломаный разрез в одном из примеров, где это надо сделать.


Рис. 263. Задания на выбор целесообразного разреза (ломаного)

Упражнение 139

Выполните один из чертежей, приведенных на рис. 264. Постройте и обозначьте ломаный разрез. Нанесите размеры.


Рис. 264. Задания на выполнение ломаных разрезов

Упражнение 140

Возьмите в фильмотеке училища диафильм "Сечения и разрезы" и повторите с его помощью материал темы.

Задания на разные темы

Упражнение 141

Пользуясь конструктором для моделирования А. Н. Сальникова и прилагаемым к нему альбомом заданий, составьте пять-шесть моделей или сложите модели, представленные на рис. 265, а-г. (Конструктор для моделирования А. Н. Сальникова входит в комплект оборудования кабинета черчения.) При отсутствии конструктора изготовьте модели из дерева, пенопласта или другого материала.


Рис. 265. Задание для моделирования

Упражнение 142

На рис. 266 дано несколько заданий и по три ответа на каждое из них. Из трех ответов только один верный. Определите и запишите в тетради номера правильных ответов.


Форма записи:


Рис. 266. Задание на выбор правильных ответов

Упражнение 143

Прочтите чертеж (рис. 267). Письменно ответьте на следующие вопросы к чертежу.

1. Как называется деталь?

2. Из какого материала изготовляют деталь?

3. В каком масштабе выполнен чертеж?

4. Чему равна масса детали?

5. Как называются изображения, приведенные на чертеже?

6. Сколько отверстий в детали? Каковы их размеры и шероховатость поверхностей?

7. Что означают три окружности, проведенные штриховыми линиями на виде сверху?

8. Что изображено четырьмя вертикальными параллельными отрезками прямых линий на виде сверху?

9. Каковы габаритные размеры?

10. Какова шероховатость большей части поверхностей детали?


Рис. 267. Чертеж для чтения

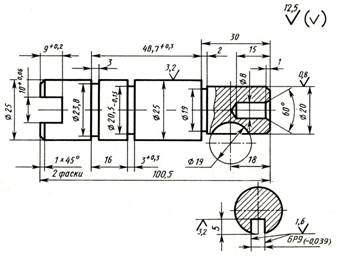
Упражнение 144

Прочтите чертеж (рис. 268). Письменно ответьте на следующие вопросы к чертежу.


Рис. 268. Чертеж для чтения

1. Как называются изображения, приведенные на чертеже?

2. Какова форма детали?

3. Что обозначают две горизонтальные прямые линии, расстояние между которыми 10 мм?

4. Как называется разрез, данный на чертеже?

5. Для какой цели выполнен этот разрез?

6. Для какой цели на чертеже приведено сечение?

7. Почему над сечением не дана надпись?

8. Какую форму и ширину имеет канавка ∅ 20,5 мм? Какова шероховатость ее поверхности?

9. Объясните смысл размера 10+0,06.

10. Подсчитайте предельные размеры ∅ 20,5-0,15.

11. Какова шероховатость поверхности ∅ 20 мм??

12. Какова шероховатость поверхности шпоночной канавки?

Упражнение 145

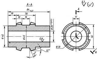
Прочтите чертеж (рис. 269). Письменно ответьте на следующие вопросы к чертежу.


Рис. 269. Чертеж для чтения

1. Как называется разрез, выполненный на чертеже?

2. Какова форма детали?

3. Почему на разрезе А-А в одном случае выступы диаметром 56 мм заштрихованы, а в другом нет?

4. Размер какого элемента детали обозначен ∅45, а какого числом 46 без значка ∅?

5. Какова шероховатость поверхностей детали?

Упражнение 146

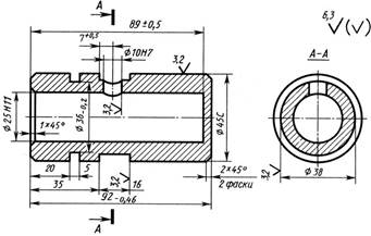
Прочтите чертеж (рис. 270). Письменно ответьте на следующие вопросы к чертежу.


Рис. 270. Чертеж для чтения

1. Как называются изображения, представленные на чертеже?

2. Объясните, почему изображение, помеченное буквами А-А, называется разрезом, а не сечением?

3. Сколько отверстий в детали? Каковы их размеры и шероховатость поверхностей?

4. Какими размерами надо воспользоваться, чтобы определить, где сверлить отверстие диаметром 10 мм?

5.Каковы диаметр и шероховатость цилиндрической поверхности канавки, ширина которой 16 мм?

6. Сколько фасок на детали? Каковы их размеры?

Упражнение 147

В примерах, приведенных на рис. 271, а-г, выполните простые разрезы и постройте третий вид. Нанесите размеры. В примере на рис. 271, в уберите те штриховые линии, которые окажутся ненужными.


Рис. 271. Задание на выполнение разрезов и построение третьего вида

Упражнение 148

Выполните соединение части вида и части фронтального разреза (слева от волнистой линии) и горизонтальный разрез А-А (рис. 272). Добавьте вид слева, на котором местным разрезом выявите отверстие диаметром 16 мм. Нанесите размеры.


Рис. 272. Задание для упражнения




Поделиться с друзьями:


Дата добавления: 2014-11-06; Просмотров: 4054; Нарушение авторских прав?; Мы поможем в написании вашей работы!


Нам важно ваше мнение! Был ли полезен опубликованный материал? Да | Нет



studopedia.su - Студопедия (2013 - 2026) год. Все материалы представленные на сайте исключительно с целью ознакомления читателями и не преследуют коммерческих целей или нарушение авторских прав! Последнее добавление




Генерация страницы за: 0.009 сек.