Студопедия

КАТЕГОРИИ:


Архитектура-(3434)Астрономия-(809)Биология-(7483)Биотехнологии-(1457)Военное дело-(14632)Высокие технологии-(1363)География-(913)Геология-(1438)Государство-(451)Демография-(1065)Дом-(47672)Журналистика и СМИ-(912)Изобретательство-(14524)Иностранные языки-(4268)Информатика-(17799)Искусство-(1338)История-(13644)Компьютеры-(11121)Косметика-(55)Кулинария-(373)Культура-(8427)Лингвистика-(374)Литература-(1642)Маркетинг-(23702)Математика-(16968)Машиностроение-(1700)Медицина-(12668)Менеджмент-(24684)Механика-(15423)Науковедение-(506)Образование-(11852)Охрана труда-(3308)Педагогика-(5571)Полиграфия-(1312)Политика-(7869)Право-(5454)Приборостроение-(1369)Программирование-(2801)Производство-(97182)Промышленность-(8706)Психология-(18388)Религия-(3217)Связь-(10668)Сельское хозяйство-(299)Социология-(6455)Спорт-(42831)Строительство-(4793)Торговля-(5050)Транспорт-(2929)Туризм-(1568)Физика-(3942)Философия-(17015)Финансы-(26596)Химия-(22929)Экология-(12095)Экономика-(9961)Электроника-(8441)Электротехника-(4623)Энергетика-(12629)Юриспруденция-(1492)Ядерная техника-(1748)

Завершение чертежа детали Кронштейн




Просмотрите документ. При создании чертежа Кронштейна система автоматически:

ü создала чертеж заданного формата;

ü создала в нем вид;

ü скопировала в этот вид геометрические объекты, подключенные к объекту спецификации;

ü заполнила графы Обозначение и Наименование в основной надписи.

Созданная заготовка чертежа нуждается в доработке.

· Откройте список поля Состояние видов на панели Текущее состояние и укажите строку 1 — вид номер 1 станет текущим.

Один из видов чертежа является текущим. Все новые объекты создаются в текущем виде и далее принадлежат именно этому виду. Если вы хотите работать с каким-то определенным видом (выполнять геометрические построения, проставлять размеры, добавлять обозначения и т.д.), обязательно сделайте этот вид текущим.

· Выполните клавиатурную команду < Ctrl > + < A > — на чертеже будет выделено все изображение.

· Нажмите кнопку Сдвиг на инструментальной панели Редактирование .

· С помощью привязки Ближайшая точка укажите базовую точку сдвига (точка 1).

· Укажите новое положение базовой точки сдвига в точке начала координат вида (точка 2).

· Нажмите кнопку Прервать команду .

· Щелкните мышью в пустом месте чертежа для отмены выделения объектов.

· Щелчком мыши выделите вид Сверху.

· Для того чтобы не нарушить проекционные связи между видами, нажмите кнопку Ортогональное черчение на панели Текущее состояние. Это позволит перемещать объекты мышью только в горизонтальном или вертикальном направлениях.

· Установите курсор на любой из выделенных объектов.

· Нажмите и не отпускайте левую кнопку мыши.

· Переместите вид Сверху в вертикальном направлении ближе к Главному виду.

· Выделите оба вида.

· Нажмите кнопку Симметрия на панели Редактирование .

· Включите кнопку Удалять исходные объекты в группе Режим на Панели свойств.

· Нажмите кнопку Выбор базового объекта на Панели специального управления.

· Укажите курсором вертикальную линию на Главном виде — система построит зеркальное изображение детали.

· Нажмите кнопку Прервать команду .

· Отключите кнопку Ортогональное черчение .

Для дальнейшей компоновки чертежа удобнее работать не с геометрическими объектами, содержащимися в виде, а со всем видом, как элементом структуры чертежа.

· Выполните команду Выделить – Вид – Указанием.

· Щелкните на чертеже внутри вида — вид будет выделен целиком. Признаком того, что выделен именно вид, будет дополнительная габаритная рамка, охватывающая его целиком.

· Установите курсор на любой из выделенных объектов и "перетащите" изображение вправо так, чтобы оно оказалось внутри рамки чертежа.

· Щелкните мышью в пустом месте чертежа для отмены выделения объектов.

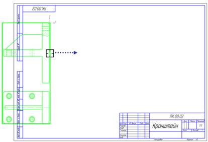
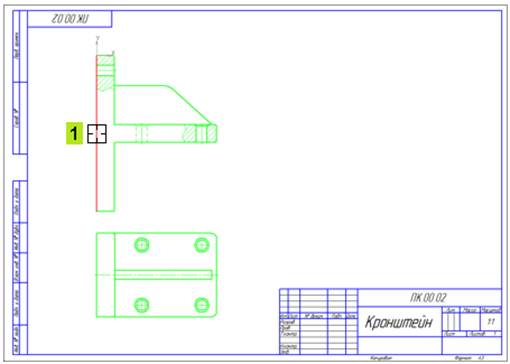
На сборочном чертеже отсутствует вид слева для детали Кронштейн, поэтому его придется построить вручную.

· Используя рисунок в начале урока в качестве образца, закончите чертеж самостоятельно.

· Сохраните на диске все открытые документы и закройте их окна.

 

 




Поделиться с друзьями:


Дата добавления: 2014-11-16; Просмотров: 1192; Нарушение авторских прав?; Мы поможем в написании вашей работы!


Нам важно ваше мнение! Был ли полезен опубликованный материал? Да | Нет



studopedia.su - Студопедия (2013 - 2026) год. Все материалы представленные на сайте исключительно с целью ознакомления читателями и не преследуют коммерческих целей или нарушение авторских прав! Последнее добавление




Генерация страницы за: 0.008 сек.