Студопедия

КАТЕГОРИИ:


Архитектура-(3434)Астрономия-(809)Биология-(7483)Биотехнологии-(1457)Военное дело-(14632)Высокие технологии-(1363)География-(913)Геология-(1438)Государство-(451)Демография-(1065)Дом-(47672)Журналистика и СМИ-(912)Изобретательство-(14524)Иностранные языки-(4268)Информатика-(17799)Искусство-(1338)История-(13644)Компьютеры-(11121)Косметика-(55)Кулинария-(373)Культура-(8427)Лингвистика-(374)Литература-(1642)Маркетинг-(23702)Математика-(16968)Машиностроение-(1700)Медицина-(12668)Менеджмент-(24684)Механика-(15423)Науковедение-(506)Образование-(11852)Охрана труда-(3308)Педагогика-(5571)Полиграфия-(1312)Политика-(7869)Право-(5454)Приборостроение-(1369)Программирование-(2801)Производство-(97182)Промышленность-(8706)Психология-(18388)Религия-(3217)Связь-(10668)Сельское хозяйство-(299)Социология-(6455)Спорт-(42831)Строительство-(4793)Торговля-(5050)Транспорт-(2929)Туризм-(1568)Физика-(3942)Философия-(17015)Финансы-(26596)Химия-(22929)Экология-(12095)Экономика-(9961)Электроника-(8441)Электротехника-(4623)Энергетика-(12629)Юриспруденция-(1492)Ядерная техника-(1748)

Расчет Т3, Т4




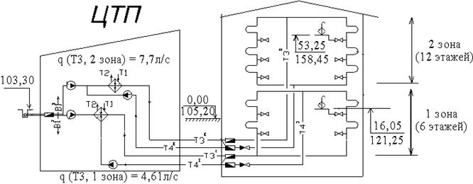
Высотная привязка системы Т3,Т4.

Представлена на рис. 14.

 

Расчетные расходы горячей воды в режиме водоразбора:

Верхней зоны (для всех 3-х зданий):

qсутТ3=130·1512=196,6 м3/сут;

qср.часТ3=196,6/24=8,19 м3/ч;

qmax.часТ3=0,005·20,8·200=20,8 м3/ч;

qТ3с=5·7,7·0,2=7,7 л/с;

 

Нижней зоны (для всех 3-х зданий):

qсутТ3=130·756=98,3 м3/сут;

qср.часТ3=98,3/24=4,09 м3/ч;

qmax.часТ3=0,005·11,65·200=11,65 м3/ч;

qТ3с=5·4,61·0,2=4,61 л/с;

 

Расходы для верхней зоны (для одного здания):

qсутТ3=130·504=65,52 м3/сут;

qср.чТ3=130·504/24=2,73 м3/час;

qmax.часТ3=0,005·8,4·200=8,4 м3/ч;

qТ3с=5·3,45·0,2=3,45 л/с;

 

Расходы для нижней зоны (для одного здания):

qсутТ3=130·252=32,76 м3/сут;

qср.чТ3=130·252/24=1,36 м3/час;

qmax.часТ3=0,005·4,99·200=4,99 м3/ч;

qТ3с=5·2,17·0,2=2,17 л/с;


 

Рис. 14. Высотная схема системы В1,В2,В11

 

Расчетные расходы тепла (для верхней зоны):

На водоразбор:

QТ3= с·r·qT3·(tT3-tВ1)

С=4,18 кДж/(кг · °С)

r=1000кг/м3

TТ3=55°С

TВ1=5°С

QТ3сут=4,18·1000·65,52·(55-5)=13693680 кДж/сут

QТ3ср.час=4,18·1000·2,73·(55-5)=570570 кДж/час

QТ3max.час=4,18·1000·8,4·(55-5)=1755600 кДж/час

QТ3с=4,18·1·3,45·(55-5) =721,05 кДж/с

 

Теплопотери в системе:

QтпТ4=SКтпТ4·p·di·Li·(1-h)·(tT3-t0окр.ср.)

KтпТ4 – коэффициент теплопроводности материала труб

h - коэффициент эффективности теплоизоляции

В связи с тем, что неизвестны диаметры трубопроводов, которые будут определены далее, потери тепла по укрупненной формуле:

QтпТ4 = КтпТ4·QT3

КтпТ4 – укрупненный коэффициент теплопотерь, определяемый в зависимости от наличия полотенцесушителей, протяженности квартирных сетей, принимаем=0,25

QтпТ4 = 0,25*13693680 = 3423420 кДж/сут;

Общий расход тепла:

QтпТ4,Т3 = (1+КтпТ4)·QT3 = (1+0,25)* 13693680 = 17117100 кДж/сут;

 

Расчетные расходы тепла (для нижней зоны):

На водоразбор:

QТ3= с·r·qT3·(tT3-tВ1)

С=4,18 кДж/(кг · °С)

r=1000кг/м3

TТ3=55°С

TВ1=5°С

QТ3сут=4,18·1000·32,76·(55-5)=6846840 кДж/сут

QТ3ср.час=4,18·1000·1,36·(55-5)=284240 кДж/час

QТ3max.час=4,18·1000·4,99·(55-5)=1042910 кДж/час

QТ3с=4,18·1·2,17·(55-5) =453,53 кДж/с

 

Теплопотери в системе:

QтпТ4=SКтпТ4·p·di·Li·(1-h)·(tT3-t0окр.ср.)

KтпТ4 – коэффициент теплопроводности материала труб

h - коэффициент эффективности теплоизоляции

В связи с тем, что неизвестны диаметры трубопроводов, которые будут определены далее, потери тепла по укрупненной формуле:

QтпТ4 = КтпТ4·QT3

КтпТ4 – укрупненный коэффициент теплопотерь, определяемый в зависимости от наличия полотенцесушителей, протяженности квартирных сетей, принимаем=0,25

QтпТ4 = 0,25*6846840 = 1711710 кДж/сут;

Общий расход тепла:

QтпТ4,Т3 = (1+КтпТ4)·QT3 = (1+0,25)* 6846840 = 8558550 кДж/сут;

 




Поделиться с друзьями:


Дата добавления: 2014-11-16; Просмотров: 1912; Нарушение авторских прав?; Мы поможем в написании вашей работы!


Нам важно ваше мнение! Был ли полезен опубликованный материал? Да | Нет



studopedia.su - Студопедия (2013 - 2026) год. Все материалы представленные на сайте исключительно с целью ознакомления читателями и не преследуют коммерческих целей или нарушение авторских прав! Последнее добавление




Генерация страницы за: 0.007 сек.