Студопедия

КАТЕГОРИИ:


Архитектура-(3434)Астрономия-(809)Биология-(7483)Биотехнологии-(1457)Военное дело-(14632)Высокие технологии-(1363)География-(913)Геология-(1438)Государство-(451)Демография-(1065)Дом-(47672)Журналистика и СМИ-(912)Изобретательство-(14524)Иностранные языки-(4268)Информатика-(17799)Искусство-(1338)История-(13644)Компьютеры-(11121)Косметика-(55)Кулинария-(373)Культура-(8427)Лингвистика-(374)Литература-(1642)Маркетинг-(23702)Математика-(16968)Машиностроение-(1700)Медицина-(12668)Менеджмент-(24684)Механика-(15423)Науковедение-(506)Образование-(11852)Охрана труда-(3308)Педагогика-(5571)Полиграфия-(1312)Политика-(7869)Право-(5454)Приборостроение-(1369)Программирование-(2801)Производство-(97182)Промышленность-(8706)Психология-(18388)Религия-(3217)Связь-(10668)Сельское хозяйство-(299)Социология-(6455)Спорт-(42831)Строительство-(4793)Торговля-(5050)Транспорт-(2929)Туризм-(1568)Физика-(3942)Философия-(17015)Финансы-(26596)Химия-(22929)Экология-(12095)Экономика-(9961)Электроника-(8441)Электротехника-(4623)Энергетика-(12629)Юриспруденция-(1492)Ядерная техника-(1748)

Короткое замыкание трансформатора




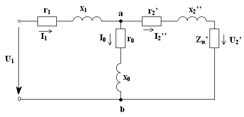
Схема замещения трансформатора с нагрузкой.

Расчеты токов и напряжений в трансформаторе, в котором первичная и вторичная обмотки гальванически разобщены, могут быть сведены к обычным расчетам разветвленной цепи переменного тока.

Для этой цепи составляется схема замещения трансформатора, процессы в которой описываются теми же уравнениями, что и процессы в трансформаторе (рис 1.84.)

 

Рис. 1.84. Т-образная схема замещения трансформатора с нагрузкой.

Здесь такие обозначения:

- приведенный ток || обмотки.

, - приведенное напряжение || обмотки.

Введем понятие приведенных сопротивлений

 

или

 

 

Отсюда следует:

 

 

Соответственно:

Где, Х1, Х2 – реактивное, и

r1, r2 – активное сопротивление | и || обмоток.

r0, Х0 – активное и реактивное сопротивления контура намагничивания (в режиме холостого хода.

Все параметры Т – образной схемы замещения определить сложно. Поэтому на практике используется упрощенная схема замещения (рис. 1.85).

Рис. (1.85) Упрощенная схема замещения трансформатора.

В этой схеме контур намагничивания отсутствует, т.к. ток холостого хода I0<<I2’, а активные и реактивные сопротивления обмоток объединены:

r т= r 1+ r2; x т= x1+x2.


Для экспериментального определения параметров режима короткого замыкания проводится опыт к.з. трансформатора.

Упрощенная схема замещения трансформатора при к.з. показана на рис. 1.86.

Рис. 1.86. Опыт к.з. трансформатора.

На первичную обмотку подается пониженное напряжение U1k = 0,1 Uном. Токи короткого замыкания, а также его активная мощность определяется в первичной и вторичной обмотках.

Затем полученные параметры пропорционально увеличиваются и таким образом определяются параметры в режиме аварийного короткого замыкания при U1=U1ном.





Поделиться с друзьями:


Дата добавления: 2014-11-18; Просмотров: 430; Нарушение авторских прав?; Мы поможем в написании вашей работы!


Нам важно ваше мнение! Был ли полезен опубликованный материал? Да | Нет



studopedia.su - Студопедия (2013 - 2026) год. Все материалы представленные на сайте исключительно с целью ознакомления читателями и не преследуют коммерческих целей или нарушение авторских прав! Последнее добавление




Генерация страницы за: 0.013 сек.