Студопедия

КАТЕГОРИИ:


Архитектура-(3434)Астрономия-(809)Биология-(7483)Биотехнологии-(1457)Военное дело-(14632)Высокие технологии-(1363)География-(913)Геология-(1438)Государство-(451)Демография-(1065)Дом-(47672)Журналистика и СМИ-(912)Изобретательство-(14524)Иностранные языки-(4268)Информатика-(17799)Искусство-(1338)История-(13644)Компьютеры-(11121)Косметика-(55)Кулинария-(373)Культура-(8427)Лингвистика-(374)Литература-(1642)Маркетинг-(23702)Математика-(16968)Машиностроение-(1700)Медицина-(12668)Менеджмент-(24684)Механика-(15423)Науковедение-(506)Образование-(11852)Охрана труда-(3308)Педагогика-(5571)Полиграфия-(1312)Политика-(7869)Право-(5454)Приборостроение-(1369)Программирование-(2801)Производство-(97182)Промышленность-(8706)Психология-(18388)Религия-(3217)Связь-(10668)Сельское хозяйство-(299)Социология-(6455)Спорт-(42831)Строительство-(4793)Торговля-(5050)Транспорт-(2929)Туризм-(1568)Физика-(3942)Философия-(17015)Финансы-(26596)Химия-(22929)Экология-(12095)Экономика-(9961)Электроника-(8441)Электротехника-(4623)Энергетика-(12629)Юриспруденция-(1492)Ядерная техника-(1748)

Вимірювання рівнів




Вимірювання рівнів наповнення рідин у різних резервуарах та баках займають значне місце в різних галузях промисловості, науки та техніки.

Основними групами рівнемірів є: візуальні (за допомогою водомірного скла); гідростатичні, в яких рівень визначають за значенням тиску рідини на дно резервуара з наступним вимірюванням різниці даного тиску та атмосферного за допомогою диференціального манометра; електромеханічні та механічні, зокрема поплавкові та буйкові; електричні, в яких рівень перетворюється в зміну електричного опору (кондуктометричні) або в зміну ємності (ємнісні).

Розглянемо деякі найпоширеніші типи рівнемірів, що застосо­вуються в промисловості.

Поплавкові рівнеміри. Принцип роботи поплавкових рівнемірів оснований на відслідковуванні рівня рідини за допомогою поплавка. Поплавок, маючи питому густину, значно меншу, ніж рідина, завжди знаходиться на її поверхні і переміщується з переміщенням вимірюваного рівня рідини. Переміщення поплавка перетворюється у вихідний сигнал відлікових пристроїв, що може здійснюватись як за допомогою звичайних механічних пристроїв, так і з перетворенням переміщення в електричний сигнал за допомогою різних вимірювальних перетворювачів.

Найпростішими є механічні рівнеміри, в яких поплавок підвіше­ний на так званій мірній стрічці. При зміні рівня рідини та відповідному переміщенні мірної стрічки, яка має перфорацію, стрічка входить в зачеплення з виступами мірного шківа механічного відлікового пристрою.

Відліковий механізм – це десятковий лічильник із трьох або чотирьох барабанів з ціною найменшої поділки 1 мм. Застосовуються такі рівнеміри для вимірювань рівнів рідких нафтопродуктів і мають верхню границю вимірювань до 20 м і абсолютну похибку вимірювання в межах до ±4 мм.

На рис. 2.6 наведена принципова схема поплавкового рівнеміра з реостатним перетворювачем переміщення та логометричним вимірю­вальним приладом для вимірювання рівня пального в баках автомобілів та літаків. Поплавок розміщений в баку з досліджуваним рівнем і меха­нічно зв'язаний з повзунком реостатного перетворювача . Резистори та служать для узгодження параметрів перетворювача та логометра для забезпечення заданого діапазону вимірювань.

 

 

Рисунок - 2.6 Схема поплавкового рівнеміра

 

При зміні досліджуваного рівня та відповідному переміщенні поплавка повзунок реостатного перетворювача, змінюючи співвідно­шення опорів у колах рамок логометра, змінює і відношення струмів, а тим самим відхилення α стрілки та покази логометра

(2.12)

 

Шкала таких рівнемірів градуюється в значеннях вимірюваного рівня або в частках максимального рівня, прийнятого за одиницю.

До переваг логометричних кіл належить незмінність показів при коливанні напруги джерела живлення та незначний вплив опору лінії.

Вторинними перетворювачами поплавкових рівнемірів можуть бути також індуктивні чи взаємоіндуктивні перетворювачі переміщень.

Буйкові рівнеміри. Їх робота базується на використанні виштовхувальної сили, що діє на занурене у рідину тіло (буйок) у вигляді циліндра, довжина якого значно більша від його діаметра (рис.2.7), а питома густина значно більша від питомої густини досліджуваної рідини.

Такий буйок 1 механічно з'єднаний з чутливим елементом 2 вторинного перетворювача, а його переміщення обмежується за допомогою пружини 3, закріпленої одним кінцем до верхньої частини буйка, а другим до нерухомої частини перетворювача. Такий буйок, що вільно підвішений на пружині, служить масштабним перетворювачем порівняно великих змін рівня (до 10...20 м) у порівняно невеликі переміщення буйка та чутливого елемента вторинного перетворювача. Залежно від рівня рідини на буйок буде діяти підйомна сила, внаслідок чого пружина стискається, а чутливий елемент, яким може бути, наприклад, плунжер індуктивного чи взаємоіндуктивного перетворювача, переміщується, змінюючи відповідно вихідну індуктив­ність (повний електричний опір) чи вихідну ЕРС.

Функцію перетворення буйкового перетворювача можна визна­чити, виходячи з таких положень. При зануренні буйка в досліджувану рідину на нього буде діяти виштовхувальна сила

 

, (2.13)

 

де Н – рівень рідини; х – переміщення буйка; S – площа поперечного перерізу буйка; – питома густина рідини; g – земне прискорення.

Сила пружності пружини змінилася на величину Fпр=Wx, де W – штивність (жорсткість) пружини.

Прирівнявши ці дві сили, одержимо

. (2.14)

 

Вторинними вимірювальними приладами рівнемірів з буйковим перетворювачем можуть бути прилади типу КПД чи КСД (з компенсаційним вимірювальним колом з диференціально-трансформаторними перетворювачами), рис.2.8.

 

Рисунок 2.8 - Схема буйкового рівнеміра з диференціально-трансформаторними перетворювачами.

 

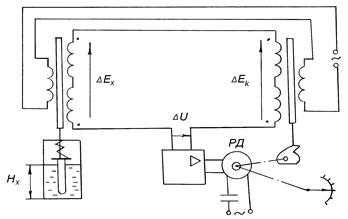
Останнім часом широко застосовуються буйкові та поплавкові рівнеміри з силовою компенсацією, а також статичного зрівноважувального перетворення (рис. 2.9). Вихідною величиною в таких вимі­рювачах є струм. Буйкові рівнеміри такого типу з уніфікованим вихідним сигналом 0...5 та 0...20 мА призначаються для вимірювань рівня рідин в технічних посудинах з рівнем заповнення до 10...16 м, їх зведена похибка знаходиться в межах до1,5 %.

Рисунок 2.9 - Схема буйкового рівнеміра зрівноважувального перетворення

 

Принцип дії рівнемірів зрівноважувального перетворення такий. При зануренні буйка в досліджувану рідину на нього буде діяти виштовхувальна сила Fx, що приводить до переміщення буйка. Це переміщення за допомогою коромисла перетворюється в поворот осердя диференціально-трансформаторного перетворювача. Нерухома частина магнітопроводу виконана у вигляді Ш-подібного осердя.

На середньому його стержні намотана первинна намагнічуюча обмотка, що живиться від джерела змінної напруги. Дві ідентичні вимірювальні обмотки, намотані на крайні стержні, утворюють два ідентичні перетворювальні елементи. Обмотки з'єднані послідовно і зустрічно.

Диференціально-трансформаторний перетворювач побудований так, що при нульовому значенні вимірюваного рівня чи деякому його номінальному значенні рухоме осердя займає симетричне щодо обох перетворювальних елементів положення, наведені в них ЕРС будуть однаковими, а їх різниця дорівнюватиме нулю. Зі зміною вимірюваного рівня і відповідним переміщенням рухомого осердя змінюються магнітні потоки в окремих перетворювальних елементах і наведені в них ЕРС. З'являється деяка різниця ЕРС, яка подається на підсилювач, вихідна напруга якого після перетворення змінного струму в постійний подається до вимірювальної обмотки зворотного магнітоелектричного перетво­рювача.

Струм Ix, що проходить через вимірювальну обмотку, взаємо­діючи з полем постійного магніту, створює компенсуючу силу Fk, спрямовану назустріч силі Fx. Струм, що протікатиме в момент рівноваги цих сил, буде мірою вимірюваного рівня. Для точніших вимірю­вань струму Ix, використовують компенсатори постійного струму, що вимірюють спад напруги на вимірювальній котушці.

Ємнісні рівнеміри відрізняються універсальністю, високою чутли­вістю, простотою вимірювального кола, відсутністю рухомих елементів в зоні вимірюваного рівня. Однією з основних проблем при побудові ємнісних рівнемірів є компенсація змін відносних діелектричних сталих середовища, рівень якого вимірюють, та повітря між обкладинками вимірювального перетворювача в зоні, що не заповнена досліджуваним середовищем.

На рис.2.10 показана схема рівнеміра, в якій передба­чене виключення впливу зміни названих діелектричних сталих за допомогою компенсуючих конденсаторів. Давач рівнеміра (рис.2.9, а) має робочий конденсатор Сх та три компенсуючі конденсатори, два з яких (Сn1 та Сn2) знаходяться у повітрі і один (Сk) повністю занурений в досліджуване середовище.

 

Рисунок 2.10 - Структура давача а) та схема ємнісного рівнеміра б)

 

Вимірювальне коло такого рівнеміра складається з генератора змінної напруги, підсилювача, вольтметра та двох трансформаторів Тр1 та Тр2 і працює в режимі статичного зрівноважувального перетворення. Якщо коефіцієнт підсилення достатньо великий, то можна вважати, що напруга на його вході, зашунтованому паразитною ємністю Спр, буде наближатись до нуля, а це означає, що практично буде дорівнювати нулю сума струмів, які надходять на вхід підсилювача через ємності Ср, Сn1, Сn2 , та Сk

 

(2.15)

 

де U та Uв, – відповідно напруга на виході генератора Г та покази вольтметра.

Якщо значення ємностей записати через довжини li відповідних конденсаторів, вимірюваний рівень через Hx,, ємність на одиницю довжини відповідного конденсатора в повітрі С0 та відносну діелектрич­ну сталу досліджуваного середовища, тобто Сn10 ln1; Сn20 ln2; Сk0 εx lk; Ср0x εx +lp Нx), то одержимо

 

(2.16)

 

а при забезпеченні рівності W6 ln2=W5 lk та W2 lp=W3 ln1 матимемо

 

(2.17)

 

Отже, покази вольтметра будуть пропорційними вимірюваному рівню Hx і не залежатимуть від значення діелектричної сталої .

Однією з мостових схем рівнеміра, розроблених в Інституті електродинаміки АН України, є схема (рис. 2.10) з додаванням струмів через ємнісні елементи Сx, Сn та Сk – робочий ємнісний перетворювач та компенсаційні, що знаходяться відповідно в повітрі та досліджуваному середовищі.

 

Рисунок 2.10 - Мостова схема ємнісного рівнеміра з додаванням струмів

 

Для того, щоб сума струмів та I1, I2,та I3, дорівнювала нулю

 

(2.18)

 

регулюють відношення витків .

Якщо ємності відповідних конденсаторів записати через їх дов­жину (зокрема, вимірюваний рівень Hx) та погонну ємність Сi*, забезпечивши Сx*=Сk*, а також , то відлік вимірюваного рівня може бути здійснений за кількістю витків W3.

Зведена похибка кращих зразків ємнісних рівнемірів не перевищує 1%.


Контрольні запитання:

1) Що відносять до поняття «геометричний розмір»?

2) Наведіть класифікацію методів вимірювання лінійних та кутових розмірів.

3) Поясніть принцип дії ємнісного профілометра.

4) Назвіть переваги віброконтактного методу вимірювань геометричних розмірів.

5) Наведіть приклади вимірювальних кіл ємнісних штангенциркулів.

6) Поясніть принцип дії індуктивних вихрострумових перетворювачів.

7) Нарисуйте схему вихрового товщиноміра, та поясніть принцип її дії.

8) Як використовують взаємоіндуктивні перетворювачі для вимірювання товщини гальванічного покриття?

9) Назвіть всі відомі вам руйнівні методи вимірювання товщини шару покриття.

10) На чому засновано принцип роботи поплавкових рівнемірів?

11) Нарисуйте схему поплавкового рівнеміра та поясніть як вона працює.

12) Нарисуйте структурну схему та поясніть принцип дії буйкового перетворювача рівня рідини.

13) Поясніть принцип дії рівнемірів зрівноважувального перетворення.

14) Назвіть переваги та недоліки ємнісних рівнемірів.

15) Нарисуйте схему буйкового рівнеміра зрівноважувального перетворення.

 

Лекція 3




Поделиться с друзьями:


Дата добавления: 2014-11-18; Просмотров: 1782; Нарушение авторских прав?; Мы поможем в написании вашей работы!


Нам важно ваше мнение! Был ли полезен опубликованный материал? Да | Нет



studopedia.su - Студопедия (2013 - 2025) год. Все материалы представленные на сайте исключительно с целью ознакомления читателями и не преследуют коммерческих целей или нарушение авторских прав! Последнее добавление




Генерация страницы за: 0.014 сек.