Студопедия

КАТЕГОРИИ:


Архитектура-(3434)Астрономия-(809)Биология-(7483)Биотехнологии-(1457)Военное дело-(14632)Высокие технологии-(1363)География-(913)Геология-(1438)Государство-(451)Демография-(1065)Дом-(47672)Журналистика и СМИ-(912)Изобретательство-(14524)Иностранные языки-(4268)Информатика-(17799)Искусство-(1338)История-(13644)Компьютеры-(11121)Косметика-(55)Кулинария-(373)Культура-(8427)Лингвистика-(374)Литература-(1642)Маркетинг-(23702)Математика-(16968)Машиностроение-(1700)Медицина-(12668)Менеджмент-(24684)Механика-(15423)Науковедение-(506)Образование-(11852)Охрана труда-(3308)Педагогика-(5571)Полиграфия-(1312)Политика-(7869)Право-(5454)Приборостроение-(1369)Программирование-(2801)Производство-(97182)Промышленность-(8706)Психология-(18388)Религия-(3217)Связь-(10668)Сельское хозяйство-(299)Социология-(6455)Спорт-(42831)Строительство-(4793)Торговля-(5050)Транспорт-(2929)Туризм-(1568)Физика-(3942)Философия-(17015)Финансы-(26596)Химия-(22929)Экология-(12095)Экономика-(9961)Электроника-(8441)Электротехника-(4623)Энергетика-(12629)Юриспруденция-(1492)Ядерная техника-(1748)

Назначение и устройство модемов




 

Аппаратно модемы выполняются либо как отдельная плата, вставляемая в слот на материнской плате компьютера, либо в виде отдельного корпуса с блоком питания, который подключается к последовательному асинхронному порту компьютера. Первый из них называется внутренним модемом, а второй - внешним. Внешний модем имеет восемь стандартных световых индикаторов.

Типичный модем содержит следующие компоненты: контроллер КМ, интерфейс последовательного порта ИПП, ОЗУ, ППЗУ, модемный процессор МП, приемный и передающий тракты. Перепрограммируемая постоянная память предназначена для сохранения конфигурации модема при выключении питания. Внешние модемы оснащаются динамиком, позволяющим выполнять звуковой контроль связи. Структура модема представлена на рис.6.1.

Рис.6.1. Структура модема.

 

Передающий тракт модема образован последовательно включенными скремблером Ск, относительным кодером ОК, модулятором М и эквалайзером Экв. Приемный тракт состоит из адаптивного эквалайзера АЭкв, каскада промежуточной частоты КПЧ, системы управления эквалайзером СУЭ, демодулятора ДМ, декодера относительного кода ДОК и дескремблера ДСк. Передатчик и приемник подключаются к каналу связи КС через эхо-компенсатор ЭК.

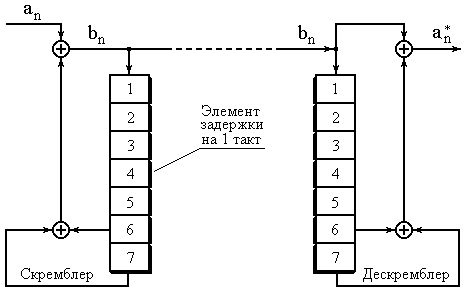
Энергетический спектр информационного сигнала перед модуляцией преобразуется так, чтобы он имел минимальный уровень постоянной составляющей. Задача этого преобразования решается скремблером (scramble - перемешивание), принцип работы которого иллюстрирует рис.6.2.

Рис.6.2. Схема скремблирования информационного сигнала.

 

Для схемы, изображенной на рисунке, выходная последовательность определяется следующим выражением:

На выходе дескремблера осуществляется обратное преобразование по следующей формуле:

Существует два вида скремблирования: самосинхронизирующееся и аддитивное. Самосинхронизирующийся скремблер управляется самой скремблируемой последовательностью. При потере синхронизма между скремблером и дескремблером время на восстановление не превышает числа тактов, равного числу ячеек регистра скремблера. Пример преобразования приведен в табл.6.1.

Табл.6.1.

               
               
               

Аддитивное скремблирование реализуется начальной установкой регистров системы. Этот вид позволяет исключить размножение ошибочных битов.

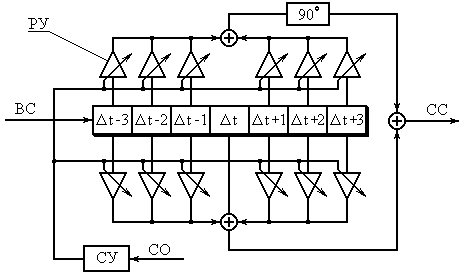
Адаптивный эквалайзер приемника и эквалайзер передатчика предназначены для компенсации нелинейных искажений, вносимых каналом связи (рис.6.3.).

Рис.6.3..Адаптивный эквалайзер.

 

Управление эквалайзером осуществляется на основе сигнала ошибки СО, формируемого демодулятором приемника. Основным элементом устройства является линия задержки и регулируемые усилители РУ. Система управления СУ позволяет выбрать такое соотношение задержанных сигналов, которое обеспечивает оптимальную корректировку нелинейных искажений КС.

Общая форма передачи данных по протоколам с коррекцией ошибок следующая: данные передаются отдельными блоками (пакетами) по 16-20000 байт, в зависимости от качества связи. Каждый блок снабжается заголовком, в котором указана проверочная информация, например контрольная сумма блока. Принимающий компьютер самостоятельно подсчитывает контрольную сумму каждого блока и сравнивает ее с контрольной суммой из заголовка блока. Если эти две контрольный суммы совпали, принимающая программа считает, что блок передан без ошибок. В противном случае принимающий компьютер передает передающему запрос на повторную передачу этого блока.

 




Поделиться с друзьями:


Дата добавления: 2014-11-18; Просмотров: 708; Нарушение авторских прав?; Мы поможем в написании вашей работы!


Нам важно ваше мнение! Был ли полезен опубликованный материал? Да | Нет



studopedia.su - Студопедия (2013 - 2026) год. Все материалы представленные на сайте исключительно с целью ознакомления читателями и не преследуют коммерческих целей или нарушение авторских прав! Последнее добавление




Генерация страницы за: 0.009 сек.