Студопедия

КАТЕГОРИИ:


Архитектура-(3434)Астрономия-(809)Биология-(7483)Биотехнологии-(1457)Военное дело-(14632)Высокие технологии-(1363)География-(913)Геология-(1438)Государство-(451)Демография-(1065)Дом-(47672)Журналистика и СМИ-(912)Изобретательство-(14524)Иностранные языки-(4268)Информатика-(17799)Искусство-(1338)История-(13644)Компьютеры-(11121)Косметика-(55)Кулинария-(373)Культура-(8427)Лингвистика-(374)Литература-(1642)Маркетинг-(23702)Математика-(16968)Машиностроение-(1700)Медицина-(12668)Менеджмент-(24684)Механика-(15423)Науковедение-(506)Образование-(11852)Охрана труда-(3308)Педагогика-(5571)Полиграфия-(1312)Политика-(7869)Право-(5454)Приборостроение-(1369)Программирование-(2801)Производство-(97182)Промышленность-(8706)Психология-(18388)Религия-(3217)Связь-(10668)Сельское хозяйство-(299)Социология-(6455)Спорт-(42831)Строительство-(4793)Торговля-(5050)Транспорт-(2929)Туризм-(1568)Физика-(3942)Философия-(17015)Финансы-(26596)Химия-(22929)Экология-(12095)Экономика-(9961)Электроника-(8441)Электротехника-(4623)Энергетика-(12629)Юриспруденция-(1492)Ядерная техника-(1748)

Фасонные резцы




 

1.5.1. Варианты заданий по проектированию фасонных резцов (табл. 1.1, табл. 1.2., табл. 1.3., табл. 1.4; рис. 1.1–1.3).

 

Таблица 1.1

 

Материал изделия, обрабатываемого фасонным резцом

 

№ варианта Материал изделия s, МН/м2 d,%
1   3 4
  Сплав АЛ-9    
  Сплав Д16Т    

Окончание табл. 1.1

 

1   3 4
  Сплав АЛ8    
  Медь    
  Сталь 20    
  Латунь ЛТ90    
  Сплав МЛ 5    
  Сплав АМг 11    
  Сплав АМц 11    
  СплавВМЛ-1    

 

Отклонения диаметральных и длинновых размеров принимать по h 9.

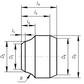
Рис. 1.1. Эскиз детали

 

Таблица 1.2

Варианты заданий на фасонный резец

 

Тип резца D 1, мм D 2, мм D 3, мм D 4, мм l 1, мм l 2, мм l 3, мм l 4, мм R, мм
№ варианта
круг-лый призма-тический                  
1 2 3 4 5 6 7 8 9 10 11
                    2,5
                    2,5
                    3,0
                    3,0

Окончание табл. 1.2

 

1 2 3 4 5 6 7 8 9 10 11
                    4,0
                    3,5
                    3,0
                    3,0
                    3,5
                    4,0

 

Рис. 1.2. Эскиз детали

 

Таблица 1.3

Варианты заданий на фасонный резец

 

Тип резца D, мм l 1, мм l 2, мм R, мм
№ варианта
круглый призматиче-ский
           
      б    
           
      7,5    
           
           
           
           
           
           
             

 

Рис. 1.3. Эскиз детали

 

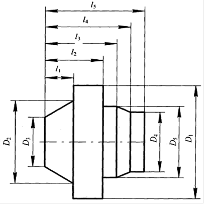
Таблица 1.4

 

Варианты заданий на фасонный резец

 

Тип резца D 1, мм D 2, мм D 3, мм D 4, мм D 5, мм l 1, мм l 2, мм l 3, мм l 4, мм l 5, мм
№ варианта
                       
                       
                       
                       
                       
                       
                       
                       
                       
                       

 

 

Рис. 1.4. Эскиз детали

 

Таблица 1.5

 

Варианты заданий на фасонный резец

 

Тип резца D 1, мм D 2, мм D 3, мм D 4, мм l 1, мм l 2, мм l 3, мм l 4, мм
№ варианта
круг-лый призматичес-кий
                   
                   
                   
                   
                   
                   
                   
                   
                   
                   

 

Рис. 1.5. Эскиз детали

 

Таблица 1.6

 

Варианты заданий на фасонный резец

 

Тип резца D 1, мм D 2, мм D 3, мм R, мм l 1, мм l 2, мм l 3, мм
№ варианта
круг-лый призматичес-кий
                 
                 
                 
                 
                 
          12,5      
                 
                 
                 
          12,5      

 

1.5.2. Выполняют рабочий чертеж обрабатываемой детали в масштабе 1:1 или 2:1 с указанием размеров на всех узловых точках, по которым будет проводиться коррекционный расчет.

Назначают материал резца в зависимости от материала детали. Назначают с учетом материала резца и детали передний угол резца в точке, которая будет обрабатывать наименьший диаметр изделия.

Назначают задний угол для той же точки. При назначении задних углов следует помнить о том, чтобы в сечениях, нормальных к режущим кромкам, расположенным под углом к оси изделия, их величины получились не менее 2–3°.

1.5.3. Выбирают и обосновывают конструкцию резца и способ крепления его в державке.

1.5.4. Рассчитывают габаритные размеры резца:

а) определяют глубины профиля детали в радиальном направлении;

б) определяют диаметр оправки для круглого резца. Для этого в зависимости от условий резания и требований к шероховатости поверхности назначают подачи и определяют усилия резания. По усилию резания и способу крепления выбирают по таблицам или рассчитывают диаметр оправки;

в) подсчитывают наружный диаметр круглого фасонного резца.

Параметры призматического резца рассчитывают по формулам или выбирают по таблицам в зависимости от глубины профиля и ширины обрабатываемой детали. При назначении ширины резца, как круглого, так и призматического, необходимо принять во внимание ширину дополнительных режущих кромок на краях резца (для снятия фаски и обозначения участка отрезания детали от прутка).

1.5.5. Выполняют графический расчет профиля резца.

1.5.6. Подсчитывают задние углы в различных точках профиля резца в сечениях, перпендикулярных проекциям режущей кромки на радиальную плоскость, и строят график их изменения. Для этой цели по оси ординат откладывают величину углов, а по оси абсцисс – осевые размеры между угловыми точками профиля. По полученному графику делают вывод о возможности нормальной работы инструмента или принимают дополнительные меры по улучшению геометрии резца.

1.5.7. Выполняют рабочий чертеж.

 




Поделиться с друзьями:


Дата добавления: 2014-11-18; Просмотров: 491; Нарушение авторских прав?; Мы поможем в написании вашей работы!


Нам важно ваше мнение! Был ли полезен опубликованный материал? Да | Нет



studopedia.su - Студопедия (2013 - 2026) год. Все материалы представленные на сайте исключительно с целью ознакомления читателями и не преследуют коммерческих целей или нарушение авторских прав! Последнее добавление




Генерация страницы за: 0.01 сек.