Студопедия

КАТЕГОРИИ:


Архитектура-(3434)Астрономия-(809)Биология-(7483)Биотехнологии-(1457)Военное дело-(14632)Высокие технологии-(1363)География-(913)Геология-(1438)Государство-(451)Демография-(1065)Дом-(47672)Журналистика и СМИ-(912)Изобретательство-(14524)Иностранные языки-(4268)Информатика-(17799)Искусство-(1338)История-(13644)Компьютеры-(11121)Косметика-(55)Кулинария-(373)Культура-(8427)Лингвистика-(374)Литература-(1642)Маркетинг-(23702)Математика-(16968)Машиностроение-(1700)Медицина-(12668)Менеджмент-(24684)Механика-(15423)Науковедение-(506)Образование-(11852)Охрана труда-(3308)Педагогика-(5571)Полиграфия-(1312)Политика-(7869)Право-(5454)Приборостроение-(1369)Программирование-(2801)Производство-(97182)Промышленность-(8706)Психология-(18388)Религия-(3217)Связь-(10668)Сельское хозяйство-(299)Социология-(6455)Спорт-(42831)Строительство-(4793)Торговля-(5050)Транспорт-(2929)Туризм-(1568)Физика-(3942)Философия-(17015)Финансы-(26596)Химия-(22929)Экология-(12095)Экономика-(9961)Электроника-(8441)Электротехника-(4623)Энергетика-(12629)Юриспруденция-(1492)Ядерная техника-(1748)

Принцип действия асинхронного двигателя




Принцип создания вращающего магнитного поля статорной обмоткой

 

Рассматривая положение векторов тока в различные моменты времени, мы увидим, что трехфазная обмотка будет создавать вращающее магнитное поле,

рис. 82.

Статор служит для создания вращающего магнитного поля и передачи энергии со статора на ротор.

2. Ротор – выполнен в виде сплошного цилиндра, набранного из листов электротехнической стали. С наружи имеются пазы где укладывается обмотка. Железо ротора насажено на вал. Между статором и ротором имеется воздушный зазор d = 0,3 ¸ 1,5 мм.

 

Рис. 82

 

При включении обмотки статора в сеть, создается вращающееся магнитное поле, рис. 83. Это поле пересекая обмотку ротора наводит в ней ЭДС. Под действием этой ЭДС по обмотке будет протекать ток. Этот ток будет взаимодействовать с магнитным потоком. Взаимодействие вращающего магнитного поля статора с током в роторе создает вращающий момент, за счет которого ротор будет вращаться в ту же сторону, что и поле, но с небольшим отставанием.

 

Рис. 83

При вращении поля n1 в проводнике ротора наведется ЭДС направленная к нам (правило правой руки). Ток в проводнике также будет направлен к нам. По правилу левой руки проводник с током попал в магнитное поле на него будет действовать сила f, под действием которой ротор будет вращаться в туже сторону, что и магнитное поле статора.

На рисунке n1 – скорость магнитного поля статора; n – скорость ротора; S – скольжение.

Для двигателей обычной серии номинальное скольжение Sн = 0,02 ¸ 0,05 Скольжение зависит от нагрузки. Чем больше нагрузка (n¯), тем больше скольжение.

По конструкции ротора асинхронные машины делятся:

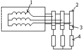
1. Асинхронная машина с фазным ротором, рис. 84

Рис. 84

1. обмотки

2. контактные кольца

3. щетки

4. сопротивления

2. Асинхронная машина с короткозамкнутым ротором, рис. 85.

Рис. 85




Поделиться с друзьями:


Дата добавления: 2014-11-20; Просмотров: 405; Нарушение авторских прав?; Мы поможем в написании вашей работы!


Нам важно ваше мнение! Был ли полезен опубликованный материал? Да | Нет



studopedia.su - Студопедия (2013 - 2026) год. Все материалы представленные на сайте исключительно с целью ознакомления читателями и не преследуют коммерческих целей или нарушение авторских прав! Последнее добавление




Генерация страницы за: 0.013 сек.