Студопедия

КАТЕГОРИИ:


Архитектура-(3434)Астрономия-(809)Биология-(7483)Биотехнологии-(1457)Военное дело-(14632)Высокие технологии-(1363)География-(913)Геология-(1438)Государство-(451)Демография-(1065)Дом-(47672)Журналистика и СМИ-(912)Изобретательство-(14524)Иностранные языки-(4268)Информатика-(17799)Искусство-(1338)История-(13644)Компьютеры-(11121)Косметика-(55)Кулинария-(373)Культура-(8427)Лингвистика-(374)Литература-(1642)Маркетинг-(23702)Математика-(16968)Машиностроение-(1700)Медицина-(12668)Менеджмент-(24684)Механика-(15423)Науковедение-(506)Образование-(11852)Охрана труда-(3308)Педагогика-(5571)Полиграфия-(1312)Политика-(7869)Право-(5454)Приборостроение-(1369)Программирование-(2801)Производство-(97182)Промышленность-(8706)Психология-(18388)Религия-(3217)Связь-(10668)Сельское хозяйство-(299)Социология-(6455)Спорт-(42831)Строительство-(4793)Торговля-(5050)Транспорт-(2929)Туризм-(1568)Физика-(3942)Философия-(17015)Финансы-(26596)Химия-(22929)Экология-(12095)Экономика-(9961)Электроника-(8441)Электротехника-(4623)Энергетика-(12629)Юриспруденция-(1492)Ядерная техника-(1748)

Защита от электропоражений




Электробезопасность в производственных условиях обеспечивается соот­ветствующей конструкцией электроустановок, техническими способами и сред­ствами защиты, организационными и техническими мероприятиями.

От случайного прикосновения к токоведущим частям защищают следую­щие меры и технические средства: защитные оболочки и ограждения; безопас­ное расположение токоведущих частей; изоляция рабочего места; предупреж­дающая сигнализация и знаки безопасности; изоляция (рабочая, двойная); бло­кировки (механические, электрические, фотоэлектрические) и пр.

Для защиты от прикосновения к нетоковедущим частям, которые могут оказаться под напряжением, служат следующие меры и технические средства; защитное заземление и зануление; защитное отключение; малое напряжение; средства индивидуальной защиты (рис. 8.9).

 

 
 

 

 


Рис. 8.9. Меры защиты от электропоражений (28)

Защитным заземлением называется преднамеренное соединение с землей металлических нетоковедущих частей электроустановок, которые могут оказаться под напряжением (рис. 8.10).

 

 

1 заземляющий проводник; 2 заземлитесь

 

Рис. 8.10. Защитное заземление электроустановки

 

Оно является эффективной мерой защиты в трехфазных сетях с изолиро­ванной нейтралью (трехпроходные сети) до 1000В и выше 1000В с любым ре­жимом нейтрали. Защитное заземление снижает до безопасного уровня напря­жение прикосновения и шага за счет уменьшения потенциала относительно земли из-за малого сопротивления заземления. Различают два типа заземляю­щих устройств: выносное и контурное.

Выносное заземляющее устройство (рис. 8.11) характеризуется тем, что заземлитель вынесен за пределы площади, на которой размещено электрообо­рудование [42].

1 заземляющее устройства; 2 заземляющие проводники;

3 электроустановки

 

Рис. 8.11. Выносное заземление

Недостатком данного типа заземляющего устройства является то, что за­землитель отдален от оборудования и коэффициент прикосновения а = 1. Дос­тоинством является возможность выбора участка грунта с минимальным удель­ным сопротивлением (сырой, глинистый).

Контурное заземляющее устройство (рис. 8.12) характеризуется тем, что его заземлители равномерно размещены по контуру площади, где размещено электрооборудование, при этом обеспечивается выравнивание потенциалов и снижение напряжений прикосновения и шага до допустимых величин.

 

 

 

Рис. 8.12. Контурное заземление и выравнивание потенциалов

 

Для искусственных заземлителей применяют обычно вертикальные и го­ризонтальные электроды. В качестве вертикальных электродов используют стальные трубы диаметром 3 - 5 см и угловую сталь размером от 40x40 до 60x60 мм, длиной 2,5 - 3 м. Находят применение стальные прутки диаметром 10 - 12 мм и длиной до 10 м. Для связи вертикальных электродов и как самостоя­тельный горизонтальный электрод применяется полосовая сталь сечением не менее 4x12 мм или сталь круглого сечения диаметром не менее 6 мм.

Размещение электродов заземлителя производится с учетом выбранного типа заземлителя, площади участка, размещения на нем оборудования и других условий. Стержневые электроды располагают обычно на расстоянии 2 - 3 м друг от друга на глубине 0,7 м (рис. 8.13). Верхние концы погруженных в зем­лю вертикальных электродов соединяют стальной полосой с помощью сварки.

 

1 – заземлитель; 2– промежуточный проводник

 

Рис. 8.13. Заземляющее устройство

 

Расчет заземления ведут в следующей последовательности.

Определяют расчетный ток замыкания на землю и нормативное значение сопротивления заземления по правилам устройства электроустановок (ПУЭ) в зависимости от напряжения и режима нейтрали.

Определяют сопротивление заземлителя, который выполнен в дополнение к естественному заземлителю, по формуле

 

(8.14)

 

где RД – допустимое сопротивление заземления, Ом (RД < 4 Ом в установ­ках до 1000 В, RД≤10 Ом в установках выше 1000 В);

Re – сопротивление растеканию тока естественных заземлителей, Ом.

Сопротивление естественных заземлителей выбирают по специальным номограммам. Экспериментально установлено, что 100м обсадных труб артези­анских скважин- при р = 1-104 Ом·м имеют сопротивление растеканию 0,6..0,8 Ом; 1 м2 металлических конструкций, соприкасающихся с землей, - 20 Ом.

Определяется расчетное удельное сопротивление грунта с учетом клима­тического коэффициента по формуле

 

ρрас = ρ·ψ (8.15)

 

где ρ –удельное сопротивление грунта, Ом·м (табл. 8.1);

ψ –климатический коэффициент (табл. 8.3).

 

Таблица 8.3 – Значение климатических коэффициентов сопротивления грунта

 

Грунт Глубина заложения, м Влажный грунт ψ 1 Грунт средней влажности ψ 2 Сухой грунт ψ 3
Суглинок 0,8...3,8 2,0 1,5 1,4
Садовая земля до глубины 0,6м, ниже – слой глины 0.3,0 - 1,32 1,2
Гравий с примесью глины, ниже – глина 0...2.0 1,3 1,2 1,1
Известняк 0...2.0 2,5 1,51 1,2
Гравий с примесью песка 0...2,0 1,5 1,3 1,2
Торф 0...2.0 1,4 1,1 1,0
Песок 0...2,0 2,4 1,56 1,2
Глина 0...2.0 2,4 1,36 1.2

 

Рассчитывается сопротивление одиночного заземлителя в зависимости от схемы его расположения по формулам

- трубчатый или стержневой у поверхности земли

 

(8.16)

 

- трубчатый или стержневой, заглубленный на расстояние t от поверхности

(8.17)

- протяженный, расположенный на поверхности земли (стержень, груба, полоса, кабель)

(8.18)

 

-протяженный, заглубленный на расстояние t от поверхности земли

 

(8.19)

 

где ρ – удельное сопротивление грунта, Омм;

l – длина заземлителя (проволоки, полосы, трубы), м;

d – диаметр заземлителя, м (l >> d);

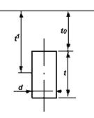
t – глубина заложения, м; t0 > 0,5 м (рис. 8.14).

 

 

Рис. 8.14. Схема размещения одиночного заземлителя

 

Следует учесть, что искусственные заземлители обычно выполняют из ме­таллических труб диаметром 35...50 мм, толщиной стенок не менее 3,5 мм и длиной 2...3м, или полосами сечением 48...100 мм2 (табл. 8.4).

Далее определяется количество стержней в очаге заземления по формуле

 

(8.20)

 

где ca коэффициент сезонности (для северных районов =2,3 длясредней полосы =1,6 для южных районов = 1,5);

коэффициент использования заземлителей (табл. 8.5);

Rоз сопротивление одиночного заземлителя, Ом;

Rд допустимое сопротивление заземления, Ом.

 

Таблица 8.4 – Наименьшие размеры искусственных стальных заземлителей

 

Заземлители     Наименьшие размеры заземлителей в различных условиях
в зданиях в наружных установках в земле
Круглые (диаметр, мм)      
Прямоугольные: - сечение, мм2 - толщина, мм 24 3 48 4 48 4
Угловая сталь (толщина полок, мм)   2,5  
Стальные газопроводные трубы [толщина стенок, мм) 1,5 2,5 3,5
Стальные тонкостенные трубы (толщина стенок, мм) 1,5 Не допускается
         

Таблица 8.5 – Коэффициенты использования заземлителей из труб или уголков

 

Отношение расстояния между трубами к их длине При размещении в ряд При размещении по контуру
число труб (уголков) число труб (уголков)
    0,84-0,87   0,66-0,72
  0,76-0,80   0,58-0,65
  0,67-0,72   0,52-0,58
  0,56-0,62   0,44-0,50
  0,51-0,56   0,38-0,44
  0,47-0,50   0,36-0,42
    0,90-0,92   0,76-0,80
  0,85-0,88   0,71-0,75
  0,79-0,83   0,66-0,71
  0,72-0,77   0,61-0,66
  0,66-0,75   0,55-0,61
  0,65-0,70   0,52-0,58
    0,93-0,95   0,84-0,86
  0,90-0,92   0,78-0,82
  0,85-0,88   0,74-0,75
  0,79-0,83   0,68-0,73
  0,76-0,80   0,64-0,69
  0,74-0,79   0,62-0,67

 

Рассчитывается сопротивление очага заземления по формуле

 

(8.21)

 

Рассчитывается длина соединительной полосы по формуле

 

ln = 1,05·а·п, (8.22)

 

где а – расстояние между стержнями, м = 2,5...3 м, иногда до 6 м). Рассчитывается сопротивление растеканию тока соединительной полосы по формулам (8.18) и (8.19) для горизонтально расположенного одиночного заземлителя на поверхности земли или заглубленного.

Проводится корректировка сопротивления растеканию тока полосы очага заземления с учетом коэффициентов и сезонности по формуле

 

(8.23)

 

где коэффициент использования полосы (табл. 8.6).

 

Таблица 8.6 – Коэффициент использования соединительной полосы

 

Отношение расстояния между заземлителями к их длине Число труб (уголков) заземлителя
             
при расположении полосы в ряду труб или уголков
  0,77 0,67 0,62 0,42 0,31 0,21 0,20
  0,89 0,79 0,75 0,56 0,46 0,36 0,27
  0,92 0,85 0,82 0,68 0,58 0,49 0,36
при расположении полосы по контуру труб (уголков)
  0,45 0,36 0,34 0,27 0,24 0,21 0,20
  0,55 0,43 0,40 0,32 0,30 0,28 0,27
  0,70 0,60 0,56 0,45 0,41 0,37 0,36

 

 

Результирующее сопротивление находят из выражения

 

(8.24)

 

Пример 8.5. Рассчитайте количество заземлителей в контуре заземления, выполненном в суглинистом грунте. Сопротивление растекания тока с контура заземления должно быть менее 10 Ом. Удельное сопротивление грунта равно 4000 Ом·см.

В наличии имеются металлические диаметром d = 5 см, длиной l = 250см, и металли­ческая полоса шириной b = 5 см, а глубина заложения труб t0 = 80 см.

Решение: схема размещения 8.14

Так как заземлители заглублены, то для расчета сопротивления одиночного заземлителя выбираем формулу (8.17)

 

 

Количество стержней в контуре заземления определим по формуле (8.20), приняв ко­эффициент сезонности = 1,6;допускаемое сопротивление Rд = 4 Ом, коэффициент экра­нирования = 1

 

Сопротивление соединительной полосы определим, в зависимости от схемы размеще­ния по формуле (8.19), рассчитав предварительно длину полосы l = 1,05·а·п = 1,05x2,5x5=13,1м.

Сопротивление очага заземления определим по формуле (8.24)

 

Вывод. Заземляющий контур, состоящий из 5 стержней и соединительной полосы, имеет сопротивление 4,1 Ом

 




Поделиться с друзьями:


Дата добавления: 2014-11-20; Просмотров: 2059; Нарушение авторских прав?; Мы поможем в написании вашей работы!


Нам важно ваше мнение! Был ли полезен опубликованный материал? Да | Нет



studopedia.su - Студопедия (2013 - 2026) год. Все материалы представленные на сайте исключительно с целью ознакомления читателями и не преследуют коммерческих целей или нарушение авторских прав! Последнее добавление




Генерация страницы за: 0.037 сек.