Студопедия

КАТЕГОРИИ:


Архитектура-(3434)Астрономия-(809)Биология-(7483)Биотехнологии-(1457)Военное дело-(14632)Высокие технологии-(1363)География-(913)Геология-(1438)Государство-(451)Демография-(1065)Дом-(47672)Журналистика и СМИ-(912)Изобретательство-(14524)Иностранные языки-(4268)Информатика-(17799)Искусство-(1338)История-(13644)Компьютеры-(11121)Косметика-(55)Кулинария-(373)Культура-(8427)Лингвистика-(374)Литература-(1642)Маркетинг-(23702)Математика-(16968)Машиностроение-(1700)Медицина-(12668)Менеджмент-(24684)Механика-(15423)Науковедение-(506)Образование-(11852)Охрана труда-(3308)Педагогика-(5571)Полиграфия-(1312)Политика-(7869)Право-(5454)Приборостроение-(1369)Программирование-(2801)Производство-(97182)Промышленность-(8706)Психология-(18388)Религия-(3217)Связь-(10668)Сельское хозяйство-(299)Социология-(6455)Спорт-(42831)Строительство-(4793)Торговля-(5050)Транспорт-(2929)Туризм-(1568)Физика-(3942)Философия-(17015)Финансы-(26596)Химия-(22929)Экология-(12095)Экономика-(9961)Электроника-(8441)Электротехника-(4623)Энергетика-(12629)Юриспруденция-(1492)Ядерная техника-(1748)

Расчет балки настила. 2 страница




Гибкость опорной части балки:

Где: –радиус инерции опорной части балки

J z - момент инерции опорной части балки относительно оси Z-Z.

Для варианта показанного на рис.5.6 а:

Для варианта, показанного на рис.5.6 б:

 

Расчету подлежат также сварные швы, прикрепляющие опорное ребро к стенке балки.

 

1. По металлу шва

- количество швов, прикрепляющих опорное торцевое ребро к стенке балки =2

- длина одного сварного шва .

2. По границе сплавления.


Минимальный катет шва принимаем по таблице 2.9 [2].

 

10. Расчет сопряжения балок настила и вспомогательных балок с главной балкой.

На рис.5.7 изображены наиболее часто встречающиеся на практике варианты сопряжения балок с главными.

При поэтажном опирании балок (рис.5.7 а) соединение осуществляется на болтах нормальной точности, диаметр которых назначается конструктивно, d =16...20 мм (они предусматриваются только для фиксации положения балок).

При сопряжении балок в одном уровне (рисюЗ.7 б) расчетом определяется необходимое число болтов исходя из их несушей способности. Обычно применяют болты нормальной точности. Количество болтов из условия прочности болтового соединения

при работе на срез:

при работе на смятие:

где Fб.н – опорная реакция балки настила

пs количество срезов одного болта.

R bs расчетное сопротивление болта срезу, принимается по табл.2.13 [2]

g ь – коэффициент условия работы болтового соединения, принимается по табл.2.11 [2]

Rbp – расчетное сопротивление смятию элементов, соединяемых болтами, принимается по табл.2.14 [2]

 

Рис 5.7 Расчет сопряжения балок

 

Размещение болтов производить с учетом требований таблицы 2.17[2]. Если болты в один ряд не размещаются, то ледует запроектировать сопряжение на высокопрочных болтах. Количество высокопрочных болтов определяется:

где: – несущая способность одного высокопрочного болта.

расчетное сопротивление растяжению высокопрочного болта .

временное сопротивление материала болта, принимаемое по таблице 2.15[2].

площадь сечения болта нетто (таблица 2.16[2]).

коэффициент трения (таблица 2.12[2]).

коэффициент условий работы соединения, принимаемый в зависимости количества болтов

при n >10 при n < 5 при 5≤ n< 10

При сопряжении балок в одном уровне (рис 5.7) опирание балок настила может осуществляться на специальные столики, приваренные к стенке или через ребра жесткости на болтах.

В первом случае определяют высоту столика из условия прочности угловых швов срезу и металлу шва:

По металлу границы сплавления:

Где катет угловых сварных швов, назначаемых минимально возможным согласно толщины соединяемых элементов по таблице 2.9[2].

Во втором случае число болтов определяется как и для сопряжения балок в один уровень.

 

11. Расчёт центрально–сжатых колонн.

 

По конструктивному решению стержня колонны делятся на сплошные и сквозные. Из сплошных колонн наиболее часто применяются колонны с сечением в виде сварного двутавра (рис.6.1а). Сплошными обычно проектируют колонны сравнительно невысокие (5...6 м) при значительных нагрузках. С увеличением высоты более экономичными становятся колонны сквозного сечения (рис.6.1 б, в).

Рис 6.1 Типы сечения колонны.

В балочной клетке нагрузкой на колонну будут опорные реакции двух главных балок.

Определяем расчётную длину колонны по формуле:

,

где геометрическая длина колонны:

- коэффициент приведения геометрической длины к расчётной, зависящий от закрепления.

Верхний конец одноярусной колонны обычно принимают шарнирное закрепленным, а нижний, в зависимости от конструкции базы, – шарнирным или жестким. В первом случае коэффициент = 1, во втором = 0,7.

 

12. Расчет стержня сплошной колонны.

1) Требуемая площадь сечения предварительно определяется по формуле:

Значение коэффициента определяют по табл. 1 прил. III [2] в зависимости от гибкости .

Значением гибкости для предварительных расчетовзадаются в пределах = 60...100

2) Требуемые радиусы инерции сечения.

,

3) С другой стороны, для двутаврового сечения (рис.6.1 a) iy - 0.24b; ix = 0.43 h откуда определяют требуемые размеры сечения:

4) Далее компонуют сечение колонны, назначают толщину стенки tw (tw =6... 14 мм) и поясных листов tf (tf = 8…40мм) исходя из требуемой площади АТр и условия обеспечения местной устойчивости. При этом следует стремиться к такому распределению общей площади сечения, чтобы примерно 80% приходилось на долю поясов, т.е. Аfx* 0,8* АТр , тогда толщина стенки должна составлять:

5) Для обеспечения местной устойчивости стенки должны выполняться следующие условия:

при условной гибкости стержня колонны:

(19)

При >0,8:

(20)

Если условие (19) и (20) не выполняется, стенка должна быть укреплена посередине парным продольным ребром жесткости, сечение которого включается в площадь сечения колонны.

Если: то для обеспечения местной устойчивости стенки должны ставиться поперечные ребра жесткости на расстоянии (2,5...3) hw друг от друга, но не менее двух в каждом отправочном элементе. Размеры ребер те же, что и в балках (см.п.5.5)

Для обеспечения местной устойчивости пояса колонны двутаврового сечения с условной гибкостью 0.8 < < 4 отношение расчетной ширины свеса поясного листа bef. к толщине tf не должно превышать значений:

6) Проверяют устойчивость стержня колонны, для чего определяют действительные геометрические характеристики сечения.

Площадь сечения:

Момент инерции сечения:

Радиусы инерции:

Гибкость стержня определяется:

По наибольшей из найденных гибкостей тах, которая не должна превышать предельное значение =120 по табл. 1 прил. Ш [2] находят действительное значение

7) Проверяют устойчивость колонны:

Если напряжения в сечении колонны значительно меньше расчетного сопротивления или превосходят его, процедуру подбора сечения следует повторить.

 

13. Расчет стержня сквозной колонны.

Расчет колонны сквозного сечения (рис.6.1 б. в) начинают с расчета относительно материальной оси Х-Х.

Предварительно задаются гибкостью колонны. Для колонн сквозного сечения высотой 6... 7 м и с расчетной нагрузкой N = 150 кН можно задаться гибкостью = 60...90. Для более нагруженных колонн гибкость можно принять равной 40...60. По гибкости определяют соответствующее значение (табл. 1 прил. Ш [2]).

1) Требуемая площадь сечения:

 
 


2) Требуемый радиус инерции:

 

По сортаменту подбирают сечение из двух швеллеров или двутавров со значениями А и ix близкими к требуемым.

Действительная гибкость колонны:

3) Проверку устойчивости относительно материальной оси:

Где коэффициент продольного изгиба, принятый по действительной гибкости х

(табл.1 прил. Ш [2])

Расчет относительно свободной оси заключается в определении расстояния между швеллерами или двутаврами из условия равно устойчивости колонны:

(21)

где – приведенная гибкость (учитывается упругая податливость элементов, соединяющих ветви колонны). Для стержней на планках, поставленных в двух плоскостях: (22)

- гибкость отдельной ветви на участке между соединительными планками, которая принимается в пределах 30÷40

Из формулы (22) с учетом (21):

Необходимо, чтобы < , так как в противном случае возможна потеря устойчивости

ветви раньше, чем стержня в целом.

Полученной гибкости относительно свободной оси У-У соответствует радиус инерции:

С другой стороны, для сквозных сечений (рис.6.1 б, в)

Тогда требуемое расстояние между ветвями:

Полученное расстояние должно обеспечить зазор между полками швеллеров или двутавров, необходимый для последующей окраски и равен примерно 100... 150 мм.

Далее необходима проверка устойчивости колонны относительно свободной оси. Момент инерции сечения, состоящего из двух швеллеров:

где Jуo и А - соответственно площадь и собственный момент инерции ветви относительно оси Уо — Уо Для сечения из двух двутавров:

Радиус инерции:

Гибкость колонны:

Приведенная гибкость:

Устойчивость колонны относительно свободной оси проверяют по формуле:

где у - коэффициент, определяемый по приведенной гибкости , по табл. 1 прил. III [2].

Расчетная длина ветви (расстояние между планками в свету

где - радиус инерции сечения/ветви относительно собственной оси Уо — Уо.

Так как формула приведенной гибкости (22) основана на предположении о наличии жестких планок, их ширину принимают достаточно большой: d = (0.5...0.75 )b Толщину планок назначают 6...12 мм.

Во избежание выпучивания планок должны выдерживаться отношения:

и

Где длина планок.

Планки заводят на ветви по 30...40 мм с каждой стороны (рис.6.2). Формула (22) справедлива при отношении жесткостей планки и ветви.

где js - момент инерции площади сечения одной планки относительно собственной оси Хо - Хо

l - расстояние между осями планок: l = lb + d

с - расстояние между осями ветвей При п < 5 необходимо учитывать влияние гибкости планок в соответствии с [3]

Соединительные элементы сквозных центрально - сжатых колонн рассчитывают на условную поперечную силу, которая может возникнуть от искривления стержня при продольном изгибе – :

А – площадь сечения планки

Е = 2,06·104 кН/см2;

-коэффициент принимаемый по наименьшему из двух значений или

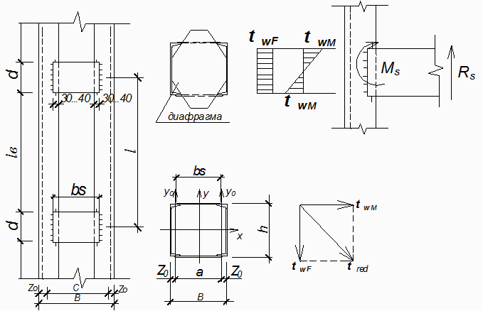
Рис.6.2. Расчет сквозной колонны.

Под действием условной поперечной силы Qfic в колоннах возникают поперечная сила Rs и изгибающий момент Мs (рис.6.2).

, , где

где Qs - условная поперечная сила, приходящиеся на систему планок, расположенных в одной плоскости, т.е.

Прочность угловых швов, прикрепляющих планки к ветвям, проверяют по равнодействующему напряжению от изгибающего момента к поперечной силе в планке.

Где

;

Обычно принимают к f=ts, и lw d. Для предотвращения закручивания стержня сквозной колонны в нем предусматривают жесткие поперечные диафрагмы примерно через 4 м по высоте. Их устраивают из листовой стали толщиной 8…12 мм, приваривая к ветвям колонны и планкам.

 

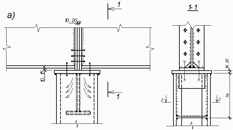
14. Расчет базы колонны.

База служит для передачи нагрузки от стержня колонны на фундамент и закрепления колонны в фундамент. Ее основным элементами являются траверса -1, опорная плита - 2, анкерные болты - 3 и, при необходимости, диафрагмы - 4 и ребра - 5 (рис.6.3).

В зависимости от принятой схемы сопряжения колонны с фундаментом (шарнирное или жесткое) назначают соответствующую конструкцию базы (рис.6.3.).

При шарнирном сопряжении колонны с фундаментом базу закрепляют в фундамент анкерными болтами непосредственно за плиту и анкерные болты, в этом случае по существу нерабочие, они лишь фиксируют правильность положения колонны. Их диаметр назначается конструктивно 20... 36 мм. Гибкость опорной плиты обеспечивает некоторую податливость сопряжения, необходимую при шарнирном закреплении. Число анкерных болтов - два или четыре.

При жестком сопряжении базу крепят к фундаменту анкерными болтами на уровне верха траверса. Анкерные болты натягивают усилиями, близкими к пределу прочности болта растяжению путем закручивания гаек специальными ключами, позволяющими контролировать усилие натяжения болтов.

В результат натяжение всех болтов плита базы оказывается сильно притянутой к фундаменту и ее отрыв то фундамента при появлении случайных моментов невозможен.

Рис.6.3. Расчет базы колонны:

а - вариант шарнирного сопряжения колонны с фундаментом; б - вариант жесткого сопряжения колонны с фундаментом; 1 - траверса; 2 - плита; 3 - анкерные болты; 4 - дополнительная диафрагма;

5- дополнительные ребра; 6 - ребра жесткости.

Расчет базы центрально-сжатой колонны в обоих случаях ведут в следующем порядке.

1) находят требуемую площадь опорной плиты.

усредненное расчетное сопротивление смятию бетона фундамента.

N – расчетное давление на фундамент;

где Rb - расчетное сопротивление бетона осевому сжатию (призменная прочность),

равное 4,5; 7 и 9 МПа соответственно для классов бетона В7,5; В 12,5 и В15

Аф - площадь верхнего обреза фундамента.

Поскольку на стадии расчета базы отношение еще не известно, то для предварительных расчетов им задаются 1.2... 1,5.

2) Согласно требуемой площади назначают ширину и длину плиты. При этом

где толщину траверсы – принимаем конструктивно в пределах (10…16)мм.

Консольный вынос плиты за траверсу "С" назначается;

а) при креплении анкерными болтами непосредственно за плиту С = 80... 100 мм;

б) в остальных случаях С = 40... 60 мм. Ширина плиты должна удовлетворять ГОСТ 82-70 на широкополосную универсальную сталь (см. табл. 10 прил. Y1/2/. Требуемая длина плиты.

3) Из условия прочности на изгиб определяют толщину опорной плиты, которую рассматриваю как пластину, опертую на торец стержня колонны, траверсы и нагруженную равномерно распределенным реактивным отпором фундамента.

При этом плита на разных участках работает неодинаково;

а) на участке плиты опертой по четырем сторонам (участок 1 рис.6.3) наибольший изгибающий момент в полосе шириной 1 см.

- коэффициент зависящий от отношения более длинной стороны участка b к более короткой a и принимается по таблице 5.4 [2].

б) на участке плиты, опертом по трем сторонам (участок II. Рис.6.3)

Где - коэффициент, зависящий от длины закрепленной стороны участка b1 k длине свободного края а1 и принимаемый по табл.4.6 [2].

 

Если отношение < 0,5 то участок рассчитывается как консольный с консолью равной b1.

 

в) если участок плиты закреплен только по одной стороне (участок III рис.6.3), то изгибающий момент определяют как в консоли.

где с - вылет консоли (ширина свеса).

По максимальному из найденных значений изгибающих моментов определяют требуемую толщину плиты:

Обычно толщину плиты назначают 16...40 мм, одинаковой на всех участках.

При значительной разнице между изгибающим моментом на различных участках, а гакже если толщина плиты получается более 40 мм. необходимо внести изменения в расчетную схему плиты постановкой дополнительных диафрагм или ребер на участке с максимальным значением изгибающего момента и снова произвести расчет плиты с учетом изменения размеров участка (рис.6.3 а).

4) Высоту траверсы hтр. определяют исходя из требуемой длины сварных швов, прикрепляющих стержень колонны к траверсам:

При этом катет угловых швов к г принимают не более 1,2 толщины траверсы и не менее значений, указанных в табл.2.9[2]

5) Проверяют прочность траверсы на изгиб и срез:

где Мт и QT - соответственно изгибающий момент поперечная сила в траверсе.

- нагрузка на 1см листа траверсы.

Если база колонны укрепляется дополнительными диафрагмами, то расчет их производят аналогично расчету траверсы.

6) Рассчитывают швы, прикрепляющие элементы базы к плите.

 

15.Расчет оголовка колонны.

Характерные конструктивные решения оголовков колонн показаны на рис.6.4 а, б. Выбор конструкции оголовка зависит от конструктивного решения узла опирания вышележащих балок.

Во всех случаях опорные ребра главных балок должны передавать опорную реакцию либо на элементы колонны (рис.5.6 а. б.) Либо на специально запроектированные диафрагмы (рис.6.4 а) и ребра (рис.6.4 б).

Толщину опорной плиты назначают конструктивно 16...20 мм. Болты выполняют только фиксирующую функцию и также назначаются конструктивно.

В зависимости от ширины опираемого торца балки назначают ширину опорного ребра bh. Ширина диафрагмы bh соответствует ширине колонны.

Исходя из условия прочности на смятие, определяют толщину ребра и диафрагмы

Высоту ребра и диафрагмы h определяют из условия прочности сварных швов, прикрепляющих их к стенкам колонны:

 

Подобранное ребро проверяем на срез:

Для увеличения жесткости ребра и диафрагмы оголовка предусматривают обрамление из горизонтальных ребер.

Если давление опорных ребер передается непосредственно на ветви колонны (рис 6.4б.) то расчету подлежат сварные швы, прикрепляющие плиту к стержню колонны.

 

 

II Раздел.




Поделиться с друзьями:


Дата добавления: 2014-11-20; Просмотров: 2929; Нарушение авторских прав?; Мы поможем в написании вашей работы!


Нам важно ваше мнение! Был ли полезен опубликованный материал? Да | Нет



studopedia.su - Студопедия (2013 - 2026) год. Все материалы представленные на сайте исключительно с целью ознакомления читателями и не преследуют коммерческих целей или нарушение авторских прав! Последнее добавление




Генерация страницы за: 0.012 сек.