Студопедия

КАТЕГОРИИ:


Архитектура-(3434)Астрономия-(809)Биология-(7483)Биотехнологии-(1457)Военное дело-(14632)Высокие технологии-(1363)География-(913)Геология-(1438)Государство-(451)Демография-(1065)Дом-(47672)Журналистика и СМИ-(912)Изобретательство-(14524)Иностранные языки-(4268)Информатика-(17799)Искусство-(1338)История-(13644)Компьютеры-(11121)Косметика-(55)Кулинария-(373)Культура-(8427)Лингвистика-(374)Литература-(1642)Маркетинг-(23702)Математика-(16968)Машиностроение-(1700)Медицина-(12668)Менеджмент-(24684)Механика-(15423)Науковедение-(506)Образование-(11852)Охрана труда-(3308)Педагогика-(5571)Полиграфия-(1312)Политика-(7869)Право-(5454)Приборостроение-(1369)Программирование-(2801)Производство-(97182)Промышленность-(8706)Психология-(18388)Религия-(3217)Связь-(10668)Сельское хозяйство-(299)Социология-(6455)Спорт-(42831)Строительство-(4793)Торговля-(5050)Транспорт-(2929)Туризм-(1568)Физика-(3942)Философия-(17015)Финансы-(26596)Химия-(22929)Экология-(12095)Экономика-(9961)Электроника-(8441)Электротехника-(4623)Энергетика-(12629)Юриспруденция-(1492)Ядерная техника-(1748)

Тема 3.4 Питание усилительных каскадов и стабилизация их режимов




Положение рабочей точки покоя на коллекторной динамической характеристике определяет величины тока и напряжения в выходной цепи, а те, в свою очередь, зависят от тока базы (I бо), т.е. от режима входной цепи. И этот режим определяется источником питания, или смещения.

Смещением в транзисторных усилителях называют постоянное напряжение между базой и эмиттером Uбэо или ток базы покоя I бо.

Смещение выбирается так, чтобы в режиме покоя, а также при усилении сигнала, не превышались максимально допустимые значения тока и напряжения коллектора и выделяемой на коллекторе электрической мощности, а также коэффициента гармоник.

В рассмотренных ранее схемах для упрощения был показан условный источник постоянного напряжения Еб в цепи базы.

На практике для создания смещения используют источник питания коллекторной цепи, а не отдельный источник. Питание всех каскадов усилителя осуществляется от одного источника, и обычно это выпрямитель.

Способы создания смещения различны: по принципу действия – это два вида: фиксированное и автоматическое.

1. Фиксированное смещение не зависит от тока коллектора, оно остается неизменным при изменении тока покоя коллектора по любым причинам (изменение температуры, старение или замена транзистора). Поэтому ток коллектора не стабилизируется. Этот вид смещения может быть создан либо фиксированным током базы, либо фиксированным напряжением базы.

Схема смещения фиксированным током базы (рис.24, а) содержит резистор Rб, включенный между источником питания Ек и базой. Этот резистор должен иметь большое сопротивление, значительно больше, чем входное сопротивление транзистора.

Постоянная составляющая тока базы Iбо проходит от (+ Ек) через Rб – эмиттерный переход к (– Ек). Напряжение приложено к резистору Rб и входному сопротивлению транзистора, которым по сравнению с Rб можно пренебречь, и тогда ток базы определяется:

I бо = Ек /Rб = cопst, таким образом, ток базы не зависит от тока коллектора, т.е. является фиксированным.

И если, например, повысится температура, то статические характеристики располагаются выше, т.е. при том же токе базы возрастает ток коллектора (рис. 24, б).

Рис.24 Смещение фиксированным током базы: а- принципиальная схема; б- нарушение режима коллекторной цепи с повышением температуры

Поэтому точка покоя переместится из положения Р в положение Р΄. Иначе говоря, исходный режим нарушается. Из графика видно, что при достаточно большой амплитуде сигнала будут использоваться нелинейные участки характеристик и резко возрастают нелинейные искажения.

В мощных транзисторах увеличение тока покоя I ко может привести к перегреву транзистора и выходу его из строя.

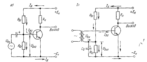
Схема смещения фиксированным напряжением базы (рис. 25а) содержит делитель напряжения Rб1 - R б2, включенный параллельно источнику питания Ек. Нижнее плечо делителя включено между базой и общим проводом.

Сопротивление делителя выбирается так, чтобы он потреблял ток (Iд) больший во много раз тока базы, при этом можно считать, что через Rб1 и Rб2 проходит одинаковый ток и справедлива пропорция:

Uбэо / Eк = Rб2 / Rб1 + Rб2, из которого

Uбэо = Eк ٠ Rб2 / Rб1+ Rб2 = const.

 

Это показывает, что напряжение смещения не зависит от тока коллектора и действительно является фиксированным. При этом ток коллектора не стабилизируется, а исходный режим с изменением температуры нарушается. Для обеспечения фиксированного напряжения Uбэо сопротивление нижнего плеча делителя Rб2 должно быть много меньше входного сопротивления транзистора, но это уменьшает общее входное сопротивление каскада, а это нежелательно. Чтобы избежать этого, иногда напряжение смещение во входную цепь подают последовательно с сигналом (рис 25б).

 

 

Рис.25 Схемы смещения фиксированным напряжением базы:

- с параллельной подачей на вход (а); - с последовательной подачей на вход (б)

Основным недостатком схем смещения фиксированным напряжением базы является отсутствие стабилизации исходного режима коллекторной цепи, а также включение низкоомного делителя Rб1 – Rб2 вызывает дополнительное потребление тока от источника питания, следовательно, увеличивает потери мощности и снижает КПД.

 

2. Автоматическое смещение зависит от тока покоя коллектора, при этом с изменением тока коллектора по любой причине смещение изменяется так, что ток коллектора стабилизируется. Таким образом, стабилизируется исходный режим выходной цепи. Для этого используется ООС по постоянному току.

Одновременно с подачей смещения необходимо обеспечить стабилизацию режима, видов стабилизации несколько:

 

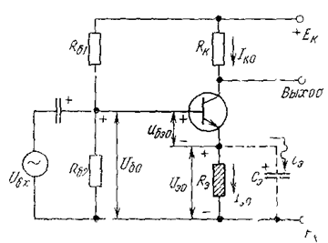
- Эмиттерная стабилизация -осуществляется на основе схемы смещения фиксированным напряжением базы, но между эмиттером и общим проводом включен резистор Rэ (рис 26).

Рис.26 Эмиттерная стабилизация исходного режима

 

На нижнем плече делителя Rб2 развивается фиксированное напряжение Uбо, оно пропорционально напряжению источника питания Eк.

Ток покоя выходной цепи (Iкo ≈ Iэо) создаёт на сопротивлении эмиттерной стабилизации Rэ падение напряжения Uэо = I ко· Rэ. Из схемы: Uбэо = Uбo – Iкo· Rэ, т.к. напряжение правой части уравнения включены последовательно встречно. И теперь, если, например, из-за роста температуры увеличится ток коллектора, то увеличится падение напряжения на резисторе Rэ, а напряжение U бэо – уменьшится, что приведет к уменьшению тока коллектора, то есть ток коллектора, и, следовательно, исходный режим коллекторной цепи стабилизируется. Эту схему можно рассматривать как схему с последовательной ООС по постоянному току эмиттера, так как падение напряжения на резисторе Rэ зависит от тока эмиттера покоя Iэо, и это напряжение есть напряжение обратной связи, которое вычитается из напряжения Uбо.

Эмиттерная стабилизация тем эффективнее, чем больше сопротивление Rэ и меньше Rб2 – эти условия легко осуществить, но следует помнить, что с увеличением Rэ на нём растут потери постоянного напряжения и мощности, а с уменьшением сопротивления делителя Rб1-Rб2 не только увеличиваются потери мощности источника питания, но и уменьшается входное сопротивление каскада. Конденсатор Сэ исключает обратную связь по переменному току. Если резистор Rэ не зашунтировать конденсатором Сэ большой ёмкости, то будет создана последовательная ООС не только по постоянному, но и по переменному току, в результате чего уменьшится усиление тока, но и произойдет стабилизация выходного тока и увеличится входное сопротивление каскада.

Стабилизация положения рабочей точки покоя на коллекторной динамической характеристике видна на графике (рис 28).

Рис.27 Нарушение исходного режима при повышении температуры в схеме с фиксированным током базы

 

Исходный режим при температуре tº задан точкой покоя Р, при токе смещения Iбо = 100мкА.

С повышением температуры до tº1, статические характеристики располагаются выше, что при фиксированном смещении привело бы к перемещению рабочей точки в положение Р1, однако в схемах со стабилизацией режима ток смещения при повышении температуры уменьшится до I бо (50 мкА), и тогда рабочая точка займет положение Р2 => т.е. за счёт уменьшения смещения положение рабочей точки изменяется незначительно и тем меньше, чем эффективнее действует стабилизация режима. В схеме с общим коллектором эмиттерная стабилизация всегда действует без введения дополнительных элементов, т.к. резистор эмиттерной нагрузки Rэ одновременно является и резистором стабилизации режима. В такой схеме (ОК) конденсатор Сэ включать нельзя, т.к. он закоротит выход для сигнала.

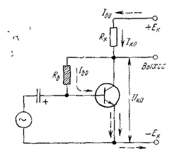
- Коллекторная стабилизация -для этой стабилизации резистор Rб включают между базой и коллектором (рис 28).

Рис.28 Коллекторная стабилизация исходного режима

Коллекторная стабилизация происходит за счёт параллельной ООС по постоянному току коллектора, т.к. всякое изменение тока Iкo через резистор Rб вызывает противоположное по знаку изменение тока Iбо во входной цепи, так что ток коллектора практически не изменяется. Эффективно действует коллекторная стабилизация только при большом сопротивлении коллекторной нагрузки Rк для постоянного тока или с уменьшением сопротивления Rб в цепи обратной связи. Практически это трудно выполнить, т.к. величины сопротивлений Rк и Rб определяют требуемый режим покоя транзистора.

Поэтому коллекторная стабилизация не даёт нужного эффекта и применяется редко, только в предварительных каскадах при небольших изменениях температуры.

- Параметрическая стабилизация – осуществляется путем включения термозависимого элемента в нижнее плечо делителя, создающего смещения (рис 29). Этот элемент должен иметь отрицательный температурный коэффициент сопротивления – это может быть терморезистор, туннельный диод, у которого сопротивление уменьшается с повышением температуры.

Рис.29 Параметрическая стабилизация режима терморезистором (а) и диодом (б) вольтамперные характеристики диода при разных температурах (в)

Принцип параметрической стабилизации состоит в том, что напряжение смещения снимается с термозависимого элемента, причем, он расположен в непосредственной близи с транзистором (обычно на его радиаторе охлаждения) и нагревается с ним одновременно.

С повышением температуры сопротивление элемента уменьшается, следовательно, снижается и напряжение смещения на нём – это вызывает уменьшение тока коллектора, причем элементы схемы можно подобрать так, чтобы полностью компенсировать увеличение тока коллектора за счёт увеличения температуры. Таким образом, можно добиться полной стабильности режима при изменениях температуры, т.е. термокомпенсации.

Параметрическая стабилизация имеет недостаток: она действует только при изменении температуры окружающей среды, а если режим нарушается вследствие старения, разброса параметров или замены транзисторов, а также из-за кратковременного выделения большой мощности потерь в коллекторном переходе, стабилизация не действует, и ток коллектора не стабилизируется.

На рисунке 29 а приведена схема с использованием терморезистора Rт в делителе смещения Rб1 – Rт.

Доля напряжения на нижнем плече делителя, т.е. на Rт является напряжением смещения Uбэо.

С повышением температуры это напряжение уменьшается, вызывая уменьшение тока Iкo, чем компенсируется температурный рост тока коллектора. Для получения расчётной величины смещения и требуемой зависимости изменения сопротивления нижнего плеча делителя с изменением температуры параллельно сопротивлению Rт может включаться шунт, а последовательно - добавочное сопротивление (на рис отсутствует).

Недостаток схемы: большая тепловая инерция терморезисторов, из-за чего они реагируют только на изменение температуры среды, но не успевают срабатывать при мгновенном кратковременном повышении температуры самого коллекторного перехода транзистора.

На рисунке 29 б показана схема параметрической стабилизации с использованием диода. Здесь смещение создаётся включением делителя Rб1 – VД и развивается на прямом сопротивлении диода, при этом Uбэо = Unp. При повышении температуры прямое сопротивлении и прямое напряжение диода уменьшаются, прямая ветвь ВАХ диода сдвигается влево (рис 29,в), следовательно, уменьшается напряжение смещения Uбэо, что препятствует росту коллекторного тока, стабилизируя его. Так как прямое сопротивление (Rnp) диода невелико, то иногда для увеличения входного сопротивления каскада диод включают последовательно с источником сигнала.

Преимущества схемы:

- температурная зависимость прямого сопротивления диода почти такая же, как эмиттерного перехода транзистора, поэтому получается хорошая термокомпенсация;

- диод имеет малую тепловую инерцию.

Ещё лучшую термокомпенсацию дает использование транзистора в диодном включении. При этом коллекторный переход закорачивается путем соединения коллектора с базой, а роль стабилизирующего диода выполняет эмиттерный переход, включенный в прямом направлении. Такая схема нашла применение в двухтактных оконечных каскадах.

 

Контрольные вопросы:

1. Чем характеризуется исходный режим транзистора, и как он создаётся?

2. Причины нестабильности исходного режима;

3.Что называют смещением в транзисторных усилителях и способы создания смещения?

4. Как создаётся смещение фиксированным током и напряжением базы?

5. Недостатки фиксированного смещения;

6. Как осуществляется эмиттерная стабилизация режима?

7. Как осуществляется коллекторная стабилизация режима?

8. Параметрическая стабилизация; её работа, недостатки и преимущества.

Раздел 4 ТРАНЗИСТОРНЫЕ УСИЛИТЕЛИ НАПРЯЖЕНИЯ И МОЩНОСТИ

В структурной схеме было отмечено, что предварительные каскады – это усилители напряжения, а оконечные - это усилители мощности; предоконечные каскады могут быть как усилителями напряжения, так и усилителями мощности. Требования к этим каскадам различны, поэтому различны и схемы и режимы их работы.

Рассмотрим вопросы проектирования и работу оконечных каскадов.

 




Поделиться с друзьями:


Дата добавления: 2014-12-10; Просмотров: 676; Нарушение авторских прав?; Мы поможем в написании вашей работы!


Нам важно ваше мнение! Был ли полезен опубликованный материал? Да | Нет



studopedia.su - Студопедия (2013 - 2026) год. Все материалы представленные на сайте исключительно с целью ознакомления читателями и не преследуют коммерческих целей или нарушение авторских прав! Последнее добавление




Генерация страницы за: 0.009 сек.