Студопедия

КАТЕГОРИИ:


Архитектура-(3434)Астрономия-(809)Биология-(7483)Биотехнологии-(1457)Военное дело-(14632)Высокие технологии-(1363)География-(913)Геология-(1438)Государство-(451)Демография-(1065)Дом-(47672)Журналистика и СМИ-(912)Изобретательство-(14524)Иностранные языки-(4268)Информатика-(17799)Искусство-(1338)История-(13644)Компьютеры-(11121)Косметика-(55)Кулинария-(373)Культура-(8427)Лингвистика-(374)Литература-(1642)Маркетинг-(23702)Математика-(16968)Машиностроение-(1700)Медицина-(12668)Менеджмент-(24684)Механика-(15423)Науковедение-(506)Образование-(11852)Охрана труда-(3308)Педагогика-(5571)Полиграфия-(1312)Политика-(7869)Право-(5454)Приборостроение-(1369)Программирование-(2801)Производство-(97182)Промышленность-(8706)Психология-(18388)Религия-(3217)Связь-(10668)Сельское хозяйство-(299)Социология-(6455)Спорт-(42831)Строительство-(4793)Торговля-(5050)Транспорт-(2929)Туризм-(1568)Физика-(3942)Философия-(17015)Финансы-(26596)Химия-(22929)Экология-(12095)Экономика-(9961)Электроника-(8441)Электротехника-(4623)Энергетика-(12629)Юриспруденция-(1492)Ядерная техника-(1748)

Логарифмирующий преобразователь




Логарифмирующими называются преобразователи (как частный случай усилители), имеющие логарифмическую передаточную характеристику (ЛПХ). Они применяются для сжатия большого динамического диапазона входных сигналов в измерительных, радиолокационных и других устройствах. Для построения логарифмирующих схем усиления на ОУ используются полупроводниковые диоды и транзисторы, содержащие p-n переходы с экспоненциальной вольт-амперной характеристикой.

Простейшая схема такого преобразователя и его характеристика приведены на рис. 4.

Прямая ВАХ диода приближенно описывается выражением:

, (1)

где I – ток через диод;

I 0– обратный ток диода;

q –заряд электрона;

U –напряжение на диоде;

k –постоянная Больцмана;

Т –температура, К;

= 25 мВ при Т = 20 0С.

Входной ток равен

, (2)

а выходное напряжение

. (3)

При имеем:

. (4)

Отметим, что для кремниевого диода типичный ток составляет 10-9 А, и условие >> выполняется уже при входных токах более 10-8 А.

Коэффициент передачи логарифмирующего преобразователя обычно определяется в вольтах на декаду изменения входного сигнала. Например,
3-декадный логарифмирующий усилитель должен работать при из­менениях входного сигнала в диапазоне от 10-3 до 1 В; 7-декадный логарифмирующий усилитель обеспечивает преобразование входных сигналов от 10-6 до 10 В.

 

Рис. 4. Логарифмирующий преобразователь:
а – основная схема; б – передаточная характеристика

Согласно (4) при изменении входного напряжения на декаду приращение выходного напряжения составляет = 57,6 мВ и не зависит от величины . При этом крутизна преобразования K лог = 2,88 мВ/дБ.

На отклонение передаточной характеристики от логарифмической влияет как невыполнение условия , так и наличие объемного сопротивления диода , входных токов и смещения нуля ОУ .

Учет объемного сопротивления диода приводит к соотношению

, (5)

где составляет примерно 10 Ом. Если также учесть влияние напряжения смещения и входных токов ОУ , то для логарифмирующего преобразователя имеем:

, (6)

где – входное напряжение смещения нуля ОУ.

Логарифмирующий преобразователь (рис. 4) работает лишь при положительных значениях входного сигнала. Для логарифмирующего преобразователя при отрицательном входном сигнале необходимо изменить полярность диода VD 1, включенного в обратную связь. Недостатком данной схемы является резкое увеличение коэффициента передачи при значении входного сигнала, близком к нулю.

 
 

Вышеназванные проблемы устраняются, когда в схеме логарифмирующего преобразователя включаются в цепь обратной связи два параллельно встроенных полупроводниковых диода и резистор (рис. 5, а). Коэффициент передачи при малых входных напряжениях, когда диоды закрыты, равен отношению резисторов . Характеристика преобразования для данной схемы приведена на рис. 5, б.

а б

Рис. 5. Логарифмирующий преобразователь
с использованием двух полупроводниковых диодов:
а – схема; б – передаточная характеристика

Логарифмирующий преобразователь с диодами в цепи обратной связи (рис. 4, 5) применяется редко из-за двух серьезных ограничений. Во-первых, он очень чувствителен к температуре (температура Т входит в приведенные выше соотношения в явном виде, также сильно зависит от температуры). Во-вторых, диоды не обеспечивают хорошей точности преобразования, т.е. зависимость между их прямым напряжением и током отклоняется от логарифмической. Построить на кремниевых диодах общего назначения логарифмирующие усилители, преобразователи с приемлемой точностью, работающие в диапазоне более 3 декад, практически невоз­можно. Транзисторы обеспечивают лучшую точность преобразо­вания по сравнению с диодами. Многие транзисторы общего назначения в диодном включении обеспечивают удовлетворительное логарифмирова­ние входных токов в диапазоне до 7 декад. Зависимость коллекторного тока от напряжения база – эмиттер при нулевом напряжении база-коллек­тор описывается выражением

, (7)

Здесь Is есть обратный ток насыщения тран­зистора. Значение Is для маломощных биполярных транзисторов общего назначения составляет около 0,1 нА и зависит от температуры. Две рас­пространенные схемы, описанные в (1.8): замена диода биполярным транзистором с заземленной базой и диодное включение – представлены на рис. 6.

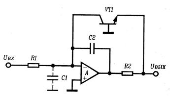
Отметим, что в обоих случаях напряжение база – коллектор практически равно нулю. В схеме рис. 6, б база и коллектор соединены, и их токи замыкаются на виртуальную землю. В схеме с заземленной базой (рис. 6, а) коллектор соединяется с виртуальной землей – инвертирую­щим входом ОУ. Основные свойства обеих схем сведены в табл.1.

Рис. 6. Применение биполярных транзисторов для логарифмирования:

а – схема с заземленной базой; б – диодное включение

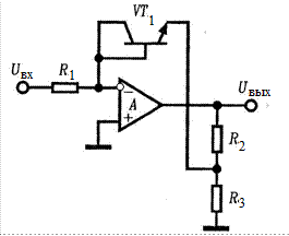
Выходное напряжение обеих схем, приведенных на рис. 6, изменя­ется от 0 до – 0,7 В, т.е. до напряжения на прямосмещенном диоде. Выходное напряжение можно увеличить, если ввести два резистора R 2и R 3 [рис. 7 и выражение (9)]. Сопротивления резисторов R 2и R 3 должны быть достаточно малыми, чтобы ток транзистора не влиял на делитель напряжения R 2, R 3, от которого зависит коэффициент передачи преобразователя.

Логарифмирующий преобразователь инвертирует входное напряжение. Для получения положительного выходного напряжения при отрицатель­ных входных сигналах в схеме с диодным включением нужно изменить подключение выводов транзистора; в схеме с заземленной базой для этого надо заменить n-p-n транзистор на р-п-р транзистор, или вклю­чить на входе инвертирующий каскад.

 


Таблица 1

Свойства двух основных схем логарифмирующих преобразователей

 

Схема с заземленной базой Диодное включение
Широкий диапазон логарифмиро­вания, точность Диапазон логарифмирования огра­ничен 3 или 4 декадами
Склонность к самовозбуждению, устраняется введением в схему дополнительных резистора и конденсатора Устойчивая динамическая характе­ристика
Низкое быстродействие при малых входных токах из-за введения до­полнительного корректирующего конденсатора Более высокое быстродействие
Эмиттер должен быть подключен к выходу ОУ. Для отрицательных входных напряжений используется р-п-р транзистор или дополнительный инвертирующий каскад. Полярность входного напряжения легко изменить на обратную, "перевернув" транзистор. Для получения хорошей точности логарифмирования применяется транзистор с большим значением

 

Рис. 7. Схема логарифмирующего преобразователя с увеличением
размаха выходного напряжения

 

. (8)

Рис. 8. Применение диодов для защиты транзистора:

а – ограничитель выходного напряжения;

б – ограничитель в цепи обратной связи;

в – Т-образный ограничитель для уменьшения токов утечки

Можно показать, что при уменьшении входного тока уменьшается дифференциальное сопротивление транзистора (от сотен килоом при = 0,1 мкА до десятков ом при = 1 мА) и сужается ширина полосы пропускания лога­рифмирующего преобразователя. Такое сужение полосы при уменьшении входного сигнала свойственно большинству схем логариф­мирующих преобразователей.

Схема с транзистором в диодном включении, как правило, оказыва­ется устойчивой при использовании полностью скорректированного ОУ. Менее устойчива схема с заземленной базой, что объясняется дополнительным усилением в петле обратной связи. Одной из основных причин неустойчивости является дополнительный фазовый сдвиг (рис. 9), вносимый конденса­тором С 1, входной емкостью и емкостью коллектор – база транзистора.

Можно устранить неустойчивость, включив конденсатор С 2 между инвертирующим входом и выходом ОУ; конденсатор ограничивает полосу пропускания логарифмирующего уси­лителя на уровне 1/(2p r э С 2). Емкость конденсатора С 2 может оказаться довольно большой (порядка 1 нФ), так как сопротивление r э при боль­ших входных токах невелико. Уменьшить необходимую емкость конденсатора можно, увеличив эффективное значение r эвклю­чением дополнительного резистора R 2(рис. 10). В приведенных выше соотношениях эффективное значение r э следует заменить на (R 2 + r э).

Рис. 9. Частотная коррекция логарифмирующего преобразователя

Сопротивление R 2нужно выбирать мак­симально возможным, но с учетом того, чтобы ОУ не оказался в состоянии насыщения при максимальном входном токе. Оно определяется соотношением:

, (9)

где – напряжение насыщения ОУ;

– максимальное выходное напряжение;

– максимальный выходной ток;

– максимальный входной ток;

– максимальный ток нагрузки.

Рассмотрим типичный пример: напряжение питания ОУ равно ±15 В. При этом напряжение насыщения обычных ОУ составляет примерно ±12 В. Значение равно падению напряжения на диоде (около 0,7 В), к схеме подключена внешняя нагрузка с потреблением тока не более 1 мА. Максимальный входной ток равен 100 мкА. Следовательно, сопротивление резистора R 2 должно быть не более 11 кОм. Выбрав для R 2 значение, равное примерно половине максимального, т.е. 4,7 кОм, можно быть уверенным, что ОУ не окажется в насыщении: максимальное выходное напряжение его не превысит 6 В.

Для устойчивой работы преобразователя при максимальном входном токе, вводимый конденсатором С 2полюс должен лежать на частоте, существенно меньшей частоты единичного усиления ОУ f 1 (равной 1 МГц), например на 500 кГц. Получаем, что 1/2p(R 2 + r э) = 500 кГц. Тогда минимальная емкость С 2при = 0,1 мА и r э = 250 Ом получается равной 64 пФ, следовательно выбираем номинальное значение 100 пФ.

Ширина полосы пропускания при минимальном входном токе будет равна при этом:

f 0 » 1/2p(R 2 + r э) C2 = 640 Гц

(поскольку r э = 2,5 МОм при = 0,01 мкА).

Как показано ранее, при уменьшении входных сигналов полоса пропускания логарифмирующего преобразователя сужается. Следовательно, преобразователь будет медленно реагировать на ступенчатые перепады при малых входных сигналах и быстро – при больших.

Кроме того, переходная характеристика логарифмирующего преобразователя будет нелинейной. Он быстрее реагирует на увеличивающие сигналы, чем на уменьшающиеся (т.е. имеет меньшее время нарастания и большее время спада). Объясняется это тем, что при увеличении сигнала постоянная времени уменьшается, а при уменьшении сигнала увеличивается.

В настоящее время логарифмирующие преобразователи строятся также с использованием принципов линейно-ломаной аппроксимации логарифмической характеристики на основе суммирования выходных сигналов каскадно включенных усилителей-ограничителей. Упрощенная функциональная схема построения таких преобразователей приведена на рис. 10.

Рис. 10. Упрощенная функциональная схема логарифмирующих
преобразователей с использованием принципов
линейно-ломаной аппроксимации

Выходное напряжение такого преобразователя можно представить в виде:

, (10)

где N – число каскадов усиления;

– число каскадов, находящихся в режиме ограничения при данном значении входного напряжения.

Соотношение (1.10) можно преобразовать, используя выражение для суммы членов геометрической прогрессии . Тогда .

Входные напряжения, при которых i -й усилитель входит в режим ограничения, можно определить из следующего соотношения:

Число каскадов, находящихся в режиме ограничения:

 

В точках

,

Отсюда следует, что выходное напряжение преобразователя в точках с точностью до постоянного слагаемого пропорционально логарифму входного напряжения. Это смещение можно компенсировать подачей на вход сумматора постоянного напряжения

На рис. 11 приведена передаточная характеристика такого преобразователя.

а б

Рис. 11. Характеристики логарифмирующего усилителя:

а − передаточная характеристика;

б − ошибка логарифмирования

Интегральные логарифмические усилители, построенные по этому принципу (AD 606, AD 640, AD 8306- AD 8310), содержат от 6 до 9 усилителей-ограничителей с усилением 10 – 12 дБ и обеспечивают точность преобразования 1,5 – 3 дБ в динамическом диапазоне 60 – 100 дБ полосы частот
до 500 МГц.

Следует отметить, что для реализации такого динамического диапазона в преобразователях на основе АЦП и нелинейного цифрового преобразования потребуется 16- или 17-разрядный АЦП, что в указанном частотном диапазоне в настоящее время нереализуемо.




Поделиться с друзьями:


Дата добавления: 2014-11-29; Просмотров: 2299; Нарушение авторских прав?; Мы поможем в написании вашей работы!


Нам важно ваше мнение! Был ли полезен опубликованный материал? Да | Нет



studopedia.su - Студопедия (2013 - 2026) год. Все материалы представленные на сайте исключительно с целью ознакомления читателями и не преследуют коммерческих целей или нарушение авторских прав! Последнее добавление




Генерация страницы за: 0.008 сек.