Студопедия

КАТЕГОРИИ:


Архитектура-(3434)Астрономия-(809)Биология-(7483)Биотехнологии-(1457)Военное дело-(14632)Высокие технологии-(1363)География-(913)Геология-(1438)Государство-(451)Демография-(1065)Дом-(47672)Журналистика и СМИ-(912)Изобретательство-(14524)Иностранные языки-(4268)Информатика-(17799)Искусство-(1338)История-(13644)Компьютеры-(11121)Косметика-(55)Кулинария-(373)Культура-(8427)Лингвистика-(374)Литература-(1642)Маркетинг-(23702)Математика-(16968)Машиностроение-(1700)Медицина-(12668)Менеджмент-(24684)Механика-(15423)Науковедение-(506)Образование-(11852)Охрана труда-(3308)Педагогика-(5571)Полиграфия-(1312)Политика-(7869)Право-(5454)Приборостроение-(1369)Программирование-(2801)Производство-(97182)Промышленность-(8706)Психология-(18388)Религия-(3217)Связь-(10668)Сельское хозяйство-(299)Социология-(6455)Спорт-(42831)Строительство-(4793)Торговля-(5050)Транспорт-(2929)Туризм-(1568)Физика-(3942)Философия-(17015)Финансы-(26596)Химия-(22929)Экология-(12095)Экономика-(9961)Электроника-(8441)Электротехника-(4623)Энергетика-(12629)Юриспруденция-(1492)Ядерная техника-(1748)

Простейшие ПЧ




Принцип работы любого ПЧ основан на нелинейности ВАХ (вольт -амперной характеристики) (рис.12.1), которая представляет собой зависимость тока протекающего через диод, от приложенного к нему напряжения.

При анализе работы всех ПЧ будем считать, что они работают в режиме больших амплитуд (РБА), т.е. выполняется неравенство: Еω> > Е (амплитуда несущего колебания много больше амплитуды информационного преобразуемого сигнала).

Для исследования спектрального состава тока на выходе ПЧ принимают:

еw = Еwcos wt, е = Тогда напряжение поступающее на диод равно сумме: Uд = Еw cos wt + ЕW cos W t. Так как ВАХ диода аппроксимируется полиномом третьей степени, то можно записать следующее:

iд = а0 + а1 Uд + а2 U2д + а3 U3д.

Таким образом, на выходе ПЧ спектр выходного тока будет определяться выражением (), где m и n целые числа.

Простейший преобразователь частоты вносит затухание в модулированный сигнал как минимум: ар = 10 дБ.

Основным недостатком простейшего ПЧ является наличие несущей частоты на выходе схемы.

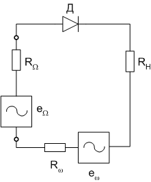
Схеме простейшего пассивного ПЧ и временные характеристики тока и напряжения в разных точках схемы представлены на рисунке 7.

Рисунок 7 - Схема простейшего модулятора




Поделиться с друзьями:


Дата добавления: 2014-12-16; Просмотров: 704; Нарушение авторских прав?; Мы поможем в написании вашей работы!


Нам важно ваше мнение! Был ли полезен опубликованный материал? Да | Нет



studopedia.su - Студопедия (2013 - 2026) год. Все материалы представленные на сайте исключительно с целью ознакомления читателями и не преследуют коммерческих целей или нарушение авторских прав! Последнее добавление




Генерация страницы за: 0.011 сек.