Студопедия

КАТЕГОРИИ:


Архитектура-(3434)Астрономия-(809)Биология-(7483)Биотехнологии-(1457)Военное дело-(14632)Высокие технологии-(1363)География-(913)Геология-(1438)Государство-(451)Демография-(1065)Дом-(47672)Журналистика и СМИ-(912)Изобретательство-(14524)Иностранные языки-(4268)Информатика-(17799)Искусство-(1338)История-(13644)Компьютеры-(11121)Косметика-(55)Кулинария-(373)Культура-(8427)Лингвистика-(374)Литература-(1642)Маркетинг-(23702)Математика-(16968)Машиностроение-(1700)Медицина-(12668)Менеджмент-(24684)Механика-(15423)Науковедение-(506)Образование-(11852)Охрана труда-(3308)Педагогика-(5571)Полиграфия-(1312)Политика-(7869)Право-(5454)Приборостроение-(1369)Программирование-(2801)Производство-(97182)Промышленность-(8706)Психология-(18388)Религия-(3217)Связь-(10668)Сельское хозяйство-(299)Социология-(6455)Спорт-(42831)Строительство-(4793)Торговля-(5050)Транспорт-(2929)Туризм-(1568)Физика-(3942)Философия-(17015)Финансы-(26596)Химия-(22929)Экология-(12095)Экономика-(9961)Электроника-(8441)Электротехника-(4623)Энергетика-(12629)Юриспруденция-(1492)Ядерная техника-(1748)

Исследование операционного усилителя




ЛАБОРАТОРНАЯ РАБОТА № 6

 

Цель работы: ознакомление с параметрами и характеристиками операционного усилителя и его применением в усилителях, компараторах, сумматорах и генераторах.

Описание лабораторной установки.

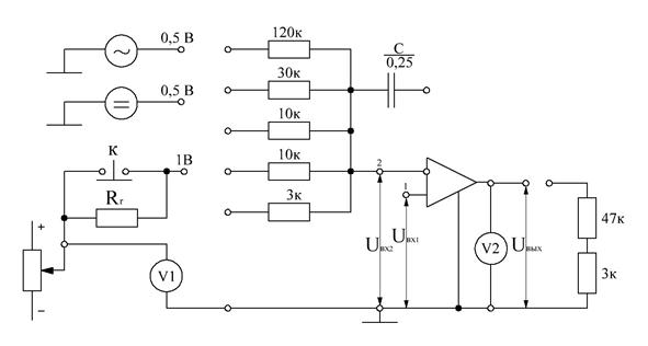
Макет лабораторной установки для исследования операционного усилителя (рис. 6.1) состоит из:

- операционного усилителя типа К140УД1Б;

- конденсатора и резисторов, предназначенных для образования цепей обратной связи и нагрузки;

- источника переменного синусоидального напряжения (действующее значение напряжения 0,5 В);

- источника постоянного напряжения (0,5 В);

- источника постоянного регулируемого напряжения (±1 В);

- вольтметра, измеряющего выходное напряжение.

Рис. 6.1. Лицевая панель лабораторной установки

 

Исследуемые схемы усилителей собираются на макете путем соединений гибкими проводниками. Входное напряжение измеряется переносным электронным вольтметром. Кнопка К предназначена для ввода резистора Rг в цепь источника входного напряжения при измерении входного сопротивления.

Пояснения и указания к работе

Операционный усилитель (ОУ) представляет собой многокаскадный усилитель постоянного тока с большим коэффициентом усиления и дифференциальным входом, т.е. ОУ имеет два входных вывода: неинвертирующий (рис. 6.1, вход 1) и инвертирующий (рис. 6.1, вход 2). При подаче сигнала на неинвертирующий вход приращение выходного сигнала совпадает по знаку с приращением входного сигнала. При подаче сигнала на инвертирующий вход приращение выходного сигнала имеет обратный знак. ОУ усиливает разность входных сигналов Uвых = КuОУ∙Uвx, где Uвх = Uвх1 – Uвх2 - дифференциальный входной сигнал; КuОУ - коэффициент усиления ОУ по напряжению.

При Uвх1 < Uвх2 выходное напряжение отрицательно. При подаче сигнале только на один вход второй вход заземляется.

Зависимость Uвых = f(Uвх) представляет передаточную характеристику ОУ (рис. 6.2). Характеристика имеет наклонный и горизонтальный участки. Наклонному (линейному) участку соответствует пропорциональная зависимость выходного напряжения от входного. Угол наклона определяется коэффициентом усиления ОУ. Горизонтальные участки соответствуют режиму полностью открытого (насыщенного) либо закрытого транзистора выходного каскада ОУ. При изменении Uвx выходное напряжение на этих участках остается без изменения и определяется напряжениями изначения которых близки к напряжению Ек источников питания.

В идеальном ОУ характеристика проходит через начало координат, т.е. при Uвх = 0 Uвых. = 0. Это состояние баланса ОУ, а в реальном ОУ наблюдается разбаланс. При Uвх = 0 Uвых ≠ 0 (рис. 6.2, кривая 2). Напряжение Uсм0, при котором Uвых = 0, называется входным напряжением смещения нуля. Причина разбаланса - несимметрия при изготовлении схемы, несимметрия эксплуатации (источников питания), старение элементов. Балансировка осуществляется путем подачи на один из входов ОУ дополнительного напряжения и введения резисторов в его входные цепи.

Рис. 6.2. Передаточная характеристика идеального (1)

и реального (2) ОУ

 

Амплитудно-частотная характеристика (АЧХ) (рис. 6.3, а) имеет спадающий характер в области высоких частот, начиная с частоты среза fср. Причиной этого является частотная зависимость параметров транзисторов и паразитных емкостей схемы ОУ. Полоса пропускания ОУ оценивается по граничной частоте fгр., которой соответствует снижение коэффициента усиления в раз.

Фазо-частотная характеристика ОУ имеет вид, показанный на рис. 6.3, б. Видно, что для некоторой высокой частоты фазовый сдвиг при подаче сигнала на инвертирующий вход составляет 360°, что соответствует положительной обратной связи по инвертирующему входу. Это приводит к самовозбуждению схемы. Для устранения самовозбуждения в ОУ вводят внешние корректирующие RС-цепи.

Рис. 6.3. Амплитудно-частотная (а) и фазо-частотная (б) характеристики ОУ

 

Примеры построения аналоговых и импульсных схем на ОУ

Неинвертирующий усилитель (рис. 6.4) имеет последовательную отрицательную обратную связь (ООС) по напряжению, организованную по инвертирующему входу.

Рис. 6.4. Схема неинвертирующего усилителя

Входной сигнал подается на неинвертирующий вход. Коэффициент усиления усилителя с ООС

,

где: ;

Так как KU∙γ >> 1, , то из этого следует, что коэффициент усиления по напряжению неинвертирующего усилителя с ООС определяется только параметрами пассивной части схемы. Стабильность коэффициента усиления повышается, что улучшает частотную характеристику. Так как на входе усилителя действует напряжение Uo = Uвx ‒ Uоc ≤ Uвx, амплитудная характеристика будет иметь больший линейный участок. Последовательная ООС по напряжению увеличивает входное сопротивление усилителя до сотен кОм и выше, и снижает выходное сопротивление до долей Ом. Если Rоc = 0, R1→ ∞, то получится схема повторителя с KU = 1.

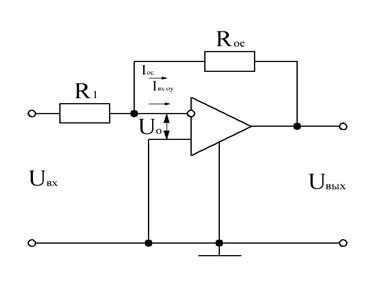
Инвертирующий усилитель (рис. 6.5) создается введением по инвертирующему входу ОУ параллельной отрицательной обратной связи по напряжению.

Рис. 6.5. Схема инвертирующего усилителя

Входной сигнал подается на инвертирующий вход через резистор Rl. Неинвертирующий вход заземляется. Если принять IвхОУ = 0, то Iвх = Iос,

где Iвх = Uвх/R1, Iос = ‒Uвых/Rос. Откуда Ku = Uвых/Uвх = ‒Roc/R1. Следовательно, коэффициент усиления инвертирующего усилителя определяется параметрами пассивной части схемы.

При Rос = R1 схема приобретает свойства инвертирующего повторителя. Поскольку U0 → 0 Rвх = R1. Выходное сопротивление усилителя .

При КUОУ → ∞ Rвых близко к нулю.

Схема инвертирующего сумматора (рис. 6.5) выполняется по типу инвертирующего усилителя с числом параллельных ветвей на входе, равным количеству сигналов, предназначенных для сложения. При Iвхоу = 0 имеем Ioc = Iвх1 + Iвх2 или ‒Uвых/Roc = Uвх1/R1 + Uвх2/R2 при R1 = R2 = R

Uвых = ‒Roc/R (Uвх1 + Uвх2).

Рис. 6.6. Схема инвертирующего сумматора

 

Интегрирующий усилитель (рис. 6.7) создается на основе инвертирующего усилителя путем включения конденсатора в цепь ОС.

При IвхОУ = 0 имеем Iвх = ‒Iс, где Iвх = Uвх/R, Ic = СdUc/dt = СdUвых/dt. Отсюда Uвх/R = ‒СdUвых/dt. RC = τ- постоянная времени интегрирования.

Рис. 6.7. Схема интегрирующего усилителя

 

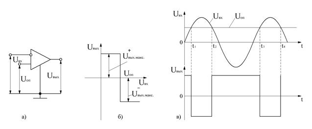
Компаратор. Входное напряжение ОУ при Uвх = (Uвх1 ‒ Uвх2) ≠ Uвх.пор. определяется либо напряжением , либо (рис. 6.2). Поскольку Uвх.пор. мало (0,5...10 мВ), можно принять Uвх.пор. = 0. Тогда Uвых = , если (Uвх1 ‒ Uвх2) > 0 и Uвых = , если (Uвх1 ‒ Uвх2) < 0, или Uвых = , если Uвх1 > Uвх2, и Uвых = , если Uвх1 < Uвх2, то есть ОУ является схемой сравнения двух напряжений. Подобные схемы называются компараторами. Простейшая схема компаратора, временные диаграммы и его передаточная характеристика показаны на рис. 6.8.

Рис. 6.8. Схема компаратора на ОУ (а), его передаточная характеристика (б) и временные диаграммы (в)

 

На прямой вход ОУ подается опорное постоянное напряжение положительной или отрицательной полярности Uоп, на инвертирующий вход переменное Uвх, При достижении входным напряжением уровня Опорного напряжения происходит изменение полярности выходного напряжения. Выходное напряжение компаратора имеет вид прямоугольных импульсов, ширина которых зависит от уровня опорного напряжения.

На рис. 6.9 приведена схема симметричного мультивибратора на ОУ. Ее основой служит компаратор на ОУ с положительной обратной связью. На интервале времени 0…t1 напряжение питания равно 0, конденсатор С разряжен, Uc = 0, Uвых = 0 (рис. 6.9, б, в).

При включении источника питания в момент времени t1, Uвых станет положительным (или отрицательным, процесс случайный). По цепи ОС (R1, R2) приращение выходного напряжения передается на прямой вход ОУ, усиливается им и вновь подается на прямой вход ОУ и т. д. Процесс развивается лавинообразно и заканчивается, когда Uвых достигнет значения Uвых макс. Конденсатор С начнет заряжаться с постоянной времени τ = RC. Напряжение на нем Uc стремится к значению . В момент времени t2 напряжение на конденсаторе (инвертирующем входе) достигнет значения напряжения на прямом входе γ , где γ = R1/(R1 + R2), и ОУ сработает как компаратор. Выходное напряжение станет равным . Конденсатор С начнет перезаряжаться, в момент времени t3 напряжение Uc достигнет значения на прямом входе γ Uвых. макс, произойдет очередное опрокидывание схемы и т. д. Выходное напряжение мультивибратора на ОУ представляет собой разнополярные прямоугольные импульсы с амплитудой, равной и и частотой следования

.

 

Рис. 6.9. Схема симметричного мультивибратора (а) и временные диаграммы его работы (б, в)

 

Предварительное задание

1. Для исследуемого операционного усилителя типа К140УД1Б (Ек = ± 12,6 В, КuОУ = 1300, Uсм = ±10 мВ) нарисовать вид передаточной характеристики Uвыx = f(Uвх1) при Uвх2 = 0 и Uвх2 = 0,5 В.

2. Выбрать элементы цепи обратной связи неинвертирующего усилителя (рис. 6.4) из имеющихся в макете лабораторной установка для получения коэффициента усиления К = 5 и К = 41,

3. Выбрать элементы инвертирующего усилителя (рис. 6.5) для получения K = 4 и K = 40,

4. Выбрать элементы для двухвходового инвертирующего сумматора

(рис. 6.6) К = 3,

, U = K(UВХ1 + UВХ2)

5. Рассчитать в соответствии с вариантами значений резистора R период Т и частоту f выходного напряжения мультивибратора (рис. 6.3) при

С = 0,25 мкФ, R2 = 47 кОм, R1 = 3 кОм.

Таблица 6.1.

Варианты        
R, кОм        

 

Рабочее задание.

1. Снять и построить передаточную характеристику операционного усилителя Uвых = f(Uвx1) при U2 = 0 для Rн = 3 кОм, Rн = 50 кОм и при U2 = +0,5 В для Rн = 50 кОм.

 

Для этого:

1.1. Собрать схему, приведенную на рис. 6.10.

Рис. 6.10. Схема для снятия передаточной характеристики

 

1.2. Изменяя потенциометром входное напряжение, подаваемое на прямой вход ОУ, от 0 до Uвх макс., соответствующего линейному участку характеристики, записать в таблицу 6.2 значения Uвыx

Таблица 6.2.

Uвх1, мВ               ‒2 ‒4 ‒6 ‒8 ‒10 ‒12
Uвых, В                          

 

1.3. По характеристике определить , , , Uвых.см,

, (рис. 6.2);

2. Исследовать работу компаратора, для этого:

2.1. Подать на прямой вход ОУ постоянное регулируемое напряжение, а на инвертирующий вход синусоидальное напряжение ~0,5 В;

2.2. Зарисовать осциллограмму Uвых для U2 = ~ 0,5 В и U1 = 0 В и

U1 = +0,5 В;

3. Для неинвертирующего усилителя (рис. 6.4) с параметрами из п. 2 предварительного расчета:

3.1. Снять и построить передаточные характеристики;

3.2. Измерить входное сопротивление усилителя. Для этого при Uвх, соответствующем линейному участку передаточной характеристики, измерить Uвых.. Затем ввести во входную цепь резистор Rг и изменить входное напряжение до величины , при которой выходное напряжение примет прежнее значение Uвых.

.

3.3. Зарисовать осциллограммы Uвых при K = 5 и K = 41 и при синусоидальном входном напряжении Uвх = ~ 0,5 В.

4. Для инвертирующего сумматора (рис. 6.6) с параметрами из п.3 предварительного расчета:

4.1. Снять и построить передаточные характеристики;

4.2. Измерить входное сопротивление усилителя;

5. Для инвертирующего сумматора (рис. 6.6) с параметрами из п. 4 предварительного расчета:

5.1. Измерить Uвых при Uвх1 = + 0,5 В и при Uвх2 = 0; Uвх2 = + 0,5 В; Uвх2 = ‒ 1В;

5.2. Зарисовать осциллограмму Uвых при синусоидальном Uвх1 = ~ 0,5 В и постоянном Uвх2 = + 0,5 В;

6. Для мультивибратора (рис. 6.9, а) с параметрами из п. 5 предварительного задания и варианта по заданию преподавателя;

6.1. Зарисовать осциллограммы Uвых и Uc;

6.2. Измерить период и частоту выходного напряжения, используя метки времени осциллографа;

 

 

КОНТРОЛЬНЫЕ ВОПРОСЫ

1. Что такое операционный усилитель?

2. Чем отличается инвертирующий вход от неинвертирующего?

3. Поясните амплитудно-частотную и фазо-частотную характеристики.

4. Поясните передаточную характеристику ОУ.

5. Как устранить самовозбуждение ОУ?

6. Что является причиной разбаланса ОУ? Как осуществляется балансировка ОУ?

7. Какими параметрами характеризуется ОУ?

8. Поясните схему неинвертирующего ОУ. Чем определяется его коэффициент усиления?

9. Поясните схему инвертирующего усилителя. Чем определяется его коэффициент усиления?

10. Поясните схему сумматора и интегратора на ОУ.

11. Что такое компаратор? Поясните работу ОУ в режиме компаратора.

12. Что такое триггер Шмитта?

13. Поясните принцип действия симметричного мультивибратора на ОУ.

14. Как определить частоту следования выходных импульсов мультивибратора на ОУ?

 

СПИСОК ЛИТЕРАТУРЫ

1. Горбачев Г. Н., Чаплыгин Е. Е. Промышленная электроника. - М.: Энергоатомиздат, 1988. – 320 с.

2. Забродин Ю. С. Промышленная электроника. – М.: Высшая школа, 1982. – 325 с.

3. Полупроводниковые выпрямители / под ред. Ф. И. Ковалева и Г. П. Мостковой. – М.: Энергия, 1978.

 

 




Поделиться с друзьями:


Дата добавления: 2014-11-29; Просмотров: 7902; Нарушение авторских прав?; Мы поможем в написании вашей работы!


Нам важно ваше мнение! Был ли полезен опубликованный материал? Да | Нет



studopedia.su - Студопедия (2013 - 2025) год. Все материалы представленные на сайте исключительно с целью ознакомления читателями и не преследуют коммерческих целей или нарушение авторских прав! Последнее добавление




Генерация страницы за: 0.013 сек.