Студопедия

КАТЕГОРИИ:


Архитектура-(3434)Астрономия-(809)Биология-(7483)Биотехнологии-(1457)Военное дело-(14632)Высокие технологии-(1363)География-(913)Геология-(1438)Государство-(451)Демография-(1065)Дом-(47672)Журналистика и СМИ-(912)Изобретательство-(14524)Иностранные языки-(4268)Информатика-(17799)Искусство-(1338)История-(13644)Компьютеры-(11121)Косметика-(55)Кулинария-(373)Культура-(8427)Лингвистика-(374)Литература-(1642)Маркетинг-(23702)Математика-(16968)Машиностроение-(1700)Медицина-(12668)Менеджмент-(24684)Механика-(15423)Науковедение-(506)Образование-(11852)Охрана труда-(3308)Педагогика-(5571)Полиграфия-(1312)Политика-(7869)Право-(5454)Приборостроение-(1369)Программирование-(2801)Производство-(97182)Промышленность-(8706)Психология-(18388)Религия-(3217)Связь-(10668)Сельское хозяйство-(299)Социология-(6455)Спорт-(42831)Строительство-(4793)Торговля-(5050)Транспорт-(2929)Туризм-(1568)Физика-(3942)Философия-(17015)Финансы-(26596)Химия-(22929)Экология-(12095)Экономика-(9961)Электроника-(8441)Электротехника-(4623)Энергетика-(12629)Юриспруденция-(1492)Ядерная техника-(1748)

Цементація сталі




Цементація – це технологічний процес дифузійного насичення поверхневого шару стальних деталей вуглецем.

Цементацію здійснюють для отримання твердої, стійкої до зношення поверхні, що досягається збагаченням поверхневого шару металу деталей вуглецем і подальшими гартуванням і низьким відпусканням. Крім того, після такого комплексного процесу підвищується границя контактної витривалості і границя міцності при згині і крутінні.

Для цементації звичайно використовують низьковуглецеві сталі, які містять 0,1...0,25 % вуглецю. Це забезпечує збереження серцевиною деталі, яка не насичується вуглецем при цементації, високої в’язкості після гартування. Поверхні деталі, які не підлягають цементації, захищають шаром міді завтовшки 0,02...0,05 мм. Цементації звичайно піддають деталі машин, які повинні мати стійку до зношення робочу поверхню і в’язку серцевину: зубчасті колеса, вали, пальці, розподільчі вали, кулачки, черв’яки тощо.

Цементацію проводять, як правило, при температурах, що перевищують точку Ас3 (930...950 0С), при яких стійкою фазою є аустеніт, який розчиняє вуглець у великих кількостях.

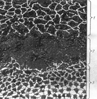
Цементований шар має змінну концентрацію вуглецю по глибині, яка зменшується від поверхні до серцевини деталі. На поверхні деталі концентрація вуглецю після цементації досягає 0,8...1,0 %. Тому в структурі цементованого шару після повільного охолодження можна виділити три зони (рис.8.4): заевтектоїдну, що складається з перліту і цементиту; евтектоїдну, що складається тільки з пластинчастого перліту; і доевтектоїдну, що складається з перліту і фериту з поступовим зменшенням кількості перліту і збільшенням кількості фериту.

 

Поверхня деталі

Рис.8.4. Мікроструктура дифузійного шару після цементації низьковуглецевої сталі: 1 – заевтектоїдна зона; 2 – евтектоїдна зона; 3 – доевтектоїдна зона

Товщина цементованого шару звичайно становить 0,5...1,8 мм. При цьому зі збільшенням температури процесу збільшується товщина шару, яку отримують за певний проміжок часу.

Для забезпечення максимального опору контактній втомі кількість вуглецю на поверхні може бути підвищена до 1,1...1,2%. Але вища його концентрація викликає погіршення механічних властивостей цементованого виробу.

На практиці найчастіше застосовують два способи цементації: у твердому і газовому карбюризаторі.

Цементація у твердому карбюризаторі. Найбільш розповсюджений твердий карбюризатор складається в основному з деревного вугілля з додаванням вуглекислих солей (ВаСО3, Na2CO3 та ін.) у кількості 10...40% від маси вугілля.

Деталі укладають у металеві ящики і засипають карбюризатором. Ящики герметизують, замазуючи щілини між кришкою і ящиком вогнетривкою глиною, завантажують у піч і витримують при температурі 930…950 С0. При цьому у цементаційному ящику відбуваються такі процеси:

1) вуглець деревного вугілля взаємодіє з киснем повітря, що залишився у ящику, за реакцією:

2С+О2 → 2СО; (8.4)

2) вуглекислий барій і натрій при нагріванні розкладаються за реакціями:

ВаСО3 → ВаО+СО2; (8.5)

Na2CO3→Na2O+CO2; (8.6)

3) вуглекислий газ взаємодіє з вуглецем вугілля, утворюючи оксид вуглецю:

СО2+С→ 2СО; (8.7)

4) оксид вуглецю, який утворився, розкладається у присутності заліза за реакцією:

2СО ↔ СО2 + Сат; (8.8)

5) активний атомарний вуглець, який утворюється в результаті реакції (8.7), абсорбується поверхнею деталі:

Feγ+Cат→ Feγ(C); (8.9)

6) розчинений вуглець дифундує вглиб металу, утворюючи дифузійний шар з підвищеним його вмістом.

Вуглекислі солі служать для активізації карбюризатора, прискорюючи швидкість утворення атомарного вуглецю за реакціями (8.5), (8.6), (8.7) і (8.8).

Тривалість цементації твердими карбюризаторами залежить від розмірів ящика та потрібної товщини шару і становить 10...20 год. Після цементації ящики охолоджують на повітрі до 400...500 0С, потім розкривають.

Газова цементація. Її сутність полягає в тому, що процес здійснюється в печах з герметичною камерою, наповненою газовим карбюризатором. Як цементуючий газ використовують природний газ, пропан-бутанові суміші, рідкі вуглеводні, а також ендогази.

Газова цементація, порівняно з цементацією в твердому карбюризаторі, має переваги, основними з яких є:

1) можливість забезпечення заданої концентрації вуглецю у поверхневому шарі;

2) скорочення тривалості процесу завдяки відсутності в технологічному процесі цементаційних ящиків з малотеплопровідним карбюризатором;

3) можливість повної механізації та автоматизації процесу завдяки спрощенню термічної обробки деталей після цементації (гартування можна проводити безпосередньо з цементаційного нагріву після попереднього підстужування).

При використанні природного газу, основною складовою якого є метан СН4, атомарний вуглець утворюється при дисоціації метану:

СН4→Сат+2Н2. (8.10)

Процес здійснюють при температурі 910...930 0С протягом 6...12 год, при цьому одержують цементований шар завтовшки 1,0...1,7 мм.

Кінцеві властивості цементовані деталі отримують у результаті термічної обробки, яку проводять після цементації. Така обробка проводиться для виправлення структури серцевини і цементованого шару після тривалого високотемпературного процесу цементації, отримання високої твердості і стійкості до зношення поверхневого шару та добрих механічних властивостей серцевини деталі. У більшості випадків, особливо при обробці спадково дрібнозернистих сталей, застосовують гартування з температури 820...850 0С. Така обробка забезпечує подрібнення зерна, повне гартування цементованого шару і часткову перекристалізацію та подрібнення зерна серцевини.

Після газової цементації часто проводять гартування безпосередньо із цементаційної печі після охолодження до 840...860 0С. Така обробка не виправляє структуру цементованого шару і серцевини, тому її застосовують тільки для виробів, виготовлених із спадково дрібнозернистих сталей.

Інколи термічна обробка після цементації складається з подвійного гартування і відпуску. Перше гартування (або нормалізація) з нагріванням до 880...900 0С проводять для виправлення структури серцевини, а друге гартування (760...780 0С) – для усунення перегрівання цементованого шару і надання йому високої твердості та стійкості до зношення. Заключною операцією термічної обробки цементованих виробів є низьке відпускання (160...180 0С), яке зменшує внутрішні напруги, поліпшує механічні властивості, зберігаючи високі твердість і стійкість до зношення поверхні деталі.

 




Поделиться с друзьями:


Дата добавления: 2014-11-29; Просмотров: 412; Нарушение авторских прав?; Мы поможем в написании вашей работы!


Нам важно ваше мнение! Был ли полезен опубликованный материал? Да | Нет



studopedia.su - Студопедия (2013 - 2026) год. Все материалы представленные на сайте исключительно с целью ознакомления читателями и не преследуют коммерческих целей или нарушение авторских прав! Последнее добавление




Генерация страницы за: 0.009 сек.