Студопедия

КАТЕГОРИИ:


Архитектура-(3434)Астрономия-(809)Биология-(7483)Биотехнологии-(1457)Военное дело-(14632)Высокие технологии-(1363)География-(913)Геология-(1438)Государство-(451)Демография-(1065)Дом-(47672)Журналистика и СМИ-(912)Изобретательство-(14524)Иностранные языки-(4268)Информатика-(17799)Искусство-(1338)История-(13644)Компьютеры-(11121)Косметика-(55)Кулинария-(373)Культура-(8427)Лингвистика-(374)Литература-(1642)Маркетинг-(23702)Математика-(16968)Машиностроение-(1700)Медицина-(12668)Менеджмент-(24684)Механика-(15423)Науковедение-(506)Образование-(11852)Охрана труда-(3308)Педагогика-(5571)Полиграфия-(1312)Политика-(7869)Право-(5454)Приборостроение-(1369)Программирование-(2801)Производство-(97182)Промышленность-(8706)Психология-(18388)Религия-(3217)Связь-(10668)Сельское хозяйство-(299)Социология-(6455)Спорт-(42831)Строительство-(4793)Торговля-(5050)Транспорт-(2929)Туризм-(1568)Физика-(3942)Философия-(17015)Финансы-(26596)Химия-(22929)Экология-(12095)Экономика-(9961)Электроника-(8441)Электротехника-(4623)Энергетика-(12629)Юриспруденция-(1492)Ядерная техника-(1748)

Основи розрахунку фільтрів НВЧ




Задача розрахунку фільтрів і етапи її розв’язання. До вихідних даних для розрахунку фільтрів належать вимоги до ЧХ ослаблення, рідше – до ФЧХ; втрати у смузі пропускання L 0; конструктивні параметри та ін. Результатом розрахунку є параметри реактивних елементів, що реалізують задану ЧХ, їх розміри й вигляд конструкції фільтра в цілому.

Задача розрахунку (синтезу) фільтрів складається з етапів апроксимації, реалізації й оптимізації:

·спочатку задану ЧХ апроксимують фізично реалізованою функцією; методи апроксимації вивчають у теорії електричних кіл;

· на етапі реалізації (розрахунку) відшукують таку схему та параметри її елементів, ЧХ ослаблення якої збігається з апроксимаційною функцією;

· етап оптимізації полягає в підборі таких номіналів елементів, щоб якнайкраще задовольнити критерії оптирисьності щодо чутливості до допусків, маси, габаритних показників, вартості тощо.

Вихідні співвідношення для розрахунку СПФ. Задані значення ослаблення в смузі пропускання L п = (P вх/ P вих)сп й затримування L з = (P вх/ P вих)сз можна реалізувати для різної форми ЧХ робочого ослаблення.

Максирисьно плоску частотну характеристику СПФ можна описати поліномом:

де v - частотна змінна (відносна розстройка)

v п - частотна змінна на межі смуги пропускання, що збігається за значенням з відносною смугою пропускання; n – кількість резонаторів.

Показник ступеня беруть 2 n, оскільки характеристика L (¦) - це залежність ослаблення потужності від частоти. Величина h 2 визначає нерівномірність ослаблення в смузі пропускання. Зокрема, для v = v п маємо L п = 1 + h 2. Якщо взяти h 2 = 1, то L п = 3 дБ. Значення n обчислюють для заданих значень v п, L пта v з, L з:

У разі чебишовської характеристики поліноміального СПФ функція робочого ослаблення має вигляд

де Тn (х) - поліном Чебишова першого роду n- го порядку:

= .

Ця форма зручна для Ця форма зручна

x £ 1, тобто для для x ³ 1, тобто для області

смуги пропускання поза смугою пропускання

Кількість ланок (резонаторів) фільтра, виходячи із заданих вимог до ЧХ, визначається співвідношенням

 

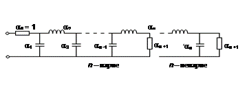
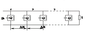
Розрахунок НВЧ смугових фільтрів із /4-зв’язками з використанням ФНЧ-прототипа. Одну з можливих конструкцій n -резонаторного фільтра із чвертьхвильовими зв’язками подано на рис. 1.73, схему його заміщення – на рис. 1.91.

Уважають, що характеристика кожного k- го резонатора, настроєного на центральну частоту фільтра, подібна характеристиці паралельного контуру з відносною провідністю Yk = j 2 Qk, де Qk = w0 Ck /(2 Y 0) - навантажена добротність для навантаження

Gk = 2 Y 0 (до кожного контуру підключено лінії ліворуч і праворуч із хвильовою провідністю Y 0 кожна).

Використовуючи трансформувальні властивості чвертьхвильового відрізка лінії, запишемо вираз для вхідної провідності всього фільтра

звідки

(1.69)

 

Отже, Y вх та частотна залежність ослаблення фільтра від розстройки v визначаються значеннями добротностей кожного з n контурів.

Для обчислення значень Qk, що дають змогу реалізувати заданий вид ЧХ, зіставимо отриманий вираз із виразом для вхідної провідності ФНЧ-прототипу, схему якого показано на рис.1.92.

Вхідну провідність ФНЧ-прототипу

можна подати виразом

 

 

Тут W = f / f н - нормована частота; - нормована провідність непарних і нормований опір парних елементів ФНЧ-прототипу.

Порівнюючи вирази (1.69) та (1.70), можна твердити, що вхідні провідності ФНЧ та СПФ однакові, якщо 2 Qkv = Wa k; k = 1, …, n; a n +1 = 1. У цьому випадку однакові коефіцієнти відбиття й частотні характеристики ослаблення фільтрів.

Цей факт дає можливість використовувати для визначення добротностей ланок смугового фільтра НВЧ значення табульованих нормованих параметрів a k ФНЧ-прототипу, які наведено в довідниках. Наприклад, у [25] наведено програми розрахунку фільтрів із МПЧХ, ЧЧХ (ідеальних та з втратами), а також Кауера – Золотарьова (ідеальних) за допомогою популярної математичної системи MAPLE V для персональних комп’ютерів.

Зазвичай параметри ФНЧ-прототипу нормують так, що на межі смуги пропускання W0 (беруть W0 = 1) значення провідностей і опорів дорівнюють a k. Для заданої смуги пропускання СПФ значення Qk вибирають так, щоб 2 Qkv п = a k, звідки Qk = a k /(2 v п). При

цьому ЧХ ослаблення смугових фільтрів НВЧ у функції розстройки v збігається з частотною характеристикою ФНЧ-прототипу у функції W в межах 1...W0 (із точністю до дзеркального відображення на від’ємну піввісь).

Зв’язок між частотними змінними, для яких характеристики мають

однакові значення, визначають рівності

Рівність a n +1 = 1 виконується для будь-якого n у разі фільтрів із МПЧХ і тільки для непарних n у разі фільтрів із ЧЧХ (для парного n ця рівність неправдива, бо щоб реалізувати такі фільтри, хвильові опори сполучних відрізків і лінії навантаження мають бути різними).

Основна перевага фільтрів із /4-зв’язками – можливість настроювати кожний резонатор окремо на центральну частоту ¦0; після складання фільтра настройка на ¦0 зберігається.

Особливість розрахунку фільтрів із безпосередніми зв’язками. До СПФ із безпосередніми зв’язками належать хвилевідні фільтри з плоскими неоднорідностями (див рис. 1.72), фільтри на смужкових і коаксіальних резонаторах із розподіленим і зосередженим зв’язком і т. ін. Вузькосмугові (v п £ 10 %) фільтри синтезують на основі ФНЧ-прототипів на LC -елементах – за їх нормованими параметрами a k визначають КСХ неоднорідностей, потім за КСХ обчислюють потрібні значення реактивностей неоднорідностей, а далі виконують конструктивний розрахунок. Широкосмугові фільтри (v п > 10%) синтезують на основі табульованих параметрів східчастих трансформаторів-прототипів за довідниками, наприклад [10].

Основна перевага фільтрів із безпосередніми зв’язками – малі габарити (відносно фільтрів із /4-зв’язками для того самого п). Істотний недолік – труднощі настроювання фільтрів через вплив реактивності однієї неоднорідності відразу на два сусідні резонатори.

Особливості розрахунку фільтрів на ДР. Мета розрахунку ФДР - за заданою ЧХ ослаблення визначити вид і конструктивні розміри всіх елементів і фільтра в цілому.

Фільтри на ДР (СПФ і СЗФ), виконані у вигляді каскадного з’єднання ДР, розраховують зазвичай з використанням ФНЧ-прототипу. На першому етапі розрахунку визначають кількість ланок n,власну добротність Q 0 та коефіцієнти зв’язку Kk, k +1 проміжних резонаторів, зовнішню добротність Q 1, n крайніх ДР.

На другому етапі вибирають матеріал і тип одномодових у робочій смузі частот ДР; обчислюють їх конструктивні розміри та відстань між ними; вид і розміри елементів

зв’язку крайніх ДР із ЛП, габаритні розміри екрана (позамежного хвилеводу) та ФДР у цілому з урахуванням НВЧ рознімань.

Пояснимо, як вибирають матеріал і тип одномодових ДР. За допустимим рівнем дисипативних втрат L 0 на центральній частоті смуги пропускання та визначеною на першому етапі кількістю резонаторів зі співвідношення Q 0 = 4,343 n /(L 0 Vn) визначають мінірисьно допустиме значення Q 0. Зі співвідношення tgd £ 1/((1,2...1,3) Q 0) обчислюють максирисьно допустиме значення tgd (множник 1,2...1,3 дає змогу врахувати погіршення Q 0 внаслідок впливу екрана й елементів кріплення ДР), за яким оцінюють придатність того чи іншого матеріалу. Тип ДР вибирають з урахуванням потрібної віддаленості найближчого вищого типу коливань, зручності компонування ДР та інших факторів.

Дотепер не створено загальної (для всіх типів ФДР) інженерної методики розрахунків другого етапу. Тому, проектуючи ФДР, розв’язують відповідну електродинамічну задачу або підбирають потрібні зв’язки між ДР експериментально.

Висновки

Електричні фільтри – це частотно-вибіркові чотириполюсники (багатополюсники), що пропускають спектральні складові коливань у заданій (заданих) смузі (смугах) пропускання та послаблюють (затримують) їх у заданих смугах загородження (затримування).

Елементи фільтрів НВЧ – резонатори, відрізки ЛП та неоднорідності в них; у довгохвильовій частині НВЧ діапазону можна застосовувати зосереджені індуктивності та ємності. Заданий вид ЧХ можна забезпечити підбором кількості й виду реактивних елементів або резонаторів і їх добротностей. Найбільш поширені методики розрахунку фільтрів ґрунтуються на використанні НЧ-прототипів.




Поделиться с друзьями:


Дата добавления: 2014-11-29; Просмотров: 883; Нарушение авторских прав?; Мы поможем в написании вашей работы!


Нам важно ваше мнение! Был ли полезен опубликованный материал? Да | Нет



studopedia.su - Студопедия (2013 - 2026) год. Все материалы представленные на сайте исключительно с целью ознакомления читателями и не преследуют коммерческих целей или нарушение авторских прав! Последнее добавление




Генерация страницы за: 0.01 сек.