Студопедия

КАТЕГОРИИ:


Архитектура-(3434)Астрономия-(809)Биология-(7483)Биотехнологии-(1457)Военное дело-(14632)Высокие технологии-(1363)География-(913)Геология-(1438)Государство-(451)Демография-(1065)Дом-(47672)Журналистика и СМИ-(912)Изобретательство-(14524)Иностранные языки-(4268)Информатика-(17799)Искусство-(1338)История-(13644)Компьютеры-(11121)Косметика-(55)Кулинария-(373)Культура-(8427)Лингвистика-(374)Литература-(1642)Маркетинг-(23702)Математика-(16968)Машиностроение-(1700)Медицина-(12668)Менеджмент-(24684)Механика-(15423)Науковедение-(506)Образование-(11852)Охрана труда-(3308)Педагогика-(5571)Полиграфия-(1312)Политика-(7869)Право-(5454)Приборостроение-(1369)Программирование-(2801)Производство-(97182)Промышленность-(8706)Психология-(18388)Религия-(3217)Связь-(10668)Сельское хозяйство-(299)Социология-(6455)Спорт-(42831)Строительство-(4793)Торговля-(5050)Транспорт-(2929)Туризм-(1568)Физика-(3942)Философия-(17015)Финансы-(26596)Химия-(22929)Экология-(12095)Экономика-(9961)Электроника-(8441)Электротехника-(4623)Энергетика-(12629)Юриспруденция-(1492)Ядерная техника-(1748)

Скорость IDEA




Ya

Х,

IDEA

Первый вариант шифра IDEA, предложенный Ксуеджа Лай (Xuejia Lai) и Джеймсом Масси (James Massey), появился в 1990 году [929]. Он назывался PES (Proposed Encryption Standard, предложенный стандарт шифр о-вания). В следующем году, после демонстрации Бихамом и Шамиром возможностей дифференциального кри п-тоанализа, авторы усилили свой шифр против такого вскрытия и назвали новый алгоритм IPES (Improved Proposed Encryption Standard, улучшенный предложенный стандарт шифрования) [931, 924]. В 1992 году назв а-ние IPES было изменено на IDEA (International Data Encryption Algorithm, международный алгоритм шифров а-ния данных) [925].

IDEA основывается на некоторых впечатляющих теоретических положениях и, хотя криптоанализ добился некоторых успехов в отношении вариантов с уменьшенным количеством этапов, алгоритм все еще кажется сильным. По моему мнению это самый лучший и самый безопасный блочный алгоритм, опубликованный сег о-Дня.

Будущее IDEA пока неясно. Попыток заменить им DES предпринято не было, частично потому, что он зап а-тентован и должен быть лицензирован для коммерческих приложений, и частично потому, что люди пока все еще ждут, наблюдая насколько хорошо поведет себя алгоритм в предстоящие годы криптоанализа. Его сег о-


дняшняя известность объясняется тем, что он является частью PGP (см. раздел 24.12).

Обзор IDEA

IDEA является блочным шифром, он работает с 64-битовыми блоками открытого текста. Длина ключа - 128 битов. Для шифрования и дешифрирования используется один и тот же алгоритм.

Как и другие, уже рассмотренные блочные шифры IDEA использует и запутывание, и рассеяние. Флософия, лежащая в основе проекта, представляет собой "объединение операций из различных алгебраических групп". Смешиваются три алгебраические группы, и все они могут быть легко реализованы как аппаратно, так и пр о-граммно:

— XOR

-Сложение по модулю 216

- Умножение по модулю 216 + 1. (Это операцию можно рассматривать как S-блок IDEA.)

Все эти операции (а в алгоритме используются только они, перестановки на битовом уровне не применяю т-ся) работают с 16-битовыми подблоками. Этот алгоритм даже эффективнее на 16-битовых процессорах.

Описание IDEA

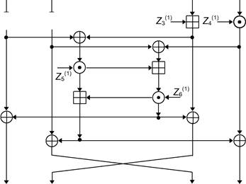
Схема IDEA представлена на Рис. 13-9. 64-битовый блок данных делится на четыре 16-битовых подблока: Хи Х2, Х3 и Х4. Эти четыре подблока становятся входными данными для первого этапа алгоритма. Всего в алг о-ритме восемь этапов. На каждом этапе четыре подблока подвергаются операциям XOR, сложениям и умнож е-ниям друг с другом и с шестью 16-битовыми подключами. Между этапами обмениваются местами второй и третий подблоки. Наконец четыре подблока объединяются с четырьмя подключами в окончательном преобраз о-вании. На каждом этапе события происходят в следующей последовательности:

(1) Перемножаются Х\ и первый подключ.

(2) Складываются Х2 и второй подключ.

(3) Складываются Х3 и третий подключ.

(4) Перемножаются Х4 и четвертый подключ.

(5) Выполняется XOR над результатами этапов (1) и (3).

(6) Выполняется XOR над результатами этапов (2) и (4).

(7) Перемножаются результаты этапа (5) и пятый подключ.

(8) Складываются результаты этапов (6) и (7).

(9) Перемножаются результаты этапа (8) и шестой подключ.

(10) Складываются результаты этапов (7) и (9).

(И) Выполняется XOR над результатами этапов (1) и (9).

(12) Выполняется XOR над результатами этапов (3) и (9).

(13) Выполняется XOR над результатами этапов (1) и (10).

(14) Выполняется XOR над результатами этапов (4) и (10).




Х2

Zl<1L>0Z2 (1L£]

один этап

еще

семь

этап



Х3


ХА


 


(9)

Выход


Z/LJ


Z4


 


У Y2


Уз



X: 16-битовый подблок открытого текста

Y, ■ 16-битовый подблок шифротекста

Z/r): 16-битовый подблок ключа

Ф: побитовое "исключающее или" (xoR) 16-битовых подблоков

ЕВ: сложение по модулю 216 16-битовых целых

 

©: умножение по модулю 216+1 16-битовых целых при условии,

что нулевой подблок соответствует 2


Рис. 13-9. IDEA.

Выходом этапа являются четыре подблока - результаты действий (И), (12), (13) и (14). Поменяйте местами два внутренних подблока (но не в последнем этапе), и вы получите исходные данные для следующего этапа.

После восьмого этапа выполняется заключительное преобразование:

(1) Перемножаются Хх и первый подключ.

(2) Складываются Х2 и второй подключ.

(3) Складываются Х3 и третий подключ.

(4) Перемножаются Х4 и четвертый подключ.

Наконец четыре подблока снова соединяются, образуя шифротекст.

Также несложно создавать подключи. Алгоритм использует 52 из них (шесть для каждого из восьми этапов и еще четыре для заключительного преобразования). Сначала 128-битовый ключ делится на восемь 16-битовых подключей. Это первые восемь подключей алгоритма (шесть для первого этапа и два - для второго). Затем ключ циклически сдвигается налево на 25 битов и снова делится на восемь подключей. Первые четыре используются на этапе 2, а оставшиеся четыре - на этапе 3. Ключ циклически сдвигается налево на 25 битов для получения следующих восьми подключей, и так до конца алгоритма.

Дешифрирование выполняется точно также за исключением того, что подключи инвертируются и слегка и з-меняются. Подключи при дешифрировании представляют собой обратные значения ключей шифрования по отношению к операциям либо сложения, либо умножения. (Для IDEA подблоки, состоящие из одних нулей, считаются равными 216 = -1 для умножения по модулю 216 + 1, следовательно, обратным значением 0 относи­тельно умножения является 0.) Эти вычисления могут занять некоторое время, но их нужно выполнить один раз для каждого ключа дешифрирования. В Табл. 13-4 представлены подключи шифрования и соответствующие


подключи дешифрирования.

Табл. 13-4. Подключи шифрования и дешифрирования IDEA


Этап Подключи шифрования    
  Z,m Z2(1) z3w z4w z5w z6(1)
  z/2) z2(2) z/2> z/2> Z5p) z6(2)
  z/3) z2(3) z/3> z4® z5p) z6(3)
  z/4) z2(4) z/4> z/4> z/4> z6(4)
  z/5) z2(5) z3« z4« Z5(5) z6(5)
  Z1(6) Z2(6) z3(6) z4® z5(6) z6(6)
  z/7) z2(7) z/7> z/7> z/7> z6(7)
  Zi(8) Z2(8) z3(8) z/8> z/8> z6(8)
заключительное z/9> z/9> z/9> z/9>    
преобразование          

Подключи дешифрирования

 

Z (9-и -z/9> -z3(9) z (9)~1 z^ z6(8)
7 С8)-1 -z/8> -z3(8) 7 (8)-l z5<7> z6(7)
z (7-и -z/7> -z3(7) z (7)~1 z5(6) z6(6)
7 W"1 -z2® -z3(6) 7 (6)-l Z5(5) z6(5)
Z (5-и -z2« -Zs(5) z (5)_1 z5<4> z6(4)
Z (4)_1 -z/4> -z/4> z (4)_1 z5p) z6(3)
Z (3-и -z/3> -z/3> Z (3)"1 Z5p) z6(2)
Z (2-и -z/2> -z/2> z (2)_1 z5« z6(1)
Z (1-и -z2« -z3« z (1)_1    

Современные программные реализации IDEA примерно в два раза быстрее, чем DES. На компьютере с i386/33 МГц IDEA шифрует данные со скоростью 880 Кбит/с, а на компьютере с i486/33 МГц - со скоростью 2400 Кбит/с. Вы могли подумать, что IDEA должен был быть побыстрее, но умножения - недешевое удовольс т-вие. Умножение двух 32-битовых чисел на процессоре i486 занимает 40 тактов (10 на процессоре Pentium).

Реализация PES на базе СБИС шифрует данные со скоростью 55 Мбит/с при тактовой частоте 25 МГц [208,398]. Другая СБИС, разработанная ЕТН Zurich и состоящая из of 251000 транзисторов на кристалле пл о-щадью 107.8 мм2, шифрует данные с помощью алгоритма IDEA со скоростью 177 Мбит/с при тактовой частоте 25 МГц [926, 207, 397].




Поделиться с друзьями:


Дата добавления: 2014-11-29; Просмотров: 404; Нарушение авторских прав?; Мы поможем в написании вашей работы!


Нам важно ваше мнение! Был ли полезен опубликованный материал? Да | Нет



studopedia.su - Студопедия (2013 - 2026) год. Все материалы представленные на сайте исключительно с целью ознакомления читателями и не преследуют коммерческих целей или нарушение авторских прав! Последнее добавление




Генерация страницы за: 0.013 сек.