Студопедия

КАТЕГОРИИ:


Архитектура-(3434)Астрономия-(809)Биология-(7483)Биотехнологии-(1457)Военное дело-(14632)Высокие технологии-(1363)География-(913)Геология-(1438)Государство-(451)Демография-(1065)Дом-(47672)Журналистика и СМИ-(912)Изобретательство-(14524)Иностранные языки-(4268)Информатика-(17799)Искусство-(1338)История-(13644)Компьютеры-(11121)Косметика-(55)Кулинария-(373)Культура-(8427)Лингвистика-(374)Литература-(1642)Маркетинг-(23702)Математика-(16968)Машиностроение-(1700)Медицина-(12668)Менеджмент-(24684)Механика-(15423)Науковедение-(506)Образование-(11852)Охрана труда-(3308)Педагогика-(5571)Полиграфия-(1312)Политика-(7869)Право-(5454)Приборостроение-(1369)Программирование-(2801)Производство-(97182)Промышленность-(8706)Психология-(18388)Религия-(3217)Связь-(10668)Сельское хозяйство-(299)Социология-(6455)Спорт-(42831)Строительство-(4793)Торговля-(5050)Транспорт-(2929)Туризм-(1568)Физика-(3942)Философия-(17015)Финансы-(26596)Химия-(22929)Экология-(12095)Экономика-(9961)Электроника-(8441)Электротехника-(4623)Энергетика-(12629)Юриспруденция-(1492)Ядерная техника-(1748)

К1401уд1а




Двухтактный усилитель

 
 
 
 

Операционные усилители

Рисунок – обозначение операционного усилителя на принципиальной схеме.

Функциональная схема ОУ.

 

Рисунок – функциональные модули операционного усилителя

Система обозначений интегральных микросхем

1.

2.

3.

4.

5.

Основные параметры идеального операционного усилителя

1.

2.

3.

4.

Неидеальности операционного усилителя

1.

2.

3.

4.

5.

6.

7.

     
   

 

Таблица – значение параметров некоторых операционных усилителей

Микросхема Ku×103 Uсм мВ DUсм мкВ/°С f1 МГц
К140УД7       0,8
К140УД17А   0,075   0,4
К574УД3        

 

Амплитудно-частотная характеристика операционного усилителя

 

Рисунок – АЧХ операционного усилителя

Фазо-частотная характеристика

 

 

Рисунок – ФЧХ операционного усилителя

 

Основные схемы включения операционных усилителей

Неинвертирующий усилитель.

 
 
 

 

Инвертирующий усилитель.

 
 
 
 

Повторитель напряжения.

 
 
 
 
 

 

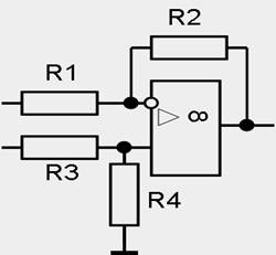
Усилитель с дифференциальным входом.

 
 
 
 
 
 

 

Математические операции на ОУ

Сумматор

 
 
 
 
 
 

 

Дифференцирующий усилитель

 
  Осциллограмма – дифференцирование сигнала треугольной формы.
 

Интегрирующий усилитель.

 
  Осциллограмм – интегрирование сигнала прямоугольной формы
 

 




Поделиться с друзьями:


Дата добавления: 2014-12-07; Просмотров: 1473; Нарушение авторских прав?; Мы поможем в написании вашей работы!


Нам важно ваше мнение! Был ли полезен опубликованный материал? Да | Нет



studopedia.su - Студопедия (2013 - 2026) год. Все материалы представленные на сайте исключительно с целью ознакомления читателями и не преследуют коммерческих целей или нарушение авторских прав! Последнее добавление




Генерация страницы за: 0.01 сек.