Студопедия

КАТЕГОРИИ:


Архитектура-(3434)Астрономия-(809)Биология-(7483)Биотехнологии-(1457)Военное дело-(14632)Высокие технологии-(1363)География-(913)Геология-(1438)Государство-(451)Демография-(1065)Дом-(47672)Журналистика и СМИ-(912)Изобретательство-(14524)Иностранные языки-(4268)Информатика-(17799)Искусство-(1338)История-(13644)Компьютеры-(11121)Косметика-(55)Кулинария-(373)Культура-(8427)Лингвистика-(374)Литература-(1642)Маркетинг-(23702)Математика-(16968)Машиностроение-(1700)Медицина-(12668)Менеджмент-(24684)Механика-(15423)Науковедение-(506)Образование-(11852)Охрана труда-(3308)Педагогика-(5571)Полиграфия-(1312)Политика-(7869)Право-(5454)Приборостроение-(1369)Программирование-(2801)Производство-(97182)Промышленность-(8706)Психология-(18388)Религия-(3217)Связь-(10668)Сельское хозяйство-(299)Социология-(6455)Спорт-(42831)Строительство-(4793)Торговля-(5050)Транспорт-(2929)Туризм-(1568)Физика-(3942)Философия-(17015)Финансы-(26596)Химия-(22929)Экология-(12095)Экономика-(9961)Электроника-(8441)Электротехника-(4623)Энергетика-(12629)Юриспруденция-(1492)Ядерная техника-(1748)

Steering




Special Tools

STEERING 14-5

Special Tools

STEERING

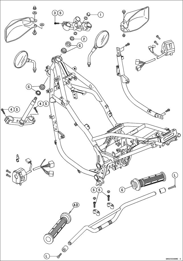
Exploded View

STEERING 14-3

Exploded View

STEERING


 

 

 

 

 

 

 

 

 

No. 3 4 5 Fastener Torque Remarks
N-m kgf-m ft-lb
Steering Stem Head Nut   4.0    
Steering Stem Locknut Hand Tighten (about 4.9) Hand Tighten (about 0.5) Hand Tighten (about 43 in lb)  
Front Fork Upper Clamp Allen Bolts   2.5   S
Front Fork Lower Clamp Bolts   2.3 16.5 S
Handlebar Clamp Bolts   2.5   S

AD: Apply adhesive. G: Apply grease.

L: Apply a non-permanent locking agent. S: Follow the specific tightening sequence.




Steering Stem Bearing Driver: 57001-137


Head Pipe Outer Race Driver, 051.5: 57001-1076


 


Bearing Puller: 57001-158


Steering Stem Nut Wrench: 57001-1100


 



Bearing Puller Adapter: 57001-317


Head Pipe Outer Race Driver, 046.5: 57001-1106


 



Steering Stem Bearing Driver Adapter, 034.5: 57001-1074


Head Pipe Outer Race Remover ID > 37 mm: 57001-1107

(   -J ) ST571107ST С

 


Head Pipe Outer Race Press Shaft: 57001-1075


Jack: 57001-1238


Bearing Puller: 57001-1575





Поделиться с друзьями:


Дата добавления: 2014-12-23; Просмотров: 639; Нарушение авторских прав?; Мы поможем в написании вашей работы!


Нам важно ваше мнение! Был ли полезен опубликованный материал? Да | Нет



studopedia.su - Студопедия (2013 - 2026) год. Все материалы представленные на сайте исключительно с целью ознакомления читателями и не преследуют коммерческих целей или нарушение авторских прав! Последнее добавление




Генерация страницы за: 0.01 сек.