Студопедия

КАТЕГОРИИ:


Архитектура-(3434)Астрономия-(809)Биология-(7483)Биотехнологии-(1457)Военное дело-(14632)Высокие технологии-(1363)География-(913)Геология-(1438)Государство-(451)Демография-(1065)Дом-(47672)Журналистика и СМИ-(912)Изобретательство-(14524)Иностранные языки-(4268)Информатика-(17799)Искусство-(1338)История-(13644)Компьютеры-(11121)Косметика-(55)Кулинария-(373)Культура-(8427)Лингвистика-(374)Литература-(1642)Маркетинг-(23702)Математика-(16968)Машиностроение-(1700)Медицина-(12668)Менеджмент-(24684)Механика-(15423)Науковедение-(506)Образование-(11852)Охрана труда-(3308)Педагогика-(5571)Полиграфия-(1312)Политика-(7869)Право-(5454)Приборостроение-(1369)Программирование-(2801)Производство-(97182)Промышленность-(8706)Психология-(18388)Религия-(3217)Связь-(10668)Сельское хозяйство-(299)Социология-(6455)Спорт-(42831)Строительство-(4793)Торговля-(5050)Транспорт-(2929)Туризм-(1568)Физика-(3942)Философия-(17015)Финансы-(26596)Химия-(22929)Экология-(12095)Экономика-(9961)Электроника-(8441)Электротехника-(4623)Энергетика-(12629)Юриспруденция-(1492)Ядерная техника-(1748)

Выбор СИФУ




Для управления тиристорным преобразователем выбирается многоканальная синхронная система импульсно-фазового управления (СИФУ) с опорным синусоидальным напряжением и вертикальным принципом регулирования фазы отпирающих импульсов.

СИФУ комплектных тиристорных электроприводов серии КТЭ состоит из ячейки фазосмещения, ячейки формирования импульсов, ячейки переключающего устройства (ЛПУ) и представлена на рис 3.3. в составе функциональной схемы преобразовательной части. СИФУ серии КТЭ имеет следующие особенности: косинусоидальное опорное напряжение, шестиканальное устройство фазосмещения для обоих выпрямительных мостов в реверсивных преобразователях, высокочастотное заполнение узких отпирающих импульсов, использование сигналов с трансформаторов переменного тока или датчиков постоянного тока подключенных к шунту в цепи нагрузки и с датчиков закрытого состояния тиристоров для работы логического переключающего устройства (ЛПУ).

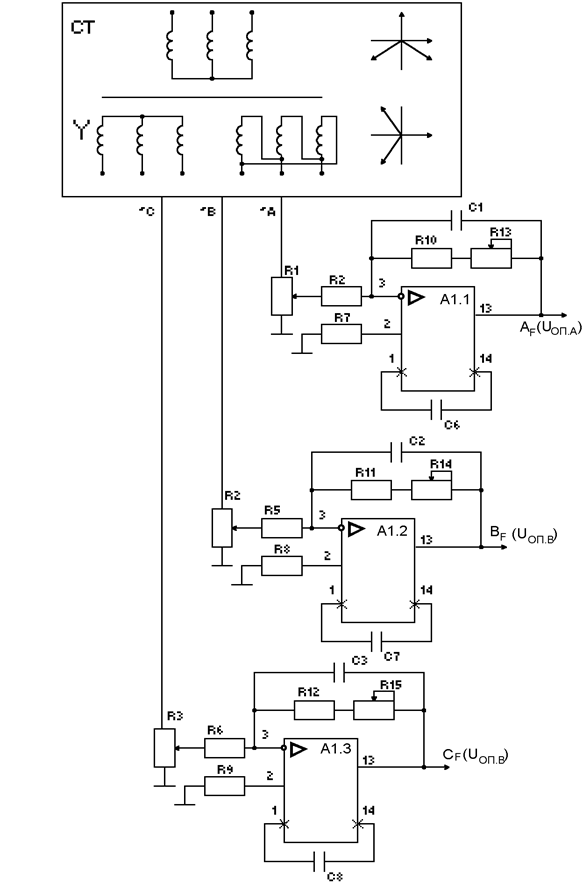
Рис. 3.4. Узел формирования опорного напряжения.

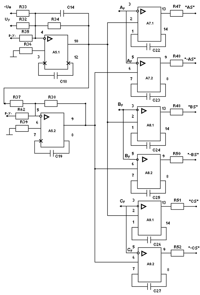
Рис. 3.5. Узел фазосмещения.

Как следует из функциональной схемы рис. 3.3. СИФУ состоит из узла формирования опорных напряжений Z, узла фазосмещения АТ и переключающего устройства АВ.

Узел формирования опорных напряжений (рис.3.4.) включает в себя синхронизирующий трехфазный трансформатор с двумя группами вторичных обмоток (СТ), которые можно включать по схемам звезды или треугольника, и ячейку фильтра Z с тремя каналами апериодических фильтров, обеспечивающих фазовый сдвиг на 60о (240о при учете инвертирования напряжений операционными усилителями). Амплитуда опорных напряжений после фильтра В.

Узел фазосмещения АТ (рис. 3.5.) формирует шесть последовательностей импульсов для выпрямительного моста VSF (“В”) или для моста VSB (“Н”), которые усиливаются усилителями A-F, A-B.

Узел фазосмещения состоит из шести компараторов А7.1, А7.2, А8.1, А8.2, А9.1, А9.2 на входе которых сравниваются напряжения управления и соответствующее опорное напряжение .

На один из входов усилителя А5.1, имеющего коэффициент передачи равный 1, поступает сигнал управления Uу из системы автоматического регулирования, а на второй вход – напряжение начального согласования Uо, обеспечивающее начальный угол управления при . Постоянная времени цепи обратной связи А5.1 – 0,1 мс. Коэффициент передачи инвертирующего усилителя А5.2 также равен 1.

Сравнение и опорного напряжения соответствующей фазы (AF, BF или CF) осуществляется на компараторах А7 - А9, причем на компараторах А7.1 – А9.1 подается , а на компараторы А7.2 – А9.2 - . По переходу сигналов на выходах компараторов А7.1, А8.1, А9.1 из “1” в “0” – формируется напряжение прямоугольной формы группы “вперед” VSF (AS, BS, CS). Из трех сигналов фазосмещения формируется шесть импульсов. Это можно осуществить логической обработкой сигналов фазосмещения и 180-градусных ограничений, в результате которой получают сигналы фазосмещений также длительностью 180 электрических градусов. При этом по фронту этих сигналов отпираются тиристоры катодной группы “вперед”, а по спаду – тиристоры анодной группы “вперед”.

По переходу сигналов на выходе компараторов А7.2, А8.2, А9.2 из “1” в “0” – формируются импульсы группы “назад”. После логической обработки также получают шесть 180–градусных сигналов, по фронту и спаду которых формируются импульсы катодной и анодной группы тиристоров “назад”.

Выбор работающего моста осуществляется логическим переключающим устройством АВ в зависимости от полярности напряжения переключения Uп и абсолютного значения тока нагрузки или состояния тиристоров силового моста. Устройство АВ формирует логические сигналы выбора моста VSF или VSB, переключает полярность задания начального угла Uо и вырабатывает сигнал бестоковой паузы , по которому снимаются импульсы с обоих выпрямительных мостов. Сигнал , появляющийся одновременно с сигналом , но исчезающий несколько позже, служит для отключения задания тока во время бестоковой паузы. По сигналу срыва импульсов импульсы снимаются с обоих мостов.

Измерение тока производится трансформаторами переменного тока, установленных в фазах силового трансформатора, или датчиками постоянного тока, подключенными к шунту в цепи нагрузки. Оба этих датчика не могут обеспечить достаточно высокую чувствительность измерения тока и поэтому являются «грубыми» датчиками. Для получения быстродействующей системы реверса тока наличие «грубого» датчика необходимо, так как по его команде производится срыв импульсов, что ускоряет спадание тока в выходящей из работы группе.

Кроме измерения тока силовой цепи в преобразователе производится контроль состояния силовых тиристоров с помощью блока датчика состояния тиристоров, который непосредственно фиксирует моменты запертого состояния всех тиристоров силового моста. По команде этого датчика начинается отсчет бестоковой паузы (1-2 мс), которая может быть рассчитана на время, необходимое для восстановления запирающих свойств тиристоров.

В работе схемы АВ принимает участие один из «грубых» датчиков и «тонкий» датчик.

Защита осуществляется узлом АF, который воспринимает нагрузку в цепи переменного тока и в цепи постоянного тока , а также сигнал «Авария», вырабатываемый в схеме управления электроприводом. Узел AF через узел ускоренного отключения A-R отключает автоматический выключатель главной цепи QF, воздействуя на его независимый расцепитесь, снимает сигнал готовности в схеме управления электроприводом и сдвигает управляющие импульсы в инверторную область.

Расчет фазовых характеристик СИФУ реверсивного тиристорного преобразователя с синусоидальным опорным напряжением производится по формуле

где начальный угол согласования характеристик, принимается 95о;

В – максимальное значение опорного напряжения;

- напряжение смещения.

Максимальное значение угла регулирования

где g - угол коммутации при ,

d - угол восстановления запирающих свойств тиристора,

tвыкл=100 мкс – время выключения тиристора Т123–500;

Da=3о – допустимая асимметрия импульсов.

Угол коммутации при

где - номинальный угол, соответствующий номинальному режиму работы двигателя,

По приведенному уравнению рассчитаны фазовые характеристики выпрямительных мостов VSF и FSB, данные расчета приведены в табл. 3.2.

Таблица 3.2.

Фазовые и регулировочные характеристики СИФУ и реверсивного СИФУ при

Uу, В -8 -7 -6 -5 -4 -3 -2 -1                  
  Группа VSF Инвертор Выпрямитель  
a1, град ––                                
Ed1, В   -498 -436 -371 -306 -241 -175 -110 -45                
Группа FSB Инвертор Выпрямитель  
a2, град                                 ––
Ed2, В   -410 -345 -280 -215 -150 -85 -20                  

 

 

Рис. 3.6. Фазовые характеристики реверсивного тиристорного преобразователя

 

 

3.6. Расчет и построение регулировочных Ed=¦(Uy) и внеш­них характеристик Ud=¦(Id) реверсивного тиристорного преобразователя

При синусоидальном опорном напряжении ЭДС тиристорного преобразователя

по которому рассчитаны регулировочные характеристики выпрямительных групп VSF и VSB. Данные расчета представлены в таблице 3.2., а на рис. 3.7. – регулировочные характеристики Ed=¦(a). Знак «-» принимается для группы «Вперёд».

Максимальная ЭДС тиристорного преобразователя с точки зре­ния безопасного инвертирования при amax=163o составляет

Коэффициент усиления тиристорного преобразователя опреде­лится либо по формуле

либо с использованием регулировочных характеристик Edo=¦(a) рис.3.9

Внешняя характеристика тиристорного преобразователя Ud=¦(Id) при a=const (одной выпрямительной группы) в режиме непрерывного тока в соответствии со схемой замещения реверсивного тиристорного преобразователя (рис. 3.8.) может быть представлена следующим урав­нением:

ав=2 - для мостовой схемы выпрямления;

Rр=0,0038 Ом – активное сопротивление фазы реактора;

Xр=0,032 Ом – индуктивное сопротивление фазы реактора.

Рис. 3.7. Регулировочные характеристики реверсивного тиристорного преобразователя.

 

Рис. 3.8. Схема замещения реверсивного тиристорного преобразова­теля при работе на якорь двигателя.

При в граничном режиме:

В непрерывном режиме напряжение и ток определяются по следующим формулам:

При l=0 (Id=0); a£30о;

а при a³30о;

По приведенным формулам рассчитаны зависимости Ud=¦(Id) (см. табл. 3.3.) при различных a=15о, 30о, 60о, 75о, 90о, 105о, 120о, 135о, 160о, которые пред­ставлены на рис. 3.9.

Табл. 3.3.

α, град   Idгр, А 11,0
λ, град                
Id, А 0,0 0,0 0,4 2,4 7,1 11,0 31,2 69,1
Ud, В 537,4 532,6 528,6 519,2 504,7 495,7 461,8 419,0
α, град   Idгр, А 21,2
λ, град                
Id, А 0,0 0,7 2,6 6,9 15,2 21,2 49,7 97,8
Ud, В 537,4 520,5 504,6 483,8 458,6 444,4 396,6 342,1
α, град   Idгр, А 30,0
λ, град                
Id, А 0,0 1,4 4,6 11,0 22,2 30,0 64,7 119,7
Ud, В 519,1 472,9 446,2 415,5 381,2 362,9 304,3 241,9
α, град   Idгр, А 36,7
λ, град                
Id, А 0,0 2,1 6,3 14,4 27,7 36,7 75,4 133,6
Ud, В 465,4 393,1 357,4 318,8 277,8 256,6 191,3 125,2
α, град   Idгр, А 41,0
λ, град                
Id, А 0,0 2,6 7,6 16,7 31,3 41,0 80,9 138,3
Ud, В 380,0 286,5 244,3 200,4 155,5 132,8 65,2 0,0
α, град   Idгр, А 42,4
λ, град                
Id, А 0,0 3,0 8,4 18,0 32,8 42,4 80,9 133,6
Ud, В 268,7 160,3 114,5 68,4 22,6 0,0 -65,2 -125,2
α, град   Idгр, А 36,7
λ, град                
Id, А 0,0 3,1 8,2 16,7 29,1 36,7 64,7 97,8
Ud, В 0,0 -115,4 -159,1 -200,4 -238,7 -256,6 -304,3 -342,1
α, град   Idгр, А 30,0
λ, град                
Id, А 0,0 2,8 7,2 14,4 24,2 30,0 49,7 69,1
Ud, В -139,0 -246,2 -284,3 -318,8 -349,3 -362,9 -396,6 -419,0
α, град   Idгр, А 21,2
λ, град                
Id, А 0,0 2,3 5,8 11,0 17,6 21,2 31,2 35,8
Ud, В -268,7 -360,2 -390,1 -415,5 -436,0 -444,4 -461,8 -467,3

 

 

Рис. 3.9. Внешние характеристики тиристорного преобразователя.

3.7 Расчёт энергетических характеристик

Энергетические характеристики тиристорных преобразователей оцениваются коэффициентом мощности cи коэффициентом полезного действия .

Коэффициент мощности cв самом общем случае может быть определен как отношение активной мощности, потребляемой преобразователем Р, к полной мощности S (кажущейся мощности для несинусоидальных токов)

Полная и активная мощности, потребляемые из сети в общем случае несинусоидальных напряжений и токов S=m∙U1ф∙I;

где: U1ф(1), I1ф(1) – фазные первичные действующие значения основных

гармоник напряжения и тока;

U1ф(n), I1ф(n) – действующие значения фазных напряжения и тока

высших гармоник;

j1(1) – угол сдвига между векторами основных гармоник фазных

напряжений и токов;

j1(n) – угол сдвига между векторами напряжения и тока высших гармоник.

В случае ,что справедливо для мощных сетей, коэффициент искажения по напряжению:

а по току:

величина, которого для трехфазного мостового выпрямителя

Активная мощность, потребляемая из сети

где

а коэффициент мощности без учета процесса коммутации определяется по формуле

для регулируемого мостового выпрямителя с учетом процесса коммутации ( <30°) коэффициент мощности определяется по формуле:

Активная и реактивная мощности по первой гармонике тока

где

Мощность искажения (дисторции)

Рассчитаем и построим зависимости S, P, Q, D, для

спроектированного тиристорного преобразователя при изменении от до в режиме непрерывного тока и условии неизменной гладкой составляющей выпрямленного тока Idн=500 A.

Порядок расчета следующий: определяются следующие величины

1. Линейный (фазный) ток

2.Первая гармоника первичного фазного (линейного) тока

3. Коэффициент искажения по току с учётом коммутации

- угол регулирования α в расчётах принимается от αmin = 15˚ до αmax = 180˚.

6. Полная мощность

7. Активная мощность

8. Реактивная мощность

9. Коэффициент мощности

10. Мощность дисторции

 

Результаты расчётов зависимостей S, P, Q, D, χ = (α) представлены в таблице 3.4. и на рисунке 3.10.

Таблица 3.4. – Результаты расчёта энергетических характеристик

α, град S, ВА P, Вт Q, ВАр D, ВА χ cosφ1 sinφ1
    237938,63 110756,09 60982,8 0,883 17,08 0,907 0,422 0,974
    210561,29 154253,40 66861,3 0,781 11,64 0,807 0,591 0,969
    168576,29 198258,11 69831,0 0,626 8,95 0,648 0,762 0,966
    114495,94 233235,52 71361,6 0,425 7,58 0,441 0,898 0,964
    51791,93 254406,43 72080,3 0,192 6,94 0,199 0,980 0,964
    -15401,54 259127,45 72224,4 -0,057 6,81 -0,059 0,998 0,963
    -82623,00 246204,00 71816,7 -0,307 7,18 -0,318 0,948 0,964
    -145435,93 215539,93 70650,8 -0,540 8,22 -0,559 0,829 0,965
    -199842,10 167478,83 67930,7 -0,742 10,67 -0,766 0,642 0,968
    -243491,96 99753,00 57979,4 -0,904 19,96 -0,925 0,379 0,977

 

Рис 3.10. Зависимости S, P, Q, D, χ = (α).

Как обычно под КПД подразумевается отношение отдаваемой выпрямителем мощности Pd к потребляемой из сети активной мощности P.

 

Для случая работы выпрямителя со сглаженным выпрямленным током, при малой величине пульсаций кривой выпрямленного тока , можно считать, что

где - выпрямленное напряжение на выходе преобразователя

- номинальный ток двигателя

Тогда

Необходимо определить номинальное значение КПД, рассчитать и построить зависимости при , и при

Результаты расчётов представлены в таблице. 3.5. и таблице 3.6.

Таблица 3.5. – Зависимость η = f(Id) при αH = 28°.

Id, А                  
I, А 40,82 81,65 122,47 163,30 204,12 244,95 326,60 408,25 489,90
η 0,95 0,95 0,95 0,94 0,94 0,93 0,93 0,92 0,91

 

Таблица 3.6. – Зависимость η=f (α) при Id =404,04 A, I = 329,83 А.

α, град                
η 0,93 0,92 0,92 0,92 0,90 0,88 0,83 0,55

При преобразователь работает в инверторном режиме и .

По результатам расчёта на рисунке 3.11. и 3.12. построены зависимости и .

Рис. 3.11. - Зависимость

Рис. 3.12. - Зависимость





Поделиться с друзьями:


Дата добавления: 2014-12-24; Просмотров: 2400; Нарушение авторских прав?; Мы поможем в написании вашей работы!


Нам важно ваше мнение! Был ли полезен опубликованный материал? Да | Нет



studopedia.su - Студопедия (2013 - 2026) год. Все материалы представленные на сайте исключительно с целью ознакомления читателями и не преследуют коммерческих целей или нарушение авторских прав! Последнее добавление




Генерация страницы за: 0.009 сек.