Студопедия

КАТЕГОРИИ:


Архитектура-(3434)Астрономия-(809)Биология-(7483)Биотехнологии-(1457)Военное дело-(14632)Высокие технологии-(1363)География-(913)Геология-(1438)Государство-(451)Демография-(1065)Дом-(47672)Журналистика и СМИ-(912)Изобретательство-(14524)Иностранные языки-(4268)Информатика-(17799)Искусство-(1338)История-(13644)Компьютеры-(11121)Косметика-(55)Кулинария-(373)Культура-(8427)Лингвистика-(374)Литература-(1642)Маркетинг-(23702)Математика-(16968)Машиностроение-(1700)Медицина-(12668)Менеджмент-(24684)Механика-(15423)Науковедение-(506)Образование-(11852)Охрана труда-(3308)Педагогика-(5571)Полиграфия-(1312)Политика-(7869)Право-(5454)Приборостроение-(1369)Программирование-(2801)Производство-(97182)Промышленность-(8706)Психология-(18388)Религия-(3217)Связь-(10668)Сельское хозяйство-(299)Социология-(6455)Спорт-(42831)Строительство-(4793)Торговля-(5050)Транспорт-(2929)Туризм-(1568)Физика-(3942)Философия-(17015)Финансы-(26596)Химия-(22929)Экология-(12095)Экономика-(9961)Электроника-(8441)Электротехника-(4623)Энергетика-(12629)Юриспруденция-(1492)Ядерная техника-(1748)

Схемы электрооборудования




Разъем (6Р, Б), 2 - разъем (6Р, Кр).

Замок зажигания, 2 - винты крепления, 3 - разъем.



 

Схемы электрооборудования

Схема электрооборудования 1 (0030Z-MY9H-7300). 1 - спидометр, 2 - лампа подсветки комбинации приборов (12В, 1,7Вт), 3 - индикатор положения подставки, 4 - индикатор давления масла, 5 - индика­тор температуры, 6 - тахометр, 7 - лампа подсветки (12В, 1,7Вт), 8, 9 - указатель уровня топлива, 10 - индикатор превышения допустимой скорости (12В, 3,4Вт), 11 - индикатор дальнего света фары, 12 - индикатор выключателя запрещения запуска, 13 - индикатор левого указателя поворота, 14 - ин­дикатор правого указателя поворота, 15 - блок индикаторов, 16 - датчик указателя уровня топлива, 17 - датчик скорости, 18 - модуль указателя температуры охлаждающей жидкости, 19 - блок индика­торов, 20 - модуль тахометра.

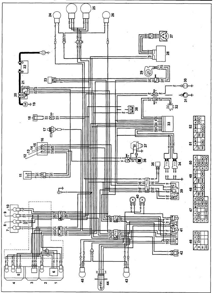
Схема электрооборудования 2 (0030Z-MY9-0000). 1 - индикатор положения подставки (12 В/1,7 Вт), 2 - спидометр, 3 - датчик температуры охлаждающей жидкости, 4 - лампы подсветки комбинации при­боров (12 В/1,7 Вт), 5 - модуль тахометра, 6 - датчик скорости, 7 - индикатор дальнего света фары, 8 - индикатор нейтральной передачи (выключателя запрещения запуска), 9 - индикатор давления мас­ла, 10 - индикатор указателей поворота (правый), 11 - замок зажигания, 12 - предохранитель (10А) (вентилятора радиатора), 13 - предохранитель (10А) (фары), 14 - предохранитель (10А) (комбинации приборов, габаритов, звукового сигнала), 15 - предохранитель (10А) (системы зажигания), 16 - блок предохранителей, 17 - датчик температуры охлаждающей жидкости, 18 - выключатель стоп-сигнала (заднего тормоза), 19 - электродвигатель стартера, 20 - реле стартера, 21 - предохранитель (30А) (главный), 22 - аккумуляторная батарея (12 В/8 Ah), 23 - реле указателей поворота, 24 - правый задний указатель поворота, 25 - стоп-сигнал и задний габарит (12В 18/5 Вт), 26 - левый задний указатель пово­рота, 27 - генератор, 28 - выпрямитель, 29 - выключатель подставки, 30 - датчик давления масла, 31 - выключатель запрещения запуска, 32 - прерыватель, 33 - модуль зажигания, 34 - катушка зажига­ния, 35 - выключатель стоп-сигнала (переднего тормоза), 36 - электродвигатель вентилятора, 37 - дат­чик-выключатель по температуре охлаждающей жидкости, 38 - диод, 39 - выключатель двигателя, 40 - звуковой сигнал, 41 - переключатель указателей поворота, света фары и звукового сигнала, 42 - выключатель сцепления, 43 - левый передний указатель поворота (12 В 18/5 Вт), 44 - фара (12В 60/55 Вт), 45 - правый передний указатель поворота (12 В 18/5 Вт), 46 - замок зажигания, 47 - пере­ключатель указателей поворота, 48 - выключатель звукового сигнала, 49 - выключатель фары, 50 - пе­реключатель света фары, 51 - выключатель двигателя, 52 - выключатель стартера.


Схемы эл ектрооборудования

Схема 2.



132___________________________ Схемы электрооборудования_______________________________________

Схема электрооборудования 3 (0030Z-MY9-7000).

1 - индикатор положения подставки (12 В /1,7 Вт), 2 - спидометр, 3 - датчик температуры охлаждаю­щей жидкости, 4 - лампы подсветки комбинации приборов (12 В / 1,7 Вт), 5 - модуль тахометра, 6 - датчик скорости, 7 - индикатор превышения разрешенной скорости (12 В/ 4,3 Вт), 8 - индикатор дальнего света фары, 9 - индикатор нейтральной передачи (выключателя запрещения запуска), 10 - индикатор давления масла, 11 - индикатор указателей поворота (правый), 12 - замок зажигания, 13 - предохранитель (10А) (вентилятора радиатора), 14 - предохранитель (10А) (фары), 15 - предо­хранитель (10А) (комбинации приборов, габаритов, звукового сигнала), 16 - предохранитель (10А) (системы зажигания), 17 - блок предохранителей, 18 - датчик температуры охлаждающей жидкости, 19 - выключатель стоп-сигнала (заднего тормоза), 20 - электродвигатель стартера, 21 - реле старте­ра, 22 - предохранитель (30А) (главный), 23 - аккумуляторная батарея (12 В / 8 Ah), 24 - реле указате­лей поворота, 25 - правый задний указатель поворота, 26 - стоп-сигнал и задний габарит (12В 18 / 5 Вт), 27 - левый задний указатель поворота, 28 - генератор, 29 - выпрямитель, 30 - выключатель подставки, 31 - датчик давления масла, 32 - выключатель запрещения запуска, 33 - прерыватель, 34 - диод, 35 - модуль зажигания, 36 - датчик-выключатель по температуре охлаждающей жидкости, 37 - - электродвигатель вентилятора, 38 - выключатель стоп-сигнала (переднего тормоза), 39 - ка­тушка зажигания, 40 - выключатель двигателя, 41 - звуковой сигнал, 42 - переключатель указателей поворота, света фары и звукового сигнала, 43 - выключатель сцепления, 44 - левый передний ука­затель поворота (12 В 18 / 5 Вт), 45 - фара (12В 60 / 55 Вт), 46 - правый передний указатель поворота (12 В 18 / 5 Вт), 47 - замок зажигания, 48 - переключатель указателей поворота, 49 - выключатель зву­кового сигнала, 50 - выключатель фары, 51 - переключатель света фары, 52 - выключатель двигате­ля, 53 - выключатель стартера.

Схема электрооборудования 4 (0030Z-KAF-7300).

1 - индикатор положения подставки (12В 1,7Вт), 2 - спидометр, 3 - датчик температуры охлаждающей
жидкости, 4 - тахометр, 5 - лампы подсветки комбинации приборов (12В 1,7Вт), 6 - модуль указателя
температуры, 7 - датчик скорости спидометра, 8 - индикатор превышения разрешенной скорости
(12 В / 3,4 Вт), 9 - индикатор дальнего света фар, 10 - индикатор выключателя запрещения запуска,

11 - индикатор давления масла, 12 - индикатор указателей поворота, 13 - замок зажигания, 14 - пре­
дохранитель вентилятора радиатора (10А), 15 - предохранитель фары (10А), 16 - предохранитель
(10А), 17 - предохранитель системы зажигания, системы зарядки и топливного насоса (10А), 18 - дат­
чик температуры охлаждающей жидкости, 19 - выключатель стоп-сигнала (заднего тормоза),
20 - стартер, 21 - реле стартера, 22 - главный предохранитель (30А), 23 - аккумуляторная батарея,
24 - реле указателей поворота, 25 - реле отключения подачи топлива, 26 - топливный насос, 27 - пра­
вый задний указатель поворота (12В 15Вт), 28 - стоп-сигнал и габарит (12В 23 / 8Вт), 29 - левый зад­
ний указатель поворота (12В 15Вт), 30 - генератор, 31 - выпрямитель, 32 - выключатель подставки,
33 - датчик давления масла, 34 - выключатель запрещения запуска, 35 - прерыватель, 36 - диод,
37 - модуль зажигания, 38 - датчик-выключатель по температуре охлаждающей жидкости, 39 - элек­
тродвигатель вентилятора радиатора, 40 - выключатель стоп-сигнала (переднего тормоза), 41 - ка­
тушка зажигания, 42 - комбинированный выключатель, 43 - звуковой сигнал, 44 - комбинированный
выключатель, 45 - выключатель сцепления, 46 - левый передний указатель поворота (12В 15Вт),
47 - фара (12В 60 / 55Вт), 48 - передний габарит (12В 3,4Вт), 49 - правый передний указатель поворота
(12В 15Вт), 50 - замок зажигания, 51 - выключатель двигателя, 52 - выключатель стартера, 53 - вы­
ключатель освещения, 54 - выключатель указателей поворота, 55 - выключатель звукового сигнала,
56 - выключатель фары, 57 - переключатель света фары.




Схема 3.






Поделиться с друзьями:


Дата добавления: 2014-12-23; Просмотров: 553; Нарушение авторских прав?; Мы поможем в написании вашей работы!


Нам важно ваше мнение! Был ли полезен опубликованный материал? Да | Нет



studopedia.su - Студопедия (2013 - 2026) год. Все материалы представленные на сайте исключительно с целью ознакомления читателями и не преследуют коммерческих целей или нарушение авторских прав! Последнее добавление




Генерация страницы за: 0.023 сек.