Студопедия

КАТЕГОРИИ:


Архитектура-(3434)Астрономия-(809)Биология-(7483)Биотехнологии-(1457)Военное дело-(14632)Высокие технологии-(1363)География-(913)Геология-(1438)Государство-(451)Демография-(1065)Дом-(47672)Журналистика и СМИ-(912)Изобретательство-(14524)Иностранные языки-(4268)Информатика-(17799)Искусство-(1338)История-(13644)Компьютеры-(11121)Косметика-(55)Кулинария-(373)Культура-(8427)Лингвистика-(374)Литература-(1642)Маркетинг-(23702)Математика-(16968)Машиностроение-(1700)Медицина-(12668)Менеджмент-(24684)Механика-(15423)Науковедение-(506)Образование-(11852)Охрана труда-(3308)Педагогика-(5571)Полиграфия-(1312)Политика-(7869)Право-(5454)Приборостроение-(1369)Программирование-(2801)Производство-(97182)Промышленность-(8706)Психология-(18388)Религия-(3217)Связь-(10668)Сельское хозяйство-(299)Социология-(6455)Спорт-(42831)Строительство-(4793)Торговля-(5050)Транспорт-(2929)Туризм-(1568)Физика-(3942)Философия-(17015)Финансы-(26596)Химия-(22929)Экология-(12095)Экономика-(9961)Электроника-(8441)Электротехника-(4623)Энергетика-(12629)Юриспруденция-(1492)Ядерная техника-(1748)

Влияние качества электроэнергии на работу электроприемников. 2 страница




Учитывая малое отношение r/x элементов сети, активным сопротивлением вообще можно пренебречь. Тогда, колебания напряжения можно определить по еще простой формуле

На основе изложенного можно сделать вывод о том, что при заданных набросах DР и DQ значение колебаний определяется мощностью к.з. питающей сети и чем последняя выше, тем меньше колебания.

Вторым существенным источником колебаний напряжения являются дуговые сталеплавильные печи (ДСП). При работе ДСП имеют место частые отключения, число которых достигают 10 и более в течение одной плавки. Наиболее тяжелые условия получаются в период расплавления металла и в начале окисления. При этом возникают эксплуатационные толчки тока. Значение тока при толчке зависит от вместимости печи, параметров печного трансформатора, полного сопротивления короткой сети.

 

Для отечественных ДСП можно принять:

Вместимость печи, т. 0,5¸6 10¸50 100¸200

Iк.з. (3,6¸3,2)Iн (3,2¸2,3)Iн (1,4¸2,2)Iн

 

При совместном питании ДСП и так называемой "спокойной" общецеховой нагрузки размах изменения напряжения dU на шинах вторичного напряжения 6¸10 кВ понизительного трансформатора ГПП можно с достаточной для практических целей точностью определить по формуле

Таким образом, значения размахов изменения напряжения в основном определяется мощностью к.з. питающей сети.

 

 

График нагрузки дуговой сталеплавильной печи ДСП вместимостью 100 т

 

Мероприятия по ограничению колебаний напряжения.

В первую очередь предусматриваются оптимальные решения схемы электроснабжения с минимальными дополнительными затратами, к числу которых относятся:

- приближение источников высшего напряжения к электроприемникам с резкопеременной нагрузкой

- питание резкопеременных и спокойных нагрузок от отдельных трансформаторов

- соблюдение оптимального уровня мощности к.з. в сетях, питающих электрориемники с резкопеременной нагрузкой в пределах 750¸10000 МВА.

 

Если эти мероприятия оказываются недостаточными, то предусматриваются специальные устройства и установки для уменьшения размахов изменений напряжения.

 

Специальные быстродействующие синхронные компенсаторы (СК).

 

Наиболее эффективным средством для ограничения колебания напряжения является синхронный компенсатор толчковой нагрузки со специальными параметрами, с быстродействующим тиристорным возбуждением, с большой кратностью форсировки возбуждения, работающие в так называемом "режиме слежения" за реактивным током подключенных потребителей электроэнергии. Мощность СК определяют исходя из параметров графика нагрузки объекта, подлежащих компенсации.

Предусматривается регулирование реактивного тока таким образом, чтобы емкостной реактивный ток СК соответствовал реактивной толчковой нагрузке, имеющий индуктивный характер.

 

Синхронные двигатели. Для ограничения размахов изменений напряжения при резкопеременных толчковых нагрузках используются также синхронные двигатели (СД) со спокойной нагрузкой, присоединяемые к общим шинам с вентильными преобразователями. При этом СД должны иметь необходимую располагаемую мощность, быстродействующее возбуждение (тиристорное)с высоким потолком форсировки и быстродействующий автоматический регулятор возбуждения.

 

Статические источники реактивной мощности (ИРМ).

ИРМ характеризуется высоким быстродействием, плавным изменением реактивной мощности, безинерционностью.

В качестве примера на рис. приведена схема статического ИРМ с параллельным включением регулируемой индуктивности и нерегулируемой емкости. В качестве индуктивности принят управляемый реактор с подмагничиванием, в качестве емкости - конденсаторная батарея.

Суммарная мощность ИРМ:

Q=QL - QC

 

 
 

 

 


 

 

QL- мощность, потребляемая реактором

QC - мощность. генерируемая конденсаторной батареей

Значение и направление мощности ИРМ в каждый момент зависят от регулируемой мощности QL. QC выбирается равной или несколько меньше ожидаемого наброса реактивной мощности. При набросе реактивной мощности ИРМ повышается до максимального значения, равного QC, а при сборе понижается до минимального значения.

 

ОТКЛОНЕНИЯ И КОЛЕБАНИЯ ЧАСТОТЫ.

Нарушение баланса между мощностью, вырабатываемой генератором электростанции или энергосистемы, и мощностью требуемой промышленными предприятиями, приводит к изменению частоты тока электросети.

Основной причиной возникновения колебаний частоты являются мощные приемники электроэнергии с резкопеременной активной нагрузкой (тиристорные преобразователи главных приводов прокатных станов). Активная мощность этих приемников изменяется от нуля до максимального значения за время менее 0,1с, вследствие чего колебания частоты могут достигать больших значений.

Изменения частоты даже в небольших пределах влияют на работу электросетей и приемников электроэнергии. Понижение частоты тока приводит к увеличению потерь мощности и напряжения в электросетях и к недовыработке продукции. Влияние снижения частоты на потребляемую мощность электроприемников различно:

1) потребляемая мощность приемниками электроосвещения, электропечами сопротивления и дуговыми электропечами практически незначительно зависит от частоты;

2) мощность забираемая механизмами с постоянным моментом на валу (металлорежущие станки, поршневые насосы, компрессоры и др.), пропорциональна частоте;

3) потери мощности в сети пропорционально квадрату частоты;

4) потребляемая механизмами с вентиляторным моментом сопротивления (центробежные насосы, вентиляторы, дымососы и др.) мощность пропорциональна частоте в третьей степени;

5) у центробежных насосов, работающих на сеть с большим статическим напором (противодавлением), например у питательных насосов котельных, потребляемая мощность пропорциональна частоте в степени выше третьей.

Изменение частоты существенно влияет на работу приборов и аппаратов применяемых в телевидении, вычислительной технике.

Разгрузка энергосистемы при образовавшемся недостатке мощности осуществляется устройствами автоматической частотной разгрузки (АЧР) или вручную персоналом энергосистемы путем отключения потребителей по питающим линиям (трансформаторам) по специально разработанному так называемому аварийному графику (АГ). Устройства АЧР предназначены для разгрузки энергосистемы при авариях, вызывающий большой дефицит мощности. Величина АЧР принимается не менее 50% нагрузки энергосистемы с разбивкой на очереди с различными объемами разгрузки и различными установками автоматов по частоте и выдержке времени.

Разгрузка энергосистемы персоналом вручную по аварийному графику (АГ) применяется также в случае возникновения дефицита мощности из-за аварии. График АГ разрабатывается в размере 15% нагрузки системы с разбивкой на очереди по мощности.

Частотная разгрузка применяется совместно с частотным автоматическим повторным включением (ЧАПВ), восстанав-ливающим электроснабжение отключенных потребителей.

Устройства АВР используются на предприятиях без учета общих интересов электроснабжения потребителей при возникающих дефицитах мощности в энергосистеме. Резервирование потребителями отключенной АЧР нагрузки с помощью АВР на оставленные в работе линии снижает эффективность АЧР, что может привести к развитию аварии в энергосистеме.

Правильное использование АВР в сетях потребителей может быть обеспечено за счет рационального размещения АВР и согласования действия АВР с действиями АЧР.

На рис показаны основные принципы выбора и размещения АВР и АЧР в наиболее простых схемах эл. снабжения

а) при электроснабжении от одного питающего центра

 

ОН

б) от питающего центра и распределительной сети

ПЦ - питающий центр;

ПП - п/ст потребления;

ОН - ответственные нагрузки.

 

Для первого рис. АВР необходимо устанавливать одностороннего действия только для резервирования ответственных нагрузок линии 1. Под АЧР можно поставить линии 2и3.

При таком размещении АВР обеспечивается резервирование ответственных нагрузок потребителя при аварийном отключении линии 1 и реальное снятие нагрузки по линиям 2 и 3 при работе АЧР.

Для второго случая (рис б) АВР может быть двустороннего действия, если во-первых, пропускная способность линии 2 позволяет резервировать соответствующую нагрузку распределительной сети и, во-вторых, питающие РП линии не поставлены в свою очередь под АЧР.

 

Схемные решения АЧР.

 

Существуют два метода АЧР: по абсолютному значению частоты и по скорости изменения частоты.

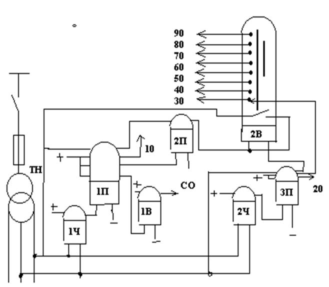
Рис. Схема устройства АЧР по абсолютному значению частоты.

Первый метод АЧР чаще всего применяется в системе электроснабжения промышленных предприятий. Он заключается в срабатывании реле частоты РЧ при определенном её значении, задаваемом энергосистемой, что приводит к отключению части потребителей через промежуточное реле РП.

Второй метод АЧР с отключением потребителей в определенной очередности применяется обычно в энергосистемах.

При снижении частоты срабатывает частотное реле 1Ч, которое через промежуточное реле 1П дает импульс (без выдержки) на отключение первой очереди потребителей (контакты 10). Одновременно получает питание через промежуточное реле 2П специальное электродвигательное реле времени 2В.

Если после отключения первой очереди потребителей частота в сети не восстанавливается, то срабатывает частотное реле 2Ч и отключается вторая очередь через промежуточное реле 3П (контакты 20). Далее через контактное кольцо электродвигательного реле 2В отключаются остальные очереди (контакты 30-90).

Если после отключения указанных очередей не восстанавливается до номинального уровня, то через реле 1В с максимальной выдержкой времени отключается последняя специальная очередь потребителей (контакты СО).

 

Рис. Схема устройства АЧР по скорости снижения частоты.

 

Несинусоидальность формы кривой напряжения и тока.

 

На современных промышленных предприятиях значительное распространение получили нагрузки, вольт-амперные характеристики которых нелинейны. K их числу относятся тиристорные преобразователи, установки дуговой и контактной сварки, электродуговые сталеплавильные и руднотермические печи, газоразрядные лампы и др. Эти нагрузки потребляют из сети ток, кривая которого оказывается несинусоидальной, в результате возникают нелинейные искажения кривой напряжения сети или, несинусоидальные режимы.

Несинусоидальные режимы неблагоприятно сказываются на работе силового электрооборудования, систем релейной защиты, автоматики, телемеханики и связи. Возникающие при этом экономические ущербы обусловлены главным образом, ухудшением энергетических показателей, снижением надежности функционирования электросетей и сокращение срока службы электрооборудования.

Основной круг вопросов, составляющих содержание проблемы несинусоидальности, сводится к следующим:

- оценка электромагнитной совместимости источников высших гармоник и других нагрузок;

- количественная оценка высших гармоник тока, генерируемых различными нелинейными нагрузками, и прогнозирование значений высших гармоник тока и напряжения в электросетях.

- снижение уровней высших гармоник

Известно, что любую несинусоидальную периодическую функцию f(wt) с периодом 2p, удовлетворяющую условию Дирихле можно представить в виде суммы постоянной величины и бесконечного ряда синусоидальных величин с кратными частотами. Такие синусоидальные составляющие называются гармониками.

Синусоидальная составляющая, период которой равен периоду несинусоидальной периодической величины, называется основной гармоникой. Остальные составляющие синусоиды с частотами со второй по n-ю называются высшими гармониками.

Согласно теореме Фурье, мгновенное значение функции f(wt) может быть представлено

тригонометрическим рядом.

где А0 - постоянная составляющая;

n - номер гармоники;

а, b - коэффициенты ряда Фурье;

n - номер последней из учитываемых гармоник.

 

Коэффициенты ряда Фурье определяются по формулам:

Амплитуду n-й гармоники определяют из выражения

а начальную фазу n-й гармоники

Токи высших гармоник, проходя по элементам сети, вызывают падения напряжения в сопротивлениях этих элементов, которые, накладываясь на основную синусоиду напряжения, приводят к искажению формы кривой напряжения.

 

Основные источники высших гармоник.

 

Вентильные преобразователи

Полупроводниковые преобразовательные устройства находят широкое применение на заводах черной и цветной металлургии и предприятиях химической промышленности. Потребителями постоянного тока на предприятиях являются регулируемый электропривод, электролизные установки, гальванические ванны, электрифицированный железнодорожный транспорт, магнитные сепараторы и др. технологические установки.

На промышленных предприятиях наибольшее применение получили трехфазные мостовые схемы. Эти схемы являются также основой для построения более сложных схем многомостовых преобразователей.

Для мостового преобразователя кривая сетевого тока при соединении первичной обмотки трансформатора преобразователя в звезду имеет вид, показанный на рис.

Форма кривой зависит от угла управления a, задаваемого системой импульсно-фазового управления, и угла коммутации g.

 

 

Порядок (номера) гармоник сетевых токов определяется выражением

где р- число фаз преобразователя;

k =1,2,3.......

 

Для мостового преобразователя, у которого р=6,

n=5;7;11;13;17;19;23;25;.........

Амплитуда n-й гармоники определяется выражением

где

 

 

Еm- амплитуда ЭДС питающей энергосистемы

y=a+g/2 - угол сдвига по фазе между кривыми ЭДС 1-й гармоники сетевого тока.

Начальная фаза сдвига n-й гармоники определяется достаточно точно по формуле:

В практических расчетах y удобно находить по выражению:

где Ud иUd0 - средние значения выпрямленного напряжения преобразователя соответственно в режимах нагрузки и холостого хода.

Проведенные исследования показали, что в амплитудных спектрах первичных токов преобразователей содержатся как канонические гармоники (n=5,7,11,13,17,19......), так и неканонические или анормальные гармоники (n=2,3,4,6,8......). Основной причиной появления анормальных гармоник является асимметрия импульсов управления, свойственная всем системам управления. Амплитуды анормальных гармоник по сравнению с амплитудами канонических гармоник как правило, невелики.

На базе трехфазной мостовой схемы реализуются ряд схем преобразователей применяемых в электроприводе:

- Тиристорный электропривод на базе вентильного двигателя;

- Асихронный вентильный каскад;

- Скомпенсированный вентильный электропривод;

- Привод на базе асинхронного двигателя с использованием частотного регулирования частоты вращения.

 

Дуговые сталеплавильные электропечи

 

Нелинейность вольт-амперной характеристики дуги приводит к генерации печами токов высших гармоник. Формы кривых тока печей в большой степени зависят от режима горения дуги в разные периоды плавки. В начальный период расплавления ток печи колеблется между токами режима холостого хода и короткого замыкания, форма кривых токов значительно отличается от синусоидальной. С появлением жидкого металла плавку ведут при короткой дуге, колебания тока сравнительно меньше. Форма кривых тока улучшается и приближается к синусоидальной.

В сравнении с вентильными преобразователями той же мощности уровни гармоник, генерируемых дуговыми печами, оказываются в 3¸4 раза меньше. Сказанное относится к периоду расплавления, поэтому для практических целей важно знать уровни гармоник для периода расплаления.

Токи гармоник для практических расчетов рекомендуют принимать

где Iп,Т - номинальный ток печного трансформатора

Уровень 5,7,11 и 13-й гармоник тока, генерируемых электродуговыми печами, относительно невелик. Эквивалентное действующее значение их не превосходит 10% тока 1-й гармоники. В токах дуговых электропечей содержатся также анормальные 2,3,4,6-я гармоники. Основными причинами появления анормальных гармоник являются непрерывное изменение условий горения дуг печи и неполное выравнивание сопротивлений короткой сети. Эквивалентное действующее значение токов высших гармоник в токе за счет анормальных гармоник возрастает в 1,8¸2 раза.

 

Дуговые вакуумные печи получают питание от вентильных преобразователей, которые коммутируются по 6-фазной схеме с уравнительным реактором. Кривая сетевого тока оказывается такой же, как и мостовых преобразователей электроприводов. Уровень анормальных гармоник тока оказывается весьма значительнее (I2»8%, I3»6%).

Однофазные печи электрошлакового переплава являются практически линейной нагрузкой, поскольку переплав электрода осуществляется за счет нагрева слитка в слое расплавленного электропроводного шлака.

Рудиотермические печи работают с шунтированной дугой, благодаря этому нелинейность дуги практически не проявляется. Содержание высших гармоник в токе печей незначительно; уровни 2,3 и 5-й гармоник тока не превышают 1¸1,5%, остальные гармоники оказываются намного меньше.

Установки электродуговой и контактной сварки. Для установок электродуговой сварки в качестве источника питания используются полупроводниковые выпрямители. Токи высших гармоник, генерируемые сварочными выпрямителями, различны для отдельных режимов работы сварочных установок.

В зависимости от нагрузки выпрямитель может работать в одном из трех режимов: режиме прерывистых токов при малых нагрузках, которому соответствует двухвентильная коммутация А; средних нагрузках В; режиме трехвентильной коммутации при больших нагрузках С.

Режим А практического значения не имеет. В режиме В уровни 5-й и 7-й гармоник тока оказываются весьма нестабильными. Уровень высших гармоник тока в режиме С значительно ниже, чем в режиме В.

Установки контактной электросварки включаются в сеть с помощью тиристорных ключей. Для плавного регулирования сварочного тока вентильные устройства снабжаются системами фазового регулирования. Применение фазового регулирования приводит к искажению формы тока, потребляемого сварочными машинами. Определяющими гармониками при разложении тока являются 1,3 и 5-я. Кроме нечетных гармоник присутствуют также четные гармоники. Появление четных гармоник объясняется разбросом углов регулирования вентилей. Влияние четных высших гармоник на несинусоидальность токов сварочных машин невелико.

Для установок дуговой или контактной электросварки токи гармоник определяют для единичной установки

где Sном.т - номинальная мощность трансформатора;

KЗ - коэффициент загрузки трансформатора;

ПВ - продолжительность включения.

 

ВЛИЯНИЕ ВЫСШИХ ГАРМОНИК НА РАБОТУ ЭЛЕКТРООБОРУДОВАНИЯ

 

Высшие гармоники в системах электроснабжения предприятий нежелательны по ряду причин: появляются дополнительные потери в электрических машинах, трансформаторах и сетях; затрудняется компенсация реактивной мощности с помощью батарей конденсаторов; сокращается срок службы изоляции электрических машин и аппаратов; ухудшается работа устройств автоматики, телемеханики и вязи.

При работе асинхронного двигателя в условиях несинусоидального напряжения немного снижается его коэффициент мощности и вращающий момент на валу.

Искажение формы кривой напряжения заметно сказывается на возникновении и протекании ионизационных процессов в изоляции электрических машин и трансформаторов. При наличии газовых включений в изоляции возникает ионизация, сущность которой заключается в образовании объемных зарядов и последующей нейтрализации их. Нейтрализация зарядов связана с рассеиванием энергии, следствием которого является электрическое, механическое и химическое воздействие на окружающий диэлектрик; в результате развиваются местные дефекты в изоляции, что приводит к снижению её электропрочности, возрастанию диэлектрических потерь и в конечном счете к сокращению срока службы.

Наиболее ощутимое влияние высших гармоник оказывает на работу батарей конденсаторов. Конденсаторы работающие при несинусоидальном напряжении, в ряде случаев быстро выходят из строя в результате вспучиваний и взрывов. Причиной разрушения конденсаторов является перегрузка и токами высших гармоник, которая возникает, как правило, при возникновении в сети резонансного режима на частоте одной из гармоник.

В соответствии с ГОСТ батареи конденсаторов могут длительно работать при перегрузке их токами высших гармоник не более на 30%; однако при длительной эксплуатации конденсаторов в этих условиях срок службы сокращается.

При несинусоидальном режиме сети происходит ускорение старения изоляции силовых кабелей. Исследования кабелей работающих при синусоидальном и при уровне высших гармоник в кривой напряжения в пределах 6¸8,5% показали, что токи утечки во втором случае через 2,5 года эксплуатации оказались в среднем на 36%, через 3,5 года - на 43% больше, чем в первом.

Высшие гармоники тока и напряжения влияют на погрешности электроизмерительных приборов. Индукционные счетчики активной и реактивной энергии при несинусоидальных напряжениях и токах имеют довольно большую погрешность, которая может достигать 10%.

Наличие высших гармоник затрудняется и в ряде случаев делает невозможным использование силовых цепей в качестве каналов для передачи информации. Высшие гармоники ухудшают работу телемеханических устройств и даже вызывают сбой в их работе, если силовые цепи используются в качестве каналов связи между полукомплектами диспетчерского контролируемого пунктов.

Несинусоидальность формы кривой напряжения отрицательно сказывается на работе вентильных преобра-зователей, ухудшая качество выпрямления тока.

 

Потери мощности вызываемые высшими гармониками.

При прохождении токов высших гармоник по элементам системы электроснабжения возникают дополнительные потери активной мощности:

1. Дополнительные потери активной мощности в синхронных машинах от высших гармонических тока определяется по формуле:

где DРнсм - дополнительные потери в металле обмоток (меди) синхронной машины от высших гармоник;

нс.ст - дополнительные потери в стали от высших гармоник;

нс.т -мощность, идущая на преодоление тормозного момента вызываемого током высшей гармоники.

 

2. Дополнительные потери активной мощности в обмотках асинхронного двигателя, обусловленные токами высших гармоник, определяются по формуле.

где R1nR2n' - активное сопротивление статора и приведенное активное сопротивление ротора на частоте n-й гармоники.

 

3. Дополнительные потери активной мощности в силовых трансформаторах, кабельных и воздушных линиях и реакторах определяются по формуле:

4. дополнительные потери активной мощности в силовых конденсаторах:

а) Дополнительные потери активной мощности в диэлектрике силового конденсатора:

б) Дополнительные потери активной мощности от внешних гармоник в изоляции от корпуса силовых конденсаторов:

в) Дополнительные потери активной мощности от внешних гармоник в обкладках конденсаторов:

где Кn,en- коэффициент учитывающий влияние поверсхности эффекта на участке е.

Ке- сопротивление е-го участка.

 

Способы уменьшения несинусоидальности напряжения в электрических сетях

Увеличение числа фаз выпрямления. С увеличением числа фаз выпрямления форма первичного тока преобразователя приближается в токе выпрямителя и, следовательно, в напряжении сети, уменьшается. Так, например, при 6-фазной схеме выпрямления в токе вентильного агрегата содержатся 5,7,11,13,17,19,23,25- я..... гармоники, а при 12-фазной схеме- 11,13,23,25-я..... гармоники. Расчеты показывают, что при этом несинусоидальность напряжения сети уменьшается в 1,4 раза. Увеличение числа фаз выпрямления является действенной мерой снижения содержания высших гармоник в кривых первичного тока преобразователей и напряжения сети. Однако эти устройства получаются слишком сложными, дорогими и ненадежными. В настоящее время наибольшее распространение получили 12-фазный режим выпрямления.

 

Многофазный эквивалентный режим работы преобразо-вателей. Увеличение числа фаз выпрямителя возможно также путем создания эквивалентного режима для группы вентильных агрегатов, при сохранении для каждого из них 6- фазного выпрямителя. Например, 12-фазный эквивалентный режим для двухмостового преобразователя может быть реализован путём соединения одной из обмоток анодного трансформатора в треугольник, а другой - в звезду. В результате в первичных обмотках трансформаторов обеих агрегатов присутствуют гармоники порядков n=6k±1, но в питающую сеть выходят только гармоники порядков n=12k±1, а остальные гармоники тока циркулируют между первичными обмотками трансформаторов.

 

Снижение уровней гармоник средствами питающей сети достигается в основном рациональным построением схемы электроснабжения, при котором обеспечивается допустимый уровень гармоник напряжения на шинах потребителя. Наиболее распространенными средствами являются применение трансформаторов преобразователей с повышенным напряжением 110-220 кВ; питание нелинейных нагрузок от отдельных трансформаторов или подключение их к отдельным обмоткам трехобмоточных трансформаторов; подключение параллельно нелинейным нагрузкам синхронных и асихронных двигателей.

 

Фильтры высших гармоник Звено фильтра представляет собой конур из последовательно соединенных индуктивности и ёмкости, настроенный на частоту определенной гармоники.

Сопротивление звена фильтра токами высших гармоник

или

где ХLХC-сопротивления индуктивности и ёмкости току промышленной частоты.




Поделиться с друзьями:


Дата добавления: 2014-12-25; Просмотров: 1734; Нарушение авторских прав?; Мы поможем в написании вашей работы!


Нам важно ваше мнение! Был ли полезен опубликованный материал? Да | Нет



studopedia.su - Студопедия (2013 - 2025) год. Все материалы представленные на сайте исключительно с целью ознакомления читателями и не преследуют коммерческих целей или нарушение авторских прав! Последнее добавление




Генерация страницы за: 2.892 сек.