Студопедия

КАТЕГОРИИ:


Архитектура-(3434)Астрономия-(809)Биология-(7483)Биотехнологии-(1457)Военное дело-(14632)Высокие технологии-(1363)География-(913)Геология-(1438)Государство-(451)Демография-(1065)Дом-(47672)Журналистика и СМИ-(912)Изобретательство-(14524)Иностранные языки-(4268)Информатика-(17799)Искусство-(1338)История-(13644)Компьютеры-(11121)Косметика-(55)Кулинария-(373)Культура-(8427)Лингвистика-(374)Литература-(1642)Маркетинг-(23702)Математика-(16968)Машиностроение-(1700)Медицина-(12668)Менеджмент-(24684)Механика-(15423)Науковедение-(506)Образование-(11852)Охрана труда-(3308)Педагогика-(5571)Полиграфия-(1312)Политика-(7869)Право-(5454)Приборостроение-(1369)Программирование-(2801)Производство-(97182)Промышленность-(8706)Психология-(18388)Религия-(3217)Связь-(10668)Сельское хозяйство-(299)Социология-(6455)Спорт-(42831)Строительство-(4793)Торговля-(5050)Транспорт-(2929)Туризм-(1568)Физика-(3942)Философия-(17015)Финансы-(26596)Химия-(22929)Экология-(12095)Экономика-(9961)Электроника-(8441)Электротехника-(4623)Энергетика-(12629)Юриспруденция-(1492)Ядерная техника-(1748)

Станция Р-440-0




Структурные схемы и принципы работы станций в различных режимах

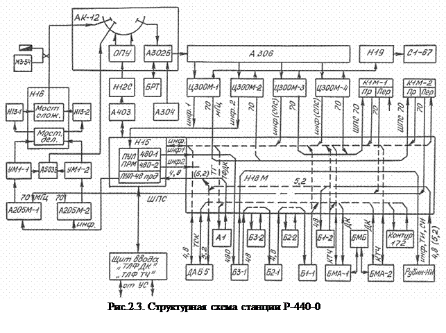
Структурная схема станции представлена на рис. 2.3.

По своему функциональному назначению все элементы станции можно объединить в следующие группы: передающей тракт, приемный тракт, аппаратура помехозащищенной радиосвязи, аппаратура временного объединения/разделения, аппаратура сопряжения, антенное устройство, аппаратура служебной связи, аппаратура управления и коммутации.

Передающий тракт предназначен для формирования модулированных радиосигналов в диапазоне рабочих частот станции и их усиления до номинального уровня.

Он состоит из возбудителей А205М (основного и резервного), предварительных усилителей мощности УМ1-1(основного и резервного), блока деления и сложения мощности Н16,усилителей мощности Н13,которые могут использоваться либо как основной и резервный, либо совместно (в режиме сложения излучаемой мощности), переходного устройства линейного (ПУЛ) тракта передачи ПУЛ -48 ПРД.

Групповой сигнал на передачу поступает на вход рабочего возбудителя через ПУЛ-48 ПРД. Переходное устройство линейное обеспечивает согласование аппаратуры временного объединения и возбудителя по уровню и форме сигнала. Для работы выбирается 1 или 2-й возбудитель и предварительный усилитель мощности.

Возбудитель А205М обеспечивает формирование модулированного радиосигнала с ЧТ или ОФТ в диапазоне частот передачи станции.

Предварительный усилитель мощности предназначен для усиления сформированного возбудителем радиосигнала до уровня, обеспечивающего нормальную работу выходного усилителя мощности.

Мост деления Н16 делит входной сигнал по мощности на два сигнала, подаваемых каждый на свой выходной усилитель Н13. В режиме без деления мощности включается один из усилителей и сигнал с его выхода через мост сложения по волноводному тракту поступает в антенну. В режиме со сложением мощности включаются оба выходных усилителя и их выходные сигналы с помощью моста сложения блока Н16 объединяются по мощности.

Приемный тракт предназначен для приема сигналов от ретранслятора, их усиления, фильтрации и демодуляции. Он состоит из входного устройства А302Б, установленным на опорно-поворотном устройстве, блока регулирования температур БРТ, блока первого гетеродина А304, блока частотного разделения сигналов А306,четырех приемников Ц300М, двух переходных устройств линейных тракта приема ПУЛ-480 ПРМ.

Входное устройство обеспечивает усиление с малыми искажениями и предварительную фильтрацию сигналов, принимаемых с ретранслятора, а также первое преобразование частоты. При преобразовании частоты используется сигнал первого гетеродина, установленного в аппаратной. Изменением частоты первого гетеродина обеспечивается выбор рабочего ствола станции.

Блок регулирования температуры поддерживает необходимый температурный режим в контейнере входного устройства, необходимый для устойчивой работы последнего.

Блок частотного разделения сигналов А306 обеспечивает разделение сигналов корреспондентов по частоте и возможность подключения к выходу блока А302Б нескольких (в данном случае 4-х) приемников.

Два приемника Ц300М используются для работы по двум направлениям связи, один -для приема спецсигналов и один приемник является резервным. Приемники Ц300М осуществляют основное усиление принимаемых сигналов, их фильтрацию и демодуляцию. Выделенные в приемниках групповые сигналы поступают на вход аппаратуры временного разделения через переходные устройства линейные приемного тракта ПУЛ-480 ПРМ.

Переходные устройства линейные используются для согласования выходов приемников с аппаратурой временного разделения по уровню и форме сигналов.

Аппаратура помехозащищенной радиосвязи " Кулон -1М" представлена двумя стойками К1М.Одна стойка используется для приема спецсигнала, а другая -для работы в одном направлении связи в помехозащищенном режиме. По приему стойки подключены к тракту промежуточной частоты приемников Ц300М (тракт 70 МГц),а по передаче -к тракту промежуточной частоты (также 70 МГц) возбудителя А205М.

Аппаратура временного объединения/разделения (АВОР) предназначена для объединения абонентских цифровых сигналов в общий групповой сигнал станции на передаче и обратного преобразования на приеме.

В составе аппаратуры временного объединения/разделения " Дискрет " имеются блок объединения цифровых потоков А1, блоки временного разделения Б3,Б2 и Б1.

Одновременное объединение и разделение цифровых потоков осуществляет блок ДАБ-5.

Для разделения группового сигнала ствола с обработкой сигналов на борту служит блок "Рубин-Н".

Комплект аппаратуры временного объединения/разделения обеспечивает работу станции во всех перечисленных выше режимах. Блок А1 обеспечивает временное объединение трех цифровых абонентских сигналов со скоростью 1,2 кбит/с, двух телеграфных сигналов со скоростью 100 бод, одного служебного телеграфного сигнала от аппаратуры формализованной служебной связи "Контур-П" со скоростью 50 бод и одного сигнала контрольного канала со скоростью 20,34 бод в групповой сигнал со скоростью 4,8 кбит/с. Вместо двух сигналов по 1,2 кбит/с возможна передача абонентского сигнала со скоростью 2,4 кбит/с. Возможна работа блока с групповой скоростью 2,4 кбит/с, при этом образуется один канал со скоростью 1,2 кбит/с и все телеграфные каналы из перечисленных. Блок Б3 обеспечивает разделение группового сигнала со скоростью 96;144;240 или 480 кбит/с на потоки по 48 кбит/с, при этом блоком выделяются любые два из них. Кроме того, блок выделяет из группового сигнала два телеграфных сигнала по 100 бод и один телеграфный сигнал служебной связи со скоростью 50 бод, который может быть выведен на аппаратуру "Контур-П". Блок Б2 осуществляет разделение группового сигнала со скоростью 48 кбит/с на потоки по 4,8 кбит/с, выделяя любые два из них. Одновременно выделяется телеграфный сигнал со скоростью 100 бод и телеграфный сигнал со скоростью 50 бод, подаваемый по необходимости на блок "Контур-П". Блок Б1 осуществляет временное разделение сигнала со скоростью 4,8 кбит/с на абонентские. Его возможности по объединению аналогичны возможностям блока А1 по объединению. Блок ДАБ-5 предназначен для объединения и разделения абонентского сигнала со скоростью 4,8 кбит/с, служебного телеграфного сигнала аппаратуры "Контур-П" со скоростью 50 бод и сигнала контрольного канала со скоростью 20,34 бод. Блок "Рубин-Н" обеспечивает разделение группового сигнала ретранслятора со скоростью 480 кбит/с с выделением трех сигналов по 4,8 или 5,2 кбит/с.

Аппаратура сопряжения имеет в своем составе два блока сопряжения БМА и блок служебной связи БМБ.

Блоки БМА осуществляют преобразование цифрового сигнала в тональный и обратно и используются при передаче каналов от станции к оконечной аппаратуре по каналам тональной частоты. Блок БМБ используется для обмена служебными формализованными командами с механиками оконечных станций и операторами станции-корреспондента на этапе подготовки канала связи к сдаче в эксплуатацию.

Антенное устройство АК-12 состоит из опорно-поворотного устройства и укрепленной на нем собственно антенны. На опорно-поворотном устройстве также укреплен герметичный контейнер с малошумящим входным устройством (блок А302Б).

В составе опорно-поворотного устройства имеются элементы, обеспечивающие наведение антенны на КА: датчики положения антенны, исполнительные двигатели, вращающиеся сочленения, обеспечивающие передачу высокочастотной энергии по волноводному тракту при повороте антенны. Антенна однозеркальная, приемный и передающий облучатели, представляющие собой соосные спирали, вставленные одна в другую, укреплены с помощью специального кронштейна.

В состав аппаратуры служебной связи входит блок формализованной служебной связи по телеграфным каналам спутниковой связи, а также аппаратура внутриузловой служебной связи (на схеме не показана).

К аппаратуре управления станции относятся пульт управления Н15, блок управления антенной Н12С и аппаратура программного наведения А403, представляющая собой специализированную ЭВМ.

Коммутационное оборудование представлено блоком линейной коммутации Н18.

Для контроля излучаемой мощности служит ваттметр поглощаемой мощности М3-54, подключаемый через направленный ответвитель к выходу передающего устройства. Контроль принимаемых сигналов осуществляется с помощью панорамной приставки, состоящей из осциллографа С1-67 и высокочастотного блока Н19.Подключение панорамной приставки к приемникам осуществляется поочередно на пульте управления станции Н15.

Для проверки станции без излучения в эфир ("по малому шлейфу") служит блок сдвига частоты несущего колебания А503,осуществляющий перенос радиосигнала из диапазона частот передачи в диапазон частот приема. Он подключается к специальным выходам предварительных усилителей мощности УМ1-1. Преобразованный в блоке сигнал по коаксиальному кабелю подается в антенну и излучается небольшим вибратором (петлей), установленным непосредственно на зеркале антенны. Излученный сигнал попадает в приемный тракт, благодаря чему появляется возможность приема собственного сигнала станции при проверке "на себя".

Основными режимами работы станции Р-440-0 являются: режим прямой ретрансляции; режим с обработкой на борту ретранслятора; помехозащищенный режим. Для реализации данных режимов в станции задействуется соответствующий комплект оборудования.




Поделиться с друзьями:


Дата добавления: 2014-12-25; Просмотров: 7967; Нарушение авторских прав?; Мы поможем в написании вашей работы!


Нам важно ваше мнение! Был ли полезен опубликованный материал? Да | Нет



studopedia.su - Студопедия (2013 - 2026) год. Все материалы представленные на сайте исключительно с целью ознакомления читателями и не преследуют коммерческих целей или нарушение авторских прав! Последнее добавление




Генерация страницы за: 0.009 сек.