Студопедия

КАТЕГОРИИ:


Архитектура-(3434)Астрономия-(809)Биология-(7483)Биотехнологии-(1457)Военное дело-(14632)Высокие технологии-(1363)География-(913)Геология-(1438)Государство-(451)Демография-(1065)Дом-(47672)Журналистика и СМИ-(912)Изобретательство-(14524)Иностранные языки-(4268)Информатика-(17799)Искусство-(1338)История-(13644)Компьютеры-(11121)Косметика-(55)Кулинария-(373)Культура-(8427)Лингвистика-(374)Литература-(1642)Маркетинг-(23702)Математика-(16968)Машиностроение-(1700)Медицина-(12668)Менеджмент-(24684)Механика-(15423)Науковедение-(506)Образование-(11852)Охрана труда-(3308)Педагогика-(5571)Полиграфия-(1312)Политика-(7869)Право-(5454)Приборостроение-(1369)Программирование-(2801)Производство-(97182)Промышленность-(8706)Психология-(18388)Религия-(3217)Связь-(10668)Сельское хозяйство-(299)Социология-(6455)Спорт-(42831)Строительство-(4793)Торговля-(5050)Транспорт-(2929)Туризм-(1568)Физика-(3942)Философия-(17015)Финансы-(26596)Химия-(22929)Экология-(12095)Экономика-(9961)Электроника-(8441)Электротехника-(4623)Энергетика-(12629)Юриспруденция-(1492)Ядерная техника-(1748)

Аппарат подвешен к раме вагона на изоляторах справа

При уменьшении разрядного тока конденсаторов они заряжаются до нормы от силовой цепи. Закрытие основных тиристоров привело к усилению возбуждения генераторов и увеличению тока силовой цепи. Блок управления, сравнив токи, открывает основные тиристоры. Работа тиристорных ключей повторяется.

Величина тока в обмотках возбуждения регулируется изменением соотношения длительности включенного и выключенного состояния ключа, что приводит к плавному регулированию степени возбуждения генераторов от 48% до 100%. После выхода на полное поле по команде от блока управления контакторы КСБ1 и КСБ2 отключается и начинается электрическое реостатное торможение под контролем РУТ.

Основные требования и особенности регулирования электрических параметров тиристорного регулятора

 

Конструктивно и по электрической схеме регуляторы РТ300/300 на вагонах 81-717 (714) и на вагонах Еж3 (Ем508Т) практически одинаковы. Однако, на вагонах метро 81-717 (714) между анодами главных, вспомогательных тиристоров и тиристором защиты силового блока БС-29 отсутствует перемычка, в связи с тем, что тиристор защиты Т8 второй группы включается в схему через дополнительную катушку реле перегрузки РЗ-3, которая при срабатывании тиристора Т8 разбирает электрическую силовую схему вагона. На вагонах Еж3 (Ем508Т) при срабатывании тиристоров защиты через установленную выдержку времени реостатный контроллер уходит с 1-й позиции и начинает вывод пуско-тормозных резисторов.

Кроме того, значение токов уставок регуляторов РТ300/300 для вагонов метро 81-717 (714) и Еж3 (Ем508Т) отличаются в связи с отличием мощности и характеристик тяговых двигателей ДК-117Д и ДК-116А.

Основные особенности регуляторов РТ300/300 связаны с регулировками регулятора при использовании на вагонах метро 81-717 (714) и Еж3 (Ем508Т), и в узле коррекции тока якоря. На вагонах метро 81-717 (714) на 13-ю клемму блока БУ-13А тиристорного регулятора подается сигнал с авторежимного устройства вагона на клемму 6И, который увеличивает уставку регулятора по мере загрузки вагона пассажирами с 250 до 350А, сохраняя характер поддержания тока во всем диапазоне скоростей торможения в зоне регулирования поля примерно постоянным.

    81-717/714 Еж3(Ем508Т)
  Величина тока первой уставки на положении рукоятки КВ «Тормоз-1»,А 160-180 140-150
  Величина тока второй уставки на положении рукоятки КВ «Тормоз-1А» и «Тормоз-2», А 250-260 (при порожнем вагоне) 220-230 (при порожнем и груженном вагоне)
  Величина тока второй уставки (с учетом воздействия узла коррекции), А 350-370 (при воздействии сигнала авторежимного устройства на клемму 13 БУ13А) 260-280 (при воздействии сигнала с датчика тока возбуждения на клемму 13 БУ13А)
  Ток срабатывания тиристорной защиты, А 450-470 320-330
  Величина срабатывания платы тиристорной защиты, В 32,5 28,5
  Время задержки хода РК, сек 0,8-1,0 0,8-1,0

 

При использовании регулятора РТ300/300 на вагонах Еж3 (Ем508Т) его токовые уставки от нагрузки вагона пассажирами не зависят, ток якорей в начале торможения с больших скоростей не должен превышать 220-230А, по мере снижения скорости увеличиваться до 260-280А от воздействия сигнала от датчика тока возбуждения.

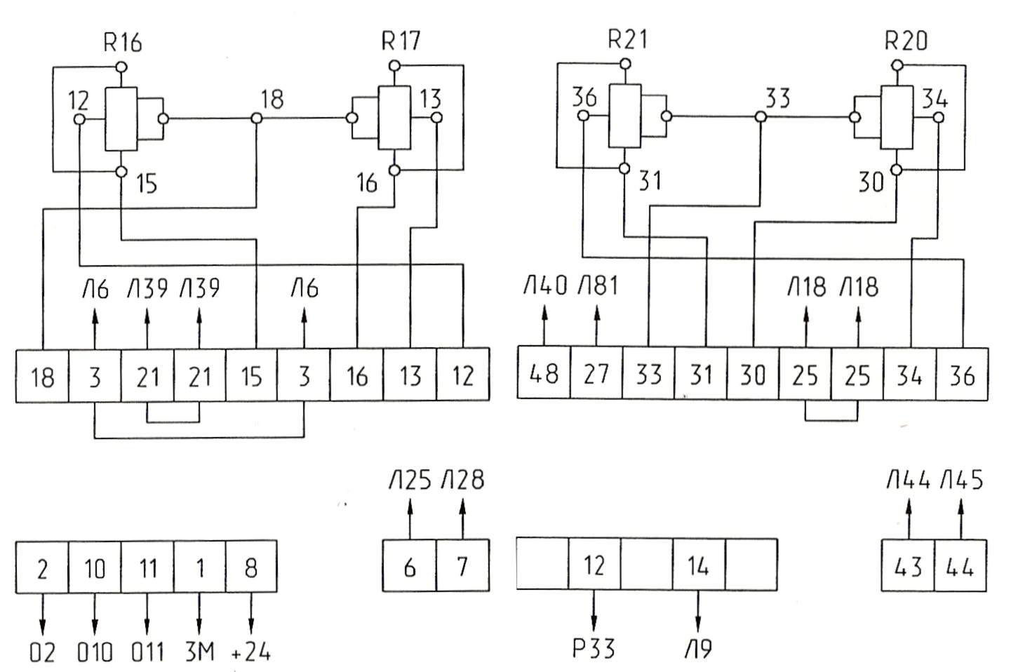
Рис.52 Электромонтажная схема подключения силового блока БС-29

Регулятор ДРП 300/300

 

Регулятор ДРП предназначен для бесступенчатого регулирования тока возбуждения двух групп тяговых двигателей в режиме торможения.

Регулятор представляет собой 2-х канальный регулятор постоянного тока повышающего типа, встроенный в силовую схему вагона, имеющего четыре тяговых двигателя с последовательным возбуждением и обеспечивает преобразование тока, являющегося разностью токов якоря и обмотки возбуждения тягового двигателя, при входном напряжении равным напряжению на обмотке возбуждения, в выходной ток и напряжение, необходимые для поглощения избыточной электрической мощности в постоянном шунтовом резисторе сопротивлением 1-2 Ом и мощностью до 4-х Квт.

 

Основные технические характеристики регулятора

максимальный входной ток для каждого канала -330А;

максимальное напряжение на входных клеммах -180В;

номинальное напряжение питание цепей управления -75В;

диапазон изменения коэффициента ослабления поля при токах якоря каждой группы двигателей от 100 до 450А - от 0,2 до 0,9;

продолжительность включения (ПВ) регулятора при длительности цикла 127 с - не менее 40%.

 

Регулятор содержит:

· два транзисторных модуля А4 и А5, шунтирующих обмотки возбуждения тяговых двигателей в режиме ослабления поля,

· модуль подвозбудителя А6, обеспечивающий принудительное возбуждение тяговых двигателей с целью расширения диапазона начала электрического торможения вплоть до значений скорости движения вагона 5-10 км/ч,

· фильтровые конденсаторы С1-С4,

· датчика тока ТА1, ТА2, формирующие сигналы пропорциональные токам, протекающим через транзисторные модули А4 и А5,

· плату управления А1, формирующую по набору поездных и вагонных сигналов и сигналов с датчиков тока и напряжения импульсные последовательности «Синхр.1» и «Синхр.2», а также сигналы «Выкл.1» и «Выкл.2», поступающие на платы драйверов А2 и А3,

· платы драйвера А2 и А3 формирующие импульсы управления силовыми транзисторными модулями А4 и А5 и обеспечивающие гальваническую развязку между силовыми цепями и цепями управления, а также защиту от превышения напряжения на обмотках возбуждения тяговых двигателей и силовых элементах регулятора,

· блоки зажимов ХТ1 и ХТ2 для подключения обмоток возбуждения и шунтирующих резисторов двух групп тяговых двигателей,

· разъем ХР1 для поездных и вагонных сигналов управления.

<== предыдущая лекция | следующая лекция ==>
Датчик тока ДТ1- датчик тока якоря | Импульсное регулирование тока возбуждения осуществляется изменением относительной длительности импульсов напряжения, прикладываемых к обмотке возбуждения
Поделиться с друзьями:


Дата добавления: 2015-04-24; Просмотров: 1310; Нарушение авторских прав?; Мы поможем в написании вашей работы!


Нам важно ваше мнение! Был ли полезен опубликованный материал? Да | Нет



studopedia.su - Студопедия (2013 - 2025) год. Все материалы представленные на сайте исключительно с целью ознакомления читателями и не преследуют коммерческих целей или нарушение авторских прав! Последнее добавление




Генерация страницы за: 0.014 сек.