Студопедия

КАТЕГОРИИ:


Архитектура-(3434)Астрономия-(809)Биология-(7483)Биотехнологии-(1457)Военное дело-(14632)Высокие технологии-(1363)География-(913)Геология-(1438)Государство-(451)Демография-(1065)Дом-(47672)Журналистика и СМИ-(912)Изобретательство-(14524)Иностранные языки-(4268)Информатика-(17799)Искусство-(1338)История-(13644)Компьютеры-(11121)Косметика-(55)Кулинария-(373)Культура-(8427)Лингвистика-(374)Литература-(1642)Маркетинг-(23702)Математика-(16968)Машиностроение-(1700)Медицина-(12668)Менеджмент-(24684)Механика-(15423)Науковедение-(506)Образование-(11852)Охрана труда-(3308)Педагогика-(5571)Полиграфия-(1312)Политика-(7869)Право-(5454)Приборостроение-(1369)Программирование-(2801)Производство-(97182)Промышленность-(8706)Психология-(18388)Религия-(3217)Связь-(10668)Сельское хозяйство-(299)Социология-(6455)Спорт-(42831)Строительство-(4793)Торговля-(5050)Транспорт-(2929)Туризм-(1568)Физика-(3942)Философия-(17015)Финансы-(26596)Химия-(22929)Экология-(12095)Экономика-(9961)Электроника-(8441)Электротехника-(4623)Энергетика-(12629)Юриспруденция-(1492)Ядерная техника-(1748)

Построение силовой схемы тормозного режима




После переключения переключателя ППС в положение ПП реостатный контроллер начинает вращаться в обратном направлении с 17 (20) позиции по 5 (32) позицию, что приводит к замыканию его кулачковых элементов в обратной последовательности. На 17 (20) и 16 (21) позициях вывод резисторов не происходит и сопротивление в цепи групп двигателей не изменяется. Эти позиции выполнены для смягчения броска тока при переходе из ПС в ПП. Начиная с 15 (22) позиции по 7 (30) позиции происходит вывод пусковых резисторов из цепи двигателей под контролем РУТ. Выведение секций резисторов из цепей групп двигателей происходит поочередно, что способствует смягчению толчков тягового усилия при переходе с позиции на позицию.

В результате образуются две параллельные группы двигателей и в каждую группу двигателей для ограничения тока после перехода аппарата ППС из ПС в ПП, вводится резистор. В первую группу двигателей резистор Р9-Р3 величиной 0,909 Ом, а во вторую группу двигателей резистор Р17-Р23 величиной 0,909 Ом.

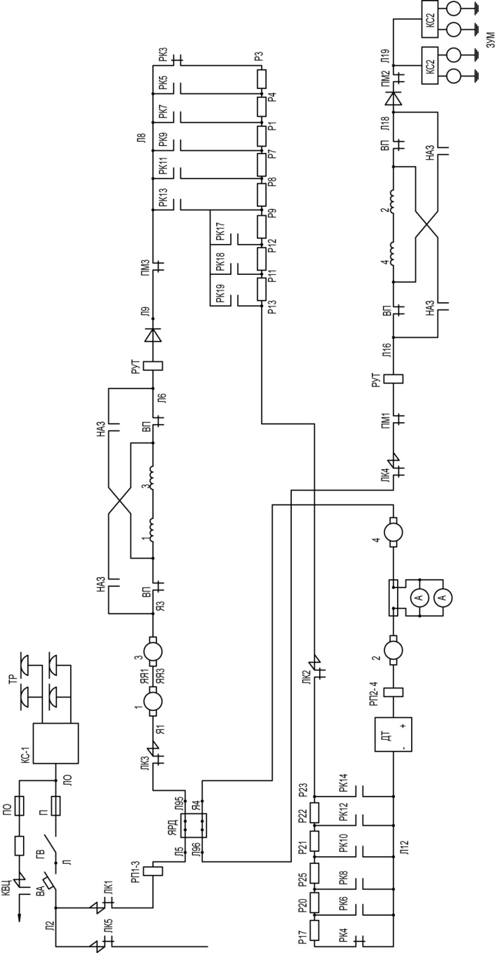
Таким образом, 17-я(18) позиция РК без его вращения стала 20-ой(19). Цепь тока на 20-ой (19) позиции РК:

ТР, КС1, П, ГВ, ВА, две параллельные цепи:

1) ЛК1, РП1-3, ДР1, ДР2, ЛК3, Я1, Я3, ВП, обмотки возбуждения 1-го и 3-го двигателей, ВП, РУТ, диод, ПМ3, РК13, резистор Р9-Р3, ПП2, КС2, ЗУМ, «земля».

2) ЛК5, ПП3, резистор Р17-Р23, РК14, РП2-4, Я2, шунт амперметра, Я4, ДР2, ДР1, ЛК4, ПМ1, РУТ, ВП, обмотки возбуждения 4-го и 2-го двигателей, диод, ПМ2, КС2, ЗУМ, «земля».

На 5 (32) позиции РК останавливается. Все резисторы выведены. Эта позиция является автоматической характеристикой при последовательно – параллельном соединении групп двигателей и 100% поле. Этой позицией целесообразно пользоваться при движении на затяжных подъемах.

 

 

Рис.121 Силовая схема электрических цепей при последовательном соединении групп двигателей. Режим Ход-2, 2-я позиция РК


Рис.122 Силовая схема электрических цепей при последовательном соединении групп двигателей. Режим Ход-2, 17-18-я позиции РК

 


 

 

 

Рис.123 Силовая схема электрических цепей при параллельном соединении групп двигателей. Режим Ход-2, 17-18-я позиции РК

Цепь тока на 5 (32) позиции:

 

ТР, КС1, П, ГВ, ВА, две параллельные цепи:

 

ЛК1, РП1-3, ДР1, ДР2, ЛК3, Я1,Я3,ВП, обмотки возбуждения 1-го и 3-го двигателей, ВП, РУТ, диод, ПМ3, РК3, ПП2, КС2, ЗУМ, «земля».

 

ЛК5, ПП3, РК4, ПР2-4, Я2, шунт амперметра, Я4, ДР2, ДР1, ЛК4,ПМ1, РУТ, ВП, обмотки возбуждения;4-го и 2-го двигателей, ВП, диод, ПМ2, КС2, ЗУМ, «земля».

 

Последовательно – параллельное соединение групп двигателей с ослаблением поля

 

Соответствует положению главной рукоятки КВ «Ход-3».

Вначале включаются контакторы КШ1 и КШ2, подключая параллельно обмоткам возбуждения каждой группы двигателей индуктивный шунт и резистор ослабления поля. Магнитное поле двигателей ослабляется до 70%. Затем РК продолжит вращение с 5(32) позиции по 1(36) позицию. До 2(35) позиции, за счет выведения кулачковыми элементами РК секций резистора ослабления поля, уменьшая сопротивление шунтирующей цепочки, происходит ступенчатое ослабление магнитного поля двигателей с 70% до 50%, 37% и 28%. На 1 (36) позиции РК останавливается, магнитное поле двигателей 28%.

Эта позиция является автоматической характеристикой при последовательно – параллельном соединении групп двигателей и ослабленном поле 28%..

Цепь тока на 1(36) позиции РК:

 

ТР, КС1, П, ГВ, ВА, две параллельные цепи:

 

1) ЛК1, РП1-3, ДР1, ДР2, ЛК3, Я1, Я3, точка Я3 две параллельные цепи: первая- ВП, обмотки возбуждения 1-го и 3-го двигателей, ВП, точка Л6; вторая- КШ1, ИШ1-3, резистор Р28-Р29, РК25, точка Л6. Далее – РУТ, диод, ПМ3, РК3, ПП2, КС2, ЗУМ, «земля».

 

2) ЛК5, ПП3, РК4, РП2-4, Я2, шунт амперметра, Я4, ДР2, ДР1, ЛК4, ПМ1, РУТ, точка Л16 две параллельные цепи: первая- ВП, обмотки возбуждения 4-го и 2-го двигателей, ВП, точка Л18; вторая- КШ2, ИШ2-4, РК26, резистор Р35, точка Л18. Далее –диод, ПМ2, КС2, ЗУМ, «земля».

Разбор схемы ходового режима

 

При переводе главной рукоятки КВ с ходовых позиций ослабления поля на нулевое положение отключение двигателей происходит после отключения контакторов КШ1 и КШ2, что способствует смягчению броска тока при сбросе схемы с ходовых позиций, затем с выдержкой 0,6 с. отключаются линейные контакторы: ЛК1, ЛК3, ЛК4, ЛК5. После чего аппарат ПМТ переключается в положение ПТ, аппарат ППС- в положение ПС, РК на первой позиции.


Рис.124 Силовая схема электрических цепей при параллельном соединении групп двигателей. Режим Ход-2, 32-я позиция РК

 


 

Рис.125 Силовая схема электрических цепей при параллельном соединении групп двигателей. Режим Ход-3, 36-я позиция РК

 


 

 

 

При сборе схемы на тормоз, в зависимости от скорости начала торможения, схема предусматривает два вида торможения:

торможение на первой позиции РК (бесступенчатое регулирование тока возбуждения двух групп генераторов) и реостатное торможение. Эти виды торможения реализуются машинистом постановкой главной рукоятки КВ в положения: Т1- подтормаживание, Т1А- ручное торможение, Т2- автоматическое торможение.

При переводе главной рукоятки КВ в положение Тормоз-1 произойдет сбор схемы тормозного режима в следующей последовательности:

 

включается контактор ЛК2, соединяя в последовательную цепь тормозные резисторы;

включаются контакторы КСБ1 и КСБ2, подключая параллельно обмоткам возбуждения регулятор тока возбуждения тяговых двигателей типа ДРП300/300;

после включения контакторов КСБ1 и КСБ2 включаются контакторы ЛК3 и ЛК4, замыкая цепи генераторов. ЛК1 и ЛК5 не включаются, отсоединяя группы двигателей от контактного рельса;

переключатель ПМТ находится в положении ПТ, замкнуты его кулачковые элементы ПТ1, ПТ2, ПТ3, ПТ4, ПТ5;

переключатель ППС находится в положении ПС, разомкнуты его кулачковые элементы ПП2, ПП3. Тем самым двигатели отсоединяются от «земли»;




Поделиться с друзьями:


Дата добавления: 2015-04-24; Просмотров: 529; Нарушение авторских прав?; Мы поможем в написании вашей работы!


Нам важно ваше мнение! Был ли полезен опубликованный материал? Да | Нет



studopedia.su - Студопедия (2013 - 2026) год. Все материалы представленные на сайте исключительно с целью ознакомления читателями и не преследуют коммерческих целей или нарушение авторских прав! Последнее добавление




Генерация страницы за: 0.009 сек.