Студопедия

КАТЕГОРИИ:


Архитектура-(3434)Астрономия-(809)Биология-(7483)Биотехнологии-(1457)Военное дело-(14632)Высокие технологии-(1363)География-(913)Геология-(1438)Государство-(451)Демография-(1065)Дом-(47672)Журналистика и СМИ-(912)Изобретательство-(14524)Иностранные языки-(4268)Информатика-(17799)Искусство-(1338)История-(13644)Компьютеры-(11121)Косметика-(55)Кулинария-(373)Культура-(8427)Лингвистика-(374)Литература-(1642)Маркетинг-(23702)Математика-(16968)Машиностроение-(1700)Медицина-(12668)Менеджмент-(24684)Механика-(15423)Науковедение-(506)Образование-(11852)Охрана труда-(3308)Педагогика-(5571)Полиграфия-(1312)Политика-(7869)Право-(5454)Приборостроение-(1369)Программирование-(2801)Производство-(97182)Промышленность-(8706)Психология-(18388)Религия-(3217)Связь-(10668)Сельское хозяйство-(299)Социология-(6455)Спорт-(42831)Строительство-(4793)Торговля-(5050)Транспорт-(2929)Туризм-(1568)Физика-(3942)Философия-(17015)Финансы-(26596)Химия-(22929)Экология-(12095)Экономика-(9961)Электроника-(8441)Электротехника-(4623)Энергетика-(12629)Юриспруденция-(1492)Ядерная техника-(1748)

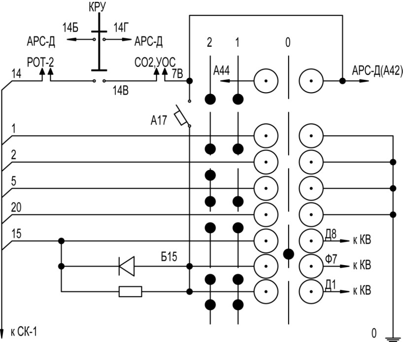
В этом случае управление поездом осуществляется, помимо основного контроллера, от контроллера резервного управления- КРУ




Это дает возможность машинисту привести поезд в движение и следовать в депо или ПТО, пользуясь для остановки пневмотормозом.

Так можно вывести все 17 позиций РК. На 17-ой позиции по цепи 2-го провода сработает пневматический тормоз от ВЗ №1.

РУТ отпустит свой якорь после снижения тока в силовой цепи до тока уставки.

После размыкания РКМ1 катушка РРТ продолжает находиться под током и удерживать якорь притянутым к сердечнику.

Чтобы вывести еще одну позицию РК необходимо главную рукоятку КВ перевести в положение «Тормоз-1», сняв напряжение со 2-го и 25-го проводов. Реле РРТ отпустит свой якорь, переключив контакты в цепи якоря СДРК, а затем вновь главную рукоятку КВ перевести в положение «Тормоз-1А». Работа схемы повторится, РК перейдет на следующую позицию и остановится. Начиная со 2-й позиции реле СР1, РВ1 будут получать питание через размыкающие контакты КСБ1, КСБ2 в цепи 2-го провода.

Резервное управление поездом

 

С целью оперативной эвакуации неисправного состава с линии в случаях короткого замыкания в поездных проводах и в проводах, объединяющих источники питания низковольтных цепей, невозможности привезти поезд в движение от основного контроллера, вагоны оборудованы системой резервного управления.

КРУ имеет два положения на Ход и задание режима работы производится реверсивной ручкой КВ, переводом ее в 1-е или во 2-е положение. Этим достигается при-нудительное поочередное заземление ходовых проводов 1-й, 2-й, 5-й, 20-й в КРУ.

Питание в КРУ поступает по цепи: +Б, ПА2, А44, провод Б3, КРУ.

Рис.139 Схема контроллера резервного управления  
При переходе на резервное управление поездом схемой предусмотрена подача питания на катушки аппаратов, находящихся в цепях 1, 2, 5, 20 вагонных проводов, непосредственно от аккумуляторной батареи данного вагона. При этом происходит «опрокидывание» питания катушек ЛК1, ЛК2, ЛК3, ЛК4, ЛК5, СР1, РВ1, РКР, КШ1, КШ2,ПП, путем отсоединения их от «земли» размыкающими контактами реле РРП1, РРП2 и подключение их замыкающими контактами реле РРП1, РРП2 от аккумуляторной батареи данного вагона к проводу ЗР. «Землю» катушки вышеуказанных контакторов и реле получат на «заземленных» через контакты КРУ поездных проводах 1, 2, 5, 20, т.е. направление тока в катушках меняется на обратное.

Работа схемы при переходе на резервное управление

 

Для приведения поезда в движение при переходе на резервное управление необходимо:

 

затормозить состав пневматическим тормозом;

отключить систему АРС-Д;

вынуть реверсивную ручку из КВ, вставить в КРУ и перевести в 1-ое или 2-ое положение;

отключить выключатель управления;




Поделиться с друзьями:


Дата добавления: 2015-04-24; Просмотров: 590; Нарушение авторских прав?; Мы поможем в написании вашей работы!


Нам важно ваше мнение! Был ли полезен опубликованный материал? Да | Нет



studopedia.su - Студопедия (2013 - 2025) год. Все материалы представленные на сайте исключительно с целью ознакомления читателями и не преследуют коммерческих целей или нарушение авторских прав! Последнее добавление




Генерация страницы за: 0.009 сек.