Студопедия

КАТЕГОРИИ:


Архитектура-(3434)Астрономия-(809)Биология-(7483)Биотехнологии-(1457)Военное дело-(14632)Высокие технологии-(1363)География-(913)Геология-(1438)Государство-(451)Демография-(1065)Дом-(47672)Журналистика и СМИ-(912)Изобретательство-(14524)Иностранные языки-(4268)Информатика-(17799)Искусство-(1338)История-(13644)Компьютеры-(11121)Косметика-(55)Кулинария-(373)Культура-(8427)Лингвистика-(374)Литература-(1642)Маркетинг-(23702)Математика-(16968)Машиностроение-(1700)Медицина-(12668)Менеджмент-(24684)Механика-(15423)Науковедение-(506)Образование-(11852)Охрана труда-(3308)Педагогика-(5571)Полиграфия-(1312)Политика-(7869)Право-(5454)Приборостроение-(1369)Программирование-(2801)Производство-(97182)Промышленность-(8706)Психология-(18388)Религия-(3217)Связь-(10668)Сельское хозяйство-(299)Социология-(6455)Спорт-(42831)Строительство-(4793)Торговля-(5050)Транспорт-(2929)Туризм-(1568)Физика-(3942)Философия-(17015)Финансы-(26596)Химия-(22929)Экология-(12095)Экономика-(9961)Электроника-(8441)Электротехника-(4623)Энергетика-(12629)Юриспруденция-(1492)Ядерная техника-(1748)

Защита предохранителем П10

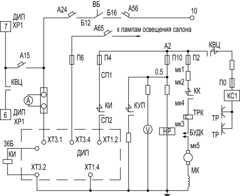
ВЦНКС получают питание от контактного рельса после включения контактора КВЦ через предохранитель ПО на 40 А, ограничивающий резистор сопротивлением 3.84 Ом, замыкающий контакт КВЦ, провод А2 и индивидуальные высоковольтные предохранители П2, П4, П10, расположенные в ящике ЯП60.

Вспомогательные цепи

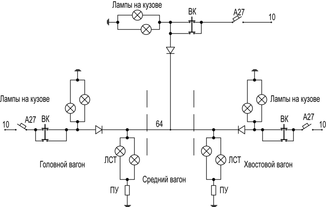
При этом оранжевые лампы на кузовах других вагонов гореть не будут, ток к ним не пропускают диоды.

Выполнена белой лампой, установленной в седьмом блоке пульта управления головных вагонов и оранжевыми лампами, установленными на боковых стенках кузовов всех вагонов.

Цепь ламп сигнализации тормоза: 10-й провод, А27, замкнутые контакты ВК, 64-й провод, лампы на кузове, «земля». После контактов ВК- диод, 64-й поездной провод, лампы на пульте управления головных вагонов, резистор, «земля». Если затормозить один промежуточный вагон в составе, то после замыкания контактов концевого выключателя ВК, расположенного на блок-тормозе, на этом вагоне загорятся оранжевые лампы на кузове и через диод ток поступит на 64-й поездной провод. В головном вагоне на пульте управления загорятся белые сигнальные лампы.

 

Рис.143 Электрическая схема сигнализации пневматического и стояночного тормоза

 

Вспомогательные цепи напряжения контактной сети (ВЦНКС)

 

ВЦНКС включает в себя: источник питания (ДИП), мотор-компрессор (МК), блок управления двигателем компрессора (БУДК), нулевое реле (НР), печь отопления кабины, киловольтметр, контакторы КВЦ, КИ, КК, КУП.

а)Цепь мотор-компрессора и его защита. Мотор-компрессор включается в работу электромагнитным контактором (КК), получая питание по цепи: А2, П2(10 А), резистор величиной 19,62 Ом, включенный контакт КК, катушка ТРК, БУДК, двигатель компрессора, «земля».

Защита- предохранителем П2, тепловым реле ТРК, блоком БУДК.

б) Цепь нулевого реле и его защита. Нулевое реле включается после подачи высокого напряжения на вагон, получая питание по цепи: А2, П10 (10А), резистор, катушка НР, «земля».

Рис.144 Электрическая схема ВЦНКС  
Параллельно катушке НР, при условии включения контактора КВЦ, включен киловольтметр, который показывает напряжение в контактном рельсе.

в) Цепь печи отопления и её защита. Работа печи отопления управляется контактором управления печами (КУП). Катушка КУП получает питание при включении на вагоне выключателя батареи (ВБ) через автоматические выключатели А53 и А75.

После включения контактора КУП печь отопления получает питание по цепи: А2, П10 (10А), замкнутый контакт КУП, печь, «земля».

На пульте загорается сигнальная лампа КУП получая питание по цепи: +Б, А53, ВБ, замкнутый контакт КУП, сигнальная лампа, резистор, «земля».

<== предыдущая лекция | следующая лекция ==>
Сигнализация о срабатывании на вагоне пневматического или стояночного тормоза | Освещение салона вагонов выполнено усовершенствованными светильниками типа С2-ЛЛ со встроенными преобразователями напряжения и лампами ЛБ-20Ж
Поделиться с друзьями:


Дата добавления: 2015-04-24; Просмотров: 374; Нарушение авторских прав?; Мы поможем в написании вашей работы!


Нам важно ваше мнение! Был ли полезен опубликованный материал? Да | Нет



studopedia.su - Студопедия (2013 - 2026) год. Все материалы представленные на сайте исключительно с целью ознакомления читателями и не преследуют коммерческих целей или нарушение авторских прав! Последнее добавление




Генерация страницы за: 0.012 сек.