Студопедия

КАТЕГОРИИ:


Архитектура-(3434)Астрономия-(809)Биология-(7483)Биотехнологии-(1457)Военное дело-(14632)Высокие технологии-(1363)География-(913)Геология-(1438)Государство-(451)Демография-(1065)Дом-(47672)Журналистика и СМИ-(912)Изобретательство-(14524)Иностранные языки-(4268)Информатика-(17799)Искусство-(1338)История-(13644)Компьютеры-(11121)Косметика-(55)Кулинария-(373)Культура-(8427)Лингвистика-(374)Литература-(1642)Маркетинг-(23702)Математика-(16968)Машиностроение-(1700)Медицина-(12668)Менеджмент-(24684)Механика-(15423)Науковедение-(506)Образование-(11852)Охрана труда-(3308)Педагогика-(5571)Полиграфия-(1312)Политика-(7869)Право-(5454)Приборостроение-(1369)Программирование-(2801)Производство-(97182)Промышленность-(8706)Психология-(18388)Религия-(3217)Связь-(10668)Сельское хозяйство-(299)Социология-(6455)Спорт-(42831)Строительство-(4793)Торговля-(5050)Транспорт-(2929)Туризм-(1568)Физика-(3942)Философия-(17015)Финансы-(26596)Химия-(22929)Экология-(12095)Экономика-(9961)Электроника-(8441)Электротехника-(4623)Энергетика-(12629)Юриспруденция-(1492)Ядерная техника-(1748)

Состав исследовательских работ




Структурные схемы используемых в работах микросхем

 

 

Рис. 1. Микросхема 74HC109

 

 

Рис. 2. Микросхема 74HC04

 

 

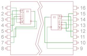
Рис. 3. Микросхема 74HC00

 

 

Рис. 4. Микросхема 74HC20

 

 

Реставрация памятника обязательно должна опираться на многосторонние комплексные исследования. Они начинаются уже на стадии предварительного ознакомления с объектом, когда архитектор производит совместно с инженером первое визуальное изучение, выполняет схематические обмеры и знакомится с первичными сведениями, содержащимися в документации, хранящейся в государственных органах охраны памятников и в наиболее доступной литературе. Цель этих работ — составить первичное представление о сооружении, подлежащем реставрации, дать общую оценку его художественных особенностей в существующем состоянии, степени искажения позднейшими перестройками и технической сохранности. До раскрытия памятника, опираясь на одно лишь визуальное ознакомление с ним, дать подобную оценку можно лишь очень приближенно, но и для этого от архитектора и инженера требуются большие знания и опыт, поэтому предварительное обследование должно поручаться квалифицированным специалистам. Как правило, к нему привлекается будущий автор проекта реставрации. На основании предварительного обследования устанавливаются объем, состав и направленность дальнейших исследовательских работ.

Программа исследования должна включать цикл работ по архитектурному изучению памятника и цикл инженерно-технических изысканий. Важно, чтобы эти циклы были взаимно увязаны для получения наиболее полной и всесторонней исследовательской картины, без которой невозможно правильное решение реставрационных задач.

Цикл архитектурного изучения памятника призван с максимальной полнотой осветить строительную историю памятника, выявить сохранившиеся остатки утраченных архитектурных форм, определить возможность их документально точного восстановления. В этот цикл входят работы, осуществляемые вне памятника, и исследования самого сооружения в натуре. Вне памятника выполняется сбор исторических данных о нем, дошедших в виде текста или графических материалов. Натурные исследования включают работы по фиксации памятника, археологическому и зондажному раскрытию. Кроме того, для более глубокого понимания изучаемого памятника обычно оказывается необходимым собрать сведения о других сооружениях соответствующего времени и территории, так называемых аналогиях. Основная часть всех этих исследований выполняется самим архитектором-реставратором или под его непосредственным руководством. Для некоторых из них привлекаются специалисты смежных областей— историки-архивисты, искусствоведы, археологи. Кроме того, в ряде случаев оказывается необходимым привлечение художника-реставратора для установления наличия или отсутствия на памятнике росписей, покрасок, ценных элементов отделки, степени их сохранности и технического состояния.

Главная задача инженерно-технического цикла исследований — выявить техническое состояние памятника, причины и факторы происходящих разрушительных процессов, наметить необходимые технические меры для обеспечения длительной сохранности его конструкций и декоративного убранства. Для этого необходимо изучение гидрологических условий территории, на которой находится памятник, и состояния его конструкций. Изучение конструкций обычно производится путем их вскрытия в виде шурфов или зондажей, позволяющих установить состояние кладки фундаментов и стен, наличие скрытых трещин, поражения балок и стропил и т.п. Важная часть исследования—-лабораторное изучение строительных материалов памятника, при помощи которых определяются их химический состав, комплекс физико-механических свойств и состояние. В частности, для разработки технологических рекомендаций и подбора новых реставрационных материалов первостепенное значение имеют такие свойства, как механическая прочность, морозостойкость, пористость, водопоглощение, паропроницаемость и такие показатели состояния, как влажность и засоленность. При определении причин разрушения важно также выявить зараженность конструкций памятника различными видами биоразрушителей: грибами, водорослями, микроорганизмами и т.п. Для определения надежности металлических конструкций большое значение имеет исследование кристаллической структуры. Наряду с этим лабораторные исследования материалов позволяют ответить и на ряд вопросов архитектурного изучения памятника.

Процессы разрушения материалов теснейшим образом связаны с условиями, в которых эти материалы находятся, в первую очередь с температурой и влажностью. От этих двух факторов зависят характер и интенсивность морозного, солевого и биологического разрушения, как правило, оказывающих наиболее активное воздействие на сохранность памятника в целом. Распределение температуры и влаги в конструкциях памятника непостоянно и неравномерно, оно зависит от температурно-влажностного режима здания в целом. В последнее время изучение температурно-влажностного режима занимает все большее место в комплексе реставрационных инженерно-технических исследований. Особенно велико значение изучения и нормализации температурно-влажностного режима для сооружений, имеющих настенные росписи, лепнину и другие элементы ценной отделки, а также предметы внутренней обстановки, которые наиболее чувствительны к неблагоприятному воздействию основных разрушающих факторов.

Многосторонность инженерно-технических исследовательских задач заставляет привлекать к их разрешению специалистов различных научных областей: геологии, строительной инженерии, химии, физики, биологии, металловедения, строительной физики. Как правило, в крупных реставрационных организациях существуют научные подразделения, занимающиеся разработкой всех этих вопросов. Однако и в этом случае общая координирующая роль, как правило, должна принадлежать архитектору-реставратору, наиболее полно знающему особенности памятника и главные задачи его предстоящей реставрации.




Поделиться с друзьями:


Дата добавления: 2015-04-24; Просмотров: 617; Нарушение авторских прав?; Мы поможем в написании вашей работы!


Нам важно ваше мнение! Был ли полезен опубликованный материал? Да | Нет



studopedia.su - Студопедия (2013 - 2026) год. Все материалы представленные на сайте исключительно с целью ознакомления читателями и не преследуют коммерческих целей или нарушение авторских прав! Последнее добавление




Генерация страницы за: 0.008 сек.