Студопедия

КАТЕГОРИИ:


Архитектура-(3434)Астрономия-(809)Биология-(7483)Биотехнологии-(1457)Военное дело-(14632)Высокие технологии-(1363)География-(913)Геология-(1438)Государство-(451)Демография-(1065)Дом-(47672)Журналистика и СМИ-(912)Изобретательство-(14524)Иностранные языки-(4268)Информатика-(17799)Искусство-(1338)История-(13644)Компьютеры-(11121)Косметика-(55)Кулинария-(373)Культура-(8427)Лингвистика-(374)Литература-(1642)Маркетинг-(23702)Математика-(16968)Машиностроение-(1700)Медицина-(12668)Менеджмент-(24684)Механика-(15423)Науковедение-(506)Образование-(11852)Охрана труда-(3308)Педагогика-(5571)Полиграфия-(1312)Политика-(7869)Право-(5454)Приборостроение-(1369)Программирование-(2801)Производство-(97182)Промышленность-(8706)Психология-(18388)Религия-(3217)Связь-(10668)Сельское хозяйство-(299)Социология-(6455)Спорт-(42831)Строительство-(4793)Торговля-(5050)Транспорт-(2929)Туризм-(1568)Физика-(3942)Философия-(17015)Финансы-(26596)Химия-(22929)Экология-(12095)Экономика-(9961)Электроника-(8441)Электротехника-(4623)Энергетика-(12629)Юриспруденция-(1492)Ядерная техника-(1748)

Характеристики ударной вязкости




ОПРЕДЕЛЕНИЕ УДАРНОЙ ВЯЗКОСТИ

Оформление отчета по работе

Отчет должен содержать:

- цель работы,

- эскиз образца,

- определение механических свойств и их расчетные формулы,

- расчетную и сводную таблицы,

- диаграмма растяжения в координатах напряжение – относительное удлинение,

- график зависимости механических свойств стали от температуры отпуска,

- выводы.

 

 

 

 

Для оценки способности материала сопротивляться действию удара определяют характеристику, которая называется ударной вязкостью. Эта характеристика показывает, какую работу надо затратить, чтобы разрушить образец заданного сечения при ударном изгибе.

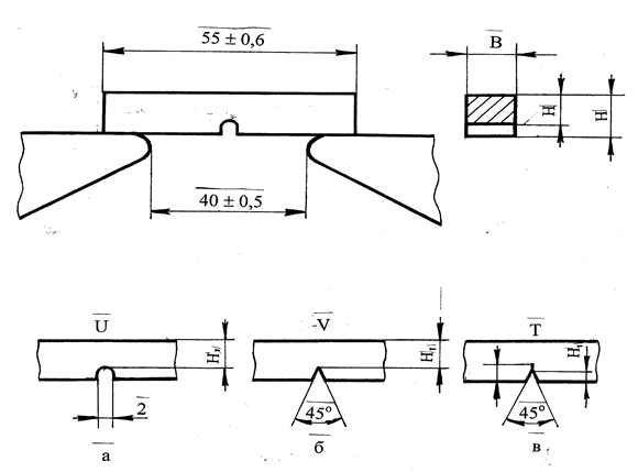
Согласно ГОСТ 9454-78, ударным испытаниям подвергают образцы сечением 10х10 мм, длиной 55 мм. В центре образца делают надрез различной формы: U, V – и Т-образные (рис.8). Форма надреза оказывает большое влияние на ударную вязкость, т.к. создает концентрацию напряжений. Для предварительного контроля применяются образцы с U-образным надрезом. В особо ответственных случаях, когда ударная вязкость является определяющим фактором, применяют образцы с Т-образным надрезом.

 

Рис.8. Стандартный образец для испытания на ударный

изгиб с различными типами надрезов: а) U-образный,

б) V-образный, в) Т-образный

 

Испытания на ударный изгиб проводят на приборе, называемом маятниковым копром (рис.9). Копер имеет тяжелый маятник (1), который свободно качается вокруг его оси. При помощи защелки маятник может быть установлен на разной высоте. Если защелку освободить, то маятник упадет и взлетит по инерции на такую же высоту, на которую он был поднят. Если на пути падения маятника встретится препятствие в виде образца, то часть энергии падения затратится на преодоление этого препятствия, и маятник уже взлетит на меньшую высоту.

 

Рис. 9. Схема испытания ударной вязкости

 

Образец устанавливают на опорах копра так, чтобы надрез был обращен в сторону противоположную направлению удара. Вначале маятник поднимают в верхнее положение и закрепляют с помощью защелки. В этом положении маятник обладает потенциальной энергией РgН, где Р - масса маятника, g - ускорение силы тяжести, Н - высота подъема маятника. Затем маятник опускают. При падении он разрушает образец и поднимается на некоторую высоту h, обладая энергией Pgh, где h - высота подъема маятника после удара. Работа, затраченная на разрушение образца:

К = Рg(Н-h) = Pgl (cosa2 - cosa1), (11)

где l - длина маятника; a1, a2 - углы подъема маятника до удара и после разрушения образца. Величины Р, Н, l, a1 - постоянны, поэтому значение работы разрушения определяют с помощью специальных таблиц по значению a2(h).

Ударная вязкость КС определяется как отношение работы разрушения К к начальной площади поперечного сечения образца в месте надреза So:

КС = К/So Дж/м2, Кж/м2 (кгс м/см2) (12)

В зависимости от вида надреза к обозначению ударной вязкости добавляют третью букву: КСU (тип надреза U), КСV (тип надреза V), КСТ (тип надреза Т).

По величине ударной вязкости можно оценивать склонность материалов к хрупкому разрушению.

 




Поделиться с друзьями:


Дата добавления: 2015-04-24; Просмотров: 1998; Нарушение авторских прав?; Мы поможем в написании вашей работы!


Нам важно ваше мнение! Был ли полезен опубликованный материал? Да | Нет



studopedia.su - Студопедия (2013 - 2026) год. Все материалы представленные на сайте исключительно с целью ознакомления читателями и не преследуют коммерческих целей или нарушение авторских прав! Последнее добавление




Генерация страницы за: 0.011 сек.