Студопедия

КАТЕГОРИИ:


Архитектура-(3434)Астрономия-(809)Биология-(7483)Биотехнологии-(1457)Военное дело-(14632)Высокие технологии-(1363)География-(913)Геология-(1438)Государство-(451)Демография-(1065)Дом-(47672)Журналистика и СМИ-(912)Изобретательство-(14524)Иностранные языки-(4268)Информатика-(17799)Искусство-(1338)История-(13644)Компьютеры-(11121)Косметика-(55)Кулинария-(373)Культура-(8427)Лингвистика-(374)Литература-(1642)Маркетинг-(23702)Математика-(16968)Машиностроение-(1700)Медицина-(12668)Менеджмент-(24684)Механика-(15423)Науковедение-(506)Образование-(11852)Охрана труда-(3308)Педагогика-(5571)Полиграфия-(1312)Политика-(7869)Право-(5454)Приборостроение-(1369)Программирование-(2801)Производство-(97182)Промышленность-(8706)Психология-(18388)Религия-(3217)Связь-(10668)Сельское хозяйство-(299)Социология-(6455)Спорт-(42831)Строительство-(4793)Торговля-(5050)Транспорт-(2929)Туризм-(1568)Физика-(3942)Философия-(17015)Финансы-(26596)Химия-(22929)Экология-(12095)Экономика-(9961)Электроника-(8441)Электротехника-(4623)Энергетика-(12629)Юриспруденция-(1492)Ядерная техника-(1748)

Токарно-револьверные станки




Токарно-револьверные станки предназначены для обработки деталей сложной формы в серийном производстве, когда согласно технологическому процессу требуется применение многих инструментов: резцов, сверл, зенкеров, плашек и т. д. Эти станки менее универсальны, чем токарно-винторезные, но значительно превосходят их по производительности, так как машинное время обработки на них сокращается вследствие использования многоинструментальных державок.

Вспомогательное время уменьшается в результате предварительной настройки на размер режущего инструмента и ограничителей ходов, а также при применении автоматического управления изменениями частот вращения шпинделя и величин подач, имеющегося в большинстве современных моделей станков.

Токарно-револьверные станки по виду обрабатываемой заготовки делят на станки для обработки деталей из прутка и из отдельных заготовок. Типажом предусмотрены токарно-револьверные станки для обработки прутков диаметром 10 – 100 мм, а заготовок диаметром 160 – 630 мм. Часть станков приспособлена для обработки обоих видов работ.

Токарно-револьверные станки не имеют задней бабки и ходового винта, а на их продольном суппорте установлена поворотная револьверная головка, в гнездах которой устанавливают различный режущий инструмент, а при использовании специальных комбинированных державок в одном гнезде револьверной головки устанавливают несколько режущих инструментов. Каждый режущий инструмент при повороте револьверной головки последовательно производит обработку детали. Эти станки рекомендуется применять в серийном производстве при партии деталей не менее 10 – 20 штук и если технологический процесс предусматривает применение большого числа режущего инструмента.


Компоновка токарно-револьверных станков определяется, в основном, расположением оси револьверной головки. На рис. 3. 9 приведены два основных вида компоновки токарно-револьверных станков.

а б

 

Рис. 3. 9. Внешний вид токарно-револьверных станков

На станине 1 токарно-револьверного станка с вертикальной осью револьверной головки (рис. 3.9, а) слева расположены коробка подач 2 и коробка 3 привода вращения шпинделя 4. На направляющих станины размещены каретка 11, несущая поперечный суппорт 5, и продольный суппорт 7, несущий револьверную головку 6 с вертикальной осью, как правило, с пятью - восемью гнездами для установки инструментов. Ходовые валы 8, 9, 10 обеспечивают кинематическую связь коробки подач 2 с тяговыми валами каретки 11, поперечного 5 и продольного 7 суппортов.

Легкие и средние токарно-револьверные станки не имеют поперечного суппорта, а на их продольном суппорте устанавливают револьверную головку с горизонтальной осью. На станине 1 таких станков (рис. 3.9, б) станков расположены слева коробка подач 2 и коробка 3 круговых частот шпинделя, а справа – продольный суппорт 6, несущий револьверную головку с горизонтальной осью вращения 4 и барабан упоров 5. Револьверная головка имеет до 16-ти гнезд для инструментов.

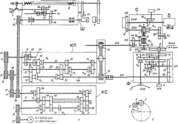
Токарно-револьверный станок модели 1Г340. Относится к станкам с горизонтальной осью револьверной головки, имеющей 16 гнезд для различных инструментов. На станке можно обрабатывать детали как из прутка, так и из заготовок. Область использования – серийное производство.

 

 

Рис. 3.10. Кинематическая схема токарно-револьверного станка модели 1Г340

 

Техническая характеристика. Максимальный диаметр обрабатываемого прутка – 40 мм; максимальный диаметр заготовки, обрабатываемой в патроне – 400 мм; количество частот вращения шпинделя – 12, диапазон частот вращения шпинделя – 45-2000 мин-1; количество продольных и/или поперечных (круговых) подач – 12, диапазон подач: продольных – 0,035-1,6 мм/об, поперечных (круговых) – 0,02-0,8 мм/об.

Формообразующая часть кинематической структуры станка (рис. 3.10) включает две основные частные структуры: токарную Фv1), Фs12) для продольной обработки и токарную Фv1), Фs23) для поперечной (торцовой) обработки. Группа скорости резания Фv1) входит в обе частные структуры. Переход от одной структуры к другой осуществляется посредством механизмов управления станка.

Структура для продольной обработки состоит из простых групп скорости резания Фv1) и продольной подачи Фs12), соединенных между собой электродвигателем и общей частью внешних связей.

Группа Фv1) воспроизводит образующую обрабатываемой поверхности. Ее внутренняя связь:

подшипниковые опоры → шпиндель (В1).

Внешняя связь - кинематическая цепь, состоящая из двух зубчато-ременных передач и коробки скоростей КС, соединяющая двухскоростной электродвигатель М со шпинделем, являющемся звеном соединения связей:

М → 20/24 → КС → 26/30 → шпиндель (В1).

Группа настраивается на скорость – изменением круговой частоты электродвигателя и коробкой скоростей КС (орган настройки iv). При этом переключение частоты вращения шпинделя осуществляется посредством электромагнитных муфт М1М5 автоматически при смене позиций револьверной головки в соответствующие положения по программе, заданной на штекерной панели пульта управления.

Расчетная цепь для органа настройки на скорость совпадает с внешней связью группы. Поэтому РП для круговой частоты вращения шпинделя имеют вид:

nм мин-1 электродвигателя → ni, {i = 1, 2,3, …, 12} шпинделя (В1) мин-1.

Ряд круговых частот шпинделя:

;

;

;

;

;

;

;

;

;

;

;

;

.

Торможение шпинделя производится одновременным включением муфт М4 и М5.

Группа Фs12) воспроизводит направляющую обрабатываемой поверхности. Ее внутренняя связь:

направляющие станины → продольный суппорт (П2).

Внешняя связь – кинематическая цепь, соединяющая двухскоростной электродвигатель М с продольным суппортом (звено соединения связей) посредством трех зубчато-ременных передач, коробки скоростей КС, коробки подач КП, фартука Ф и тягового вала (зубчато-реечной передачи):

М→20/24→КС→27/38→27/27→КП→Ф→πmz→продольный суппорт (П2).

Группа настраивается на скорость (продольную подачу) – коробкой подач КП (орган настройки is), на путь – по упору с отсчетом величины пути по лимбу Л, расположенному на валу XV11 фартука Ф.

При каждом положении подвижного блока 18-28 при смене позиций револьверной головки в соответствующие положения по программе, заданной на штекерной панели пульта управления, автоматически посредством включения соответствующих электромагнитных муфт М6 – М10 получается шесть ступеней продольной подачи.

Продольная подача включается муфтой М11 , при этом М12 выключена (муфты сблокированы). Ручное перемещение осуществляется маховиком Р1 через включенную муфту М12, передачи 40/53, 35/61 и реечное колесо z12 (ведущее звено тягового вала).

Расчетная цепь продольных подач не совпадает с внешней связью рассматриваемой группы, а связывает шпиндель станка с тяговым валом. Для этой цепи РП имеют вид:

1 оборот шпинделя → sпрод.. мм перемещения суппорта (П1).

Минимальная продольная подача

Максимальная продольная подача

Группа Фs23) воспроизводит направляющую обрабатываемой поверхности при торцовой обработке. Ее внутренняя связь:

подшипниковые опоры → револьверная головка Г (П3).

Внешняя связь, соединяющая электродвигатель М с револьверной головкой (звено соединения связей), включает общую с внешней связью группы Фs12) часть от электродвигателя до вала X111 коробки подач КП и последовательно расположенные передачи 16/32, 32/44, 36/36 (реверс, управляемый муфтой М13), 1/33 (муфта М14), 19/152.

Группа настраивается на скорость круговую (торцовую) подачу - коробкой подач КП, на путь – упорами, на направление – реверсом. Ручное круговое движение подачи осуществляется маховиком Р2 при включенной муфте М14. Ручной поворот револьверной головки при смене позиций осуществляется маховиком Р3 при выключенной муфте М14.

Расчетная цепь круговых подач связывает шпиндель станка с револьверной головкой. Для этой цепи РП имеют вид:

1 оборот шпинделя → sкр. мм перемещения револьверной головки (П3).

Минимальная круговая подача

Максимальная круговая подача

В приведенных формулах 100 – расстояние от оси поворота револьверной головки до осей гнезд для инструментов, равное R (рис. 3.10, б).

При работе станка частоту вращения шпинделя и подачу можно изменять вручную с помощью переключателей. Автоматическое переключение режимов обработки при смене позиций револьверной головки осуществляется через зубчатую передачу 50/50, связанную с коллектором управления КУ, а на штекерной панели пульта управления программируются режимы обработки для каждой позиции головки.

Длину пути суппорта устанавливают в соответствующих позициях револьверной головки, посредством регулируемых упоров на барабане Б.

Для нарезания наружных и внутренних резьб резцами или гребенками в структуре станка предусмотрена также резьбонарезная (винторезная) группа Фv1П4). Ее внутренняя связь:

1) шпиндель Ш → 40/40 → 33/33 или 22/44 → копир К →

резьбовая гайка →штанга V111 → державка инструмента И (П4).

Внешняя связь совпадает с внешней связью группы Фv1), т.е. представляет собой кинематическую (структурную) цепь, связывающую электродвигатель со звеном соединения связей – шпинделем.

Группа настраивается на траекторию, путь и направление – сменными комплектами копир К – резьбовая гайка и блоком зубчатых колес 33-22. Причем при включении передачи 33/33 шаг нарезаемой резьбы равен шагу резьбы копира, а при включении передачи 22/44 – вдвое меньше.

При нарезании резьбы инструмент И закрепляют в державке, связанной со штангой V111. Штангу поворачивают рукояткой Р4, подводя инструмент к заготовке и вводя резьбовую гайку на левом конце штанги в зацепление с резьбовым копиром К. Копир получает вращение от шпинделя через передачу 40/40 и блок зубчатых колес 33-22. При этом резьбовая гайка со штангой V111 и инструментом И движется вдоль оси.

 




Поделиться с друзьями:


Дата добавления: 2015-04-24; Просмотров: 1791; Нарушение авторских прав?; Мы поможем в написании вашей работы!


Нам важно ваше мнение! Был ли полезен опубликованный материал? Да | Нет



studopedia.su - Студопедия (2013 - 2026) год. Все материалы представленные на сайте исключительно с целью ознакомления читателями и не преследуют коммерческих целей или нарушение авторских прав! Последнее добавление




Генерация страницы за: 0.013 сек.