Студопедия

КАТЕГОРИИ:


Архитектура-(3434)Астрономия-(809)Биология-(7483)Биотехнологии-(1457)Военное дело-(14632)Высокие технологии-(1363)География-(913)Геология-(1438)Государство-(451)Демография-(1065)Дом-(47672)Журналистика и СМИ-(912)Изобретательство-(14524)Иностранные языки-(4268)Информатика-(17799)Искусство-(1338)История-(13644)Компьютеры-(11121)Косметика-(55)Кулинария-(373)Культура-(8427)Лингвистика-(374)Литература-(1642)Маркетинг-(23702)Математика-(16968)Машиностроение-(1700)Медицина-(12668)Менеджмент-(24684)Механика-(15423)Науковедение-(506)Образование-(11852)Охрана труда-(3308)Педагогика-(5571)Полиграфия-(1312)Политика-(7869)Право-(5454)Приборостроение-(1369)Программирование-(2801)Производство-(97182)Промышленность-(8706)Психология-(18388)Религия-(3217)Связь-(10668)Сельское хозяйство-(299)Социология-(6455)Спорт-(42831)Строительство-(4793)Торговля-(5050)Транспорт-(2929)Туризм-(1568)Физика-(3942)Философия-(17015)Финансы-(26596)Химия-(22929)Экология-(12095)Экономика-(9961)Электроника-(8441)Электротехника-(4623)Энергетика-(12629)Юриспруденция-(1492)Ядерная техника-(1748)

Вопрос 8. Понятие объемно-планировочного решения здания и элементов




Расположение (компоновка) помещений заданных размеров и формы в едином комплексе, подчиненное функциональным, техническим, архитектурно-художественным и экономическим требованиям, называется объемно-планировочным решением здания (ОПР). Весь внутренний объем здания разделяется горизонтальными (междуэтажными перекрытиями) и вертикальными (стенами и перегородками) конструкциями на отдельные помещения. Помещения по способу их связи между собой могут быть непроходными (изолированными) и проходными (неизолированными). Непроходные помещения сообщаются между собой с помощью третьего помещения, обычно одного из коммуникационных (коридора, лестничной клетки и др.).По признакам расположения и взаимосвязи помещений различают несколько объемно-планировочных систем зданий:

- анфиладная;

- система с горизонтальными коммуникационными помещениями;

- зальная;

- атриумная;

- секционная;

- смешанная (комбинированная).

Если помещения соединяются друг с другом непосредственно через проемы в стенах или перегородках, то такой прием называется анфиладной системой планировки (см. рис. 2.1). Эта система позволяет создать здание очень компактной и экономичной структуры в связи с отсутствием (или минимальным объемом) коммуникационных помещений. Все основные помещения в здании при анфиладной системе являются проходными, поэтому она применима лишь в зданиях преимущественно экспозиционного характера (музеях, картинных галереях, выставочных павильонах), либо частично в отдельных элементах здания, например, между помещениями одной воспитательной группы в детском дошкольном помещении.

Рис. 2.1. Анфиладная система планировки

 

Система с горизонтальными коммуникационными помещениями предусматривает связь между основными помещениями здания через коммуникационные помещения (коридоры, открытые галереи). Это позволяет основные помещения проектировать непроходными. При этом помещения могут быть расположены по одну (рис. 2.2 а) или по обе стороны коридора (рис. 2.2 б). При одностороннем расположении помещений коридор имеет хорошую освещенность естественным светом, которая в некоторых случаях необходима, например, в школах, где коридор одновременно служит в качестве рекреационного помещения.

 

Рис. 2.2. Система планировки с горизонтальными коммуникационными помещениями

а – галерейная; б – коридорная

1 – открытая галерея; 2 – закрытый коридор; 3 – рабочие или жилые помещения

Планировочная компактность и экономичность решения здания с горизонтальными коммуникациями оценивается количеством площади основных и вспомогательных помещений здания на единицу площади или длины коммуникационных помещений. По этому признаку наиболее экономичны схемы с двумя параллельными или кольцевыми коридорами. Системы планировки с горизонтальными коммуникационными помещениями широко применяется в проектировании гражданских зданий самого различного назначения – общежитий, гостиниц, школ, больниц, административных зданий и т.п.

Недостатком одностороннего расположения помещений является увеличение подсобной площади в здании и периметра наружных стен, что ухудшает экономическую характеристику объемно-планировочного решения.

Зальная система планировки предусматривает одно большое (главное) помещение здания, как правило, определяющее его функциональное назначение (кинозал, спортивный зал и т.п.), вокруг которого группируются остальные необходимые помещения (см. рис. 2.3). Наиболее распространена эта система при проектировании зрелищных, спортивных и торговых зданий. Зальную систему применяют для зданий с одним или несколькими залами.

Рис. 2.3. Зальная система планировки

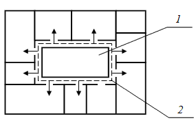
Атриумная система – с открытым или крытым двором (атриумом), вокруг которого размещены основные помещения, связанные с ним непосредственно через открытые (галереи) или закрытые (боковые коридоры) коммуникационные помещения (см. рис. 2.4).

Рис. 2.4. Атриумная система планировки

1 – атриум; 2 – коммуникационные помещения

Помимо традиционного использования в южном жилище она широко применяется в проектировании малоэтажных зданий с крупными залами (крытых рынках, музеях, выставочных комплексов, школ), а также многоэтажных гостиниц и административных помещений.Преимущества этой системы при открытых дворах – тесная связь между необходимыми по технологической схеме открытыми и закрытыми пространствами (в здании рынка – связь между торговыми залами и пространством сезонной торговли, в здании музея – между закрытой и открытой экспозицией).Преимущества атриумной системы при закрытых дворах – создание круглогодично функционирующих общественных пространств и повышение теплоэкономичности здания в целом.

Секционная система заключается в компоновке здания из одного или нескольких однохарактерных фрагментов (секций) с повторяющимися поэтажными планами, причем помещения всех этажей каждой секции связаны общими вертикальными коммуникациями – лестницей или лестницей и лифтами. Секционная система – основная в проектировании многоквартирных жилых домов средней и повышенной этажности, отдельные фрагменты этой системы включаются в объемно-планировочную структуру зданий общежитий, больниц, некоторых административных помещений и др.

Рис. 2.5. Секционная система планировки

1 – блок-секции; 2 – вертикальные коммуникации (лестнично-лифтовые узлы)

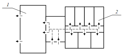
Некоторые многофункциональные здания имеют смешанную систему планировки, поскольку в здании объединяются помещения для различных функциональных процессов (главных и подсобных). Так, например, в здании крупного физкультурно-оздоровительного комплекса зальная система спортивных залов сочетается с коридорной планировкой помещений для занятий в спортивных секциях и кружках (см. рис. 2.6).

 

Рис. 2.6. Смешанная система планировки

1 – зальная система; 2 – коридорная система

Как правило, требованиям удобства отвечает наиболее компактное размещение помещений с кратчайшими путями движения людей и средств транспорта, без взаимных их пересечений и встречного движения. Чем короче пути движения и, следовательно, меньше по площади коммуникационные помещения, тем меньше объем здания и ниже его стоимость. Помещения, связанные функциональным или технологическим процессом, должны располагаться возможно ближе друг к другу. Это условие особенно важно для производственных предприятий, где протяженность путей движения предметов производства влияет не только на объем здания, но и на стоимость продукции. Не менее важно для производственных и общественных зданий отсутствие пересечений людских потоков, а пересечение людских потоков с грузовыми вообще недопустимо как по технологическим условиям, так и по условиям безопасности. Разработка объемно-планировочного решения (ОПР) осуществляется на основе схемы функциональных процессов, происходящих в здании (функциональной или технологической схемы). Она представляет собой условное графическое изображение группировки помещений и функциональных связей между ними. При значительной сложности составления (например, при проектировании промышленных зданий со сложным технологическим процессом – сборочных конвейеров автозаводов и т.п.) функциональная или технологическая схема разрабатывается специалистом-технологом совместно с архитектором.

Многие здания независимо от назначения имеют однотипные отдельные помещения и их группы – архитектурно-планировочные элементы (главный вход в здание, лестница, транспортные узлы, санитарно-технические узлы). Их планировочное решение и размещение в здании оказывает существенное влияние на компоновку плана здания в целом. Каждое здание, как правило, имеет главный вход и обычно несколько второстепенных (служебных) входов. Через главный вход проходят основные массы людей, участвующих в функциональном процессе; второстепенные входы обычно обслуживают подсобные функциональные процессы, а также являются запасными эвакуационными выходами. Главный вход в здание должен быть хорошо виден при приближении к нему. Входная площадка обычно защищается навесом от атмосферных осадков. Для защиты от проникания холодного воздуха у наружных дверей устраиваются небольшие помещения – тамбуры. Для климатической зоны, в которой находится Нижегородская область, достаточно применение обычного одинарного тамбура. Для северных регионов (при более низкой температуре наиболее холодной зимней пятидневки) обязательно применение двойного тамбура. Далее располагается вестибюль и гардероб. Вестибюль – это коммуникационное помещение с распределительными функциями, откуда потоки людей направляются в коридоры, на лестницы, к подъемникам. Площадь гардероба и вестибюля зависит от количества пользующихся ими людей. При входном узле обычно располагаются некоторые помещения обслуживающего назначения (комнаты охраны, торговые киоски, санитарные узлы и т.п.).

Расположение лестничных клеток и шахт лифтов в значительной степени влияет на планировку, поскольку они должны занимать одно и то же относительное положение в плане каждого этажа здания.

На планировку этажей влияет также положение санитарных узлов, кухонь и других помещений, которые всегда располагаются в этажах по одной вертикали друг над другом. Такое расположение значительно облегчает разводку в здании трубопроводов водоснабжения, газа и канализации. Кроме того, «мокрые» помещения (т.е. помещения, в которых возможна повышенная влажность воздуха и намокание конструкций) размещаются в здания компактно, чтобы не оказывать вредного влияния на другие помещения. Нежелательно также расположение «мокрых» помещений у наружных стен здания.

Вертикальные несущие конструкции (стены и колонны), так же как лестницы и шахты лифтов, должны пересекать все этажи, занимая одно и то же место в плане на каждом этаже. Только в отдельных случаях несущие стены и столбы верхних этажей могут опираться на горизонтальные несущие конструкции. Поэтому помещения с большими пролетами целесообразно располагать в верхних этажах или выносить их в одноэтажные части здания, чтобы не опирать на перекрытие большого пролета конструкции верхнего этажа.

Таким образом, экономичное решение конструктивной схемы оказывает существенное влияние и на общее планировочное решение здания.

Однако ведущим фактором в проектировании здания, определяющим его объемно-планировочное решение, остается функциональный процесс. Новые функциональные процессы или изменения существующих процессов обуславливают появление новых объемно-планировочных и конструктивных решений зданий.

На объемно-планировочное решение оказывают влияние и природные условия, в которых будет возводиться здание. Суровый климат предопределяет компактные объемы зданий с минимальной площадью наружных ограждений. В теплом климате, наоборот, целесообразны усложненные объемы зданий, дающие больше тени, способствующие связи помещений здания с окружающей природой.

 




Поделиться с друзьями:


Дата добавления: 2015-04-25; Просмотров: 8541; Нарушение авторских прав?; Мы поможем в написании вашей работы!


Нам важно ваше мнение! Был ли полезен опубликованный материал? Да | Нет



studopedia.su - Студопедия (2013 - 2026) год. Все материалы представленные на сайте исключительно с целью ознакомления читателями и не преследуют коммерческих целей или нарушение авторских прав! Последнее добавление




Генерация страницы за: 0.01 сек.