Студопедия

КАТЕГОРИИ:


Архитектура-(3434)Астрономия-(809)Биология-(7483)Биотехнологии-(1457)Военное дело-(14632)Высокие технологии-(1363)География-(913)Геология-(1438)Государство-(451)Демография-(1065)Дом-(47672)Журналистика и СМИ-(912)Изобретательство-(14524)Иностранные языки-(4268)Информатика-(17799)Искусство-(1338)История-(13644)Компьютеры-(11121)Косметика-(55)Кулинария-(373)Культура-(8427)Лингвистика-(374)Литература-(1642)Маркетинг-(23702)Математика-(16968)Машиностроение-(1700)Медицина-(12668)Менеджмент-(24684)Механика-(15423)Науковедение-(506)Образование-(11852)Охрана труда-(3308)Педагогика-(5571)Полиграфия-(1312)Политика-(7869)Право-(5454)Приборостроение-(1369)Программирование-(2801)Производство-(97182)Промышленность-(8706)Психология-(18388)Религия-(3217)Связь-(10668)Сельское хозяйство-(299)Социология-(6455)Спорт-(42831)Строительство-(4793)Торговля-(5050)Транспорт-(2929)Туризм-(1568)Физика-(3942)Философия-(17015)Финансы-(26596)Химия-(22929)Экология-(12095)Экономика-(9961)Электроника-(8441)Электротехника-(4623)Энергетика-(12629)Юриспруденция-(1492)Ядерная техника-(1748)

Подключение источника питания




При использовании источника питания переменного тока линия фазыдолжна быть связана с клеммой Lа линия 0с клеммой N. Во избежание поражения электротоком не соединять линию фазыLс клеммой N.

При использовании источника питания постоянного тока соединить «+» клемму источника питания с «+» клеммой контролера, а «-» клемму источника питания с «-» клеммой контроллера. Никакое другое подключение недопустимо.

Рис. 5. Подключение источника питания переменного тока:

1 - источник питания ~ 100 - 240 В,50 - 60 Гц или =24 В; 2 - устройство отключения питания; 3 - кнопка аварийного отключения; 4 - индикатор питания; 5 - предохранитель 0,5 А; 7 - источник питания переменного тока;

8 - магнитные контакты

 

Схема подключения цифровых и аналоговых входов

 

 

Рис. 6. Схема подключения аналоговых входов:

1- источник питания =24В; 2 - клеммы подключения питания;
3 - клеммы коммутации А/В; 4 - клеммы входов; 5 - цифровые датчики и выключатели; 6 - аналоговый датчик; 7 - предохранитель 0,5 А

 

 

 

Рис. 7. Схема подключения цифровых входов

 

 

Схема подключения цифровых выходов

Рис. 8. Схема подключения релейных выходов:

1- контроллер; 2-независимые выходы; 3-подключаемые устройства;

4-предохранитель 10 А (на каждые 4-е клеммы); 5 - кнопка аварийного отключения источника питания постоянного тока; 7-источник питания переменного тока

 

 

Рис. 9. Схема клеммного подключения контроллера

 


 

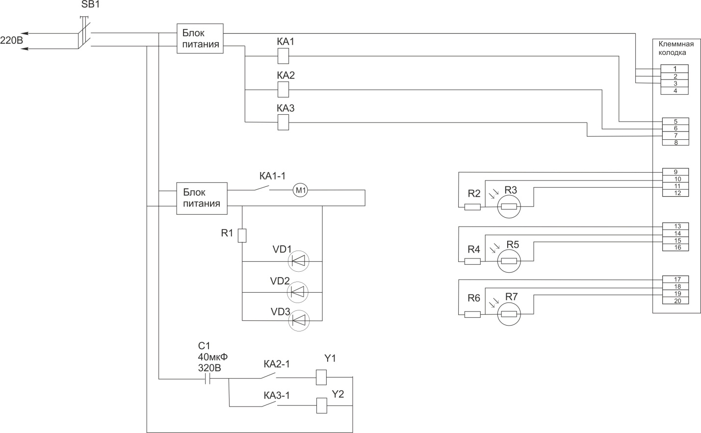
ЭЛЕКТРИЧЕСКАЯ СХЕМА СТЕНДА

 

Рис. 10. Электрическая схема стенда сортировочного конвейера

 

 


 




Поделиться с друзьями:


Дата добавления: 2015-05-06; Просмотров: 599; Нарушение авторских прав?; Мы поможем в написании вашей работы!


Нам важно ваше мнение! Был ли полезен опубликованный материал? Да | Нет



studopedia.su - Студопедия (2013 - 2026) год. Все материалы представленные на сайте исключительно с целью ознакомления читателями и не преследуют коммерческих целей или нарушение авторских прав! Последнее добавление




Генерация страницы за: 0.008 сек.