Студопедия

КАТЕГОРИИ:


Архитектура-(3434)Астрономия-(809)Биология-(7483)Биотехнологии-(1457)Военное дело-(14632)Высокие технологии-(1363)География-(913)Геология-(1438)Государство-(451)Демография-(1065)Дом-(47672)Журналистика и СМИ-(912)Изобретательство-(14524)Иностранные языки-(4268)Информатика-(17799)Искусство-(1338)История-(13644)Компьютеры-(11121)Косметика-(55)Кулинария-(373)Культура-(8427)Лингвистика-(374)Литература-(1642)Маркетинг-(23702)Математика-(16968)Машиностроение-(1700)Медицина-(12668)Менеджмент-(24684)Механика-(15423)Науковедение-(506)Образование-(11852)Охрана труда-(3308)Педагогика-(5571)Полиграфия-(1312)Политика-(7869)Право-(5454)Приборостроение-(1369)Программирование-(2801)Производство-(97182)Промышленность-(8706)Психология-(18388)Религия-(3217)Связь-(10668)Сельское хозяйство-(299)Социология-(6455)Спорт-(42831)Строительство-(4793)Торговля-(5050)Транспорт-(2929)Туризм-(1568)Физика-(3942)Философия-(17015)Финансы-(26596)Химия-(22929)Экология-(12095)Экономика-(9961)Электроника-(8441)Электротехника-(4623)Энергетика-(12629)Юриспруденция-(1492)Ядерная техника-(1748)

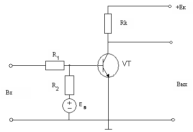
Контрольные тесты. 1.Укажите, какой логический элемент изображен на схеме:




Выводы.

1.Укажите, какой логический элемент изображен на схеме:


1) И 2) ИЛИ 3) НЕ 4. 1) И 2) ИЛИ 3) НЕ 5. 1) И 2) ИЛИ 3) НЕ


 


2. 1) И – НЕ 2) ИЛИ – НЕ 3) ИЛИ 7. 1) НЕ 2) ИЛИ – НЕ 3) И – НЕ

3. Какая из таблиц истинности представляет операцию “ ИЛИ – НЕ”:

1. X X2 Y     X1 X2 Y
                 
                 
                 
                 

4. Какая логика называется положительной при потенциальном способе подачи сигналов:

1).Если высокому потенциалу приписывается “1”, а низкому – “0”;

2)Если низкому потенциалу приписывается “1”, а высокому – “0”.

5. Какая логика называется отрицательной при импульсном способе подачи сигналов:

1)Наличие импульса – “1”, отсутствие – “0”;

2)Наличие импульса – “0”, отсутствие – “1”

6. Какую логическую операцию выполняет “инвертор”:

1) НЕ;

2) ИЛИ.

7. Какую логическую операцию выполняет “конъюктор”:

1) НЕ;

2) И.

8. Какую логическую операцию выполняет “дизъюктор”:

1) И;

2) ИЛИ.

9.Какая из таблиц истинности представляет дизъюкцию:

  X X2 Y     X1 X2 Y
                 
                 
                 
                 

10. Какая из таблиц истинности представляет конъюкцию:

  X X2 Y     X1 X2 Y
                 
                 
                 
                 

11. Какая из таблиц истинности представляет операцию “ И – НЕ”:

  X X2 Y     X1 X2 Y
                 
                 
                 
                 

12. Выясните, какую логическую функцию реализует данная схема при отрицательной логике:

1) И; 2)ИЛИ; 3)НЕ.

 

 


 

МОСКОВСКИЙ ГОСУДАРСТВЕННЫЙ УНИВЕРСИТЕТ

ЭКОНОМИКИ, СТАТИСТИКИ И ИНФОРМАТИКИ

ИНСТИТУТ КОМПЬЮТЕРНЫХ ТЕХНОЛОГИЙ

 

Кафедра Автоматизированных систем

обработки информации и управления

 

Дисциплина: «Электротехника и электроника(2)»




Поделиться с друзьями:


Дата добавления: 2015-05-06; Просмотров: 581; Нарушение авторских прав?; Мы поможем в написании вашей работы!


Нам важно ваше мнение! Был ли полезен опубликованный материал? Да | Нет



studopedia.su - Студопедия (2013 - 2026) год. Все материалы представленные на сайте исключительно с целью ознакомления читателями и не преследуют коммерческих целей или нарушение авторских прав! Последнее добавление




Генерация страницы за: 0.007 сек.