Студопедия

КАТЕГОРИИ:


Архитектура-(3434)Астрономия-(809)Биология-(7483)Биотехнологии-(1457)Военное дело-(14632)Высокие технологии-(1363)География-(913)Геология-(1438)Государство-(451)Демография-(1065)Дом-(47672)Журналистика и СМИ-(912)Изобретательство-(14524)Иностранные языки-(4268)Информатика-(17799)Искусство-(1338)История-(13644)Компьютеры-(11121)Косметика-(55)Кулинария-(373)Культура-(8427)Лингвистика-(374)Литература-(1642)Маркетинг-(23702)Математика-(16968)Машиностроение-(1700)Медицина-(12668)Менеджмент-(24684)Механика-(15423)Науковедение-(506)Образование-(11852)Охрана труда-(3308)Педагогика-(5571)Полиграфия-(1312)Политика-(7869)Право-(5454)Приборостроение-(1369)Программирование-(2801)Производство-(97182)Промышленность-(8706)Психология-(18388)Религия-(3217)Связь-(10668)Сельское хозяйство-(299)Социология-(6455)Спорт-(42831)Строительство-(4793)Торговля-(5050)Транспорт-(2929)Туризм-(1568)Физика-(3942)Философия-(17015)Финансы-(26596)Химия-(22929)Экология-(12095)Экономика-(9961)Электроника-(8441)Электротехника-(4623)Энергетика-(12629)Юриспруденция-(1492)Ядерная техника-(1748)

Методические указания




  1. Параметры схемы, обеспечивающей работу в точке покоя, определить расчетным путем, согласно варианту задания представленному в табл.5.1.

Таблица 5.1

№ бригады            
R3, кОм 0,82 0,82 0,82 1,6 1,6 1,6
Eп, В            
Kус            
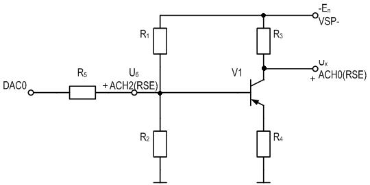
  1. В соответствии с расчетом собрать схему представленную на рис.5.1. Сопротивление R5≈3R1 Ом. Определить значения Uкп, Uбп. Запустив п. 1.Исследование транзисторного усилительного каскада, определить совпадение точек покоя расчетной и экспериментальной. Если совпадения не произойдет заменив резистор R1 на переменный добиться выхода к точке А. Измерить сопротивление переменного резистора с помощью ВП Digital Multimeter. Запустив п. 1. Исследование транзисторного усилительного каскада подать на вход каскада переменный (синусоидальный) сигнал. Сохранить осциллограммы сигналов.
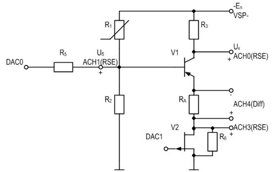
  2. Запустив п. 2. Определение влияния Rэ на Ku и Ki, определить влияние сопротивления эмиттера на коэффициент усиления по напряжению и току. Для чего модифицировать схему согласно рис.5.2. Сопротивления RA=1,8 Ом, R6≈R4+100 Ом. Результаты измерения сохранить. Основываясь на последних рассчитать и построить зависимости KU(Rэ) и KI(Rэ).

, , , .

 

 
Рисунок 5.1 – Схема исследования режима по постоянному току транзисторного усилительного каскада
 
Рисунок 5.2 – Схема для исследования влияния Rэ на KU и KI



Поделиться с друзьями:


Дата добавления: 2015-05-06; Просмотров: 284; Нарушение авторских прав?; Мы поможем в написании вашей работы!


Нам важно ваше мнение! Был ли полезен опубликованный материал? Да | Нет



studopedia.su - Студопедия (2013 - 2026) год. Все материалы представленные на сайте исключительно с целью ознакомления читателями и не преследуют коммерческих целей или нарушение авторских прав! Последнее добавление




Генерация страницы за: 0.01 сек.