Студопедия

КАТЕГОРИИ:


Архитектура-(3434)Астрономия-(809)Биология-(7483)Биотехнологии-(1457)Военное дело-(14632)Высокие технологии-(1363)География-(913)Геология-(1438)Государство-(451)Демография-(1065)Дом-(47672)Журналистика и СМИ-(912)Изобретательство-(14524)Иностранные языки-(4268)Информатика-(17799)Искусство-(1338)История-(13644)Компьютеры-(11121)Косметика-(55)Кулинария-(373)Культура-(8427)Лингвистика-(374)Литература-(1642)Маркетинг-(23702)Математика-(16968)Машиностроение-(1700)Медицина-(12668)Менеджмент-(24684)Механика-(15423)Науковедение-(506)Образование-(11852)Охрана труда-(3308)Педагогика-(5571)Полиграфия-(1312)Политика-(7869)Право-(5454)Приборостроение-(1369)Программирование-(2801)Производство-(97182)Промышленность-(8706)Психология-(18388)Религия-(3217)Связь-(10668)Сельское хозяйство-(299)Социология-(6455)Спорт-(42831)Строительство-(4793)Торговля-(5050)Транспорт-(2929)Туризм-(1568)Физика-(3942)Философия-(17015)Финансы-(26596)Химия-(22929)Экология-(12095)Экономика-(9961)Электроника-(8441)Электротехника-(4623)Энергетика-(12629)Юриспруденция-(1492)Ядерная техника-(1748)

Эквивалентные преобразования электрических цепей




Довольно часто при анализе линейных резистивных цепей приходится применять метод упрощения. Этот метод состоит в том, что участки электрической цепи заменяются более простыми по структуре, при этом токи и напряжения в не преобразованной части цепи не должны изменяться. При этом необходимо уметь преобразовывать последовательно и параллельно соединенные резистивные элементы, а также соединения треугольником и звездой.

2.1 Последовательное соединение резистивных элементов.

Рис. 2.1

Ток во всех последовательно соединенных элементах один и тот же. Для схемы на рис. 2.1 можно записать

U = (R1 + R2 +...+ RN)I = RЭI, (2.1)

где RЭ – эквивалентное сопротивление. .

Как видно из формулы, оно определяется как сумма всех последовательно включенных сопротивлений.

RЭ= R1+R2+…+RN. (2.2)

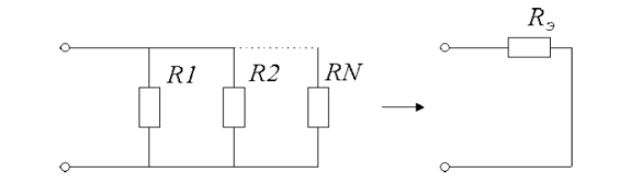
2.2 Параллельное соединение резистивных элементов.

 

 

Рис. 2.2

В схеме (рис. 2.2) ко всем элементам приложено одно и то же напряжение U, а ток разветвляется (I = I1 + I2 +...+ In), поэтому можно записать:

(2.3)

Вводя понятие проводимости G=1/R, получим:

I = U(G1 + G2 +...+ Gn) = UGэ. (2.4)

Таким образом, эквивалентная проводимость Gэ параллельно включенных резистивных элементов равна сумме их проводимостей. В частном случае, если параллельно соединены два резистора, их эквивалентное сопротивление

(2.5)

2.3. Соединения треугольником и звездой

Во многих случаях оказывается целесообразным также преобразование сопротивлений, соединенных треугольником (рис.2.3) и эквивалентной звездой (рис.2.4).

Рис. 2.3 Рис. 2.4

Сопротивления лучей эквивалентной звезды определяют по формулам:

(2.8)

(2.9)

(2.10)

где R1, R2, R3 – сопротивления лучей эквивалентной звезды сопротивлений, а R12, R23, R31 – сопротивления сторон эквивалентного треугольника сопротивлений.

При замене звезды сопротивлений эквивалентным треугольником сопротивлений, сопротивления сторон треугольника рассчитывают по следующим формулам:

(2.11)

(2.12)

(2.13)

2.4 Примеры решения задач

2.1. Для электрической цепи постоянного тока с параллельным соединением резисторов R1, R2, R3 (рис.2.5)определить ток I в неразветвленной её части и токи в отдельных ветвях: I1, I2, I3. Сопротивления резисторов: R1 =5Ом, R2 =10Ом, R3 =15Ом, напряжение питающей сети U =110В.

 

Рис. 2.5

 

Решение. Эквивалентную проводимость всей цепи определим следующим образом:

 

 

Ток в неразветвленной части электрической цепи:

 

 

Токи в ветвях схемы:

 

2.2. Для условий задачи 2.1 ток в неразветвленной части цепи I =22A. Определить токи I1, I2, I3 в ветвях резисторов R1, R2, R3.

Решение. Проводимости отдельных участков электрической цепи:

.

 

Эквивалентная проводимость цепи:

 

.

 

Напряжение между узловыми точками:

 

 

Токи в ветвях резисторов:

 

 

2.3. Для цепи постоянного тока, приведенной на рис.2.6, определить общий ток I и токи I1, I2, I3, I4 в ветвях резисторов R1R4. к цепи подведено напряжение U =240В, сопротивления резисторов R1 =20Ом, R2 =15Ом, R3 =10Ом, R4 =5Ом.

Решение. Эквивалентное сопротивление участка электрической цепи с резисторами R1 и R2:

 

откуда

 

Эквивалентное сопротивление участка цепи с резисторами R3 и R4:

откуда

 

Общее сопротивление цепи:

 

 

Общий ток в цепи:

 

 

Рис.2.6

 

Падение напряжения на параллельных участках цепи:

 

,

 

Токи в ветвях соответствующих резисторов:

 

2.4. Соединение элементов электрической цепи по схемам «звезда» и «треугольник»

В электротехнических и электронных устройствах элементы цепи соединяются по мостовой схеме (рис. 1.12). Сопротивления R12, R13, R24, R34 включены в плечи моста, в диагональ 1–4 включен источник питания с ЭДС Е, другая диагональ 3–4 называется измерительной диагональю моста.

Рис. 1.12 Рис. 1.13

В мостовой схеме сопротивления R13, R12, R23 и R24, R34, R23 соединены по схеме «треугольник». Эквивалентное сопротивление этой схемы можно определить только после замены одного из треугольников, например треугольника R24 R34 R23 звездой R2 R3 R4 (рис. 1.13). Такая замена будет эквивалентной, если она не вызовет изменения токов всех остальных элементов цепи. Для этого величины сопротивлений звезды должны рассчитываться по следующим соотношениям:

(1.8)

; ; .

Для замены схемы «звезда» эквивалентным треугольником необходимо рассчитать сопротивления треугольника:

(1.9)

; ; .

После проведенных преобразований (рис. 1.13) можно определить величину эквивалентного сопротивления мостовой схемы (рис. 1.12)

.

 


2.5. Задачи для самостоятельного решения

 

2.4. Для электрической цепи постоянного тока (рис.2.7) определить токи I1, I2, I3 при напряжении U =240В и сопротивление резистора R1. Сопротивление резисторов: R2 =10Ом, R3 =15Ом. Мощность потребляемая цепью, измеряемая ваттметром W, равна 7,2кВт.

Рис.2.7

 

2.5. Для разветвленной электрической цепи постоянного тока, представляемой на рис.2.7, определить токи I1, I2, I3 при напряжении питающей сети U =80В. Сопротивление резисторов: R1 =10Ом, R2 =15Ом, R3 =10Ом.

 

2.6. Контрольное задание

Определить эквивалентное сопротивление Rэкв электрической цепи постоянного тока (рис.2.8) и распределение токов в ветвях. Положение выключателя S1, величины сопротивлений резисторов R1R12 и питающего напряжения U для каждого из вариантов задания приведены в таблице 2.1.

Рис. 2.8

 

Таблица 2.1

Величина Вариант задания
                 
R1, Ом                  
R2, Ом                  
R3, Ом                  
R4, Ом                  
R5, Ом                  
R6, Ом                  
R7, Ом                  
R8, Ом                  
R9, Ом                  
R10, Ом                  
R11, Ом                  
R12, Ом                  
U, В                  
S1                  

Продолжение таблицы 2.1

Величина Вариант задания
                 
R1, Ом                  
R2, Ом                  
R3, Ом                  
R4, Ом                  
 
R5, Ом                  
R6, Ом                  
R7, Ом                  
R8, Ом                  
R9, Ом                  
R10, Ом                  
R11, Ом                  
R12, Ом                  
U, В                  
S1                  

 

 




Поделиться с друзьями:


Дата добавления: 2015-05-06; Просмотров: 6145; Нарушение авторских прав?; Мы поможем в написании вашей работы!


Нам важно ваше мнение! Был ли полезен опубликованный материал? Да | Нет



studopedia.su - Студопедия (2013 - 2025) год. Все материалы представленные на сайте исключительно с целью ознакомления читателями и не преследуют коммерческих целей или нарушение авторских прав! Последнее добавление




Генерация страницы за: 0.008 сек.