Студопедия

КАТЕГОРИИ:


Архитектура-(3434)Астрономия-(809)Биология-(7483)Биотехнологии-(1457)Военное дело-(14632)Высокие технологии-(1363)География-(913)Геология-(1438)Государство-(451)Демография-(1065)Дом-(47672)Журналистика и СМИ-(912)Изобретательство-(14524)Иностранные языки-(4268)Информатика-(17799)Искусство-(1338)История-(13644)Компьютеры-(11121)Косметика-(55)Кулинария-(373)Культура-(8427)Лингвистика-(374)Литература-(1642)Маркетинг-(23702)Математика-(16968)Машиностроение-(1700)Медицина-(12668)Менеджмент-(24684)Механика-(15423)Науковедение-(506)Образование-(11852)Охрана труда-(3308)Педагогика-(5571)Полиграфия-(1312)Политика-(7869)Право-(5454)Приборостроение-(1369)Программирование-(2801)Производство-(97182)Промышленность-(8706)Психология-(18388)Религия-(3217)Связь-(10668)Сельское хозяйство-(299)Социология-(6455)Спорт-(42831)Строительство-(4793)Торговля-(5050)Транспорт-(2929)Туризм-(1568)Физика-(3942)Философия-(17015)Финансы-(26596)Химия-(22929)Экология-(12095)Экономика-(9961)Электроника-(8441)Электротехника-(4623)Энергетика-(12629)Юриспруденция-(1492)Ядерная техника-(1748)

Усилительный каскад с общим эмиттером




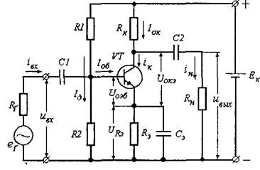
Основными элементами схемы (рис. 1.2) являются источник питания Е к, управляемый элемент — транзистор VT и резистор R k в цепи коллектора.

 

Рис. 1.2. Схема усилительного каскада с ОЭ

Эти элементы образуют главную цепь усилительного каскада, в которой за счет протекания коллекторного тока, управляемого по цепи базы, созда­стся усиленное переменное напряжение на выходе схемы.

Резисторы R 1, R 2 используются как делитель напряжения и служат для задания режима покоя каскада. Резистор R 1 предназначен для создания цепи протекания тока базы покоя I0б, который определяет величину тока покоя коллектора

I 0к = β · I 0б + I *к0,

 

где β – коэффициент усиления по току, I*к0 –тепловой ток.

При нормальной комнатной температуре тепловой ток можно не учитывать в виду его малости.

При отсутствии R 2 схема называется схемой с фиксированным током базы. В этом случае режим покоя будет обеспечен базовым током, обусловленным только резистором R 1. Такая схема очень чувствительна к колебаниям температуры. Поэтому ее целесообразно применять только для устройств, работающих в узком пределе их изменения. Значительно большее распространение получила схема с фиксированным потенциалом базы, который и обеспечивается с помощью делителя R 1 – R 2.

Резистор R э осуществляет отрицательную обратную связь по току и предназначен для стабилизации режима покоя при измене­нии температуры. Конденсатор С э шунтирует резистор R э по пере­менному току, исключая проявление отрицательной об­ратной связи по переменному току и соответствующее уменьшение коэффициентов усиления каскада.

Стабилизирующее действие сопротивления R э. на ток I можно пояснить следующим образом. Допустим, под влиянием температуры увеличился ток I . В такой же степени увеличится и ток эмиттера I = I + I и напря­жение на сопротивлении R э, UR э = I э· R э. Напряжение UR 2 можно счи­тать постоянным, так как при проектировании каскада выбирается ток делителя Iд на порядок больше тока базы покоя транзистора Iд = 10 · I . Поэтому напряжение покоя эмиттер-база транзистора уменьшается U 0эб = U R2U RЭ. В соответствии с входной характеристикой транзи­стора уменьшается и ток базы I , вызывая уменьшение тока покоя коллектора I , чем создается препятствие увеличе­нию тока коллектора I .

 




Поделиться с друзьями:


Дата добавления: 2015-05-06; Просмотров: 912; Нарушение авторских прав?; Мы поможем в написании вашей работы!


Нам важно ваше мнение! Был ли полезен опубликованный материал? Да | Нет



studopedia.su - Студопедия (2013 - 2026) год. Все материалы представленные на сайте исключительно с целью ознакомления читателями и не преследуют коммерческих целей или нарушение авторских прав! Последнее добавление




Генерация страницы за: 0.009 сек.