Студопедия

КАТЕГОРИИ:


Архитектура-(3434)Астрономия-(809)Биология-(7483)Биотехнологии-(1457)Военное дело-(14632)Высокие технологии-(1363)География-(913)Геология-(1438)Государство-(451)Демография-(1065)Дом-(47672)Журналистика и СМИ-(912)Изобретательство-(14524)Иностранные языки-(4268)Информатика-(17799)Искусство-(1338)История-(13644)Компьютеры-(11121)Косметика-(55)Кулинария-(373)Культура-(8427)Лингвистика-(374)Литература-(1642)Маркетинг-(23702)Математика-(16968)Машиностроение-(1700)Медицина-(12668)Менеджмент-(24684)Механика-(15423)Науковедение-(506)Образование-(11852)Охрана труда-(3308)Педагогика-(5571)Полиграфия-(1312)Политика-(7869)Право-(5454)Приборостроение-(1369)Программирование-(2801)Производство-(97182)Промышленность-(8706)Психология-(18388)Религия-(3217)Связь-(10668)Сельское хозяйство-(299)Социология-(6455)Спорт-(42831)Строительство-(4793)Торговля-(5050)Транспорт-(2929)Туризм-(1568)Физика-(3942)Философия-(17015)Финансы-(26596)Химия-(22929)Экология-(12095)Экономика-(9961)Электроника-(8441)Электротехника-(4623)Энергетика-(12629)Юриспруденция-(1492)Ядерная техника-(1748)

Генератор на интегральных одновибраторах К155АГЗ




Принципиальные схемы мультивибраторов, выполненных в виде интегральных микросхем, отличаются от мультивибраторов на дискретных транзисторах наличием элементов, улучшающих свойства генерируемых импульсов. Такие элементы выполняются в едином технологическом цикле со схемой и не влияют на стоимость или габариты микросхемы.

Микросхема К155АГЗ состоит из двух независимых ждущих мультивибраторов с парафазными выходами, двухвходовой логикой для запуска фронтом и спадом входного импульса, входом обнуления и подключения времязадающей RC-цепи. Каждый из мультивибраторов может повторно запускаться подачей нового запускающего импульса до окончания выходного, поэтому можно получить один импульс на выходе при поступлении на вход серии импульсов.

Длительность выходного импульса зависит от параметров RC-цепи и определяется по формуле:

,

где =5...50 кОм; - не ограничена [пФ].

 

 

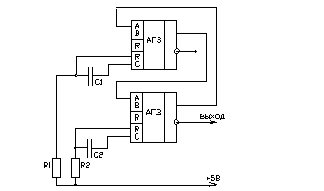
Рис.10.6. Мультивибратор на ИС К155АГЗ

 

Устройство на рис.10.6. формирует выходной импульс, длительность которого определяется выражением .

Мультивибратор К155АГЗ имеет внутреннюю задержку, равную 30 нс. Вход В является входом триггера Шмитта. Возможна различная организация взаимного запуска мультивибраторов: по входу В первого мультивибратора - сигналом с инверсного выхода второго, по входу А первого мультивибратора - сигналом с прямого выхода второго или другие комбинации.

Частоту генератора с перекрёстными связями вычисляют по формуле:

 

 

где R [кОм], С [пФ], Т [нс]

 

 





Поделиться с друзьями:


Дата добавления: 2015-05-06; Просмотров: 724; Нарушение авторских прав?; Мы поможем в написании вашей работы!


Нам важно ваше мнение! Был ли полезен опубликованный материал? Да | Нет



studopedia.su - Студопедия (2013 - 2025) год. Все материалы представленные на сайте исключительно с целью ознакомления читателями и не преследуют коммерческих целей или нарушение авторских прав! Последнее добавление




Генерация страницы за: 0.006 сек.