Студопедия

КАТЕГОРИИ:


Архитектура-(3434)Астрономия-(809)Биология-(7483)Биотехнологии-(1457)Военное дело-(14632)Высокие технологии-(1363)География-(913)Геология-(1438)Государство-(451)Демография-(1065)Дом-(47672)Журналистика и СМИ-(912)Изобретательство-(14524)Иностранные языки-(4268)Информатика-(17799)Искусство-(1338)История-(13644)Компьютеры-(11121)Косметика-(55)Кулинария-(373)Культура-(8427)Лингвистика-(374)Литература-(1642)Маркетинг-(23702)Математика-(16968)Машиностроение-(1700)Медицина-(12668)Менеджмент-(24684)Механика-(15423)Науковедение-(506)Образование-(11852)Охрана труда-(3308)Педагогика-(5571)Полиграфия-(1312)Политика-(7869)Право-(5454)Приборостроение-(1369)Программирование-(2801)Производство-(97182)Промышленность-(8706)Психология-(18388)Религия-(3217)Связь-(10668)Сельское хозяйство-(299)Социология-(6455)Спорт-(42831)Строительство-(4793)Торговля-(5050)Транспорт-(2929)Туризм-(1568)Физика-(3942)Философия-(17015)Финансы-(26596)Химия-(22929)Экология-(12095)Экономика-(9961)Электроника-(8441)Электротехника-(4623)Энергетика-(12629)Юриспруденция-(1492)Ядерная техника-(1748)

Обратные связи в усилителях




Обратной связью называется передача части выходного напряжения усилителя на его вход.

Различают четыре вида обратной связи (ОС):

- последовательная по напряжению;

- параллельная по напряжению;

- последовательная по току;

- параллельная по току.

На схемах рисунков 6, а-г представлены соответственно все эти виды обратных связей.

Во всех схемах “К” - коэффициент усиления усилителя без обратной связи, а - “ β“ коэффициент передачи цепи обратной связи.

 

 

Рисунок 6,а Последовательная ОС по напряжению

 

 

Рисунок 6,б Параллельная ОС по напряжению

 

 

Рисунок 6,в Последовательная ОС по току

 

 

Рисунок 6,г Параллельная ОС по току

 

Для определения вида обратной связи нужно “закоротить” нагрузку. Если напряжение обратной связи уменьшается до нуля, то в этом случае будет обратная связь по напряжению. Если напряжение обратной связи возрастает, то это обратная связь по току.

 

Рассмотрим влияние обратной связи на параметры усилителя на примере усилителя, охваченного последовательной обратной связью по напряжению (рисунок 6,а).

На вход усилителя подается синусоидальный сигнал. Комплексное значение коэффициента усиления по напряжению

 

Ќu = , (1)

где U ВЫХ и UВХ 2 – комплексные действующие значения напряжений.

 

Коэффициент обратной связи:

 

β = . (2)

Коэффициент усиления усилителя с обратной связью:

 

Ќu ОС = . (3)

Учитывая формулы (1) и (2), а также то, что UВХ 2 = UВХ 1 + UОС, можно преобразовать формулу (3) следующим образом:

 

Ќu ОС = = = =

 

= = .

 

Таким образом,

Ќu ОС = Ќu / (1 - β Ќu)

Произведение βЌu определяет характер обратной связи и величину коэффициента усиления. Так как коэффициент усиления усилителя и коэффициент цепи обратной связи являются в общем случае комплексными величинами, то, учитывая фазовые сдвиги, вносимые в сигнал, соответственно цепью усилителя и цепью обратной связи, можно записать:

Ќu ОС= =

Если φ +φос = π, 3π, 5π, ……n π, где n – нечетное число, e j (φ ос +φ) = -1 и

Ќu ОСU e / 1+ β КU.

 

Фаза в цепи обратной связи изменяется на 1800 и сигнал по цепи обратной связи поступает в противофазе по отношению к входному сигналу. В усилителе создается отрицательная обратная связь (ООС), которая уменьшает коэффициент усиления усилителя. Кроме того, наличие ООС уменьшает коэффициент гармоник, расширяет полосу пропускания усилителя.

Пусть КU изменяется в пределах от 1000 до 10000 в некотором частотном диапазоне, а коэффициент β =0,1 и остается постоянным. Тогда в соответствии с формулой

КU ОС = КU / 1+ β КU.

КU изменяется от 9,9 до 9,99. Таким образом, изменение становится значительно меньше (≈ 1%).

Входное сопротивление усилителя с ООС увеличивается, а выходное уменьшается.

RВХ =UВХ2/IВХ;

 

RВХОС =

 

RВХОС = RВХ (1+ β КU).

 

Напряжение на выходе усилителя при наличии ООС уменьшается на величину Δ UОС = Δ UВЫХ β, а так как

Δ UВЫХ = - Δ IВЫХ RВЫХ - Δ UОСКU,

то Δ UВЫХ = - Δ IВЫХ RВЫХ - Δ UВЫХ β КU.

 

Знак “ минус” учитывает то обстоятельство, что при увеличении выходного тока, напряжение обратной связи увеличивается, а выходное напряжение уменьшается. Следовательно,

 

RВЫХ ОС= - Δ UВЫХ / Δ IВЫХ = RВЫХ / (1 + β КU).

 

Если φ +φос = 2π, 4π, 6π, ……n π, где n – четное число, e j (φ ос +φ) = +1 и

Ќu ОСU e / 1- β КU.

 

Фаза сигнала из цепи обратной связи совпадает с фазой входного. В усилителе создается положительная обратная связь (ПОС), которая увеличивает коэффициент усиления и может привести к самовозбуждению схемы.

 

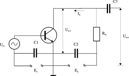
4. Динамический режим работы транзистора

При работе транзистора в схеме усилителя (рисунок 7) в его входной цепи действует источник напряжения Uвх, подлежащего усилению, а в выходную цепь включается сопротивление нагрузки Rн. Транзистор включен по схеме с общим эмиттером (ОЭ).

Конденсатор С3 называется разделительным, он включается между усилительными каскадами и разделяет их по постоянному току. Конденсаторы С1 и С2 шунтируют источники питания по переменному току.

 

Рисунок 7 Схема усилителя

 

Такой режим называется динамическим или рабочим. Характеристики и параметры транзистора, работающего в динамическом режиме, отличаются от соответствующих характеристик в статическом режиме.

Если входной сигнал мал, то используемые рабочие участки статических характеристик транзистора невелики и их обычно считают линейными. В этом случае расчет основных показателей усилителя выполняют аналитическими методами с использованием малосигнальных параметров транзистора. Малосигнальные параметры даются в справочниках для транзисторов.

 

Если транзистор работает при больших входных сигналах (например, в оконечном каскаде усилителя низкой частоты), то для учета нелинейности характеристик транзистора применяют графический метод расчета.

Основные показатели усилителя определяются по входной и выходной динамическим характеристикам. Для получения выходной и входной динамической характеристики следует на семейство статических характеристик (рисунок 8,б) нанести нагрузочную характеристику. Уравнение нагрузочной характеристики определяется по закону Кирхгофа для замкнутой цепи коллектора с нагрузочным сопротивлением и источником электродвижущей силы.

 

Uкэ = Eк – Iк Rн

Это уравнение прямой, которую можно построить на семействе статических характеристик по двум точкам:

точке А, соответствующей режиму холостого хода выходной цепи при

Iк =0, Uкэ = Eк,

и в точке В, соответствующей короткому замыканию цепи коллектора

Uкэ =0, Iк = Eк / Rн.

Геометрическое место точек пересечения нагрузочной характеристики со статическими характеристиками (точки 1, 2, 3, 4, 5) дает выходную динамическую характеристику транзистора.

Участок 1-5 динамической характеристики, для которого изменения тока коллектора Iк пропорциональны изменениям тока базы Iб, является

рабочим для схемы усилителя. Снизу рабочая область ограничена областью отсечки, когда Iб = 0. Сверху – областью насыщения транзистора, когда коллекторный переход смещается в прямом направлении и ток Iк перестает изменяться.

 

Входная динамическая характеристика представляет зависимость Iб=f (Uбэ) при Rн = const. Она строится путем перенесения точек 1, 2, 3, 4 и 5 с выходной динамической характеристики на семейство входных статических характеристик (рисунок 8,а). Для каждой из перечисленных точек определяют значения тока базы Iб и напряжения на коллекторе Uкэ. Отмечают эти значения на входных статических характеристиках и соединяют точки плавной кривой. На рисунке 8,а она изображена штриховой линией.

Обычно входные статические характеристики, снятые при различных коллекторных напряжениях, расположены очень близко друг к другу.

 

Поэтому приближенные расчеты производят без построения входной динамической характеристики по одной из статических кривых.

На рисунке 8,а видно, что входная динамическая характеристика не линейна. Это является одной из причин искажения усиливаемого сигнала.

Для получения от усилителя максимальной выходной мощности в схеме нужно обеспечивать максимальные амплитуды тока коллектора Ikm, амплитуды напряжений на коллекторе транзистора Ukm и на нагрузке Uнm при условии отсутствия искажений формы сигнала.

 


 

Рисунок 8 Графический расчет усилителя


 

С этой целью исходное значение тока коллектора при отсутствии сигнала на входе (рабочую точку) выбирают на середине участка 1–5 динамической характеристики (рисунок 8,б точка 3). Рабочая точка во входной цепи транзистора соответствует значению тока базы Iб = Iб3. Для этого в цепь база-эмиттер необходимо подать постоянное напряжение источника питания Ебэ.

При подаче на вход сигнала, изменяющегося по гармоническому закону, для неискаженного усиления наибольшие изменения тока базы возможны от Iб3 до Iб5 и от Iб3 до Iб1. При этом, амплитуды напряжения на базе Uбm1 и Uбm2, амплитуды тока коллектора Ikm1 и Ikm2, а также амплитуды напряжений на коллекторе U km1 и U km2 не равны друг другу. Это объясняется нелинейностью характеристик транзистора.

 

По входным и выходным динамическим характеристикам можно определить следующие показатели усилителя:

- постоянные напряжение и ток базы при отсутствии входного сигнала, определяющие исходное положение рабочей точки на входной и выходной динамических характеристиках Uб3 и I б3;

- постоянную составляющую тока коллектора Ik3;

- постоянные напряжения на коллекторе и нагрузке Uk3 и Uн3;

- мощность рассеивания на коллекторе P к3 = Iк3 •U к3;

- амплитуду переменного входного напряжения Uбm;

- амплитуду базового тока транзистора, которая определяется средним значение между Iбm1 и Iбm2;

- среднее значение входного сопротивления Rвх = Uбm /Iбm;

- входную мощность сигнала Pвх = 0,5 IбmUбm;

- амплитуду переменной составляющей тока коллектора Ikm;

- амплитуду переменных напряжений на коллекторе U km и U нm нагрузке;

- выходную мощность сигнала Pвых = 0,5I km U km.

Поскольку из-за нелинейности характеристик транзистора его усилительные свойства для положительного и отрицательного полупериода сигналов не одинаковы, то они оцениваются при помощи средних коэффициентов усиления:

- по току

Ki = 2I km /2Iбm

- по напряжению

Ku = 2U km /2Uбm

- по мощности

Kp = 0,5I km U km /0,5IбmUбm = Ki • Ku

 

Перед тем, как подать сигнал на вход усилительного каскада, необходимо обеспечить начальный режим работы по постоянному току. Он задается источниками постоянного напряжения при помощи различных способов подачи напряжения на переходы транзистора.

 

Так как в режиме усиления на коллектор по отношению к базе подается положительное напряжение и на базу по отношению к эмиттеру так же положительное напряжение, то для питания транзистора можно использовать один источник питания.

 

Существует несколько способов создания напряжения:

- с фиксированным током базы;

- с фиксированным напряжением базы;

- с элементами стабилизации.

-

Схема с фиксированным током базы представлена на рисунке 9

 

 

Рисунок 9 Схема питания базы фиксированным током

 

Напряжение на базе создается сопротивлением RБ, подключенным к источнику ЕК. Ток базы

i Б = ЕК / RБ , так как U БЭ << ЕК.

 

Этот способ используется редко в связи со следующими недостатками:

-при воздействии дестабилизирующих факторов изменяются токи базы, а следовательно и U БЭ;

-при смене транзистора необходимо подбирать сопротивление RБ.

 

Схема с фиксированным напряжением базы представлена на рисунке 10.

 

В этой схеме напряжение на базу транзистора подается с помощью делителя на сопротивлениях R1 и R2.

 

U БЭ = .

 

 

 

Рисунок 10 Схема питания базы фиксированным напряжением

 

Сопротивления делителя выбираются из следующих соображений.

Так как U БЭ = (0,6…0,7)В, а ток делителя выбирается

i ДЕЛ =(8….10) i Б МАКС.,

 

тогда R1 + R2 = ЕК / i ДЕЛ и R2 = U БЭ/ i ДЕЛ.

 

Схема с элементами стабилизации представлена на рисунке 11.

 

В этой схеме смещение на базе транзистора создается делителем на сопротивлениях R1 и R2. В цепь эмиттера включено сопротивление RЭ с параллельной емкостью СЭ, которая шунтирует сопротивление RЭ по переменному току. Эта цепочка является цепью стабилизации и обеспечивает постоянство смещения на базе транзистора при изменении температуры.

 

 

Рисунок 11Схема усилителя с общим эмиттером с цепью термостабилизации

 

Напряжение U БЭ = U R2 - U Э,

где U Э = i ЭRЭ.

 

При увеличении температуры возрастает тепловой ток транзистор IК0, который протекает по цепи: источник +ЕК, сопротивление R1, переход коллектор – база транзистора, сопротивление R2, корпус. Этот ток увеличивает положительное напряжение на R2 и, следовательно, на базе транзистора, а это приводит к изменению положения рабочей точки.

В усилителе могут возникнуть искажения в выходном сигнале. Так как при увеличении температуры возрастают токи коллектора и эмиттера, то ток эмиттера, протекая через сопротивление RЭ, создает на нем напряжение обратное для перехода база – эмиттер.

Если выбрать сопротивление RЭ таким, чтобы изменение напряжения ΔUЭ при увеличении температуры равнялось изменению напряжения ΔU R2, т.е. ΔU R2 = – ΔUЭ, то U БЭ останется постоянным.

 




Поделиться с друзьями:


Дата добавления: 2015-05-06; Просмотров: 1638; Нарушение авторских прав?; Мы поможем в написании вашей работы!


Нам важно ваше мнение! Был ли полезен опубликованный материал? Да | Нет



studopedia.su - Студопедия (2013 - 2026) год. Все материалы представленные на сайте исключительно с целью ознакомления читателями и не преследуют коммерческих целей или нарушение авторских прав! Последнее добавление




Генерация страницы за: 0.009 сек.