Студопедия

КАТЕГОРИИ:


Архитектура-(3434)Астрономия-(809)Биология-(7483)Биотехнологии-(1457)Военное дело-(14632)Высокие технологии-(1363)География-(913)Геология-(1438)Государство-(451)Демография-(1065)Дом-(47672)Журналистика и СМИ-(912)Изобретательство-(14524)Иностранные языки-(4268)Информатика-(17799)Искусство-(1338)История-(13644)Компьютеры-(11121)Косметика-(55)Кулинария-(373)Культура-(8427)Лингвистика-(374)Литература-(1642)Маркетинг-(23702)Математика-(16968)Машиностроение-(1700)Медицина-(12668)Менеджмент-(24684)Механика-(15423)Науковедение-(506)Образование-(11852)Охрана труда-(3308)Педагогика-(5571)Полиграфия-(1312)Политика-(7869)Право-(5454)Приборостроение-(1369)Программирование-(2801)Производство-(97182)Промышленность-(8706)Психология-(18388)Религия-(3217)Связь-(10668)Сельское хозяйство-(299)Социология-(6455)Спорт-(42831)Строительство-(4793)Торговля-(5050)Транспорт-(2929)Туризм-(1568)Физика-(3942)Философия-(17015)Финансы-(26596)Химия-(22929)Экология-(12095)Экономика-(9961)Электроника-(8441)Электротехника-(4623)Энергетика-(12629)Юриспруденция-(1492)Ядерная техника-(1748)

Екатеринбург 2012

Т Е Т Р А Д Ь

 

для практических работ по дисциплине

“Архитектура ЭВМ и ВС”

 

 

 

Студент группы ___________

 

Преподаватель Плеханова Л.В.

 

 

Тема: “Моделирование цифровых устройств средствами программы Windows Electronics Workbench”

 

Упражнение № 1

Заполнить таблицу истинности для логических схем, представленных на Рис.1

Рис. 1   A B C D “И” “ИЛИ” “И-НЕ” “ИЛИ-НЕ”
                 
                 
                 
                 
                 
                 
                 
                 
                 
                 
                 
                 
                 
                 
                 
                 

 

Упражнение № 2

Заполнить таблицу истинности и записать в аналитической форме выражение для выходной переменной схемы “Исключающее ИЛИ” (Рис. 2)

 

Рис. 2   A B AÅ B
       
       
       
       
Булево выражение   AÅ B =

 

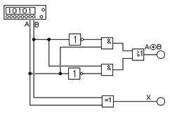
Упражнение № 3

Доказать эквивалентность схем “Исключающее ИЛИ” и “=1” (Рис. 3)

 

Рис. 3   A B AÅ B Х
         
         
         
         
Вывод:

Упражнение № 4

Заполнить таблицу истинности и определить смысл выходных переменные X и У (Рис. 4)

 

Рис. 4   A B Х У
         
         
         
         
Вывод: Х- У-  

 

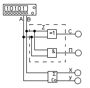
Упражнение № 5

Доказать эквивалентность схем “Z” и “å” (Рис. 3)

 

Рис. 5   A B Z å
С П Х У
             
             
             
             
Вывод:

 

Упражнение № 6

Собрать схему двоичного восьмиразрядного сумматора и выполнить сложение чисел А2 и В2. Варианты чисел приведены в Приложении 1. В качестве источника числа А2 использовать Word Generator, а число В2 задавать с помощью источников напряжения постоянного тока (рис. 6).

Рис. 6 Сумматор Результат сложения S2 анализировать с помощью прибора Logic Analyzer. Для проверки правильности собранной схемы выполнить сложение А и В вручную: А2 = + В2 = S2 = Не меняя схемы выполнить сложение увеличенного вдвое числа А и прежнего числа В и сравнить сумму с результатом, полученным ниже: 2А2 = + В2 = S2 =  

Упражнение № 7

Собрать схему дешифратора из двоичного кода в восьмеричный код, используя логические схемы “ И ” (рис.7), и заполнить таблицу истинности

 

Рис. 7 Дешифратор из 2-го кода в 8-ый Записать булево выражение для каждого выхода дешифратора:   X0= X1= X2= X3= X4= X5= X6= X7=  
ост A B C X0 X1 X2 X3 X4 X5 X6 X7
                       
                       
                       
                       
                       
                       
                       
                       
                         

 

Упражнение № 8

Собрать схему дешифратора из двоичного в восьмеричный код, используя схемы “ ИЛИ-НЕ ” (рис.8), и заполнить таблицу истинности

 

Рис. 8 Булево выражение для каждого выхода дешифратора: X0= (A+B+C)’ X1= (A+B+C’)’ X2= (A+B’+C)’ X3= (A+B’+C’)’ X4= (A’+B+C)’ X5= (A’+B+C’)’ X6= (A’+B’+C)’ X7= (A’+B’+C’)’ Примечание: ’ – знак инвертирования.
ост A B C X0 X1 X2 X3 X4 X5 X6 X7
                       
                       
                       
                       
                       
                       
                       
                       
                         

 

Упражнение № 9

Собрать схему шестиразрядного двоичного счетчика на JK-триггерах (рис.9) и зарисовать временные диаграммы (рис. 10), поясняющие принцип его работы. На первом этапе счет производить с нуля, на втором - со стартового числа D=А, записываемого в нулевом такте.

Рис. 9 Двоичный счетчик
Рис. 10 Временные диаграммы двоичного счетчика

Упражнение № 10

Собрать схему универсального сдвигового регистра на JK-триггерах (рис.11) и зарисовать временные диаграммы, поясняющие принцип его работы в качестве последовательно-параллельного регистра (рис. 12) и в качестве параллельно-последовательного регистра (рис. 13). Преобразования выполнить с числом D=А. Числа А приведены в Приложении 1.

 

Рис. 11 Универсальный сдвиговый регистр
Рис. 12 Временные диаграммы последовательно-параллельного сдвигового регистра

Для ввода данных в параллельном коде использовать источник напряжения постоянного тока и заземление.

Примечание: на временных диаграммах R означает сброс, S – запись, Clk – тактовые импульсы, D – входные данные, Q – выходные данные.

Рис. 13 Временные диаграммы параллельно-последовательного сдвигового регистра

 

Упражнение № 11

Синтезировать схему цифрового устройства с помощью Logic Converter (рис.14). Варианты заданий приведены в Приложении 2.

Рис. 14 Логический конвертор Здесь записать минимизированное булево выражение синтезируемого устройства

Упражнение выполнить в следующей последовательности:

1. В колонке “OUT” логического конвертора установить значение “ИСТИНА” для соответствующих заданию минтермов;

2. Получить аналитическую форму описания синтезируемого устройства;

3. Минимизировать полученное булево выражение;

4. Синтезировать логическую схему устройства;

5. Решить обратную задачу – определить таблицу истинности и булево выражения для синтезированного устройства, подключив его к конвертору.

Примечание: все этапы выполняются с помощью логического конвертора.


Приложение 1

№ варианта A10 B10 № варианта A10 B10
           
           
           
           
           
           
           
           
           
           
           
           
           
           
           
           
           
           

 

Приложение 2

№ варианта Логическая функция в ДСНФ
  M0+M1+M4+M5+M8+M9+M12+M13
  M0+M1+M2+M3+M4+M5+M6+M7
  M1+M3+M5+M7+M9+M11+M13+M15
  M0+M2+M4+M6+M8+M10+M12+M14
  M4+M5+M6+M7+M8+M9+M10+M11
  M8+M9+M10+M11+M12+M13+M14+M15
  M0+M1+M2+M3+M8+M9+M10+M11
  M0+M1+M2+M3+M12+M13+M14+M15
  M12+M13+M14+M15+M16+M17+M18+M19
  M16+M17+M18+M19+ M20+M21+M22+M23
  M20+M21+M22+M23+M24+M25+M26+M27
  M24+M25+M26+M27+M28+M29+M30+M31
  M28+M29+M30+M31+M32+M33+M34+M35
  M32+M33+M34+M35+M36+M37+M38+M39
  M36+M37+M38+M39+M40+M41+M42+M43
  M40+M41+M42+M43+M44+M45+M46+M47
  M44+M45+M46+M47+M48+M49+M50+M51
  M48+M49+M50+M51+M52+M53+M54+M55
  M52+M53+M54+M55+M56+M57+M58+M59
  M56+M57+M58+M59+M60+M61+M62+M63
  M60+M61+M62+M63+M64+M65+M66+M67
  M64+M65+M66+M67+M68+M69+M70+M71
  M68+M69+M70+M71+M72+M73+M74+M75
  M72+M73+M74+M75+M76+M77+M78+M79
  M76+M77+M78+M79+M80+M81+M82+M83
  M80+M81+M82+M83+M84+M85+M86+M87
  M84+M85+M86+M87+M88+M89+M90+M91
  M88+M89+M90+M91+M92+M93+M94+M95
  M92+M93+M94+M95+M96+M97+M98+M99
  M96+M97+M98+M99+M100+M101+M102+M103
  M100+M101+M102+M103+M104+M105+M106+M107
  M104+M105+M106+M107+M108+M109+M110+M111
  M108+M109+M110+M111+M112+M113+M114+M115
  M112+M113+M114+M115+M116+M117+M118+M119
  M116+M117+M118+M119+M120+M121+M122+M123
  M120+M121+M122+M123+M124+M125+M126+M127

 

<== предыдущая лекция | следующая лекция ==>
Механические и служебные свойства соединений | Устройство Материи
Поделиться с друзьями:


Дата добавления: 2015-05-06; Просмотров: 338; Нарушение авторских прав?; Мы поможем в написании вашей работы!


Нам важно ваше мнение! Был ли полезен опубликованный материал? Да | Нет



studopedia.su - Студопедия (2013 - 2025) год. Все материалы представленные на сайте исключительно с целью ознакомления читателями и не преследуют коммерческих целей или нарушение авторских прав! Последнее добавление




Генерация страницы за: 0.012 сек.